Методы проектирования полосовых фильтров на связанных коаксиальных резонаторах
- Авторы: Белов Ю.Г.1, Бирюков В.В.1, Воробьев И.А.1, Малахов В.А.1, Раевский А.С.1, Раевская Ю.В.1
-
Учреждения:
- Нижегородский государственный технический университет имени Р.Е. Алексеева
- Выпуск: Том 28, № 1 (2025)
- Страницы: 39-55
- Раздел: Пленарные доклады XXI Международной научно-технической конференции «Физика и технические приложения волновых процессов»
- URL: https://medbiosci.ru/1810-3189/article/view/314387
- DOI: https://doi.org/10.18469/1810-3189.2025.28.1.39-55
- ID: 314387
Цитировать
Полный текст
Аннотация
Обоснование. Сверхвысокочастотные полосно-пропускающие фильтры находят широкое применение в различных радиотехнических устройствах. Особое место среди СВЧ полосно-пропускающих фильтров занимают фильтры, входящие в состав мультиплексоров, в частности диплексеров, используемых в системах сотовой связи. В системах мобильной связи широко задействованы конструкции фильтров и диплексеров на коаксиальных резонаторах. Фильтры на коаксиальных резонаторах имеют достаточно хорошо отработанную конструкцию и могут применяться для широкополосных систем. Цель. В настоящее время продолжается совершенствование конструкций фильтров и диплексеров на коаксиальных резонаторах с точки зрения совершенствования технологии изготовления и сборки. Методы. Метод эквивалентных схем, матрицы связи. Результаты. Рассмотрены принципы построения фильтров на связанных коаксиальных резонаторах. Проанализированы способы получения заданной формы амплитудно-частотной характеристики фильтра. Заключение. Рассмотрен метод для проектирования передаточных функций и синтеза прототипов фильтрующих цепей с чебышевскими характеристиками.
Полный текст
Введение
Сверхвысокочастотные полосно-пропускающие фильтры (ППФ) [1; 2] находят широкое применение в различных радиотехнических устройствах. Общая теория СВЧ ППФ достаточно полно изложена в [3]. Особое место среди СВЧ ППФ занимают фильтры, входящие в состав мультиплексоров, в частности диплексеров, используемых в системах сотовой связи. В системах мобильной связи широкое применение нашли конструкции фильтров и диплексеров на коаксиальных резонаторах [4; 5]. Фильтры на коаксиальных резонаторах имеют достаточно хорошо отработанную конструкцию и могут применяться для широкополосных систем. В настоящее время продолжается совершенствование конструкций фильтров и диплексеров на коаксиальных резонаторах с точки зрения улучшения технологии изготовления и сборки.
Перекрестная связь в коаксиальных полосовых фильтрах
Полосовые фильтры приема и передачи, входящие в состав диплексеров базовых станций, могут иметь требуемые уровни подавления более 100 дБ на одной стороне полосы пропускания и в то же время иметь очень мягкие требования к подавлению на противоположной стороне [6]. Для создания асимметричных частотных характеристик широко используется метод перекрестной связи, так как он позволяет обеспечить подавление в фильтре только в той полосе частот, где это необходимо. Используя метод перекрестных связей для создания нулей передачи, можно увеличивать подавление выше полосы пропускания, а подавление ниже полосы пропускания ослаблять. Это позволяет уменьшить количество резонирующих элементов, необходимых для выполнения предъявляемых требований, что, в свою очередь, снижает вносимые потери, размер и стоимость изготовления конструкции фильтра, хотя и за счет топологической сложности и, возможно, времени на разработку и настройку. Полная связь между соседними резонаторами имеет как магнитную, так и электрическую составляющие, однако они не совпадают друг с другом по фазе, поэтому полная связь представляет собой магнитную связь за вычетом электрической связи [7]. По этой причине настроечный винт, помещенный между открытыми концами двух резонаторов, увеличивает связь между ними. Нерезонансное (вне полосы пропускания) поведение элементов используется для создания деструктивной интерференции, приводящей к нулям передачи.
Схемы многопроходного соединения
Рассмотрим трехрезонаторную структуру, изображенную на рис. 1, которая представляет собой каскадно-триплетную секцию с использованием индуктивной перекрестной связи между резонаторами 1 и 3. Резонаторы эквивалентной схемы изображены кружками. Фазовые сдвиги могут быть найдены для двух возможных путей прохождения сигнала. Путь 1–2–3 является основным путем, а путь 1–3 – вторичным путем, следующим за перекрестной связью. При суммировании фазовых вкладов отдельных составляющих вклады резонаторов 1 и 3 не требуются, оба пути имеют общее начало и конец. Необходимо учитывать только вклад внутренних элементов схемы в резонаторы 1 и 3. Действительно, 1 и 3 даже не обязательно должны быть резонаторами, сигналы могут объединяться на входе или выходе самого фильтра. Кроме того, резонатор 2 следует рассматривать как выше, так и ниже резонанса.
Рис. 1. Диаграмма многолучевой связи для каскадно-триплетной секции с индуктивной перекрестной связью и возможной частотной характеристикой, включая нуль передачи (сплошная линия) (а) и физическое представление сечения каскадно-триплетной секции (б)
Fig. 1. Multipath diagram for a cascade-triplet section with inductive cross-coupling and possible frequency response, including transmission zero (solid line) (a) and a physical representation of the section of the cascade-triplet section (b)
Окно между резонаторами 1 и 3 обеспечивает магнитную перекрестную связь. Ниже резонанса два пути находятся в фазе, а выше резонанса два пути разнесены на 180°. Это выполняется точно только на одной частоте (здесь примерно 2030 МГц), но выполняется приблизительно и для частот около 2020–2040 МГц. Эта деструктивная интерференция вызывает появление нуля передачи на верхнем крае полосы пропускания. Более сильная связь между резонаторами 1 и 3 заставляет нуль двигаться к полосе пропускания. Уменьшение связи перемещает его дальше по верхнему краю. Этот тип перекрестной связи может быть реализован окном между полостями таким же образом, как реализуется первичная связь между резонатором 1 и 2 или между 2 и 3. Достоинство ее заключается в том, что не требуются дополнительные компоненты, рис. 1, б.
На рис. 2, a индуктивная перекрестная связь между резонаторами 1 и 3 заменена емкостным зондом. Снова путь 1–2–3 является основным путем. Путь 1–3 является второстепенным путем и теперь имеет положительный фазовый сдвиг на 90°. Таким образом, для емкостной перекрестной связи деструктивная интерференция возникает ниже полосы пропускания.
Рис. 2. Диаграмма многолучевой связи и возможная частотная характеристика для каскадно-триплетной секции с емкостной перекрестной связью (включая нуль передачи – сплошная линия, стандартный отклик Чебышева без перекрестной связи – пунктирная линия) (а) и для каскадно-квадруплетной секции с индуктивной перекрестной связью (б)
Fig. 2. Multipath diagram and possible frequency response for cascade-triplet section with capacitive cross coupling (including transmission zero – solid line, standard Chebyshev response without cross coupling – dotted line) (a) and for cascade-quadruplet section with inductive cross coupling (b)
На рис. 2, б показан вариант с четырьмя резонаторами, известный как каскадно-квадруплетная секция с индуктивной перекрестной связью. Первичный путь в этом случае 1–2–3–4, вторичный путь 1–4, таким образом, обходит два резонатора. Нули передачи не образуются ни на каких реальных частотах выше или ниже полосы пропускания. Однако на мнимых частотах могут образовываться нули, что приводит к сглаживанию групповой задержки в полосе пропускания. Сглаживание групповой задержки также приводит к сглаживанию вносимых потерь. Потери в средней полосе немного увеличиваются, а эффекты спада на краях полосы уменьшаются. Эти эффекты неочевидны из данного анализа, более подробный анализ фильтров с нулями передачи на мнимых частотах приведен в [8; 9].
При замене индуктивного элемента между резонаторами 1 и 4 на емкостный зонд получается другой тип каскадно-квадруплетной секции. Эта топология особенно интересна, поскольку нули передачи образуются как выше, так и ниже полосы пропускания (рис. 3). Зонд между резонаторами 1 и 4 обеспечивает емкостную связь.
Рис. 3. Диаграмма многолучевой связи для каскадно-квадруплетной секции с емкостной перекрестной связью и возможная частотная характеристика (а); физическое представление сечения каскадно-квадруплетной секции (б)
Fig. 3. Multipath diagram for cascade-quadruplet section with capacitive cross-coupling and possible frequency response (a); physical representation of the section of cascade-quadruplet section (b)
Вложенные структуры
Исследуем вложенные структуры, имеющие три или более путей прохождения сигнала. Сначала рассмотрим схему на рис. 4, а. Внешний путь 1–2–3 объединяется с 1–3, чтобы сформировать один нуль передачи. Одновременно внутренний путь 1–3–4 объединяется с самым внутренним путем 1–4 для создания второго нуля передачи. Оба нуля находятся на верхнем крае полосы пропускания. Было показано, что два сигнальных тракта могут быть объединены для получения нуля передачи.
Рис. 4. Вложенная перекрестная связь для получения двух нулей передачи на верхнем (а) и нижнем (б) крае полосы пропускания (сплошная линия)
Fig. 4. Nested cross-linking to obtain two transmission zeros at the upper (a) and lower (b) edge of the bandwidth (solid line)
Точно так же схема на рис. 4, б обеспечивает два нуля передачи на нижнем крае полосы пропускания. Ее особенностью является емкостная перекрестная связь между резонаторами 1 и 3. Эти две схемы особенно полезны в конструкциях диплексеров из-за схожей топологии и симметрии отклика.
В [10] представлен обзорный материал по использованию связи между несмежными резонаторами для создания нулей передачи на реальных частотах в СВЧ-фильтрах. Рассмотрены многолучевые соединения, построены диаграммы и относительные фазовые сдвиги кратных наблюдаемых путей, вызывающих известные реакции каскадных тройных и четверных секции. Дана краткая классификация различных методов синтеза и реализации этих типов фильтров.
1. Определение требуемых порядков
Передаточная функция двухпортовой фильтрующей цепи представляет собой математическое описание отклика цепи, а именно математическое выражение коэффициента передачи фильтра как четырехполюсника S21. Во многих случаях квадрат модуля передаточной функции для пассивного фильтра без потерь определяется как
(1)
где ε – постоянная пульсаций; – фильтрующая или характеристическая функция; – частотная переменная.
Обычно удобно представить частотную переменную как частоту фильтра-прототипа нижних частот, который имеет частоту среза (рад/с). Для линейных стационарных цепей передаточная функция может быть определена как дробно-рациональная функция, то есть
(2)
где и – полиномы от комплексной переменной частоты
Для пассивной цепи без потерь действительная часть комплексной переменной частоты и Поиск реализуемой рациональной передаточной функции, которая дает характеристики отклика, аппроксимирующие требуемый отклик, является так называемой задачей аппроксимации, и во многих случаях рациональная передаточная функция (2) может быть построена по квадрату модуля передаточной функции (1) [11; 12].
Для заданной передаточной функции (1) характеристика вносимых потерь фильтра, соответствующая общепринятому определению, может быть вычислена по формуле
(3)
Поскольку для пассивной двухпортовой цепи без потерь значение обратных потерь фильтра можно найти с помощью выражения
(4)
Плоскость на которой задана рациональная передаточная функция, называется комплексной плоскостью, или p-плоскостью. Горизонтальная ось этой плоскости называется действительной, или осью, а вертикальная ось называется мнимой, или осью. Значения p, при которых функция становится нулевой, являются нулями функции, а значения p, при которых функция становится бесконечной, – особенностями (обычно полюсами) функции. Следовательно, нули S21(p) являются корнями числителя N(p), а полюса S21(p) – корнями знаменателя D(p).
Эти полюса являются собственными частотами фильтра, отклик которого описывается S21(p). Чтобы фильтр был устойчив, эти собственные частоты должны находиться в левой половине p-плоскости или на мнимой оси. Следовательно, D(p) является многочленом Гурвица [13], т. е. его корни (или нули) находятся внутри левой полуплоскости или на оси тогда как корни (или нули) N(p) могут находиться в любом месте на всей комплексной плоскости. Нули N(p) называются нулями передачи фильтра.
На плоскости p могут быть изображены полюса и нули рациональной передаточной функции. Различные типы передаточных функций отличаются положением нулей и полюсов на диаграмме.
Функция Чебышева, обеспечивающая полосу пропускания с равными пульсациями и полосу заграждения с максимально гладкой амплитудной характеристикой, изображена на рис. 5.
Рис. 5. Чебышевская характеристика передачи фильтра
Fig. 5. Chebyshev characteristic of filter transmission
Квадрат модуля передаточной функции, описывающей этот тип отклика, имеет вид
(5)
где постоянная пульсаций ε связана с заданной величиной пульсаций полосы пропускания LAr в дБ соотношением
(6)
а – это функция Чебышева первого рода порядка n.
Роудс [12] вывел общую формулу рациональной передаточной функции для фильтра Чебышева:
(7)
где
(8)
Все нули передачи S21(p) расположены на бесконечности. Поэтому фильтры Чебышева иногда называют полнополюсными фильтрами. Полюса в случае фильтра Чебышева лежат на эллипсе в левой полуплоскости комплексной частоты. Большая ось эллипса расположена на оси и равна малая ось расположена на оси и имеет размер Синтез фильтров для реализации таких передаточных функций приводит к созданию так называемых прототипов фильтров нижних частот [13–15].
Прототип фильтра нижних частот в общем случае определяется как фильтр нижних частот, значения элементов которого нормализованы таким образом, что сопротивление или проводимость источника равны единице, обозначаемой , а угловая частота среза равна единице, обозначаемой (рад/с). Например, на рис. 6 показаны две возможные формы прототипа n-полюсного фильтра нижних частот для реализации полюсной характеристики фильтра, включая характеристики Баттерворта, Чебышева и Гаусса. Можно использовать любую из форм, поскольку они дают один и тот же отклик. Следует отметить, что на рис. 6 gi для значений i от 1 до n представляет собой либо индуктивность последовательной катушки индуктивности, либо емкость шунтирующего конденсатора. Следовательно, n является числом реактивных элементов.
Рис. 6. Прототипы n-полюсного фильтра нижних частот
Fig. 6. Prototypes of the n-pole low-pass filter
Если g1 – это емкость шунта или последовательная индуктивность, то g0 определяется как сопротивление источника или проводимость источника. Аналогично, если gn – это шунтирующая емкость или последовательная индуктивность, то gn+1 является сопротивлением нагрузки или проводимостью нагрузки. Если не указано иное, предполагается, что эти значения g представляют собой индуктивность в единицах генри, емкость в фарадах, сопротивление в омах и проводимость в сименсах.
Этот тип фильтра нижних частот может служить прототипом для разработки многих практических фильтров.
Для допустимой величины пульсаций в полосе пропускания LAr, дБ, минимального затухания в полосе заграждения LAs, дБ при степень прототипа низкочастотного устройства Чебышева, который будет соответствовать этим требованиям, может быть определена с помощью выражения
(9)
Иногда вместо значения уровня пульсаций в полосе пропускания LAr указывается значение минимальных обратных потерь LR или максимальное значение коэффициента стоячей волны по напряжению КСВН в полосе пропускания. Эти величины связаны соотношениями:
(10)
(11)
(12)
Характеристика ФНЧ прототипа может быть преобразована в характеристику ППФ с полосой пропускания где и обозначают угловые частоты на границе полосы пропускания. Требуемое преобразование частоты выполняется следующим образом:
(13)
где
(14)
(15)
Применяя это преобразование частоты к параллельному конденсатору C и последовательной индуктивности L прототипа фильтра нижних частот, имеем
(16)
что означает, что параллельный конденсатор C или последовательная индуктивность L в низкочастотном прототипе преобразуются в параллельный или последовательный LC-резонансный контур.
2. Получение матриц связи фильтров
Цепь связанных резонаторов может быть преобразована в матричную форму, называемую матрицей связи. Теория матрицы связи имеет преимущества в применении матричных операций, таких как вращение матрицы (преобразование подобия) и инверсии матриц при проектировании цепей. Реконфигурация топологии и синтез цепи упрощаются благодаря таким матричным операциям [16–18]. Теория матриц связи подходит только для узкополосных схем фильтрации, поскольку она основана на предположении о частотной независимости коэффициентов передачи инвертеров.
Матрицы связи можно разделить на две категории. Первая – это общая матрица связи n × n, где n – порядок схемы. Другая категория, включая матрицу связи n + 2, имеет дополнительные столбцы и строки для портов.
В начале 1970-х годов Атиа и Уильямс [19–22] впервые представили метод проектирования полосно-пропускающего волноводного фильтра на основе матрицы связи. В качестве матрицы они использовали матрицу связи n × n.
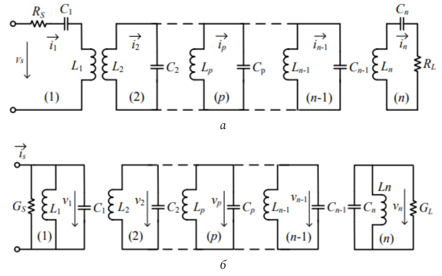
Фильтр представляет собой каскадный фильтр n-го порядка, соединенный трансформаторами или магнитными связями. Каждый резонатор имеет конденсатор C = 1 Ф и катушку индуктивности L = 1 Гн. Таким образом, все резонаторы резонируют на частоте 1 Гц. RS и RL – это сопротивление источника и нагрузки (эквивалентная единичная цепь предполагается без потерь, сопротивление или проводимость существует только в источнике и нагрузке); ip – ток контура каждого резонатора. Связь между резонаторами p и q обозначается как Mp,q, она является вещественным числом и частотно независима.
Теория матрицы связи может быть распространена на схемы с асинхронно настроенными резонаторами или на общую матрицу связи n × n. Формулировка общей матрицы связи n × n рассмотрена в [11]. Фильтры с магнитно и электрически связанными резонаторами рассматриваются отдельно.
Эквивалентная схема с магнитно связанными резонаторами приведена на рис. 7, а. Используя правила Кирхгофа, матрица связи получается через матрицу импеданса из системы уравнений для контурных токов. Другая схема с электрической связью приведена на рис. 7, б. Матрица связи определяется через матрицу адмиттанса, сформулированную с помощью системы уравнений для узловых потенциалов. Независимо от типа связи общая матрица [A], составленная из коэффициентов связи mp,q и внешних добротностей qei, представлена в [9] в виде
(17)
где
(18)
(19)
(20)
Рис. 7. Эквивалентная схема фильтра из n-связанных резонаторов для метода контурных токов (а) и метода узловых потенциалов (б)
Fig. 7. Equivalent filter circuit of n-coupled resonators for the contour current method (a) and the nodal potential method (b)
Матрица [U] – единичная матрица n × n; p – комплексная переменная частоты низкочастотного прототипа; – центральная частота фильтра; FBW – относительная полоса пропускания фильтра; qei (i = 1 и n) – нормированные внешние добротности резонатора i; mp,q – нормированные коэффициенты связи между резонаторами p и q. Они имеют вид
(21)
где Qei определяется как внешняя добротность резонатора i; Mp,q определяется как коэффициент связи между резонаторами p и q; mi,i – самосвязь резонатора i. Фильтр является асинхронно настроенным, если некоторые из mi,i являются ненулевыми элементами.
Как указано в [20], S-параметры фильтра могут быть рассчитаны с использованием нормированных внешних добротностей qei и матрицы [A] как
(22)
(23)
Матрица связи n + 2 и n + X
Расширенная из общей матрицы связи n × n, матрица связи n + 2 используется для описания двухпортовой схемы [23]. Общая матрица связи n + 2 представлена на рис. 8.
Рис. 8. Матрица связи n + 2
Fig. 8. n + 2 coupling matrix
Подстрочные индексы s и l означают источник и нагрузку. По сравнению с общей матрицей связи n × n матрица связи n + 2 имеет дополнительные столбцы и строки для источника и нагрузки, окружающие общую матрицу связи n × n. ms,i и mi,s – описывают связь между источником и резонатором i; ml,i и mi,l – связь между нагрузкой и резонатором i; ms,s и ml,l – самосвязь источника и нагрузки. Благодаря дополнительным столбцам и строкам портов матрица связи n + 2 имеет ряд преимуществ.
Один порт может быть соединен с несколькими резонаторами, а один резонатор может быть соединен с несколькими портами. Связь между источником и нагрузкой возможна таким образом, чтобы обеспечить полностью каноническую функцию фильтрации (т. е. число передаточных нулей на конечных частотах равно числу резонаторов n).
Таким образом, матрица связи n + 2 является более общей, чем матрица связи n × n. Кроме того, матрица связи n + 2 может быть расширена до многопортовой, как матрица связи n + X, что позволяет описывать с ее помощью не только фильтры, но и мультиплексоры.
3. Синтез матрицы связей
Для фильтров со стандартной характеристикой по найденным значениям ФНЧ прототипа gi коэффициент связи Mi,i+1 и внешняя добротность Qei определяются непосредственно [11] как
(24)
(25)
Соответствующие нормированные величины имеют вид
(26)
(27)
Однако для фильтров с произвольной характеристикой простого решения не существует. Обычно для решения этой задачи применяются два способа. Один из них основан на рекурсивных методах и вращении матрицы, другой – на оптимизации.
Метод синтеза с использованием вращения матрицы
Синтез сложных фильтров с нулями передачи обобщен Кэмероном [23] и разделен на 3 этапа:
(1) Рекурсивный метод для получения многочленов, которые представляют характеристики пропускания и отражения.
(2) Синтез матрицы связи на основе полученных многочленов.
(3) Метод преобразования подобия или вращения матрицы для реконфигурации матрицы связи в новую, относящуюся к практической топологии.
Реализация исходной матрицы связи, полученной на этапе (2), была бы затруднена, поскольку присутствуют все возможные связи (вся матрица заполнена ненулевыми элементами). Ключевым моментом такого метода синтеза является перенастройка полученной исходной матрицы связи в матрицу с меньшим количеством ненулевых элементов, относящихся к топологии фильтра, путем набора поворотов матрицы. Повернутая матрица имеет точно такие же характеристики фильтра, что и исходная матрица.
Метод синтеза с использованием оптимизации
Второй способ синтеза матрицы связи основан на методах оптимизации [24]. Принцип оптимизации заключается в минимизации целевой функции путем изменения значений всех ненулевых элементов в матрице связи. Целевая функция используется для количественной оценки разницы между S-параметрами текущей матрицы и ожидаемыми характеристиками схемы. Перед оптимизацией задается конкретная топология схемы. Другими словами, места ненулевых элементов в матрице связи определяются в самом начале.
Сравнение двух методов синтеза
Первый метод синтеза, включающий технику поворота матрицы, весьма полезен. С помощью компьютеров исходная матрица связи может быть легко найдена рекурсивным способом. Однако методы вращения матриц, которые используются для реконфигурации исходной матрицы связи, не могут справиться со всеми проблемами. Многие практические топологии не могут быть сгенерированы вращением матрицы. Сложно определить последовательность углов поворота, чтобы гарантировать сходимость результата поворота. На практике для заданной топологии, ограниченной производством или требованиями приложения, матрица связей, синтезированная путем оптимизации, по-прежнему важна для проектирования СВЧ-фильтров.
Для синтеза матрицы связей путем оптимизации можно использовать две категории методов оптимизации. Первая называется глобальной оптимизацией. При глобальной оптимизации значения начальной точки мало влияют на конечный результат и общее время вычислений. Такой метод оптимизации ищет глобальный оптимум с наименьшими значениями целевой функции ценой низкой эффективности сходимости результата.
Другой способ оптимизации основан на технике локальной оптимизации. Он требует меньше времени на вычисления, чем глобальный метод. Однако существенно определение начального приближения, иначе процесс может сойтись к неоптимальному локальному минимуму.
4. Построение матрицы связей методом локальной оптимизации
В качестве начального приближения берется матрица связи фильтра со стандартной характеристикой, матрица связей которой определяется аналитически. При формировании целевой функции выбираются некоторые критические характерные точки, включая нули отражения RZ, нули пропускания TZ, края полосы пропускания с равными пульсациями BE и полюса отражения в полосе пропускания RP. В итоге целевая функция CF в данной работе задается следующим образом:
где ai, bi, ci, di и ei – веса каждого члена; n – число резонаторов цепи; – максимальное значение обратных потерь в полосе пропускания.
Матрица связи и внешние добротности (нормированные) стандартного фильтра Чебышева седьмого порядка Rх и Tх диапазонов для LR = –22 дБ приведены на рис. 9, а, им соответствуют характеристики, приведенные на рис. 9, б.
Рис. 9. Матрица связи и внешние добротности (нормированные) (а) и характеристики передачи и отражения (б) стандартного фильтра Чебышева седьмого порядка Rх и Tх диапазонов для LR = –22 дБ
Fig. 9. Coupling matrix and external Q-factors (normalized) (a) and transmission and reflection characteristics (b) of the standard Chebyshev filter of the seventh order of the Rx and Tx ranges for LR = –22 dB
Улучшить характеристики, не повышая порядка фильтра, можно путем создания нулей передачи на нужных частотах. Для этого вводятся дополнительные, так называемые перекрестные, связи между несмежными резонаторами. Результат введения отрицательной связи между 3-м и 5-м резонаторами в фильтре 7-го порядка показан на рис. 10.
Рис. 10. Матрица связи (а) и характеристики передачи и отражения (б) фильтра Tх 7-го порядка с одной перекрестной связью
Fig. 10. Coupling matrix (a) and transmission and reflection characteristics (b) of a 7th-order Tx filter with a single cross-coupling
Результат введения положительной связи между 3-м и 5-м резонаторами в фильтре 7-го порядка показан на рис. 11
Рис. 11. Матрица связи (а) и характеристики передачи и отражения (б) фильтра Rх 7-го порядка с одной перекрестной связью
Fig. 11. Coupling matrix (a) and transmission and reflection characteristics (b) of a 7th-order Rx filter with a single cross-coupling
Как видно из графиков, ослабление в смежной полосе увеличилось на 25 дБ. Дальнейшего улучшения можно добиться, создавая еще один нуль передачи.
На рис. 12, а и б приведены характеристики фильтров с двумя дополнительными связями между 1-м и 3-м резонаторами и между 3-м и 5-м. В этом случае формируются два нуля передачи в смежной полосе, что позволяет реализовать ослабление –100 дБ в фильтре 7-го порядка.
Рис. 12. Характеристики передачи и отражения фильтров Tx (а) и Rx (б) 7-го порядка с двумя перекрестными связями
Fig. 12. Transmission and reflection characteristics of the Tx (a) and Rx(b) filters of the 7th order with two cross-links
Дальнейшее улучшение характеристик требует увеличения порядка фильтра.
5. Компьютерное моделирование фильтров
На начальном этапе моделирования многозвеньевого коаксиального полосового фильтра в САПР имеет смысл начать моделирование с исследования фильтра на одном резонаторе, а далее, постепенно прибавляя по одному резонатору, оценить влияние геометрических размеров на характеристики фильтра (S-параметры).
При моделировании фильтра задавались размеры резонаторов, винтов резонаторов и межрезонаторных переходов. При размещении резонаторов основной целью было добиться компактности конструкции и при этом учесть, что будут оптимизироваться размеры межрезонаторных переходов (рис. 13).
Рис. 13. Примерная модель фильтра
Fig. 13. An approximate filter model
Моделирование производилось в программном пакете CST Studio. Добиться необходимых характеристик фильтров позволяют регулировочные винты, находящиеся в резонаторе и резонаторных переходах. В САПР задавались параметры, которые будут оптимизироваться. Для улучшения сходимости в перечень параметров оптимизации включалась апертура резонаторных переходов. После построения модели производился первый расчет характеристик. С помощью встроенного инструмента CST Filter Designer 3D сравнивались матрицы связей идеальной характеристики и получившейся.
После запуска процесса оптимизации производился пересмотр диапазона изменения параметров, так как их значения могут выйти за пределы допустимых величин. Процесс будет завершен, когда функция сходимости примет наименьший результат.
Заключение
В работе рассмотрены принципы построения фильтров на связанных коаксиальных резонаторах. Проанализированы с помощью метода эквивалентных схем способы получения заданной формы амплитудно-частотной характеристики фильтра. Изложены принципы расчета и синтеза фильтров с использованием матриц связи. Рассмотрен метод для проектирования передаточных функций и синтеза прототипов фильтрующих цепей с чебышевскими характеристиками.
Об авторах
Юрий Георгиевич Белов
Нижегородский государственный технический университет имени Р.Е. Алексеева
Email: bel266@nntu.ru
SPIN-код: 7161-8890
доктор технических наук, профессор кафедры физики и техники оптической связи
Область научных интересов: прикладная электродинамика СВЧ и КВЧ
Россия, 603950, г. Нижний Новгород, ул. Минина, 24Владимир Валерьевич Бирюков
Нижегородский государственный технический университет имени Р.Е. Алексеева
Email: birukovvv@mail.ru
ORCID iD: 0000-0002-6003-0450
SPIN-код: 4001-1185
ResearcherId: F-3207-2018
доктор технических наук, профессор кафедры физики и техники оптической связи
Область научных интересов: прикладная электродинамика СВЧ и КВЧ
Россия, 603950, г. Нижний Новгород, ул. Минина, 24Илья Андреевич Воробьев
Нижегородский государственный технический университет имени Р.Е. Алексеева
Email: unihoc50@yandex.ru
ORCID iD: 0009-0009-6639-6494
аспирант кафедры физики и техники оптической связи
Область научных интересов: прикладная электродинамика СВЧ и КВЧ
Россия, 603950, г. Нижний Новгород, ул. Минина, 24Василий Алексеевич Малахов
Нижегородский государственный технический университет имени Р.Е. Алексеева
Email: mr.vasmal@mail.ru
SPIN-код: 6865-6665
ResearcherId: E-5392-2014
доктор технических наук, профессор кафедры физики и техники оптической связи
Область научных интересов: прикладная электродинамика СВЧ и КВЧ
Россия, 603950, г. Нижний Новгород, ул. Минина, 24Алексей Сергеевич Раевский
Нижегородский государственный технический университет имени Р.Е. Алексеева
Автор, ответственный за переписку.
Email: raevsky_as@mail.ru
ORCID iD: 0000-0001-8678-0949
SPIN-код: 1787-5506
ResearcherId: E-6791-2014
доктор физико-математических наук, заведующий кафедрой кафедры физики и техники оптической связи
Область научных интересов: прикладная электродинамика СВЧ-, КВЧ- и оптического диапазонов
Россия, 603950, г. Нижний Новгород, ул. Минина, 24Юлия Владимировна Раевская
Нижегородский государственный технический университет имени Р.Е. Алексеева
Email: raevskaja.julija@yandex.ru
ORCID iD: 0009-0008-2357-2251
SPIN-код: 5101-0265
ResearcherId: AAD-3531-2020
кандидат технических наук, доцент кафедры физики и техники оптической связи
Область научных интересов: прикладная электродинамика СВЧ и КВЧ
Россия, 603950, г. Нижний Новгород, ул. Минина, 24Список литературы
- Пассивные полосовые фильтры для современных систем связи СВЧ-диапазона / А.С. Койгеров [и др.] // Физика волновых процессов и радиотехнические системы, 2024. Т. 27, № 1, С. 71–88. DOI: https://doi.org/10.18469/1810-3189.2024.27.1.71-88
- Козлов В.А., Кунилов А.Л., Ивойлова М.М. Современное состояние и перспективы развития проектирования и технологии керамических фильтров для бортовой СВЧ-аппаратуры // Физика волновых процессов и радиотехнические системы, 2019. Т. 22, № 4, С. 61–67. DOI: https://doi.org/10.18469/1810-3189.2019.22.4.61-67
- Маттей Д.Л., Янг Л., Джонс Е.М.Т. Фильтры СВЧ, согласующие цепи и цепи связи / пер. с англ. под общ. ред. Л.В. Алексеева и Ф.В. Кушнира. М.: Связь, 1972. 496 с.
- Venter J.P., Maharaj R., Stander T. Additive manufacturing of interdigital filters with arbitrary line cross section // IEEE Transactions on Components, Packaging and Manufacturing Technology. 2020. Vol. 10, no. 4. P. 686–693. DOI: https://doi.org/10.1109/TCPMT.2020.2967807
- A Ku-band wideband 3-D printed interdigital bandpass filter free of post fabrication tuning / J. Li [et al.] // 2018 IEEE International Symposium on Antennas and Propagation & USNC/URSI National Radio Science Meeting. 2018. P. 1439–1440. DOI: https://doi.org/10.1109/APUSNCURSINRSM.2018.8608540
- Triple-mode dielectric-loaded cylindrical cavity diplexer using novel packaging technique for LTE base-station applications / Z.-C. Zhang [et al.] // IEEE Trans. on Components, Packaging and Manufacturing Technology. 2016. Vol. 6, no. 3. P. 383–389. DOI: https://doi.org/10.1109/TCPMT.2016.2516820
- Compact waveguide bandpass filters for broadband space applications in C and Ku-bands / L. Pelliccia [et al.] // 2019 European Microwave Conference in Central Europe (EuMCE). 2019. P. 116–119. URL: https://ieeexplore.ieee.org/document/8874768
- Cameron R.J., Kudsia C.M., Mansour R.R. Microwave Filters for Communication Systems: Fundamentals, Design and Applications. Hoboken: Wiley, 2018. 929 p.
- Mansour R.R. RF filters and diplexers for wireless system applications: state of the art and trends // Radio and Wireless Conference, 2003. RAWCON ‘03. Proceedings. 2003. P. 373–376. DOI: https://doi.org/10.1109/RAWCON.2003.1227970
- Microwave filters-applications andtechnology / I.C. Hunter [et al.] // IEEE Transactions on Microwave Theory and Techniques. 2002. Vol. 50, no. 3. P. 794–805. DOI: https://doi.org/10.1109/22.989963
- Temes G.C., Mitra S.K. Modern Filter Theory and Design. New York: Wiley, 1973. 566 p.
- Rhodes J.D. Theory of Electrical Filters. New York: Wiley, 1976. 224 p.
- Helszajn J. Synthesis of Lumped Element, Distributed and Planar Filters. London: McGraw-Hill, 1990. 380 p.
- Darlington S. Synthesis of reactance-four-poles which produce prescribed insertion loss characteristics // Journal of Mathematics and Physics. 1939. Vol. 18, no. 1–4. P. 257–353. DOI: https://doi.org/10.1002/SAPM1939181257
- Saal R., Ulbrich E. On the design of filters by synthesis // IRE Transactions on Circuit Theory. 1958. Vol. 5, no. 4. P. 284–327. DOI: https://doi.org/10.1109/TCT.1958.1086481
- Matthaei G.L., Young L., Jones E.M.T., Microwave Filters, Impedance-Matching Networks, and Coupling Structures. Norwood: Artech House, 1980. 1097 p.
- Saal R. Der Entwurf von Filtern mit Hilfe des Kataloges normierter Tiefpässe // Frequenz. 1961. Vol. 15, no. 4. P. 111–121. DOI: https://doi.org/10.1515/FREQ.1961.15.4.111
- Hong J.S., Lancaster M.J. Microstrip Filters for RF/Microwave Applications. New York: Wiley, 2001. 457 p.
- Xia W. Diplexers and multiplexers design by using coupling matrix optimisation: Ph.D. dissertation. The University of Birmingham, 2015. 194 p.
- Atia A.E., Williams A.E. New types of bandpass filters for satellite transponders // COMSAT Technical Review. 1971. Vol. 1, no. 1. P. 21–43.
- Atia A.E., Williams A.E. Narrow-bandpass waveguide filters // IEEE Transactions on Microwave Theory and Techniques. 1972. Vol. 20, no. 4. P. 258–265. DOI: https://doi.org/10.1109/TMTT.1972.1127732
- Atia A.E., Williams A.E., Newcomb R.W. Narrow-band multiple-coupled cavity synthesis // IEEE Transactions on Circuits and Systems. 1974. Vol. 21, no. 5. P. 649–655. DOI: https://doi.org/10.1109/TCS.1974.1083913
- Cameron R.J. General coupling matrix synthesis methods for Chebyshev filtering functions // IEEE Transactions on Microwave Theory and Techniques. 1999. Vol. 47, no. 4. P. 433–442. DOI: https://doi.org/10.1109/22.754877
- Cameron R.J. Advanced coupling matrix synthesis techniques for microwave filters // IEEE Transactions on Microwave Theory and Techniques. 2003. Vol. 51, no. 1. P. 1–10. DOI: https://doi.org/10.1109/TMTT.2002.806937
Дополнительные файлы














