К вопросу об определении эффективности детандер-генераторных агрегатов
- Авторы: Клименко А.В.1, Агабабов В.С.2, Петин С.Н.2
-
Учреждения:
- Федеральное государственное автономное образовательное учреждение высшего образования “Национальный исследовательский технологический университет “МИСиС”
- ООО “ПСК Энергомонтаж”
- Выпуск: № 1 (2023)
- Страницы: 3-17
- Раздел: Статьи
- URL: https://medbiosci.ru/0002-3310/article/view/136939
- DOI: https://doi.org/10.31857/S0002331023010053
- EDN: https://elibrary.ru/LVTYNH
- ID: 136939
Цитировать
Полный текст
Аннотация
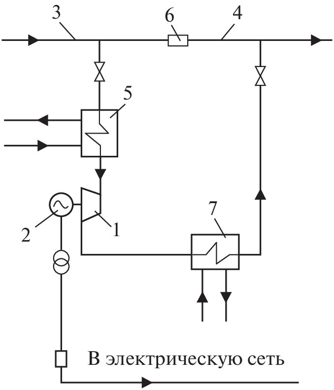
Рассмотрены методические вопросы определения термодинамической эффективности детандер-генераторных агрегатов как отдельных технологических объектов, а также при их использовании на предприятиях различного типа. Показано, что при определении термодинамической эффективности использовании ДГА на тепловых электростанциях (ТЭС) требуется применение системного подхода, учитывающего влияние ДГА на эффективность работы основного оборудования ТЭС. Приведены зависимости, позволяющие определить влияние ДГА на термодинамическую эффективность электростанций различного типа (КЭС и ТЭЦ) при различных условиях их работы.
Об авторах
А. В. Клименко
Федеральное государственное автономное образовательное учреждение высшего образования“Национальный исследовательский технологический университет “МИСиС”
Email: spetin@yandex.ru
Россия, Москва
В. С. Агабабов
ООО “ПСК Энергомонтаж”
Автор, ответственный за переписку.
Email: spetin@yandex.ru
Россия, Москва
С. Н. Петин
ООО “ПСК Энергомонтаж”
Email: spetin@yandex.ru
Россия, Москва
Список литературы
- Кириллин В.А., Сычев В.В., Шейндлин А.Е. Техническая термодинамика, М., “Энергия”, 1968, 472 с. с илл.
- Куличихин В.В. Бесперспективность использования детандер-генераторных агрегатов на тепловых электростанциях / Куличихин В.В. / Надежность и безопасность энергетики. 2018. Т. 11. № 2. С. 161–166.
- Куличихин В.В. Детандер-генераторные агрегаты в энергетике России. Мифы и реальность / Куличихин В.В., Тюняев М.В. / Надежность и безопасность энергетики. 2016. № 4 (35). С. 62–69.
- Агабабов В.С. Влияние детандер-генераторных агрегатов на тепловую экономичность тепловых электрических станций: диссертация … доктора технических наук: 05.14.14 / Агабабов Владимир Сергеевич; НИУ “МЭИ”. Москва, 2003. С. 354
- Охотин В.С. Термодинамический анализ детандер-генераторных агрегатов (ДГА) в схеме паротурбинных установок с подогревом газа паром из отбора турбины / Охотин В.С. / Вестник МЭИ. 2004. № 4. С. 34–40.
- Охотин В.С. Детандер-генераторные агрегаты (ДГА) в схеме конденсационных и теплофикационных паротурбинных установок с подогревом газа паром из отбора турбины (термодинамический анализ) / Охотин В.С. / Новое в российской энергетике. 2005. № 2. С. 23–30.
- Бушин П.С. Опытно-промышленная газотурбинная расширительная станция на Среднеуральской ГРЭС / Бушин П.С. / Энергетическое строительство. 1995. № 4. С. 57.
- Каршакова Л. Опыт эксплуатации турбодетандера и перспективы применения его в Беларуси. Сообщение инж.-тех. Лукомльской ГРЭС на семинаре “Новые направления в энергоэффективных технологиях и оборудовании”, 16 мая 2002 г. в рамках форума “Белпромэкспо”.
- Базыленко А.А. Энергетическая характеристика детандер-генераторной установки Лукомльской ГРЭС / Базыленко А.А. / Энергия и менеджмент. 2006. № 3. С. 18–23.
- Зенович-Лешкевич-Ольпинский Ю.А. Повышение эффективности использования детандер-генераторных установок на тепловых электростанциях / Зенович-Лешкевич-Ольпинский Ю.А., Карницкий Н.Б., Зенович-Лешкевич-Ольпинская А.Ю. / Надежность и безопасность энергетики. 2015. № 3 (30). С. 56–60.
- Агабабов В.С. Применение детандер-генераторных агрегатов в парогазовых установках сбросного типа / Агабабов В.С., Корягин А.В. / Промышленная энергетика. 2004. № 10. С. 45–48.
- Гуськов Ю.Л. Опыт эксплуатации детандер-генераторного агрегата на ТЭЦ–21 Мосэнерго / Гуськов Ю.Л., Малянов В.В., Давыдов Ю.Я., Агабабов В.С., Корягин А.В. / Электрические станции. – 2003. № 12. С. 15–17.
Дополнительные файлы




