Effect of an Electric Field on the Crystallization Behavior of Amorphous TlIn1–xSnxSe2 Films
- Authors: Alekperov E.S.1, Jabarov S.G.1, Darzieva T.A.1, Ibragimov G.B.2, Nazarov A.M.2, Farzaliev S.S.2
-
Affiliations:
- Baku State University, AZ1148, Baku, Azerbaijan
- Abdullaev Institute of Physics, Academy of Sciences of Azerbaijan, AZ1143, Baku, Azerbaijan
- Issue: Vol 59, No 1 (2023)
- Pages: 10-13
- Section: Articles
- URL: https://medbiosci.ru/0002-337X/article/view/140110
- DOI: https://doi.org/10.31857/S0002337X23010025
- EDN: https://elibrary.ru/OORRYQ
- ID: 140110
Cite item
Full Text
Abstract
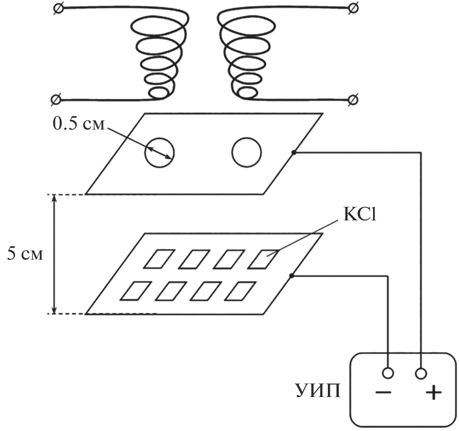
Crystallization kinetics of 30-nm-thick amorphous TlIn1–хSnxSе2 films produced by thermal evaporation under high vacuum in a dc electric field E = 3000 V/cm have been studied by kinematic electron diffraction. The results demonstrate that the formation of the crystal structure of the amorphous films during heat treatment follows Avrami–Kolmogorov relations. Kinetic curves of the phase transformation demonstrate the effect of an electric field on the temperature range of film crystallization and on the activation energies for nucleation and subsequent nucleus growth. The total activation energy for the crystallization process has been determined to be Etotal = 44.92 kcal/mol. The observed diffraction lines of the polycrystalline TlIn0.93Sn0.07Sе2 films in their kinematic electron diffraction patterns can be indexed in tetragonal symmetry (sp. gr. = \( D_{{4h}}^{{18}} \)-I4/mcm [12]) with unit-cell parameters a = b = 0.8358 nm and c = 0.7086 nm. After storage of the films in vacuum at room temperature for more than two months, no changes were detected in their quality or diffraction pattern.
About the authors
E. Sh. Alekperov
Baku State University, AZ1148, Baku, Azerbaijan
Email: alekperoveldar@mail.ru
Азербайджан, AZ1148, Баку, ул. З. Халилова, 23
S. G. Jabarov
Baku State University, AZ1148, Baku, Azerbaijan
Email: alekperoveldar@mail.ru
Азербайджан, AZ1148, Баку, ул. З. Халилова, 23
T. A. Darzieva
Baku State University, AZ1148, Baku, Azerbaijan
Email: alekperoveldar@mail.ru
Азербайджан, AZ1148, Баку, ул. З. Халилова, 23
G. B. Ibragimov
Abdullaev Institute of Physics, Academy of Sciences of Azerbaijan, AZ1143, Baku, Azerbaijan
Email: alekperoveldar@mail.ru
Азербайджан, AZ1143, Баку, пр. Г. Джавида, 131
A. M. Nazarov
Abdullaev Institute of Physics, Academy of Sciences of Azerbaijan, AZ1143, Baku, Azerbaijan
Email: alekperoveldar@mail.ru
Азербайджан, AZ1143, Баку, пр. Г. Джавида, 131
S. S. Farzaliev
Abdullaev Institute of Physics, Academy of Sciences of Azerbaijan, AZ1143, Baku, Azerbaijan
Author for correspondence.
Email: alekperoveldar@mail.ru
Азербайджан, AZ1143, Баку, пр. Г. Джавида, 131
References
- Nowosielski R., Zajdel A., Lesz S., Kostrubiec B., Stokłosa Z. Crystallization of Amorphous Co77Si11.5B11.5Alloy // Arch. Mater. Sci. Eng. 2007. V. 28. № 3. P. 141–148.
- Пашаев А.М., Джафаров Т.Д. Физические основы наноэлектроники. Баку. 2014. 88 с.
- Kavetskyy T.S., Shpotyuk O.I., Boyko V.T. Void-species Nanostructure of Chalcogenide Glasses Studied with FSDP-related XRD // J. Phys. Chem. Solids. 2007. V. 68. № 5–6. P. 712–715.
- Филачев А.М., Таубкин И.И., Тришенков М.А. Твердотельная фотоэлектроника. М.: Физматкнига, 2012. 363 с.
- Sanghera J.S., Florea C.M., Shaw L.B., Pureza P. et al. Non-Linear Properties of Chalcogenide Glasses and Fibers// J. Non-Cryst. Solids. 2008. V. 354. № 2–9. P. 462–467.
- Kovanda V., Mir Vicek, Jain H. Stmcture of As–Se and As–P–Se Glasses Studied by Raman Spectroscopy // J. Non-Cryst. Solids. 2003. V. 326–327. P. 88–92.
- Сардарлы Р.М., Самедов О.А., Алиева Н.А., Гусейнов Э.К. и др. Проводимость по локализованным состояниям системы твердых растворов (TlInSe2)1–x(TlGaTe2)x // ФТП. 2015. Т. 49. B. № 12. С. 1704–1709.
- Ismailov D.I., Aliyeva M.F., Alekperov E.Sh., Aliyev F.I. Electron Diffraction Investigation of Structural Diversity of Amorphous Films of Polymorphic TlInS2 // Semiconductors. 2003. V. 37. P. 744–747.
- Авилов А.С. Прецизионная электронография: Дис. ... докт. физ.-мат. наук: 01.04.18. М., 1999. 274 с.
- Кулыгин А.К., Кулыгин К.В., Авилов А.С. Новые подходы к прецизионным измерениям дифракционных картин в электронографии // Кристаллография. 2020. Т. 65. № 2. С. 325–334. https://doi.org/10.31857/S0023476120020149
- Волькенштейн Ф.Ф. Электронные процессы на поверхности полупроводников при хемосорбции. М.: Наука, 1987. 431 с.
- Panaxov M.M., Alekperov E.Sh., Qarayev E.S., Sadraddinov S.A. et al. Phase Transition at Thermal Treatment of TlIn1–xSnxSe2 Amorphous Films // AIP Fizika. 2020. V. 26. № 4. P. 28–31.
- Чопра К. Электрические явления в тонких пленках. М.: Мир, 1992. 435 с.
Supplementary files






