Фазообразование в системе V2O5–AlN
- Авторы: Ларионов В.А.1, Гуляева Р.И.1, Нифонтова Е.А.1
-
Учреждения:
- Институт металлургии УрО Российской академии наук
- Выпуск: Том 59, № 1 (2023)
- Страницы: 61-70
- Раздел: Статьи
- URL: https://medbiosci.ru/0002-337X/article/view/140118
- DOI: https://doi.org/10.31857/S0002337X23010141
- EDN: https://elibrary.ru/OTLEGU
- ID: 140118
Цитировать
Полный текст
Аннотация
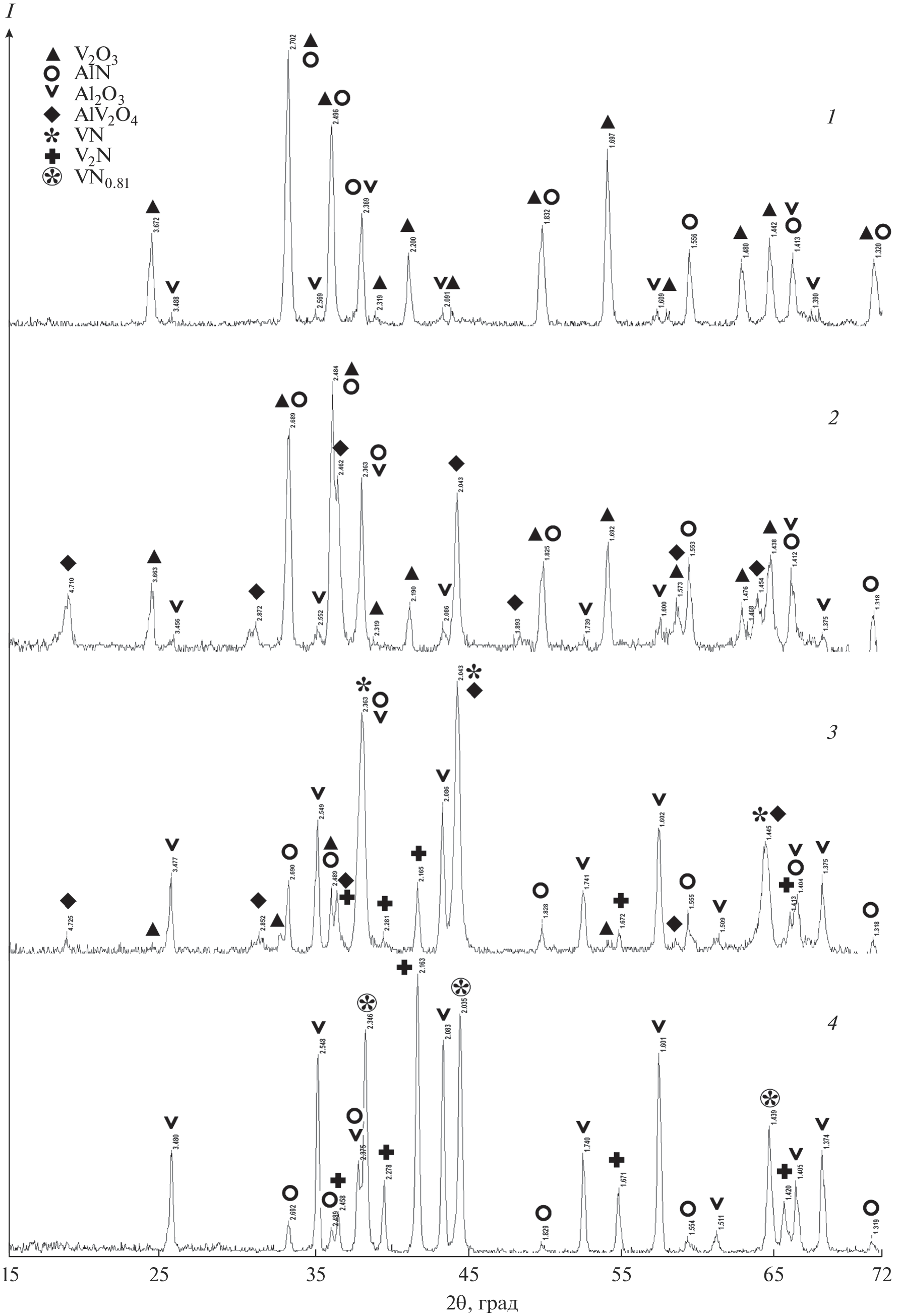
Методами химического, рентгенофазового анализов, а также совмещенного термического и масс-спектрометрического анализов изучены взаимодействия в системе V2O5–AlN. Установлено, что нагрев смесей с молярным отношением AlN : V2O5 ≥ 2.33 выше 1100°С приводит к образованию в конденсированных продуктах нитридов ванадия: V2N, VN0.81 и VN. Образования твердых растворов алюминия в ванадии либо алюминидов ванадия при нагревании смесей во всем исследуемом интервале температур не выявлено. При химическом взаимодействии V2O5 с AlN соблюдается принцип последовательности превращений А.А. Байкова: V2O5 → VO2 → V4O7 → V3O5 → V2O3 → VO → V.
Ключевые слова
Об авторах
В. А. Ларионов
Институт металлургии УрО Российской академии наук
Email: larionov.imet@ya.ru
Россия, 620016, Екатеринбург, ул. Амундсена, 101
Р. И. Гуляева
Институт металлургии УрО Российской академии наук
Email: larionov.imet@ya.ru
Россия, 620016, Екатеринбург, ул. Амундсена, 101
Е. А. Нифонтова
Институт металлургии УрО Российской академии наук
Автор, ответственный за переписку.
Email: larionov.imet@ya.ru
Россия, 620016, Екатеринбург, ул. Амундсена, 101
Список литературы
- Косолапова Т.Я. Тугоплавкие нитриды. Киев: Наук. думка, 1983. 174 с.
- Самсонов Г.В. Неметаллические нитриды. М.: Металлургия, 1969. 264 с.
- Virkar A.V., Jackson T.B., Cutler R.A. Thermodynamic and Kinetic Effects of Oxygen Removal on the Thermal Conductivity of Aluminum Nitride // J. Am. Ceram. Soc. 1989. V. 72. № 11. P. 2031–2042. https://doi.org/10.1111/j.1151-2916.1989.tb06027.x
- Никитушкин И.В., Сивков А.А., Иватушенко А.С. Плазмодинамический синтез ультрадисперсного нитрида алюминия и получение AlN-керамики методом искрового плазменного спекания // Решетневские чтения. 2017. № 21-1. С. 156–157.
- Савченко Е.М., Чупрунов А.Г., Сидоров В.А., Биларус И.А. Алюмонитридная керамика в коммутационных платах силовой электроники // Электрон. техника. Сер. 2: Полупроводниковые приборы. 2019. №. 4 (255). С. 43. https://doi.org/10.36845/2073-8250-2019-255-4-43-54
- Cannard P., Ekström T., Tilley R.J.D. The Reaction of AlN with Some Metal Oxides at High Temperatures // J. Eur. Ceram. Soc. 1992. V. 9. № 1. P. 53–60. https://doi.org/10.1016/0955-2219(92)90077-Q
- Toy C., Savrun E. Novel Composites in the Aluminum Nitride-Zirconia and—Hafnia Systems // J. Eur. Ceram. Soc. 1998. V. 18. № 1. P. 23–29. https://doi.org/10.1016/S0955-2219(97)00104-0
- Qiao L., Zhou H., Xue H., Wang S. Effect of Y2O3 on Low Temperature Sintering and Thermal Conductivity of AlN Ceramics // J. Eur. Ceram. Soc. 2003. V. 23. № 1. P. 61–67. https://doi.org/10.1016/S0955-2219(02)00079-1
- Fabrichnaya O., Pavlyuchkov D., Neher R., Herrmann M., Seifert H.J. Liquid Phase Formation in the System Al2O3–Y2O3–AlN: Part II. Thermodynamic Assessment // J. Eur. Ceram. Soc. 2013. T. 33. № 13–14. P. 2457–2463. https://doi.org/10.1016/j.jeurceramsoc.2013.05.004
- González J.C., Rodríguez M.Á., Figueroa I.A., Villafuerte-Castrejón M.-E., Díaz G.C. Development of AlN and TiB2 Composites with Nb2O5, Y2O3 and ZrO2 as Sintering Aids // Materials. 2017. V. 10. № 3. P. 324. https://doi.org/10.3390/ma10030324
- Рылов А.Н., Райков А.Ю., Мартынов А.В., Чумарев В.М., Ларионов А.В., Сельменских Н.И. Использование нитрида алюминия при выплавке лигатуры V–Al–N // Металлы. 2013. № 4. С. 3–7.
- Закоржевский В.В., Боровинская И.П., Дубровский А.Я., Зелянский А.В., Паздников И.П., Чумарев В.М. Способ получения азотсодержащего материала на основе нитридов металлов для лигатур титановых сплавов и азотсодержащий материал для лигатур титановых сплавов: Пат. 2422246. РФ БИ № 18.
- Закоржевский В.В., Ковалев И.Д., Дубровский А.Я. Самораспространяющийся высокотемпературный синтез азотсодержащего материала на основе нитридов алюминия и ванадия для получения лигатур титановых сплавов // Новые огнеупоры. 2018. № 8. С. 49–52. https://doi.org/10.17073/1683-4518-2018-8-49-52
- Чумарев В.М., Ларионов А.В., Cельменских Н.И., Панкратов А.А., Дубровский А.Я., Pылов А.Н., Райков А.Ю. Cтруктура и фазовый состав лигатуры V–Al–N // Металлы. 2012. № 6. С. 9–15.
- Taranov D.V., Larionov A.V., Chumarev V.M., Smirnov L.A., Trubachev M.V., Vohmentsev S.A. Structure and Phase Composition of V–Al–N–C Master Alloy // Theoretical and Practical Conference with International Participation and School for Young Scientists “FERROALLOYS: Development Prospects of Metallurgy and Machine Building Based on Completed Research and Development” (NIOKR-2018). Yekaterinburg, 2018 // KnE Materials Science. 2019. P. 118–125. https://doi.org/10.18502/kms.v5i1.3958
- Лякишев Н.П., Плинер Ю.Л., Игнатенко Г.Ф., Лаппо С.И. Алюминотермия. М.: Металлургия, 1978. 424 с.
- Ларионов А.В. Физико-химическое обоснование применения нитрида алюминия при выплавке ванадийсодержащих азотированных лигатур для титановых сплавов: дис. … канд. техн. наук. Екатеринбург: ИМЕТ УрО РАН, 2016. 121 с.
- Чумарев В.М., Марьевич В.П., Ларионов А.В., Дубровский А.Я. Взаимодействие V2O5, Nb2O5 и Ta2O5 с AlN // Неорган. материалы. 2011. Т. 47. № 3. С. 317–322.
- Roine A. Outokumpu HSC Chemistry for Windows. Chemical Reactions and Equilibrium Software with Extensive Thermochemical Database. Pori: Outokumpu Research OY, 2002.
- Удоева Л.Ю., Чумарев В.М., Ларионов А.В., Рылов А.М., Трубачев М.В. Моделирование алюминотермической выплавки сплавов Mo–Ti–Al и Mo–Ti–V–Cr–Al // Металлы. 2013. № 2. С. 12–19.
- База данных ICDD PDF2 № 01-077-2131.
- Prytz O., Flage-Larsen E., Gu L. Charge-Ordered Spinel AlV2O4: High-Energy-Resolution EELS and Computational Studies // Phys. Rev. B: Condens. Matter. 2012. V. 85. № 19. https://doi.org/10.1103/PhysRevB.85.195112
- Kalavathi S., Amirthapandian S., Chandra S. et al. Valence State, Hybridization and Electronic Band Structure in the Charge Ordered // J. Phys.: Condens. Matter. 2014. V. 26. № 1. https://doi.org/10.1088/0953-8984/26/1/015601
- Елютин В.П., Павлов Ю.А. Высокотемпературные материалы М.: Металлургия, 1972. 264 с.
- База данных ICDD PDF2 № 01-071-6420; № 01-077-2173; № 03-065-2896; № 03-065-4054; № 03-065-9475.
- База данных ICDD PDF2 № 01-071-1139.
- База данных ICDD PDF2 № 00-025-1252.
- Carlson O.N., Smith J.F., Nafziger R.H. The Vanadium-Nitrogen System: a Review // Metall. Mater. Trans. A. 1986. V. 17. № 10. P. 1647–1656. https://doi.org/10.1007/BF02817263
- Ефимов А.И., Белорукова Л.П., Василькова И.В., Чечев В.П. Свойства неорганических соединений. Л.: Химия, 1983. 392 с.
Дополнительные файлы









