Optimum Complexing of Measurements when Maintaining a Maneuvering Object in Statistically Uncertain Situations
- Authors: Detkov A.N.1
-
Affiliations:
- Federal State Unitary Enterprise “State Research Institute of Aviation Systems”, 125167, Moscow, Russia
- Issue: No 1 (2023)
- Pages: 28-43
- Section: MANAGEMENT IN STOCHASTIC SYSTEMS AND UNDER CONDITIONS OF UNCERTAINTY
- URL: https://medbiosci.ru/0002-3388/article/view/136847
- DOI: https://doi.org/10.31857/S0002338822060075
- EDN: https://elibrary.ru/BHHBHH
- ID: 136847
Cite item
Full Text
Abstract
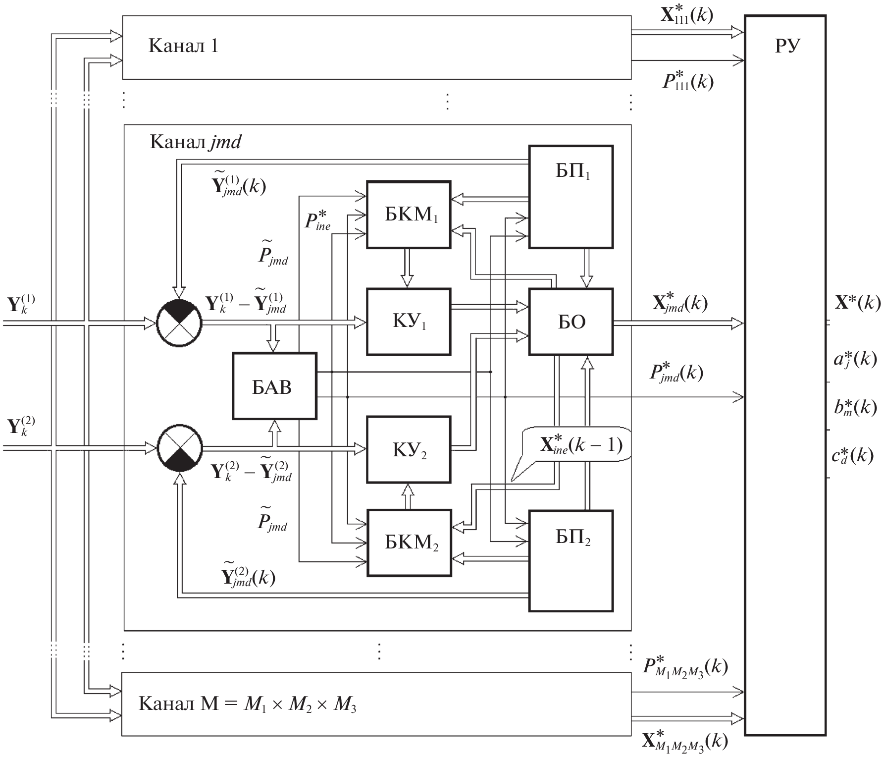
The problem of synthesizing optimal and quasi-optimal algorithms for complex information processing is solved using the methods of Markov theory for estimating random processes when maintaining a maneuvering object and two-channel vector observation with violations in statistically uncertain situations. The problem is solved in relation to a discrete-continuous Markov process for the case when its continuous part is a vector Markov sequence, and the discrete part is characterized by a three-component discrete Markov process, each component of which is described by a Markov chain to several positions. A block diagram of quasi-optimal complex information processing is given. Using a simple example, simulation modeling shows the performance of a quasi-optimal algorithm in statistically uncertain situations.
About the authors
A. N. Detkov
Federal State Unitary Enterprise “State Research Institute of Aviation Systems”, 125167, Moscow, Russia
Author for correspondence.
Email: detkov@gosniias.ru
Россия, Москва
References
- Бар-Шалом Я., Ли Х.-Р. Траекторная обработка: принципы, способы и алгоритмы. Пер. с англ. Д.Д. Дмитриева. М.: МГТУ им. Н.Э. Баумана, 2011.
- Bar-Shalom Y., Kirubarajan T., Li X.R. Estimation with Applications to Tracking and Navigation. N.Y.: Wiley, 2001.
- Sutton Z., Willett P., Bar-Shalom Y. Target Tracking Applied to Extraction of Multiple Evolving Threats From a Stream of Surveillance Data // IEEE Transactions on Computational Social Systems. 2021. V. 8. № 2. P. 434–450.
- Schoenecker S., Willett P., Bar-Shalom Y. Resolution Limits for Tracking Closely Spaced Targets // IEEE Transactions on Aerospace and Electronic Systems. 2018. V. 54. № 6. P. 2900–2910.
- Gao Y., Liu Y., Li, X.R. Tracking-Aided Classification of Targets Using Multihypothesis Sequential Probability Ratio Test // IEEE Transactions on Aerospace and Electronic Systems. 2018. V. 54. № 1. P. 233–245.
- Aftab W., Mihaylova L. A Learning Gaussian Process Approach for Maneuvering Target Tracking and Smoothing // IEEE Transactions on Aerospace and Electronic Systems. 2021. V. 57. № 1. P. 278–292.
- Buelta A., Olivares A., Staffetti E., Aftab W., Mihaylova L. A Gaussian Process Iterative Learning Control for Aircraft Trajectory Tracking // IEEE Transactions on Aerospace and Electronic Systems. 2021. V. 57. № 6. P. 3962–3973.
- Миронов М.А. Марковская теория оптимального оценивания случайных процессов. М.: Изд-во ФГУП “ГосНИИАС”, 2013.
- Rezaie R., Li X.R. Destination-Directed Trajectory Modeling, Filtering, and Prediction Using Conditionally Markov Sequences // IEEE Transactions on Aerospace and Electronic Systems. 2021. V. 57. № 2. P. 820–833.
- Li S., Cheng Y., Brown D., Tharmarasa R. Comprehensive Time-Offset Estimation for Multisensor Target Tracking // IEEE Transactions on Aerospace and Electronic Systems. 2020. V. 56. № 3. P. 2351–2373.
- Kowalski M., Willett P., Fair T., Bar-Shalom Y. CRLB for Estimating Time-Varying Rotational Biases in Passive Sensors // IEEE Transactions on Aerospace and Electronic Systems. 2020. V. 56. № 1. P. 343–355.
- Taghavi E., Tharmarasa R., Kirubarajan T., Bar-Shalom Y. Track-to-Track Fusion with Cross-covariances from Radar and IR/EO Sensor // 22th Intern. Conf. on Information Fusion (FUSION). Ottawa, ON, Canada, 2019.
- Rashid M., Ali Sebt M. Tracking a Maneuvering Target in the Presence of Clutter by Multiple Detection Radar and Infra-red Sensor // 25th Iranian Conf. on Electrical Engineering (ICEE). Tehran, Iran, 2017. P. 1917–1922.
- Детков А.Н. Оптимальное оценивание дискретно-непрерывных марковских процессов по наблюдаемым цифровым сигналам // РЭ. 2021. Т. 66. № 8. С. 748–759.
- Детков А.Н. Оптимизация алгоритмов цифровой фильтрации смешанных марковских процессов при сопровождении маневрирующего объекта // Изв. РАН. ТиСУ. 1997. № 2. С. 73–80.
- Тихонов В.И., Миронов М.А. Марковские процессы. М.: Сов радио, 1977.
- Бухалёв В.А. Распознавание, оценивание и управление в системах со случайной скачкообразной структурой. М.: Наука, 1996.
- Руденко Е.А. Конечномерные рекуррентные алгоритмы оптимальной нелинейной логико-динамической фильтрации // Изв. РАН. ТиСУ. 2016. № 1. С. 43–65.
- Жук С.Я. Методы оптимизации дискретных динамических систем со случайной структурой. Киев: НТУУ “КПИ”, 2008.
- Репин В.Г., Тартаковский Г.П. Статистический синтез при априорной неопределенности и адаптация информационных систем. М.: Сов. радио, 1978.
- Гантмахер Ф.Р. Теория матриц. М.: Физматлит, 2010.




