Peculiarites of clay minerals formation in the Pleistocene sediments under specific tectonomagmatic and hydrothermal conditions of the Central Hill (Escanaba Trough, Gorda Ridge, Pacific Ocean). Communication 2. Holes ODP 1038A and 1038H
- Authors: Kurnosov V.B.1, Sakharov B.A.1, Konovalov Y.I.1, Savichev A.T.1, Morozov I.A.2, Korshunov D.M.1
-
Affiliations:
- Geological Institute, Russian Academy of Sciences
- Institute of Geology of Ore Deposits, Petrography, Mineralogy and Geochemistry, Russian Academy of Sciences
- Issue: No 6 (2024)
- Pages: 667–677
- Section: Articles
- URL: https://medbiosci.ru/0024-497X/article/view/273447
- DOI: https://doi.org/10.31857/S0024497X24060043
- EDN: https://elibrary.ru/WVOVNH
- ID: 273447
Cite item
Full Text
Abstract
Clay minerals were studied in Pleistocene sediments from Holes 1038А, 114.50 m deep, and 1038Н, 192.80 m deep, which were drilled near a hydrothermal spring with a temperature of 217°C on Central Hill, 275 m east of Hole 1038B. In the sediments from Hole 1038A, at a depth of 8.52 m, the fraction <0.001 mm consists completely of chlorite. In the rest of the sediment section from Hole 1038A clay minerals consist of chlorite (from ~64 to ~98%) and illite. In sediments from Hole 1038H clay minerals also consist of chlorite and illite. Their formation occurred under conditions that arose at the intrusion of a basaltic melt in the form of a laccolith into the Escanaba trough and the heating under its influence of a solution, during the interaction of which with sediments at a high-temperature stage biotite was formed. With the subsequent slow cooling of the laccolith and fluid, the newly formed biotite was completely replaced by chlorite. Illite was precipitated from a hydrothermal solution. At a depth of 183 m, in sediments from Hole 1038H, clay minerals consist of biotite, chlorite and dioctahedral smectite, just as in sediments from Hole 1038B when they were formed under conditions of rapid cooling of the laccolith flank and penetration of sea water into the sediments. The similarities and differences in the processes of formation of clay minerals are shown in the Pleistocene sediments of the Central Hill, located above the slowly cooling part of the laccolith (Holes 1038A and 1038H), and in sediments located above the rapidly cooling flank of the laccolith (Hole 1038B).
Keywords
Full Text
Сообщение 2 является продолжением исследования особенностей формирования глинистых минералов в специфичных тектономагматических и гидротермальных условиях Центрального Холма, которое было начато с изучения этих минералов в гидротермально измененных плейстоценовых осадках из скважины 1038В (северо-западный край Центрального Холма), расположенных над быстро остывающим флангом лакколита [Курносов и др., 2024]. В отличие от скважины 1038В, скважины 1038А и 1038Н пробурены в плейстоценовых гидротермально измененных осадках, расположенных над медленно остывающей частью лакколита. Скорости остывания лакколита и соответственно гидротермального флюида, поднимающегося по каналам разгрузки, различаются в два раза, судя по разнице температур в настоящее время в гидротермальных источниках. В источнике, расположенном вблизи скважины 1038В, она составляет 108°C, в то время как в источнике около скважин 1038А и 1038Н измерена температура 217°C [Campbell et al., 2022]. В то же время, начальная температура гидротермального флюида, поднимающегося по центральным каналам разгрузки, рядом с которыми пробурены скважины 1038В, 1038А и 1038Н, была одинаково высокая во время внедрения в трог Эсканаба базальтового расплава с температурой 1200°C [Denlinger, Holmes, 2022]. Глинистые минералы в плейстоценовых гидротермально измененных осадках из скважин 1038А и 1038Н ранее были изучены только в осадках из скважины 1038Н [Lackschewitz et al., 2000]. Диагностика минерального состава фракции <0.002 мм была проведена этими авторами с использованием рутинной рентгено-дифрактометрической экспресс-съемки. При оценке содержания минеральных фаз они использовали полуколичественный метод [Byscaye, 1965]. Кроме того, при обсуждении особенностей формирования глинистых минералов в осадках этой скважины не рассматривалась их связь со специфичными тектономагматическими и гидротермальными условиями, характерными для Центрального Холма.
Задачи исследований, которые решались в Сообщении 2, следующие.
В статье использованы образцы плейстоценовых осадков, отобранные из керна скважин 1037В и 1038В в кернохранилище Программы океанского бурения (ODP – Ocean Drilling Program), которое находится при Техасском университете (Texas A&M University).
ОБЪЕКТ ИССЛЕДОВАНИЯ
Сведения о тектономагматических и гидротермальных условиях формирования глинистых минералов в плейстоценовых осадках, слагающих Центральный Холм, приведены в Сообщении 1 [Курносов и др., 2024]. Тектоническая схема северо-восточной части Тихого океана, схема батиметрии Центрального Холма и расположение глубоководных скважин на нем показаны также в Сообщении 1 [Курносов и др., 2024].
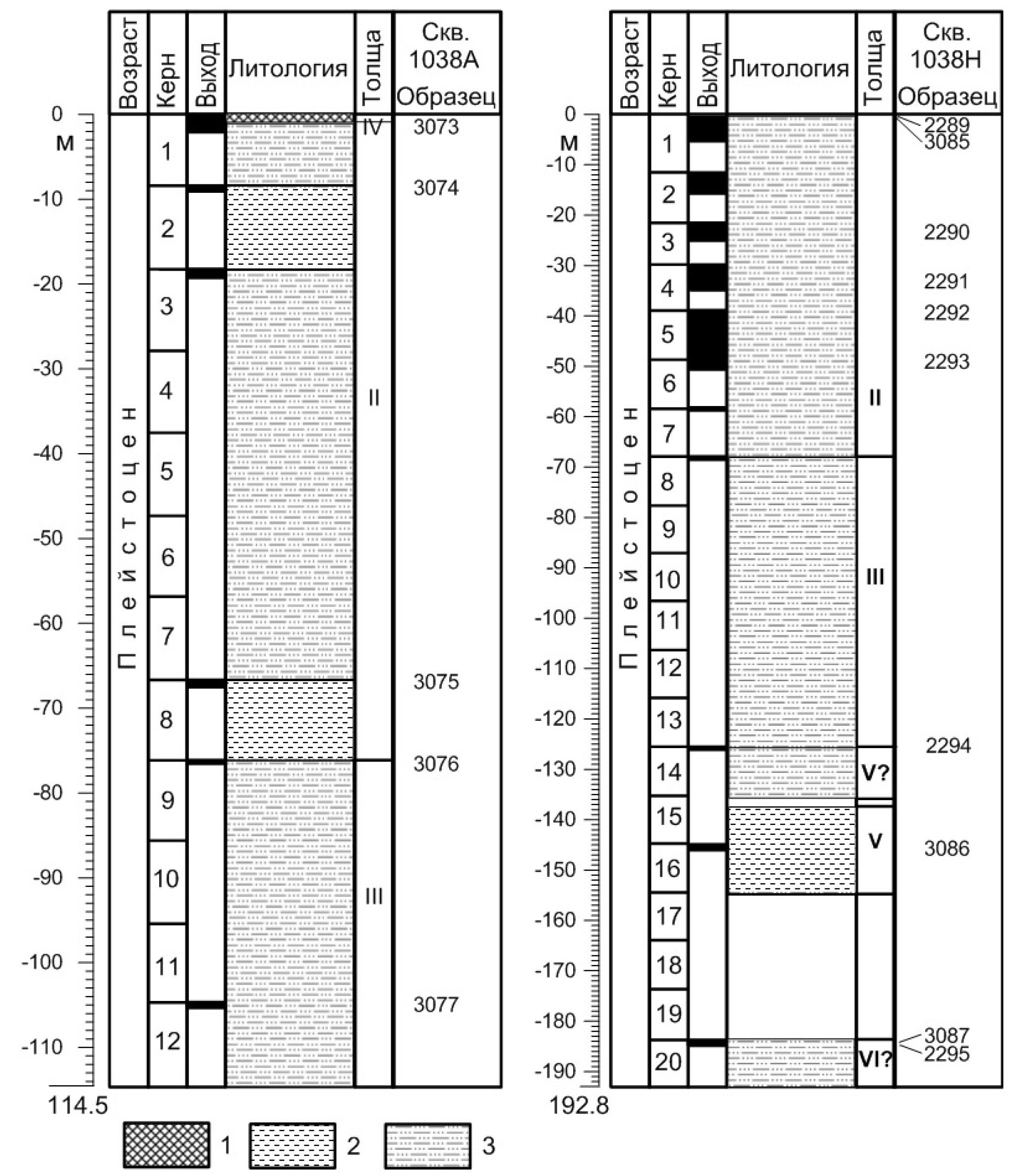
Скважины 1038А и 1038H глубиной 114.50 м и 192.8 м пробурены в плейстоценовых осадках (рис. 1) в северо-западной части Центрального Холма, в 275 м к востоку от скважины 1038В, около гидротермального источника с температурой 217°C, в 1–2 м и в 20 м от него соответственно [Fouquet et al., 1998]. Осадки, вскрытые этими скважинами, прилегают к каналу подъема и разгрузки гидротермального флюида. Они расположены над той частью лакколита, которая остывает медленно.
Визуальные наблюдения, изучение в оптическом микроскопе и определение типов осадков из близко расположенных скважин 1038А и 1038Н, проведены на борту бурового судна в рейсе ODP 169 [Fouquet et al., 1998]. Участники рейса разделили осадки из скважин 1038А и 1038Н на литологические Толщи II, III, IV, V, VI?, которые пронумерованы при их описании сверху вниз в каждой из этих скважин, по [Fouquet et al., 1998].
Толща IV – скважина 1038А (интервал 0–1.5? м). Массивные сульфиды.
Толща II – скважина 1038А (интервал 1.5?–76.24 м) и скважина 1038H (интервал 0–68.31 м). Гемипелагические глинисто-алевритовые осадки с прослоями тонкозернистых песков и глин турбидитов, они состоят из глинистых минералов, кварца, примеси полевых шпатов и пироксена, кальцита, непрозрачных рудных минералов.
Толща III – скважина 1038А (76.20–114.50 м) и скважина 1038H (68.31–125.60 м). Гемипелагические глины и алевритовые глины, переслаивающиеся с тонкозернистым песком/песчаником, которые состоят из глинистых минералов, кварца, примеси полевых шпатов и пироксена, кальцита, непрозрачных минералов. Присутствуют карбонатные конкреции и аутигенные карбонаты в цементе.
Толща V – скважина 1038H (125.60–135.20 м и 137.0?–154.90 м). Осадки в интервале 135.20–137.0? м разделены базальтовым силлом мощностью ~2 м. Осадки представлены гемипелагическими алевролитами и аргиллитами, и тонкозернистыми турбидитами. Они состоят из глинистых минералов, кварца, примеси полевых шпатов и пироксена.
Толща VI? – скважина 1038H (183.60–192.80 м). Гемипелагические алевролиты и тонкозернистые турбидиты.
Рис. 1. Колонки скважин 1038А и 1038Н с привязкой образцов. 1 – массивные сульфиды, 2 – глины и глинистые осадки, 3 – тонко-среднезернистые турбидиты (пески и алевриты), переслаивающиеся с гемипелагическими осадками. Нумерация Толщ – по [Fouquet et al., 1998].
В троге Эсканаба, в 5 км к югу от Центрального Холма, пробурена также в рейсе ODP 169 референтная скважина 1037В, вскрывшая в интервале 0–240 м плейстоценовые фоновые терригенные глинисто-алевритовые осадки с прослоями тонко-среднезернистых песков, которые выделены в Толщу I [Fouquet et al., 1998].
МЕТОДЫ ИССЛЕДОВАНИЯ
Изучение глинистых минералов в осадках из скважин 1038А и 1038Н осуществлено теми же методами, которые были использованы в изучении глинистых минералов в осадках из скважины 1038В [Курносов и др., 2024]. Основным методом в их изучении было компьютерное моделирование рентгеновских дифракционных картин, которое проведено по программам [Дриц, Сахаров, 1976; Drits, Tchoubar, 1990; Sakharov, Lanson, 2013].
Микроскопическое изучение образцов осадков проведено в петрографических шлифах в оптическом микроскопе BIOptic BP-100. Отдельные шлифы дополнительно просмотрены в оптических микроскопах Axioskop 40 Carl Zeiss и Olympus BX-51.
Проведен количественный рентгенофазовый анализ валового минерального состава образцов осадков в соответствии с рекомендациями [Moore, Reynolds, 1999] по методу Ритвельда [Post, Bish, 1989] с использованием программного обеспечения PROFEX для BGMN [Doebelin, Kleeberg, 2015].
Химический состав фракции <0.001 мм осадков из скважин 1038А и 1038Н определен методом рентгено-флуоресцентного анализа (РФА) в лаборатории анализа минерального вещества Института геологии рудных месторождений, петрографии, минералогии и геохимии РАН. Образцы осадков были растерты в лабораторном дисковом истирателе (ЛДИ-65 карбид кремния). Образцы (навеска 600 мг) перед анализом предварительно были высушены при 105°C. Для силикатного анализа были изготовлены стеклообразные диски путем плавления материала проб с боратами лития в муфельной печи при температуре 1000°C. Потери при прокаливании также определялись при температуре 1000°C. Химический анализ проводился на рентгено-флуоресцентном спектрометре Axios Advanced (PANalytical, Нидерланды). Спектрометр снабжен рентгеновской трубкой мощностью 4 кВт с Rh–анодом. Максимальное напряжение на трубке 60 кВ, максимальный анодный ток 160 мА.
В сканирующем электронном микроскопе Vescan Vega с микрозондовой приставкой Aztec (ток 10 мкА, напряжение 30 кВ, диаметр пучка ~1 мкм) была изучена форма индивидуальных частиц глинистых минералов в свежих сколах образцов консолидированных осадков и в ориентированных препаратах фракции <0.001 мм. Химический состав индивидуальных частиц глинистых минералов изучен в полированных шлифах образцов осадков из скважин 1038В и 1037В и в ориентированных препаратах фракции <0.001 мм. Препараты с ориентированными частицами глинистых минералов были приготовлены из суспензии осаждением ее на стеклянную пластинку, аналогично приготовлению ориентированных препаратов фракции <0.001 мм для рентгеновской дифрактометрической съемки.
РЕЗУЛЬТАТЫ ИССЛЕДОВАНИЯ
Результаты петрографического изучения осадков и гранулометрического анализа
По результатам изучения петрографических шлифов и гранулометрического анализа выяснено, что образцы осадков из скважин 1038А и 1038Н представлены алевритовыми глинами, глинистыми алевритами и глинистыми алевролитами, алевритами и алевролитами, алевритовыми песчаниками, алевритовыми аргиллитами (табл. 1). В алевритах/алевролитах и в алевритовых песчаниках помимо глинистых минералов присутствуют кварц, плагиоклаз, пироксен, амфибол, кальцит, мусковит и биотит, вкрапленность рудных минералов, встречаются обломки алевритового песчаника и базальта, темноцветные минералы.
Замещение биотита хлоритом показано на примере образцов: 3076 – гидротермально измененного осадка из скважины 1038А и 2292 – осадка из скважины 1038Н.
Таблица 1. Глинистые минералы в осадках скважин 1038A и 1038Н (фракция <0.001 мм) и их содержание в % (по результатам моделирования дифракционных картин)
Скважина | Образец | Керн-секция, интервал (см) | Глубина ниже поверхности дна, м | Толща | Смектит | Хлорит | Иллит | Биотит | Кварц | Порода по данным гранулометрического анализа и петрографии; содержание глинистых фракций <0.001 мм и 0.01–0.001 мм в осадках |
1038А | 3074 | 2R–CC, 2–6 | 8.52 | II | – | 100 | – | – | – | Алевритовая глина; 40.53% и 32.37% |
3075 | 8R–1, 15–18 | 66.75 | – | 64 | 34.7 | – | 1.3 | Глинистый алеврит; 17.16% и 30.84% | ||
3076 | 9R–1, 43–46 | 76.63 | III | – | 73.8 | 25.4 | – | 0.8 | Алеврит; 7.17% и 12.38% | |
3077 | 12R–СС, 5–8 | 104.95 | – | 97.9 | 1.7 | – | 0.4 | Алевритовый песчаник; 3.49% и 7.92% | ||
1038Н | 2289А | 1X–1, 25–30 | 0.25 | II | 2.3 | 62.7 | 31.9 | – | 3.1 | Алеврит; 0% и 15.8% |
3085 | 1X–1, 42–47 | 0.42 | – | 92.5 | 7.5 | – | 0.03 | Глинистый алеврит; 9.21% и 31.67% | ||
2290 | 3X–2, 45–50 | 23.45 | – | 96.0 | 4.0 | – | <0.1 | Глинистый алеврит | ||
2291 | 4X–3, 90–95 | 33.40 | – | 84.8 | 14.7 | – | 0.5 | Алеврит; 6.01% и 32.03% | ||
2292 | 5X–1, 15–20 | 39.25 | – | 89.4 | 9.1 | – | 1.5 | Алеврит; 3.98*% и 22.08% | ||
2293А | 6X–1, 35–40 | 49.05 | – | 89.0 | 11.0 | – | – | Глинистый алеврит; 9% и 20.6% | ||
2294* | 14X–1, 10–15 | 127.70 | V | – | +++ | ++ | – | – | Глинистый алевролит; 5.2% и 7.30% | |
3086 | 16X–CC, 7–11 | 144.87 | – | 76.3 | 23.1 | – | 0.6 | Алевритовый аргиллит; 15.26% и 41.36% | ||
3087 | 20X–CC, 0–5 | 183.60 | VI? | 8.3 | 23.2 | – | 68.0 | 0.5 | Глинистый алевролит; 0.48% и 34.78% |
Примечание. * – дифрактограмма не моделирована, +++ – минерал преобладает, ++ – минерал в подчиненном количестве, прочерк – минерал не обнаружен.
На рис. 2 видно, что в образце 3076 биотит практически полностью замещен хлоритом. Оставшаяся незамещенная часть биотита видна вдоль края пластинки и плеохроирует в бурых тонах. Иллит находится в межзерновом пространстве в виде агрегатов тонкодисперсных частиц. В образце 2292 биотит замещается хлоритом по плоскостям спайности (рис. 3). Таким образом, замещение биотита хлоритом и присутствие в межзерновом пространстве тонкодисперсного иллита характерно для осадков из скважин 1038А и 1038Н.
Результаты количественного рентгенофазового анализа валового минерального состава осадков
В валовых пробах осадков в составе ассоциации глинистых минералов установлены: иллит (12.2–29.1%), кроме образцов 3074 и 3087, хлорит (11.5–76.3%) и биотит (8.4%) в образце 3087. Смектит присутствует только в образце 3074 (7.6%). Амфибол не установлен во всех исследованных образцах из скважин 1038А и 1038Н. Содержание кальцита изменяется от 0.4% до 5.6%. Кварц (13.2–38.8%) и плагиоклаз (1.1–27.7%) присутствуют во всех образцах (табл. 2).
Рис. 2. Биотит практически полностью хлоритизированный (образец 3076, скважина 1038А), петрографический шлиф (николи параллельны).
Таблица 2. Результаты количественного рентгенофазового анализа валового минерального состава образцов осадков из скважин 1038А и 1038Н
Скважина | 1038А | 1038А | 1038А | 1038А | 1038Н | 1038Н | 1038Н | 1038Н | 1038Н | 1038Н | 1038Н |
Образец | 3074 | 3075 | 3036 | 3077 | 2289 | 3085 | 2290 | 2293А | 2294 | 3086 | 3087 |
Порода | 1 | 2 | 3 | 4 | 3 | 2 | 2 | 2 | 2 | 1 | 2 |
биотит | – | – | – | – | – | – | – | – | – | – | 8.4 |
смектит | 7.6 | – | – | – | – | – | – | – | – | – | – |
иллит | – | 27.3 | 20.8 | 3.4 | 25.9 | 23.3 | 21.4 | 12.2 | 29.1 | 28.5 | – |
хлорит | 76.3 | 17.5 | 11.5 | 14.5 | 37.7 | 33.2 | 40.5 | 19.1 | 21.1 | 18.6 | 20.3 |
амфибол | – | – | – | – | – | – | – | – | – | – | – |
гипс | – | – | – | – | – | – | – | – | – | – | 0.8 |
кальцит | 0.4 | 5.1 | 5.6 | 3.3 | 1.6 | – | 0.5 | 2.5 | 0.5 | 3.5 | 2.1 |
галит | – | – | – | – | – | – | – | – | – | – | 1.2 |
кварц | 13.2 | 26.4 | 33.2 | 38.8 | 33.0 | 33.7 | 33.6 | 27.1 | 23.7 | 22.9 | 18.6 |
кпш | – | 4.3 | 5.9 | 12.3 | – | – | 1.7 | 11.4 | 4.6 | 7.6 | 16.6 |
плагиоклаз | 2.1 | 18.3 | 23 | 27.7 | 1.8 | 9.2 | 1.1 | 26.9 | 20.6 | 18.9 | 32.0 |
рутил | 0.4 | 0.8 | – | – | – | – | – | – | – | – | – |
пирит | – | – | – | – | – | – | 0.4 | – | – | – | – |
сфалерит | – | – | – | – | – | – | 0.3 | – | – | – | – |
Примечание. 1 – алевритовая глина/аргиллит, 2 – глинистый алеврит, 3 – алеврит/алевролит, 4 – алевритовый песчаник, прочерк – минерал не обнаружен.
Результаты рентгенодифрактометрического изучения глинистых минералов
После определения фазового состава ориентированных препаратов фракции <0.001 мм для всех образцов из скважин 1038А и 1038Н экспрессным методом рентгеновской съемки, было проведено компьютерное моделирование экспериментальных дифракционных картин, полученных от ориентированных препаратов фракции <0.001 мм, насыщенных этиленгликолем (см. табл. 1).
В скважине 1038А фракция <0.001 мм осадков на глубине 8.52 м состоит полностью из хлорита (см. табл. 1). Ниже по разрезу, фракция <0.001 осадков из этой скважины состоит из хлорита и иллита, присутствующих в разных количественных соотношениях. Содержание хлорита вниз по разрезу увеличивается от 64% до 97.9%, а содержание иллита соответственно уменьшается от 34.7% до 1.7% (см. табл. 1). Во фракции <0.001 мм присутствует примесь кварца.
В скважине 1038H фракция <0.001 мм практически всех исследованных образцов также представлена хлоритом и иллитом с примесью кварца. Содержание хлорита составляет 84.8–96%, кроме образца 3086, в котором его содержание 76.3%. Содержание иллита изменяется в пределах от 4% до 14.7%, и только в образце 3086 – 23.1% (см. табл. 1). На глубине 183 м (образец 3087) установлена другая ассоциация глинистых минералов, которая состоит из биотита (68.0%) и хлорита (23.2%), с подчиненным количеством диоктаэдрического смектита (8.3%), иллит отсутствует (см. табл. 1). В самой верхней части разреза осадков скважины 1038Н (образец 2289А) во фракции <0.001 мм помимо хлорита и иллита встречен смектит (2.3%).
Полученные результаты определения состава ассоциации и количественного соотношения глинистых минералов во фракции <0.001 мм осадков из скважины 1038Н, являются более детальными, чем результаты, полученные [Lackschewitz et al., 2000]. Нами определены количественные соотношения минеральных фаз, в то время как в работе [Lackschewitz et al., 2000] состав фракции <0.002 мм был оценен полуколичественным методом [Byscaye, 1965]. Сведений о появлении на глубине 183 м другой ассоциации глинистых минералов в указанной работе нет, также не отмечено присутствие смектита в самой верхней части осадков, вскрытых скважиной 1038Н.
Химический состав тонкодисперсного хлорита
Химический состав фракции <0.001 мм, полностью или почти полностью состоящей из хлорита (образцы 3074 и 3077, скважина 1038А и образцы 3085 и 2293А, скважина 1038Н), изучен методом рентгено-флуоресцентного анализа (табл. 3). Кроме того, был определен химический состав индивидуальных частиц хлорита в сканирующем электронном микроскопе микрозондовым методом в ориентированных препаратах фракции <0.001 мм, приготовленных на стеклах-подложках (см. табл. 3).
Рис. 3. Неполное замещение биотита хлоритом (образец 2292, скважина 1038Н), петрографический шлиф (николи параллельны).
Таблица 3. Химический состав хлорита (в %) в тонкодисперсной фракции осадков скважин 1038А и 1038Н
Скважина | 1038А* | 1038А** | 1038А* | 1038А** | 1038Н* | 1038Н** | 1038Н*** | 1038Н* | 1038Н** |
Образец | 3074 | 3074 | 3077 | 3077 | 3085 | 3085 | 2293А | 2293А | |
Глубина (м) | 8.52 | 8.52 | 104.95 | 104.95 | 0.42 | 0.42 | 14.24 | 49.05 | 49.05 |
Хлорит | 100% | 100% | 97.9% | 92.5% | ~97% | 89.0% | |||
Иллит | 2.1% | 7.5% | ~3% | 11.0% | |||||
SiO2 | 27.65 | 34.34 | 35.29 | 40.90 | 34.49 | 39.68 | 34.70 | 35.00 | 39.43 |
TiO2 | 0.35 | 0.35 | 1.18 | 1.13 | 0.48 | 0.45 | 0.10 | 0.21 | 0.27 |
Al2O3 | 20.37 | 23.89 | 16.9 | 18.81 | 23.02 | 25.93 | 24.50 | 20.22 | 22.39 |
Fe2O3 общ. | 15.62 | 18.81 | 23.14 | 23.28 | 13.87 | 16.74 | 11.50 | 20.46 | 22.30 |
FeO | |||||||||
MnO | 0.18 | 0.217 | 0.24 | 0.11 | 0.070 | 0.275 | 0.33 | ||
MgO | 20.8 | 20.18 | 11.50 | 13.26 | 15.63 | 17.39 | 15.10 | 10.62 | 11.72 |
CaO | 0.69 | 0.31 | 1.40 | 0.74 | 1.40 | 0.35 | 0.070 | 1.07 | 0.73 |
Na2O | 1.79 | 0.87 | 0.77 | 0.52 | 0.42 | 0.20 | 1.37 | 0.92 | |
K2O | 0.70 | 0.34 | 0.86 | 0.82 | 1.19 | 1.20 | 0.87 | 1.78 | 1.95 |
P2O5 | 0.08 | 0.15 | 0.18 | 0.05 | 0.11 | ||||
ППП | 12.81 | 8.3 | 992 | 8.68 | |||||
Сумма | 99.93 | 99.83 | 99.80 | 87.00 | 99.80 |
Примечание. * – химический состав фракции <0.001 мм (РФА), ** – средний химический состав отдельных частиц хлорита (микрозондовый анализ), *** – химический состав фракции <0.002 мм (РФА) [Lackschevitz et al., 2000].
Среднее содержание SiO2 (34.34%), установленное микрозондовым методом в частичках хлорита фракции <0.001 мм образца 3074 (скважина 1038А), которая состоит на 100% из хлорита, более высокое, чем валовое содержание SiO2 (27.65%) во фракции <0.001 мм того же образца, установленное методом РФА, разница составляет 6.69% (см. табл. 3). По данным РФА содержание K2O – 0.70%, в то время как среднее содержание K2O, в отдельных частицах хлорита, установленное микрозондовым методом, составляет 0.34% (см. табл. 3).
В остальных образцах с высоким содержанием хлорита во фракции <0.001 мм также присутствует K2O (см. табл. 3), что, по-видимому, связано с примесью иллита в этой фракции (см. табл. 1).
В статье [Lackschewitz et al., 2000] приведен химический состав фракции <0.002 мм, состоящей на ~97% из хлорита (образец 1038Н-2X-2, 84–85 cм, глубина 14.24 м) (см. табл. 3). Сравнение химического состава хлорита, который изучен этими авторами, с химическим составом хлорита во фракции <0.001 мм в образце 3085, отобранном на глубине 0.42 м (скважина 1038Н), показывает практически одинаковый уровень содержания SiO2, Al2O3, MgO, Fe2O3общ. В то же время в образце 3085 содержание TiO2, CaO, Na2O, K2O заметно выше, чем в хлорите из статьи [Lackschewitz et al., 2000]. Вероятно, это объясняется заметно более высоким содержанием примеси иллита во фракции <0.001 мм (7.5%) в образце 3085, чем в образце, изученным [Lackschewitz et al., 2000], в котором на иллит приходится менее 3%.
Химический состав фракции <0.001 мм (образец 3074, скважина 1038А), состоящей полностью из хлорита, отличается пониженным содержанием SiO2, Fe2O3общ и более высокой концентрацией MgO, от содержания этих оксидов во фракции <0.001 мм образца 3077 (скважина 1038А) с содержанием хлорита 97.9% (см. табл. 1), а также от образца, изученного [Lackschewitz et al., 2000] с содержанием хлорита ~97% (см. табл. 3).
ОБСУЖДЕНИЕ РЕЗУЛЬТАТОВ
Образование глинистых минералов в осадках Центрального Холма, скважины 1038А и 1038Н
Образование биотита. При внедрении в трог Эсканаба базальтового расплава с температурой 1200°C и возникновением Центрального Холма температура гидротермального флюида, поднимающегося по каналам его разгрузки, рядом с которыми пробурены скважины как 1038В, так и 1038А и 1038Н, была одинаково высокая, обеспечившая необходимую температуру 600–700°C для формирования биотита.
Формирование тонкодисперсного биотита в осадках из скважин 1038А и 1038Н произошло за счет исходных терригенных глинистых минералов: смешанослойного смектит-иллита, хлорита, иллита, каолинита.
Терригенные глинистые минералы, установленные в фоновых осадках из скважины 1037В [Курносов и др., 2024], в гидротермально измененных осадках из скважин 1038А и 1038Н отсутствуют (см. табл. 1). В образовании биотита участвовали также обломочные амфиболы. В результате количественного рентгенофазового анализа валового минерального состава образцов фоновых неизмененных терригенных осадков из скважины 1037В установлено присутствие актинолита (амфибола) [Курносов и др., 2024], в то время как в гидротермально измененных осадках из скважин 1038А и 1038Н амфибол исчезает (см. табл. 2).
Образование хлорита. В осадках из скважин 1038А глубиной 120.5 м и 1038Н до глубины 183 м произошло полное замещение биотита хлоритом в условиях медленного остывания лакколита и взаимодействии гидротермального флюида, остывающего в канале разгрузки, с осадками, прилегающими к каналу. Подтверждение такого замещения биотита хлоритом установлено при изучении петрографических шлифов (см. рис. 2, 3).
Согласно данным [Zierenberg, Shanks, 2022], изучавшим гидротермально измененные осадки Бент Холм (Bent Hill), который расположен в Срединной Долине хребта Хуан де Фука, образование хлорита происходит при температуре выше 200°C. В измененных осадках из скважины ODP 858В [Buatier, 1994, 1995; Сахаров, Курносов, 2022], пробуренной около гидротермального источника с температурой 276°C также в Срединной Долине хребта Хуан де Фука, определена температура образования хлорита 270–330°C. Предположительно в этом интервале температур произошло замещение биотита хлоритом в осадках из скважин 1038А и 1038Н. Согласно данным [Kastner, 1982], изучавшей в Калифорнийском заливе гидротермальное изменение терригенных осадков при внедрении в них базальтовых силлов, образование хлорита произошло при температуре 300 ± 50°C.
Биотит, образованный на высокотемпературной стадии взаимодействия флюида с осадками, сохранился в значительной степени в осадках из самой нижней части осадочного разреза, вскрытого скважиной 1038Н (см. табл. 1). Во фракции <0.001 мм этих осадков, расположенных на глубине 183.60 м, глинистые минералы состоят из биотита, хлорита и диоктаэдрического смектита, без иллита (см. табл. 1), и не отличаются от глинистых минералов в осадках из скважины 1038В [Курносов и др., 2024]. Состав этой ассоциации показывает, что на данной глубине осадочной колонки произошло быстрое охлаждение гидротермального раствора при проникновении в осадки морской воды.
Образование иллита. Почти во всех осадках разрезов, вскрытых скважинами 1038А и 1038Н, фракция <0.001 мм состоит из хлорита и иллита (см. табл. 1). В монографии [Дриц, Коссовская, 1991] было показано, при замещении биотита хлоритом формируется также иллит. Это заключение было сделано на основании присутствия на рентгенограммах базальных рефлексов и хлорита, и иллита. Однако этот аргумент представляется недостаточным для вывода о замещении биотита не только хлоритом, но и иллитом. Во всяком случае, при детальном изучении петрографических шлифов осадков из скважин 1038А и 1038В, внутри зерен биотита, которые замещаются хлоритом, не был обнаружен иллит (см. рис. 2, 3). Скорее всего, новообразованный тонкодисперсный иллит (разм. <0.001 мм) находится в межзерновом пространстве и его невозможно было диагностировать оптическими методами.
Таким образом, можно сделать вывод, что иллит не участвует в замещении биотита совместно с хлоритом и что он, по-видимому, был образован из гидротермального раствора, заполнив в осадках пространство между терригенными обломками.
Образование глинистых минералов в осадках, контактирующих со слоем массивных сульфидов. В осадках скважины 1038А, на глубине 8.52 м, фракция <0.001 мм состоит только из хлорита (см. табл. 1). Эти осадки (алевритовая глина) находятся непосредственно под слоем массивных сульфидов мощностью в несколько метров, которые образовались из рудообразующего раствора гидротермального источника, расположенного в нескольких метрах от этой скважины. Хлорит в данном случае сформировался при диффузном проникновении горячего флюида, образовавшего сульфидный слой, в эти осадки [Fouquet et al., 1998].
Сходство и различие процессов образования глинистых минералов в осадках, расположенных над медленно остывающей частью лакколита (скважины 1038А и 1038Н) и над быстро остывающим флангом лакколита (скважина 1038В)
При внедрении в трог Эсканаба базальтового расплава с температурой 1200°C в форме лакколита и образованием Центрального Холма, температура гидротермального флюида, поднимавшегося по каналам его разгрузки, рядом с которыми пробурены скважины 1038В, 1038А и 1038Н, была одинаково высокая. В результате на начальной высокотемпературной стадии его взаимодействия с осадками, прилегающими к центральным каналам разгрузки, сформировался аутигенный биотит. Биотит сформировался в основном за счет терригенных глинистых минералов: смешанослойного смектит-иллита, хлорита, иллита, каолинита. Необходимая для образования биотита температура 600–700°C была обеспечена внедрением в трог Эсканаба базальтового расплава.
Затем, на этапе остывания лакколита, формирование глинистых минералов происходило по-разному в осадках, расположенных над быстро остывающим флангом лакколита (скважина 1038В) и над медленно остывающей его частью (скважины 1038А и 1038Н).
В условиях быстрого остывания фланга лакколита в осадках (скважина 1038В), прилегающих к каналу разгрузки раствора, новообразованный биотит был частично замещен хлоритом. При незначительной степени замещения биотита, содержание хлорита во фракции <0.001 мм составляет ~6–17%, при существенной степени замещения – хлорит достигает концентраций от 47% до ~74% [Курносов и др., 2024]. Хлоритизация биотита происходила предположительно при температуре 270–330°С.
В условиях медленного остывания лакколита (скважины 1038А и 1038Н) биотит был полностью замещен хлоритом, в отличие от частичного замещения биотита хлоритом в осадках из скважины 1038В. Хлоритизация биотита происходила предположительно также при температуре 270–330°С. Биотит в осадках из скважины 1038Н сохранился в значительной мере только на глубине 183.60 м (см. табл. 1).
При дальнейшем остывании лакколита зависимость интенсивности процессов образования глинистых минералов от скорости его остывания проявилась еще заметнее. При медленном его остывании сформировался аутигенный иллит в осадках из скважин 1038А и 1038Н, а при быстром остывании лакколита и раствора, до температуры 200°C и ниже, при смешивании его с насыщающей осадки морской водой, в осадках образовался аутигенный диоктаэдрический смектит (скважина 1038В).
В образцах осадков из скважины 1038А, на глубине 8.52 м, фракция <0.001 мм состоит только из хлорита. Эти осадки находятся непосредственно под слоем массивных сульфидов, который образован из рудообразующего раствора гидротермального источника, находящегося в нескольких метрах от этой скважины. В этих осадках хлорит был сформирован при диффузном проникновении горячего флюида, образующего сульфидный слой, в эти нижележащие осадки.
ЗАКЛЮЧЕНИЕ
Формирование глинистых минералов в плейстоценовых осадках Центрального Холма зависит от внедрения в трог Эсканаба базальтового расплава с температурой 1200°C с образованием лакколита и от последующей скорости его остывания. Кроме того, на формирование состава глинистых минералов влияет морская вода, проникающая в осадки Центрального Холма.
На высокотемпературной стадии взаимодействия гидротермального флюида, поднимающегося по центральным каналам разгрузки и взаимодействующего с прилегающими к этим каналам осадками, сформировался тонкодисперсный биотит при температуре 600–700°C за счет терригенных глинистых минералов плейстоценовых осадков, расположенных как над флангом лакколита (скважина 1038В), так и над той частью, которая находится ближе к его центру (скважины 1038А и 1038Н).
На этапе остывания лакколита процессы формирования глинистых минералов проявились по-разному в осадках, расположенных над быстро остывающим флангом лакколита (скважина 1038В) и над медленно остывающей его частью (скважины 1038А и 1038Н).
При быстром остывании лакколита биотит замещался хлоритом в разной степени при температуре предположительно 270–330°C. При дальнейшем быстром его остывании образовался аутигенный диоктаэдрический смектит, при температуре ниже 200°C, которая достигалась в результате смешения флюида с морской водой, проникающей в осадки Центрального Холма.
При медленном остывании лакколита происходило полное замещение биотита хлоритом при температуре предположительно 270–330°C. Аутигенный иллит осаждался из раствора.
В самой нижней части осадочного разреза (скважина 1038Н), на глубине 183 м, установлен биотит, который только частично замещен хлоритом. Диоктаэдрический смектит образовался при смешении гидротермального раствора с морской водой так же, как это происходило в осадках (скважина 1038В) – в условиях быстрого его охлаждения при смешении с насыщающей осадки морской водой.
Результаты проведенного исследования являются пионерными и основополагающими для понимания условий и процессов формирования аутигенных глинистых минералов в осадках холмов того же происхождения, что и Центральный Холм, которые известны в срединных долинах спрединговых хребтов северо-восточной части Тихого океана.
БЛАГОДАРНОСТИ
Авторы выражают благодарность Т.Д. Зеленовой за выделение из осадков фракций <0.001 мм и 0.01–0.001 мм, подготовку препаратов для рентгеновской дифрактометрии и сканирующей электронной микроскопии и Е.В. Покровской за проведение рентгеновских съемок образцов. Благодарим также Н.В. Горькову и В.В. Михеева за помощь в исследовании глинистых минералов в сканирующем электронном микроскопе и Г.Н. Новикова за участие в подготовке иллюстраций.
КОНФЛИКТ ИНТЕРЕСОВ
Авторы данной работы заявляют, что у них нет конфликта интересов.
ФИНАНСИРОВАНИЕ РАБОТЫ
Исследование выполнено за счет гранта Российского научного фонда № 23-27-00064, https://rscf.ru/project/23-27-00064/.
About the authors
V. B. Kurnosov
Geological Institute, Russian Academy of Sciences
Author for correspondence.
Email: vic-kurnosov@rambler.ru
Russian Federation, Pyzhevsky lane, 7, bld. 1, Moscow, 119017
B. A. Sakharov
Geological Institute, Russian Academy of Sciences
Email: sakharovba@gmail.com
Russian Federation, Pyzhevsky lane, 7, bld. 1, Moscow, 119017
Yu. I. Konovalov
Geological Institute, Russian Academy of Sciences
Email: vic-kurnosov@rambler.ru
Russian Federation, Pyzhevsky lane, 7, bld. 1, Moscow, 119017
A. T. Savichev
Geological Institute, Russian Academy of Sciences
Email: vic-kurnosov@rambler.ru
Russian Federation, Pyzhevsky lane, 7, bld. 1, Moscow, 119017
I. A. Morozov
Institute of Geology of Ore Deposits, Petrography, Mineralogy and Geochemistry, Russian Academy of Sciences
Email: sakharovba@gmail.com
Russian Federation, Staromonetny lane, 35, Moscow, 119017
D. M. Korshunov
Geological Institute, Russian Academy of Sciences
Email: vic-kurnosov@rambler.ru
Russian Federation, Pyzhevsky lane, 7, bld. 1, Moscow, 119017
References
- Дриц В.А., Сахаров Б.А. Рентгеноструктурный анализ смешанослойных минералов. М.: Наука, 1976. 256 с.
- Дриц В.А., Коссовская А.Г. Глинистые минералы: слюды, хлориты. М.: Наука, 1991. 176 с.
- Курносов В.Б., Сахаров Б.А., Коновалов Ю.И., Савичев А.Т., Морозов И.А., Коршунов Д.М. Особенности образования глинистых минералов в плейстоценовых осадках в специфичных тектономагматических и гидротермальных условиях Центрального Холма (трог Эсканаба, хребет Горда, Тихий океан). Сообщение 1. Скважина ODP 1038В // Литология и полез. ископаемые. 2024. № 5. С. 587–602.
- Сахаров Б.А., Курносов В.Б. Особенности образования глинистых минералов в осадках из центра гидротермальной системы, скважина 858В, хребет Хуан де Фука // Литология и полез. ископаемые. 2022. № 2. С. 181–204.
- Biscaye P.E. Mineralogy and sedimentation of recent deep-sea clays in the Atlantic Ocean and adjacent seas and oceans // Geol. Soc. Am. Bull. 1965. V. 76. P. 803–832.
- Campbell A.C., German Ch.R., Palmer M.R. et al. Chemistry of hydrothermal fluids from Escanaba Trough, Gorda Ridge / Eds J.L. Morton, R.A. Zierenberg, C.A. Reiss // Geologic, hydrothermal, and Biologic Studies at Escanaba Trough, Offshore Northern California. U.S. Geol. Surv. Bull. 2022. P. 201–222.
- Denlinger R.P., Holmes M.L. A Thermal and mechanical model for sediment hills and associated sulfide deposits along Escanaba Trough / Eds J.L. Morton, R.A. Zierenberg, C.A. Reiss // Geologic, hydrothermal, and Biologic Studies at Escanaba Trough, Offshore Northern California. U.S. Geol. Surv. Bull. 2022. P. 65–75.
- Doebelin N., Kleeberg R. Profex. A graphical user interface for the Rietveld refinement program BGMN // J. Appl. Crystallogr. 2015. V. 48. P. 1573–1580.
- Drits V.A., Tchoubar C. X-Ray diffraction by disordered lamellar structures. Heldenberg: Springer-Verlag, 1990. 371 p.
- Fouquet Y., Zierenberg R.A., Miller D.J. et al. Proc. ODP, Init. Repts., 169: College Station. TX (Ocean Drilling Program). 1998. 592 p.
- Kastner M. Evidence for two distinct hydrothermal systems in the Guaymas Basin // Init. Repts. DSDP. 1982. V. 64. Part 2. P. 1143-1158.
- Lackschewitz K.S., Singer A., Botz R. et al. Mineralogy and geochemistry of clay minerals near a hydrothermal site in the Escanaba Trough, Gorda Ridge, Northeast Pacific Ocean / Eds R.A. Zierenberg, Y. Fouquet, D.J. Miller, W.R. Normark // Proc. ODP, Sci. Results, 169: College Station. TX (Ocean Drilling Program). 2000. P. 1–24.
- Moore D.M., Reynolds R.C.J. X-ray Diffraction and the Identification and Analysis of Clay Minerals / 2nd ed. Oxford, UK: Oxford University Press, 1999.
- Post J.E., Bish D.L. Rietveld refinement of crystal structures using powder X-ray diffraction data // Rev. Mineral. 1989. V. 20. P. 277–308. [CrossRef]
- Sakharov B.A., Lanson B. X-ray identification of mixed-layer structures. Modeling of diffraction effects. Chapter 2.3. Handbook of Clay Science. Part B. Techniques and Applications / Eds F. Bergaya, G. Lagaly. Amsterdam, Boston, Heidelberg, London, N.Y., Oxford: Elsevier, 2013. P. 51–135.
- Sakharov B.A., Lanson B. X-ray identification of mixed-layer structures. Modeling of diffraction effects. Chapter 2.3. Handbook of Clay Science. Part B. Techniques and Applications / Eds F. Bergaya, G. Lagaly. Amsterdam, Boston, Heidelberg, London, N.Y., Oxford: Elsevier, 2013. P. 51–135.
Supplementary files




