The First Find of Orbitolites (Foraminifera: Family Soritidae) in the Eocene of Armenia
- Authors: Zakrevskaya E.Y.1
-
Affiliations:
- Vernadsky State Geological Museum, Russian Academy of Sciences
- Issue: No 3 (2023)
- Pages: 11-21
- Section: Articles
- URL: https://medbiosci.ru/0031-031X/article/view/137097
- DOI: https://doi.org/10.31857/S0031031X23030157
- EDN: https://elibrary.ru/QCRKWB
- ID: 137097
Cite item
Full Text
Abstract
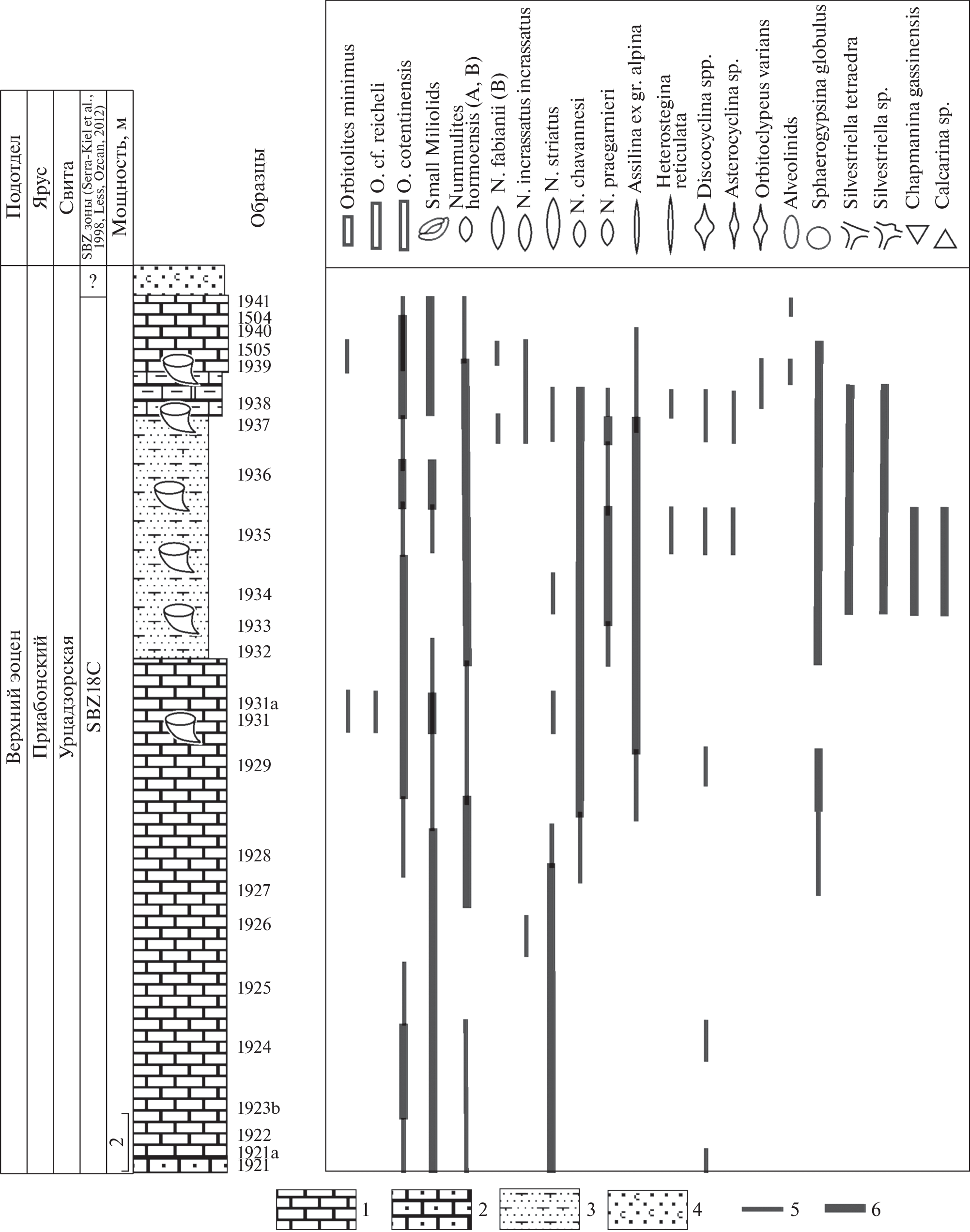
Paleogene genus Orbitolites (family Soritidae) was found in Armenia as well as in former USSR firstly. The largest species O. cotentinensis Lehmann prevails in population of this genus in Rind section of Southern Armenia. The systematic description of three species of discovered Orbitolites is given. The aсcompanying assemblage of larger benthic foraminifera allowed to define the stratigraphic position of layers with Orbitolites in lower Priabonian, SB18C subzone. Distribution of Orbitolites and miliolids show on back-reef lagoon paleoenvironment, unusual for Priabonian of Southern Armenia.
About the authors
E. Yu. Zakrevskaya
Vernadsky State Geological Museum, Russian Academy of Sciences
Author for correspondence.
Email: zey51@mail.ru
Russia, 125009, Moscow
References
- Агамалян В.А., Саркисян О.А., Лорсабян Т.К., Исраелян А.Г. Основные тектонические единицы Армении // Учен. зап. Ереванского гос. ун-та. Геол. 2012. № 1. С. 3‒12.
- Асланян П.М. Стратиграфия и моллюски верхнепалеогеновых отложений юго-западной части Армянской ССР. Ереван: Изд-во АН АрмССР, 1970. С. 80‒260.
- Богданович А.К., Волошинова Н.А. Отряд Miliolida // Основы палеонтологии. Простейшие. М.: АН СССР, 1959. Т. 1. С. 233‒246.
- Габриелян А.А. Палеоген и неоген Армянской ССР. Ереван: Изд-во АН АрмССР, 1964. 299 с.
- Григорян С.М. Биостратиграфия верхнемеловых и палеогеновых отложений Армянской ССР по нуммулитидам и орбитоидам. Заключительный отчет НИР. Ереван: АН АрмССР, ИГН, 1982. 211 с.
- Закревская Е.Ю. О первой находке четырех родов крупных фораминифер в бартоне‒приабоне Армении // Матер. LXI сессии Палеонтол. об-ва при РАН (13‒17 апреля 2015 г., Санкт-Петербург, 2015). СПб.: ВСЕГЕИ, 2015. С. 38‒39.
- Саркисян О.А., Харазян Э.Х., Григорян А.Г. и др. Стратиграфические схемы фанерозоя Армении // Изв. НАН РА. Науки о Земле. 2006. Т. 59. № 1. С. 10‒19.
- Стратиграфический кодекс России. Издание третье / Ред. А.И. Жамойда. СПб.: Изд-во ВСЕГЕИ, 2019. 96 с.
- Cotton L.J., Wright V.P., Barnett A., Renema W. Larger Benthic Foraminifera from the Panna and Mukta Fields Offshore India: Paleobiogeographical Implications // J. Foramin. Res. 2019. V. 49. № 3. P. 243‒258. https://doi.org/10.2113/gsjfr.49.3.243
- Henson F.R.S. Middle Eastern Tertiary Peneroplidae (Foraminifera) with remarks on the phylogeny and taxonomy of the family. Ph.D. thesis, Leiden Univ. Wakefield: West Yorkshire Printing Co, 1950. 70 p.
- Hottinger L. Revision of the foraminiferal genus Globoreticulina Rahaghi, 1978, and of its associated fauna of larger foraminifera from the late Middle Eocene of Iran // Carnets de Géologie / Notebooks on Geology. Art. 2007/06 (CG2007_A06). 2007. 51 p.
- Kharzyan E.D. Geological map of Republic of Armenia, scale 1:500 000 / Ed. H. Sargsyan. Yerevan: Ministry of Nature Protection of RA, Geol. agency, 2005.
- Lehmann R. Strukturanalyse einiger Gattungen der Subfamilie Orbitolitinae // Ecl. Geol. Helv. 1961. V. 54. № 2. P. 597–667.
- Lehmann R. Plusieurs types morphologiques distincts d’Orbitolites de l’Ilerdian pyrénéen // Bull. Soc. Géol. France. 1962. V. 7. P. 357–361.
- Less G. Az Europai Orthophragminak oslenytana es retegtana // Geol. Hung. Ser. Palaeontol. 1987. Fasc. 511. P. 1–373.
- Less G., Özcan E. Bartonian‒Priabonian larger benthic foraminiferal events in the Western Tethys // Austr. J. Earth Sci. 2012. V. 10. № 1. P. 129‒140.
- Less G., Özcan E., Okay A.I. Stratigraphy and larger foraminifera of the Middle Eocene to Lower Oligocene shallow-marine units in the northern and eastern parts of the Thrace Basin, NW Turkey // Turkish J. Earth Sci. 2011. V. 20. № 6. P. 793‒845. https://doi.org/10.3906/yer-1010-53
- Loeblich A.R.J., Tappan H. Foraminiferal Genera and Their Classification. N.Y.: Van Nostrand Reinhold Co, 1988. 970 p.
- Meriç E., Çoruh T. Mardinella, a new genus and discussion on Orbitolites shirazensis Rahaghi, 1983 // J. Islamic Acad. Sci. 1991. V. 4. № 2. P. 166–169.
- Özgen-Erdem N. Cyclopertorbitolites, a new soritid (Foraminifera) from the Lower Eocene of the Eskişehir and Kastamonu regions (Turkey) // Paleontol. J. 2010. V. 44. № 3. P. 243–252.
- Papazzoni C.A., Cosović V., Briguglio A., Drobne K. Towards a calibrated larger foraminifera biostratigraphic zonation: celebrating 18 years of the application of shallow benthic zones // Palaios. 2017. V. 32. № 1. P. 1–5. https://doi.org/10.2110/palo.2016.043
- Rahaghi A. Stratigraphy and faunal assemblage of Paleocene–Lower Eocene in Iran // Publ. Ministry of Oil, National Iranian Oil Company, Geol. Lab. 1983. № 10. P. 1–49.
- Schaub H. Nummulites et assilines de la Tethys Paléogène. Taxonomie, phylogénèse et biostratigraphie // Schweiz. Paläontol. Abh. 1981. Bd 104/106. P. 1‒238.
- Scheibner Ch., Speijer R.P. Recalibration of the Tethyan shallow benthic zonation across the Paleocene–Eocene boundary: the Egyptian record // Geol. Acta. 2009. V. 7. № 1, 2. P. 195–214. https://doi.org/10.1344/105.000000267
- Serra-Kiel J., Gallardo-Garcia A., Razin P. et al. Middle Eocene–early Miocene larger foraminifera from Dhofar (Oman) and Socotra Island (Yemen) // Arab. J. Geosci. 2016. V. 9. P. 1–95.
- Serra-Kiel J., Hottinger L., Caus E. et al. Larger foraminiferal biostratigraphy of the Tethyan Paleocene and Eocene // Bull. Soc. Géol. France. 1998. V. 169. P. 281–299.
- Silva-Casal R., Serra-Kiel J., Rodríguez-Pintó A. et al. Systematics of Lutetian larger foraminifera and magnetobiostratigraphy from South Pyrenean Basin (Sierras Exteriores, Spain) // Geol. Acta. 2021. V. 19. № 7. P. 1‒64. https://doi.org/10.1344/Geologica Acta2021.19.7
- Smout A. H. The genus Pseudomia and its phyletic relationships with remarks on Orbitolites and other complex foraminifera // Evolutionary Trends in Foraminifera / Eds. von Koenigswald G.R.H. et al. Amsterdam: Elsevier, 1963. P. 224‒281.
- Vandenberghe N., Hilgen F.J., Speijer R.P. The Paleogene Period // The Geological Time Scale / Eds. Gradstein F.M., Ogg J.G., Schmitz M.D., Ogg G.M. Amsterdam: Elsevier, 2012. P. 855‒921.
- Zakrevskaya E.Yu. New data on the morphology and biostratigraphy of Biplanispira (Foraminiferida), based on its occurrence in Armenia // Palaios. 2017. V. 32. № 1. P. 18‒29. https://doi.org/10.2110/ palo.2016.008
- Zakrevskaya E., Less G., Bugrova E. et al. Integrated biostratigraphy and benthic foraminifera of the Middle-Upper Eocene deposits of Urtsadzor section (southern Armenia) // Turk. J. Earth Sci. 2020. V. 29. P. 896–945. https://doi.org/10.3906/yer-1912-6
- Zakrevskaya E., Shcherbinina E., Hayrapetyan F. International geological field trip “The Bartonian and Priabonian boundaries in Southern Armenia: Problems and solution, August 24th‒September 8th 2014”. Field Trip Guide Book. Moscow‒Yerevan: IGS NAS RA, SGM RAS, 2014. 47 p.
- Zhang B. Orbitolites (Foraminifera) from Longjiang of Tingri, Xizang // Acta Micropalaeontol. Sin. 1988. V. 5. № 1. P. 1‒13.
Supplementary files







