Application of a Capacitive Charge-Sharing Circuit for Reducing the Number of Readout Channels of Multichannel Semiconductor Detectors with p–n Junctions
- Authors: Gorbunov A.V.1, Karmanov D.E.1
-
Affiliations:
- Moscow State University, Skobeltsyn Institute of Nuclear Physics
- Issue: No 1 (2023)
- Pages: 41-55
- Section: ТЕХНИКА ЯДЕРНОГО ЭКСПЕРИМЕНТА
- URL: https://medbiosci.ru/0032-8162/article/view/138275
- DOI: https://doi.org/10.31857/S0032816223010160
- EDN: https://elibrary.ru/JWQGFQ
- ID: 138275
Cite item
Full Text
Abstract
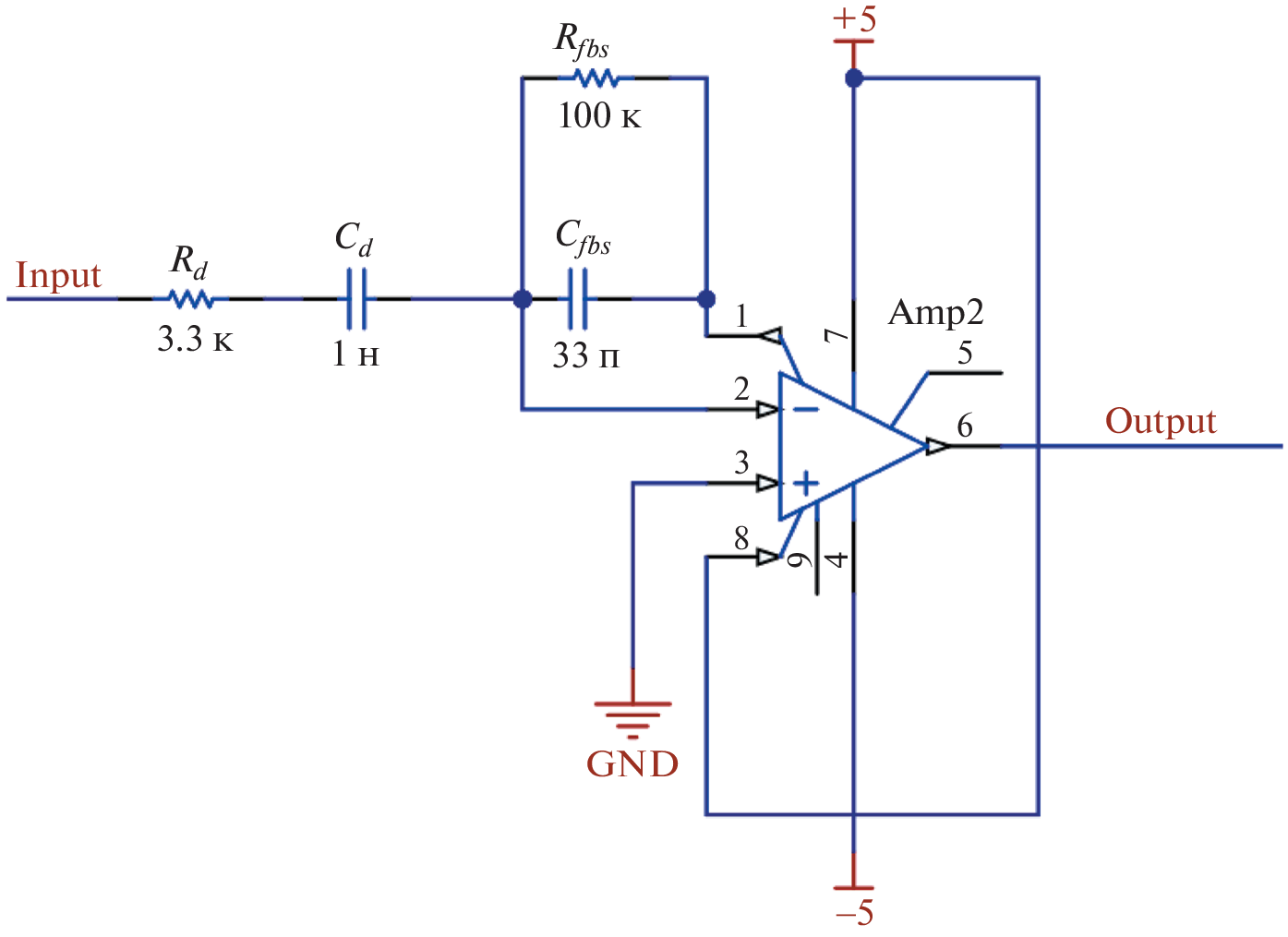
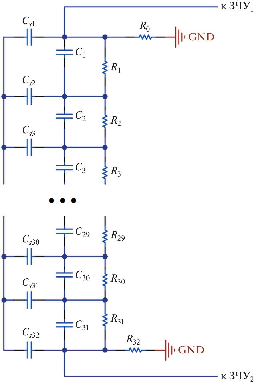
The article considers an electronic circuit that, in some cases, makes it possible to significantly reduce the number of readout channels in a silicon coordinate detector based on a matrix of p–i–n structures (strip- or pad-type) without a loss in the coordinate measurement accuracy. The electronic circuit is a chain of external capacitors that connect the structures of the detector. When one of the structures is hit, a signal propagates along the chain of capacitors of the capacitive divider to the nearest readout channels and it is possible to determine the original number of the hit structure by the change in the signal value. The proposed circuit was mathematically simulated for typical parameters of the detector and readout electronics. The mathematical model allowed us to optimize the circuit parameters depending on the parameters of the detector and readout electronics. The simulation results are confirmed by experimental measurements on several prototypes of the device. It is shown that, in certain application cases, when a detector signal is high enough, e.g., when nuclei with Z > 6 are registered, one can achieve, by using standard low-noise operational amplifiers, the accurate recovery of the number of the hit structure in the chain consisting of at least 30 structures by reading only two extreme structures.
About the authors
A. V. Gorbunov
Moscow State University, Skobeltsyn Institute of Nuclear Physics
Email: gorbunov.av18@physics.msu.ru
119991, Moscow, Russia
D. E. Karmanov
Moscow State University, Skobeltsyn Institute of Nuclear Physics
Author for correspondence.
Email: gorbunov.av18@physics.msu.ru
119991, Moscow, Russia
References
- Сандуковский В.Г., Савельев В.И. // Физика элементарных частиц и атомного ядра. 1991. Т. 22. Вып. 6. С. 1347.
- Laegsgaard E. // Nucl. Instrum. and Methods. 1979. T. 162. № 1–3. C. 93. https://doi.org/10.1016/0029-554X(79)90708-0
- England J., Hyams B., Hubbeling L., Vermeulen J., Weilhammer P. // Nucl. Instrum. and Methods in Phys. Res. 1981. T. 185. №. 1–3. P. 43. https://doi.org/10.1016/0029-554X(81)91192-7
- Башинджагян Г.Л., Короткова Н.А. // ПТЭ. 2006. № 3. С. 27.
- D0 Collaboration. Abazov V.M. et al. // Nucl. Instrum. And Methods. 2006. V. A565. P. 463. https://doi.org/10.1016/j.nima.2006.05.248
- Lutz G. Semiconductor radiation detectors. Berlin: Springer, 1999. https://doi.org/10.1007/978-3-540-71679-2
- Воронин А., Елин В., Кудряшов И., Меркин М. // Электроника: Наука, технология, бизнес. 2016. № 3. С. 54.
- Акимов Ю.К., Игнатьев О.В., Калинин А.И., Кушнирук В.Ф. Полупроводниковые детекторы в экспериментальной физике. М.: Энергоатомиздат, 1989.
Supplementary files




















