МАЛОГАБАРИТНЫЙ ИМПУЛЬСНЫЙ МАГНЕТРОННЫЙ ГЕНЕРАТОР СВЧ НА ОСНОВЕ ТВЕРДОТЕЛЬНОГО КОММУТАТОРА
- Авторы: Буркин Е.Ю.1, Свиридов В.В.1, Чумерин П.Ю.1
-
Учреждения:
- Национальный исследовательский Томский политехнический университет
- Выпуск: № 1 (2023)
- Страницы: 66-73
- Раздел: ЭЛЕКТРОНИКА И РАДИОТЕХНИКА
- URL: https://medbiosci.ru/0032-8162/article/view/138284
- DOI: https://doi.org/10.31857/S0032816223010081
- EDN: https://elibrary.ru/JSDTTJ
- ID: 138284
Цитировать
Полный текст
Аннотация
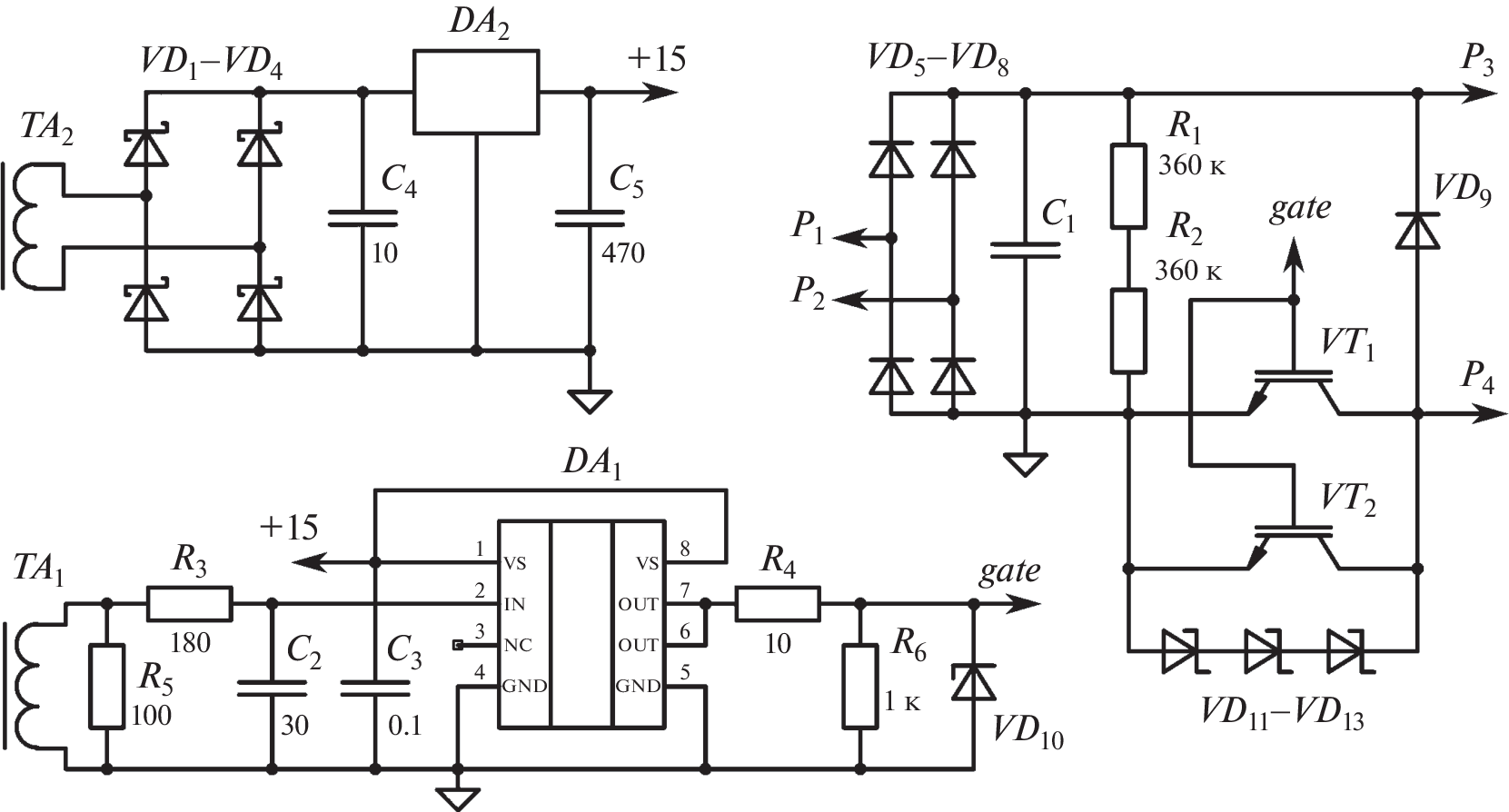
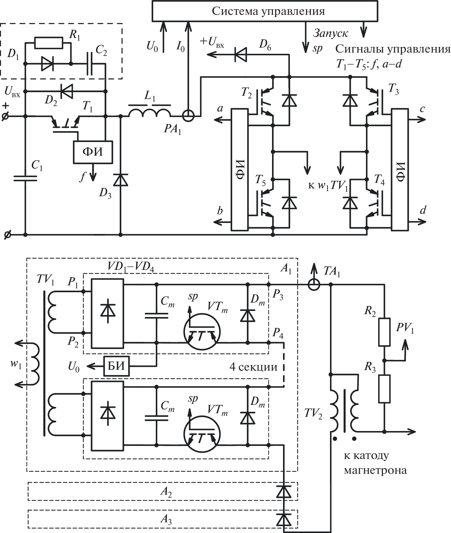
Описана импульсная магнетронная система, генерирующая высокоэнергетические СВЧ-импульсы с частотой 400 Гц и средней мощностью 0.5 кВт. Для формирования импульса тока магнетрона использована схема с 12-ю идентичными транзисторными модулями с рабочим напряжением 800 В, которые на интервале импульса подключаются последовательно к первичной обмотке высоковольтного импульсного трансформатора с коэффициентом трансформации, равным 3.5. Таким образом формируется импульс напряжения с амплитудой до 26 кВ, током 25 А с регулируемой длительностью 100–500 нс. Представлены экспериментальные данные работы системы на импульсный СВЧ-магнетрон и эквивалент нагрузки.
Об авторах
Е. Ю. Буркин
Национальный исследовательский Томский политехнический университет
Email: burkin@mail.ru
Россия, 634050, Томск, просп. Ленина, 30
В. В. Свиридов
Национальный исследовательский Томский политехнический университет
Email: burkin@mail.ru
Россия, 634050, Томск, просп. Ленина, 30
П. Ю. Чумерин
Национальный исследовательский Томский политехнический университет
Автор, ответственный за переписку.
Email: burkin@mail.ru
Россия, 634050, Томск, просп. Ленина, 30
Список литературы
- Fink D.A., Torti R., Reinhardt N., Gaudreau M.P.J., Mansfield F. // IEEE Trans. Magn. 2009. V. 45. Iss. 1. P. 282. https://doi.org/10.1109/TMAG.2008.2008604
- Jong-Hyun Kim, Byung-Duk Min, Shenderey S.V., Geun-Hie Rim // IEEE Trans. on Dielectrics and Electrical Insulation. 2007. V. 14. Iss. 4. P. 921. https://doi.org/10.1109/TDEI.2007.4286526
- Heuijin Lim, Dong Hyeok Jeong, Manwoo Lee, Sung Chae Ro // IEEE Trans. on Plasma Science. 2017. V. 45. Iss. 10. P. 2734. https://doi.org/10.1109/TPS.2017.2749504
- Xia Wang, Qinghua Huang, Lin Xiong, Le Xu, Qiang Chen, Qing Xiong // IEEE Trans. on Plasma Science. 2018. V. 46. Iss. 6. P. 2072. https://doi.org/10.1109/TPS.2018.2837021
- Визирь В.А., Иванов С.В., Ковальчук Б.М., Манылов В.И., Шубкин Н.Г., Червяков В.В., Юрьев В.В., Бутаков Л.Д., Толмачев В.И. // ПТЭ. 2004. № 4. С. 53.
- Буркин Е.Ю., Свиридов В.В., Чумерин П.Ю. // ПТЭ. 2021. № 3. С. 34. https://doi.org/10.31857/S0032816221030174
Дополнительные файлы









