Dynamic Characteristics of Active Two-Loop Vibration Protection Devices with Suppressed Resonance of the Carrier Plate
- Authors: Tregubenko A.A.1, Melik-Shakhnazarov V.A.1, Strelov V.I.1, Bezbakh I.Z.1
-
Affiliations:
- Federal Research Center Crystallography and Photonics, Russian Academy of Sciences
- Issue: No 2 (2023)
- Pages: 137-143
- Section: ЛАБОРАТОРНАЯ ТЕХНИКА
- URL: https://medbiosci.ru/0032-8162/article/view/138347
- DOI: https://doi.org/10.31857/S0032816223010251
- EDN: https://elibrary.ru/PWGXDQ
- ID: 138347
Cite item
Full Text
Abstract
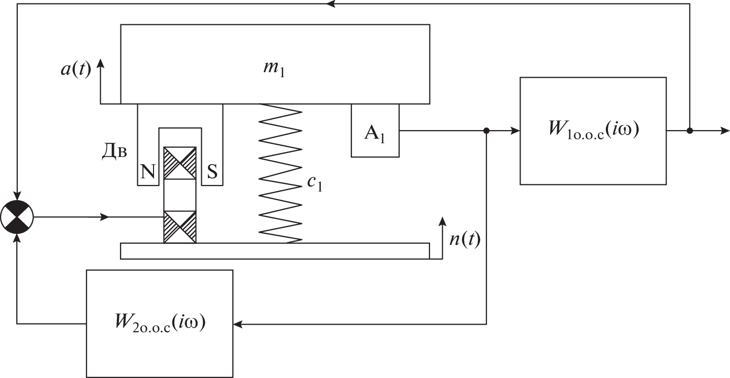
The dynamic characteristics of active vibration protection devices, consisting of a carrier plate (mounted on elastic supports), a symmetrical group of accelerometers, service-propulsion devices, and electrical circuits that separately control six vibration modes of the plate, are studied. The system is characterized by a phase reduction of 180° in the field of mechanical resonance of the slab and the same phase decrease caused by the electromechanical resonance of the service propulsors. In order to ensure that phase limitations do not reduce the efficiency of the device (the width of the active frequency range, the transmission coefficient of vibrations), two-loop control circuits have been developed that suppress the resonance of the carrier plate. Such devices achieve the following parameters: noise transmission coefficient ≈–60 dB, active frequency range 0.2–400 Hz for terrestrial laboratory/shop applications and 0.02–200 Hz for spacecraft applications.
About the authors
A. A. Tregubenko
Federal Research Center Crystallography and Photonics, Russian Academy of Sciences
Email: kmikran@spark-mail.ru
119333, Moscow, Russia
V. A. Melik-Shakhnazarov
Federal Research Center Crystallography and Photonics, Russian Academy of Sciences
Email: kmikran@spark-mail.ru
119333, Moscow, Russia
V. I. Strelov
Federal Research Center Crystallography and Photonics, Russian Academy of Sciences
Email: kmikran@spark-mail.ru
119333, Moscow, Russia
I. Zh. Bezbakh
Federal Research Center Crystallography and Photonics, Russian Academy of Sciences
Author for correspondence.
Email: kmikran@spark-mail.ru
119333, Moscow, Russia
References
- Active Vibration Control. https://www.herzan.com/products/active-vibration-control.html
- Мелик-Шахназаров В.А., Стрелов В.И., Софиянчук Д.В., Безбах И.Ж. // Письма в ЖТФ. 2012. Т. 38. № 6. С. 61.
- Мелик-Шахназаров В.А., Стрелов В.И., Софиянчук Д.В., Безбах И.Ж. // Научное приборостроение. 2012. Т. 22. № 3. С. 46.
- Митрофанов Ю., Пикерсгиль А. // Радио. 1970. № 5. С. 25.
- Эфрусси М. // Радио. 1974. № 7. С. 32.
- Мелик-Шахназаров В.А., Стрелов В.И., Софиянчук Д.В., Трегубенко А.А. // Инженерная физика. 2017. № 2. С. 20.
- Дорф Р., Бишоп Р. Современные системы управления / Пер. с англ. М.: Лаборатория базовых знаний, 2002.
- Основы автоматического управления / Под ред. В.М. Пономарева, А.П. Литвинова. М.: Высшая школа, 1974.
- Первозванский А.А. Курс теории автоматического управления. М.: Наука, 1986.
Supplementary files







