Studying the Operation of Silicon Photomultiplier Matrices at Cryogenic Temperatures
- Authors: Bondar A.E.1,2, Borisova E.O.1,2, Buzulutskov A.F.1,2, Nosov V.V.1,2, Oleynikov V.P.1,2, Sokolov A.V.1,2, Frolov E.A.1,2
-
Affiliations:
- Budker Institute of Nuclear Physics, Siberian Branch, Russian Academy of Sciences
- Novosibirsk State University
- Issue: No 4 (2023)
- Pages: 21-35
- Section: ТЕХНИКА ЯДЕРНОГО ЭКСПЕРИМЕНТА
- URL: https://medbiosci.ru/0032-8162/article/view/138410
- DOI: https://doi.org/10.31857/S0032816223030035
- EDN: https://elibrary.ru/IRHOGC
- ID: 138410
Cite item
Full Text
Abstract
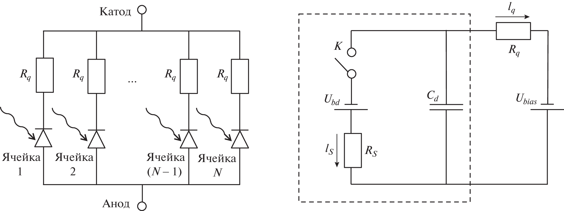
The performance of MPPC 13360-6050PE SiPM matrices with parallel and series connections of elements under conditions of an experiment with a two-phase detector has been investigated, and theoretical calculations of the signal characteristics have been performed for these matrices. It is shown that the signal duration does not change with a high accuracy when SiPMs are connected in series but increases with the number of SiPMs in the matrix when SiPMs are connected in parallel. Within the measurement accuracy, the integral amplitude of the signal does not depend on the number of elements in a matrix in case of the parallel connection. For the series connection, the expected decrease in the amplitude is observed, and this decrease is inversely proportional to the number of elements in the matrix. Based on the results of this study, an SiPM matrix consisting of four parallel-connected elements has been selected for further use in a two-phase cryogenic dark-matter detector since reliable detection of single-photoelectron pulses by this matrix has been demonstrated at an acceptable signal duration.
About the authors
A. E. Bondar
Budker Institute of Nuclear Physics, Siberian Branch, Russian Academy of Sciences; Novosibirsk State University
Email: E.O.Shemyakina@inp.nsk.su
630090, Novosibirsk, Russia; 630090, Novosibirsk, Russia
E. O. Borisova
Budker Institute of Nuclear Physics, Siberian Branch, Russian Academy of Sciences; Novosibirsk State University
Email: E.O.Shemyakina@inp.nsk.su
630090, Novosibirsk, Russia; 630090, Novosibirsk, Russia
A. F. Buzulutskov
Budker Institute of Nuclear Physics, Siberian Branch, Russian Academy of Sciences; Novosibirsk State University
Email: E.O.Shemyakina@inp.nsk.su
630090, Novosibirsk, Russia; 630090, Novosibirsk, Russia
V. V. Nosov
Budker Institute of Nuclear Physics, Siberian Branch, Russian Academy of Sciences; Novosibirsk State University
Email: E.O.Shemyakina@inp.nsk.su
630090, Novosibirsk, Russia; 630090, Novosibirsk, Russia
V. P. Oleynikov
Budker Institute of Nuclear Physics, Siberian Branch, Russian Academy of Sciences; Novosibirsk State University
Email: E.O.Shemyakina@inp.nsk.su
630090, Novosibirsk, Russia; 630090, Novosibirsk, Russia
A. V. Sokolov
Budker Institute of Nuclear Physics, Siberian Branch, Russian Academy of Sciences; Novosibirsk State University
Email: E.O.Shemyakina@inp.nsk.su
630090, Novosibirsk, Russia; 630090, Novosibirsk, Russia
E. A. Frolov
Budker Institute of Nuclear Physics, Siberian Branch, Russian Academy of Sciences; Novosibirsk State University
Author for correspondence.
Email: E.O.Shemyakina@inp.nsk.su
630090, Novosibirsk, Russia; 630090, Novosibirsk, Russia
References
- Akimov D.Y., Bolozdynya A.I., Buzulutskov A.F., Chepel V. Two-phase Emission Detectors. World Scientific, 2021. P. 1.332. https://doi.org/10.1142/12126
- Chepel V., Araujo H. // JINST. 2013. V. 8. P. R04001. https://doi.org/10.1088/1748-0221/8/04/R04001
- Arcadi G., Dutra M., Ghosh P., Lindner M., Mambrini M., Pierre M., Profumo S., Queiroz F. S. // Eur. Phys. J. C. 2018. V. 78. P. 203. https://doi.org/10.1140/epjc/s10052-018-5662-y
- DarkSide Collaboration. Aalseth C.E. et al. // Eur. Phys. J. Plus. 2018. V. 133. P. 129. https://doi.org/10.1140/epjp/i2018-11973-4
- DarkSide Collaboration. Aalseth C.E. et al. // Eur. Phys. J. C. 2021. V. 81. P. 163. https://doi.org/10.1140/epjc/s10052-020-08801-2
- Baudis L., Galloway M., Kish A., Marentini C., and Wulf J. // JINST. 2018. V. 13. P. 10022. https://doi.org/10.1088/1748-0221/13/10/P10022
- Acerbi F., Paternoster G., Capasso M., Marcante M., Mazzi A., Regazzoni V., Zorzi N., Gola A. // Instruments. 2019. V. 3. P. 15. https://doi.org/10.3390/instruments3010015
- Yamamoto K., Nagano T., Yamada R., Ito T., Ohashi Y. // JPS Conference Proceedings. 2019. V. 27. P. 011001. https://doi.org/10.7566/JPSCP.27.011001
- Garutti E. // JINST. 2011. V. 6. P. C10003. https://doi.org/10.1088/1748-0221/6/10/C10003
- Anderhub H., Backes M., Biland A., Boccone V., Braun I., Bretz T., Bu J., Cadoux F., Commichau V., Djambazov L., Dorner D., Einecke S., Eisenacher D., Gendotti A., Grimm O. et al. // JINST. 2013. V. 8. P. P06008. https://doi.org/10.1088/1748-0221/8/06/P06008
- Mora A.D., Martinenghi E., Contini D., Tosi A., Boso G., Durduran T., Arridge S., Martelli F., Farina A., Torricelli A., Pifferi A. // Optics Express. 2015. V. 23(11). P. 13937. https://doi.org/10.1364/OE.23.013937
- Modi M.N., Daie K., Turner G.C., Podgorski K. // Optics Express. 2019. V. 27(24). P. 35830. https://doi.org/10.1364/OE.27.035830
- Otte A.N., Barral J., Dolgoshein B., Hose J., Klemin S., Lorenz E., Mirzoyan R., Popova E., and Teshima M. // Nucl. Instrum. and Methods. A. 2005. V. 545(3) P. 705. https://doi.org/10.1016/j.nima.2005.02.014
- Renker D. // Nucl. Instrum. and Methods. A. 2006. V. 567. P. 48. https://doi.org/10.1016/j.nima.2006.05.060
- Ozaki K., Kazama S., Yamashita M., Itow Y. and Moriyama S. // JINST. 2021. V. 16. P. P03014. https://doi.org/10.1088/1748-0221/16/03/P03014
- Cervi T., Babicz M.E., Bonesini M., Falcone A., Kose U., Nessi M., Menegolli A., Pietropaolo F., Raselli G.L., Rossella, M. Torti M., Zani A. // JINST. 2017. V. 12. P. C03007. https://doi.org/10.1088/1748-0221/12/03/C03007
- D’Incecco M., Galbiati C., Giovanetti G.K., Korga G., Li X. Mandarano A., Razeto A., Sablone D., Savarese C. // IEEE Trans. on Nucl. Science. 2017. V. 65. P. 591. https://doi.org/10.1109/TNS.2017.2774779
- Bondar A., Buzulutskov A., Dolgov A., Shemyakina E., Sokolov A. // JINST. 2015. V. 10. P04013. https://doi.org/10.1088/1748-0221/10/04/P04013
- Bondar A., Buzulutskov A., Dolgov A., Shekhtman L., Shemyakina E., Sokolov A., Breskin A., Thers D. // JINST. 2014. V. 9. P. P08006. https://doi.org/10.1088/1748-0221/9/08/P08006
- Popova E.V., Buzhan P.Zh., Stifutkin A.A., Ilyin A.L., Mavritskii O.B., Egorov A.N., Nastulyavichius A.A. // Journal of Physics: Conference Series. 2016. V. 737. P. 012041. https://doi.org/10.1088/1742-6596/737/1/012041
- Cova S., Ghioni M., Lacaita A., Samori C., Zappa F. // Applied Optics. 1996. V. 35. No. 12. P. 1956. https://doi.org/10.1364/AO.35.001956
- https://hub.hamamatsu.com/us/en/technical-notes/mppc-sipms/what-is-an-SiPM-and-how-does-it-work.html
- https://www.hamamatsu.com/
- Bondar A., Buzulutskov A., Grebenuk A., Pavlyuchenko D., Snopkov R., Tikhonov Y., Kudryavtsev V.A., Lightfoot P.K., Spooner N.J.C. // Nucl. Instrum. and Methods. A. 2007. V. 574. P. 493. https://doi.org/10.1016/j.nima.2007.01.090
- Bondar A., Buzulutskov A., Dolgov A., Nosov V., Shekhtman L., Shemyakina E., Sokolov A. // Europhysics Letters. 2015. V. 112. P. 19001. https://doi.org/10.1209/0295-5075/112/19001
- Bondar A., Borisova E., Buzulutskov A., Frolov E., Sokolov A. // JINST. 2020. V. 15. P. C06064. https://doi.org/10.1088/1748-0221/15/06/C06064
- Buzulutskov A., Frolov E., Borisova E., Nosov V., Oleynikov V., Sokolov A. // Eur. Phys. J. C. 2022. V. 82. P. 839. https://doi.org/10.1140/epjc/s10052-022-10792-1
- Aalseth C.E., Abdelhakim S., Agnes P., Ajaj R., Albuquerque I.F.M., Alexander T., Alici A., Alton A.K., Amaudruz P., Ameli F., Anstey J., Antonioli P., Arba M., Arcelli S., Ardito R. et al. // Eur. Phys. J. C. 2021. V. 81. P. 153. https://doi.org/10.1140/epjc/s10052-020-08801-2
- Rosado J., Hidalgo S. // JINST. 2015. V. 10. P. P10031. https://doi.org/10.1088/1748-0221/10/10/P10031
- Horowitz P., Hill W. The art of electronics. 3rd edition. Cambridge University Press, 2015. Chapters 8.5.7. P. 497−499 и 8.11.3. P. 538−539.
- Bondar A., Buzulutskov A., Grebenuk A., Sokolov A., Akimov D., Alexandrov I. and Breskin A. // JINST. 2010. V. 5. P. P08002. https://doi.org/10.1088/1748-0221/5/08/p08002
- Collazuol G. // The 15th Vienna Conference on Instrumentation VCI-2019. 18–22 Feb 2019. Vienna University of Technology. P 86, https://indi.to/DyMp5
- Cervi T., Babicz M., Bonesini M., Falcone A., Menegolli A., Raselli G.L., Rossella M., Torti M. // Nucl. Instrum. and Methods. A. 2018. V. 912 P. 209. https://doi.org/10.1016/j.nima.2017.11.038
Supplementary files
















