Dynistor Switch of Powerful Nanosecond Pulses
- Authors: Korotkov S.V.1, Aristov Y.V.1, Kozlov K.A.1
-
Affiliations:
- Ioffe Physicotechnical Institute, Russian Academy of Sciences
- Issue: No 4 (2023)
- Pages: 70-73
- Section: ЭЛЕКТРОНИКА И РАДИОТЕХНИКА
- URL: https://medbiosci.ru/0032-8162/article/view/138424
- DOI: https://doi.org/10.31857/S0032816223040134
- EDN: https://elibrary.ru/RBDVWO
- ID: 138424
Cite item
Full Text
Abstract
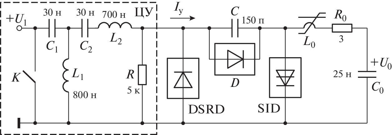
A powerful switch based on a block of shock-ionized dynistors is described, which has an operating voltage of 16 kV and is capable of switching nanosecond current pulses with an amplitude of ~3 kA at a frequency of 300 Hz. The results of computer simulation of the process of its switching are given, and the prospects for increasing the switched power are determined.
About the authors
S. V. Korotkov
Ioffe Physicotechnical Institute, Russian Academy of Sciences
Email: korotkov@mail.ioffe.ru
194021, St. Petersburg, Russia
Yu. V. Aristov
Ioffe Physicotechnical Institute, Russian Academy of Sciences
Email: korotkov@mail.ioffe.ru
194021, St. Petersburg, Russia
K. A. Kozlov
Ioffe Physicotechnical Institute, Russian Academy of Sciences
Author for correspondence.
Email: korotkov@mail.ioffe.ru
194021, St. Petersburg, Russia
References
- Efanov V.M., Kardo-Sysoev A.F., Tchashnikov I.G., Yarin P.M. // Proc. of 1996 International Power Modulator Symposium. FL, USA, Boca Raton, 1996. P. 22. https://doi.org/10.1109/MODSYM.1996.564440
- Grekhov I., Korotkov S., Rodin S. // IEEE Trans. on Plasma Science. 2008. V. 36. № 2. Part 1. P. 3782. https://doi.org/10.1109/TPS.2008.918661
- Gusev A.I., Lyubutin S.K., Rukin S.N., Tsyranov S.N. // IEEE Trans. on Plasma Science. 2016. V. 44. № 10. Part 1. P. 1888. https://doi.org/10.1109/TPS.2016.2542343
- Grekhov I., Kardo-Sysoev A. // Soviet Technical Physics Letters. 1979. V. 5. № 8. P. 395.
- Коротков С.В., Аристов Ю.В., Воронков В.Б. // ПТЭ. 2019. № 2. С. 24. https://doi.org/10.1134/S0032816219010130
- Коротков С.В., Аристов Ю.В., Жмодиков А.Л., Коротков Д.А. // ПТЭ. 2020. № 5. С. 75. https://doi.org/10.31857/S0032816220050171
- Korotkov S.V., Aristov Yu.V., Korotkov D.A., Zhmodikov A.L. // Review of Scientific Instruments. 2020. V. 91. Art. 084704. https://doi.org/10.1063/5.0015284
- Коротков С.В., Аристов Ю.В., Коротков Д.А. // ПТЭ. 2022. № 5. С. 70. https://doi.org/10.31857/S003281622205007X
- Grekhov I., Efanov V., Kardo-Sysoev A., Shenderey S. // Solid State Electronics. 1985. V. 28. № 6. P. 597. https://doi.org/10.1016/0038-1101(85)90130-3
- Korotkov S., Aristov Yu., Zhmodikov A. // IEEE Trans. on Plasma Science. 2022. V. 50. № 4. P. 954. https://doi.org/10.1109/TPS.2022.3156386J
- Sanders J., Kuthi A., Gundersen M.A., Moore W.H. Patent No. US 8, 115, 343 B2. 2012.
- Грехов И.В., Жмодиков А.Л., Коротков С.В., Прижимнов С.Г., Фоменко Ю.Л. // ПТЭ. 2016. № 3. С. 32. https://doi.org/10.1134/S0020441216020202
Supplementary files







