Investigation of the Operation of the Flight Detector of High-Speed Charged Microparticles for a Time-of-Flight Mass Spectrometer
- Authors: Voronov K.E.1, Piyakov I.V.1, Kalaev M.P.1, Telegin A.M.1
-
Affiliations:
- Korolev Samara National Research University (Samara University)
- Issue: No 6 (2023)
- Pages: 135-141
- Section: ФИЗИЧЕСКИЕ ПРИБОРЫ ДЛЯ ЭКОЛОГИИ, МЕДИЦИНЫ, БИОЛОГИИ
- URL: https://medbiosci.ru/0032-8162/article/view/233271
- DOI: https://doi.org/10.31857/S0032816223040183
- EDN: https://elibrary.ru/RBNSPE
- ID: 233271
Cite item
Full Text
Abstract
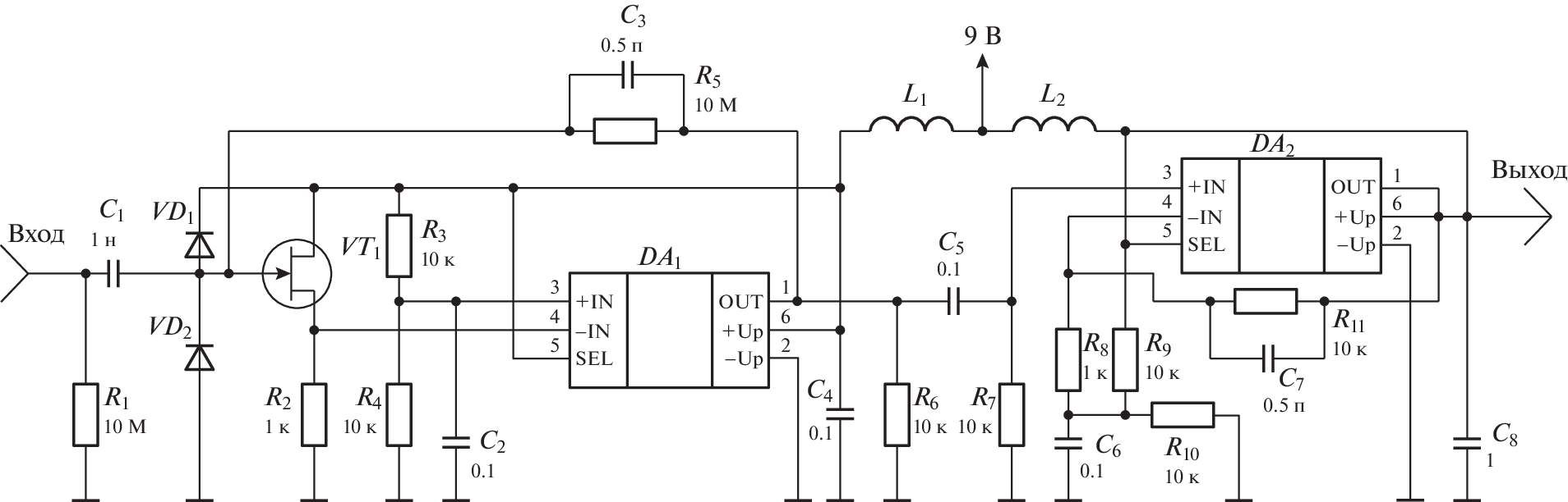
The paper considers various designs of detectors for the passage of charged microparticles, which can be installed on mass spectrometers in order to record the moment of passage of a microparticle and initiate the measurement process. The largest range of recorded masses and velocities was shown by the detector design, made on the basis of a dielectric base (PLA plastic) using a 3D printer and a nichrome filament.
About the authors
K. E. Voronov
Korolev Samara National Research University (Samara University)
Email: talex85@mail.ru
443086, Samara, Russia
I. V. Piyakov
Korolev Samara National Research University (Samara University)
Email: talex85@mail.ru
443086, Samara, Russia
M. P. Kalaev
Korolev Samara National Research University (Samara University)
Email: talex85@mail.ru
443086, Samara, Russia
A. M. Telegin
Korolev Samara National Research University (Samara University)
Author for correspondence.
Email: talex85@mail.ru
443086, Samara, Russia
References
- Auer S., Grün E., Kempf S., Srama R., Srowig A., Sternovsky Z., Tschernjawski V. // Review of scientific instruments 2008. V. 79. Art. № 084501. https://doi.org/10.1063/1.2960566
- Xie J., Sternovsky Z., Auerd S., Drake K., Grün E., Horanyi M., Le H., Srama R. // Planetary and Space Science. 2013. V. 89. P. 63. https://doi.org/10.1016/j.pss.2013.01.004
- Пияков А.В., Телегин А.М. // ПТЭ. 2022. № 4. С. 106. https://doi.org/10.31857/S0032816222040243
- Auer S. // Rev. Sci. Instrum. 1975. V. 46. № 2. P. 127. https://doi.org/10.1063/1.1134155
- Auer S., Grün E., Srama R., Kemp S., Auera R. // Planetary and Space Science. 2022. V. 50. P. 773. https://doi.org/10.1016/S0032-0633(02)00019-3
- Li Y., Kempf S., Simolka J., Strack H., Grün E., Srama R. // Advances in Space Research. 2017. V. 59. P. 1636. https://doi.org/10.1016/j.asr.2016.12.037
- Пияков И.В., Калаев М.П., Сухачев К.И., Воронов К.Е., Телегин А.М. // ПТЭ. 2020. № 6. С. 83. https://doi.org/10.31857/S0032816220060154
- Воронов К.Е., Телегин А.М., Рязанов Д.М. // Прикладная физика. 2021. № 4. С. 73. https://doi.org/10.51368/1996-0948-2021-4-73-80
- Фельд Я.Н. // Докл. АН СССР. 1953. Т. 93. № 3. С. 447.
- Герштейн Г.М. Моделирование полей методом электростатической индукции.М.: Наука, 1970.
- Телегин А.М. // Инженерная физика. 2021. № 9. С. 27.
- Иновенков А.Н., Константинов О.В., Пирогов В.И. // ЖТФ. 1993. Т. 63. № 9. С. 1.
- Поклонский Н.А., Вырко С.А., Кочерженко А.А. // ЖТФ. 2004. Т. 74. № 11. С. 75.
- Семкин Н.Д., Пияков А.В., Воронов К.Е., Богоявленский Н.Л., Горюнов Д.В. // ПТЭ. 2007. № 2. С. 140.
Supplementary files










