Installation for Determining the Contact Electrical Resistance of High-Temperature Materials
- Authors: Kostanovsky A.V.1, Zeodinov M.G.1, Pronkin A.A.2, Kostanovskaya M.E.2
-
Affiliations:
- Joint Institute for High Temperatures, Russian Academy of Sciences
- Joint Institute for High Temperatures, Russian Academy of Sciences (JIHT RAS)
- Issue: No 6 (2023)
- Pages: 181-188
- Section: ЛАБОРАТОРНАЯ ТЕХНИКА
- URL: https://medbiosci.ru/0032-8162/article/view/233278
- DOI: https://doi.org/10.31857/S0032816223050300
- EDN: https://elibrary.ru/LDRYZC
- ID: 233278
Cite item
Full Text
Abstract
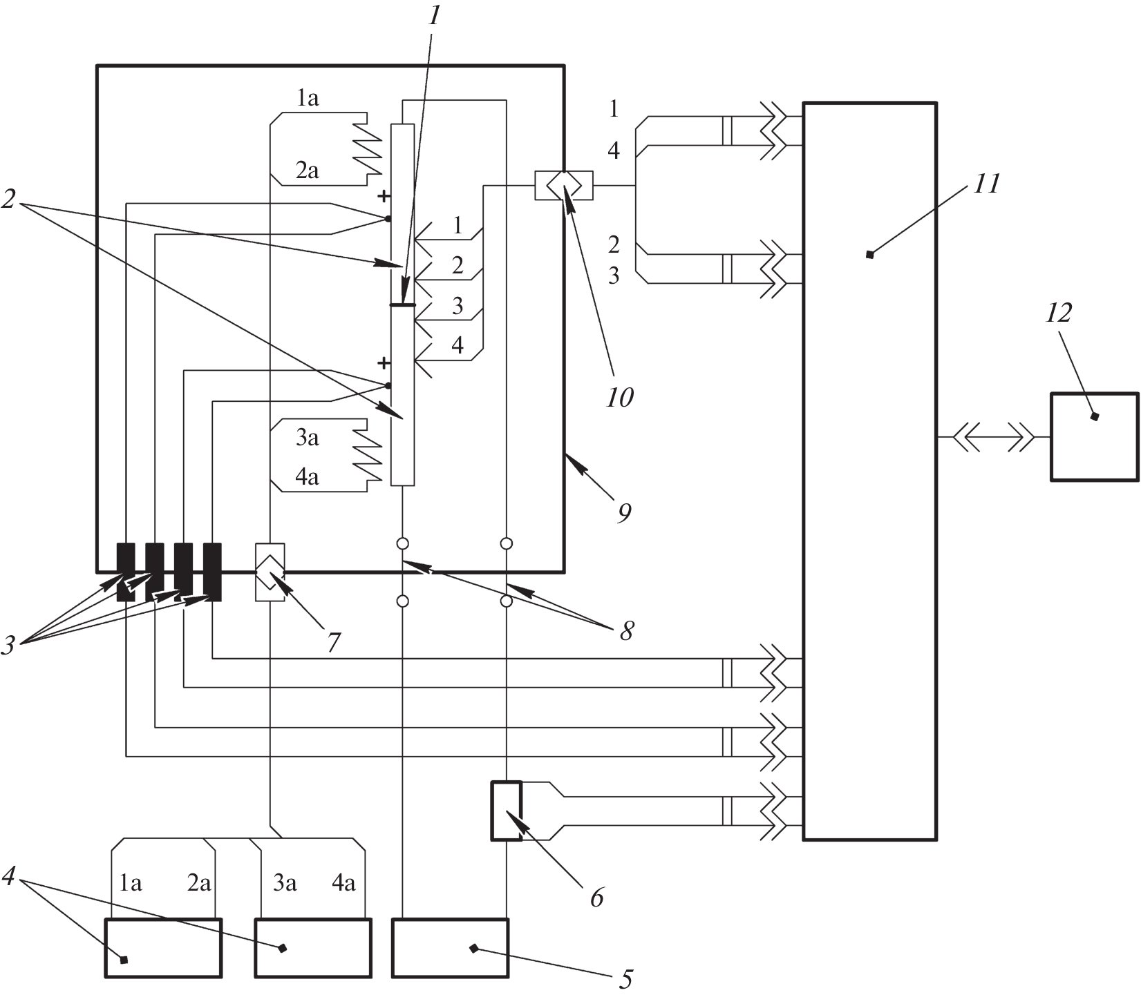
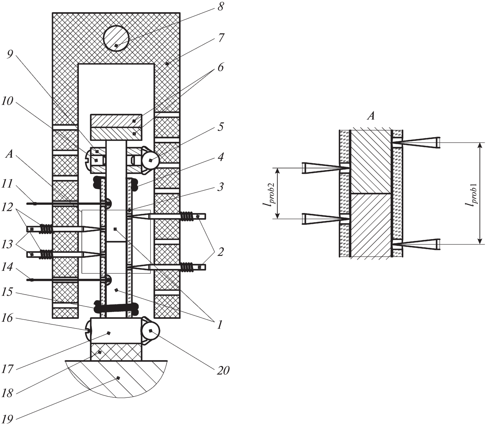
A setup for determining the contact electrical resistance measured using two surface point potential probes installed at the same distance from the contact surface is described. The total number of paired probes located at different distances from the contact surface is four. The reference temperature range is 380–1500 K. Measurements can be performed in vacuum and in air. The setup allows one to investigate the contact resistance at a direct current, which may vary from 20 to 120 A. The first test experiments have shown that changing the current polarity does not affect the current–voltage characteristic measured on a monolithic sample or on a sample with one fixed contact surface.
About the authors
A. V. Kostanovsky
Joint Institute for High Temperatures, Russian Academy of Sciences
Email: shatskih_jv@mail.ru
Moscow, Russia
M. G. Zeodinov
Joint Institute for High Temperatures, Russian Academy of Sciences
Email: shatskih_jv@mail.ru
Moscow, Russia
A. A. Pronkin
Joint Institute for High Temperatures, Russian Academy of Sciences (JIHT RAS)
Email: mz64@mail.ru
Moscow, Russia
M. E. Kostanovskaya
Joint Institute for High Temperatures, Russian Academy of Sciences (JIHT RAS)
Author for correspondence.
Email: mz64@mail.ru
Moscow, Russia
References
- Хольм Р. Электрические контакты. М.: Иностранная литература, 1961.
- Чунихин А.А. Электрические аппараты. М.: Энергоатомиздат, 1988.
- Braunović M., Konchits V.V., Myshkin N.K. Fundamentals of Electrical Contacts. Part I. 6000 Broken Sound Parkway NW, Suite 300. CRC Press Taylor & Francis Group LLC, 2006. https://doi.org/10.1201/9780849391088
- Мышкин Н.К., Кончиц В.В., Браунович М. Электрические контакты. Долгопрудный: Издательский дом “Интелектˮ, 2008.
- Лутков А.И. Тепловые и электрические свойства углеродных материалов. М.: Металлургия, 1990. С. 176.
- Song Q., Zhang W., Bay N. // Welding Journal. 2005. V. 84. № 5. P. 73-s.
- Pradille C., Bay F., Mocellin K. // 2010 Proc. of the 56th IEEE Holm Conference on Electrical Contacts. Charleston, USA, 2010. P. 1. https://doi.org/10.1109/HOLM.2010.5619522
- Карвацкий А.Я, Пулинец С.В., Лазарев Т.В., Педченко А.Ю. // Восточно-европейский журнал передовых технологий. 2014. Т. 71. № 5. С. 45.
- Зеодинов М.Г., Костановский А.В., Костановская М.Е., Пронкин А.А. // ТВТ. 2022. Т. 60. № 4. С. 519. https://doi.org/10.31857/S0040364422040081
- Радыш Л.Н., Полумиенко К.К., Еременчук Л.М., Музиченко А.Д. А.с. № 156241 СССР // Опубл. 1963.
- Коросько Н.М., Лернер Ю.Н. А.с. № 455297 СССР // Опубл. 24.03.1973.
- Согомонов Э.Р., Баулин Ю.Н. А.с. № 917126 СССР // Опубл. 1982.
- Пахомов Е.П., Сурков Г.М., Тихонов П.А., Черны-шов Г.П. // ТВТ. 1990. Т. 28. № 2. С. 34.
- Rasor N.S., McClelland J.D. // The Rev. of Science Instruments. 1960. V. 31. №. 6 P. 595.
- Гмурман В.Е. Теория вероятностей и математическая статистика. М.: Высшая школа, 2001.
- Соседов В.П. Свойства конструкционных материалов на основе углерода. М.: Металлургия, 1975.
Supplementary files







