Аппаратура для исследования истечения струй жидкостей из сопел субмиллиметрового диаметра в разреженную среду
- Authors: Яскин А.С.1, Зарвин A.Е.1,2, Каляда В.В.1, Дубровин К.А.1,2, Художитков В.Э.1,2
-
Affiliations:
- Новосибирский государственный университет
- Институт теоретической и прикладной механики им. С.А. Христиановича Сибирского отделения Российской академии наук
- Issue: No 2 (2024)
- Pages: 200–205
- Section: ЛАБОРАТОРНАЯ ТЕХНИКА
- URL: https://medbiosci.ru/0032-8162/article/view/266157
- DOI: https://doi.org/10.31857/S0032816224020258
- EDN: https://elibrary.ru/QREPLN
- ID: 266157
Cite item
Full Text
Abstract
Представлена аппаратура для исследования формирования струй летучих жидкостей в разреженной среде. Аппаратура создана на базе газодинамической установки с высокой производительностью откачки, предназначенной для исследования сверхзвуковых течений газа. Приведены описание и результаты испытаний аппаратуры и проверки методик фото- и видеофиксации соплового истечения этанола для изучения формы и структуры струй жидкости в различных условиях при длительных режимах истечения из сопел субмиллиметрового диаметра.
Full Text
1. Введение
Истечение жидкости из отверстий и каналов различной формы в вакуум или разреженную среду − распространенный процесс в современной технике [1−9]. Если температура жидкости T0 достаточно высока и давление ее насыщенных паров Ps(T0) гораздо выше давления среды Pb, то истекающая из сопла жидкость оказывается в перегретом состоянии. Истечение перегретой жидкости сопровождается интенсивным фазовым переходом из перегретого (метастабильного) состояния в пар так называемым взрывным вскипанием и образованием неравновесного двухфазного течения [10]. Взрывное вскипание (или мгновенное испарение [11−13]) совместно с поверхностной неустойчивостью определяет распад и форму струйного течения в условиях разрежения.
В литературе описан ряд экспериментальных установок для исследования процессов истечения жидкости в разреженную среду. Из-за высокой интенсивности парообразования основные режимы работы описанных установок – импульсные или непродолжительные. Так, например, в работе [14] эксперименты в разреженной среде с давлением от 200 Па до 100 кПа проводились во время открытия инжекторного клапана с электрическим приводом. Давление в жидкости создавалось азотом, сжатым до давления P0 в диапазоне 0.1−2 МПа, при помощи сильфона, предотвращающего растворение газа в исследуемой жидкости. Импульсный режим в интервале от 10 до 40 мс позволил авторам предотвратить заметное изменение давления в вакуумной камере установки. В работе [11] при исследовании струйных течений в разреженной среде для предотвращения значительного подъема давления в камере расширения использовалась кратковременная подача жидкости в сопло в течение 4 с. В работе [15] из-за ограниченной производительности вакуумного насоса использовался режим мгновенного распыления (10–30 мс) при среднем давлении окружающей среды 5 Па.
В работе [16] нами были продемонстрированы неустойчивость и изменчивость формы длительного течения двухфазных парожидкостных струй, а также случайное появление в них центров парообразования, вызванное неравновесными процессами кипения перегретой жидкости в вакууме. Для изучения таких процессов требуется обеспечить длительное истечение жидкости с сохранением неизменным низкого давления среды.
Целью настоящей работы является описание использования вакуумной газодинамической установки, разработанных аппаратуры и методик визуального контроля, формулирование рекомендаций с целью использования лабораторных вакуумных стендов для исследования струйных течений летучих жидкостей в режиме стационарного истечения в сильно разреженную среду (вакуум).
2. Экспериментальная установка
Для исследования процессов истечения летучих жидкостей в вакуум использовался газодинамический стенд ЛЭМПУС-2 Новосибирского государственного университета [17]. Система вакуумирования стенда, включающая безмасляные форвакуумные, высоковакуумные турбомолекулярные и гелиевые криогенные насосы, обеспечивает высокое разрежение (до 0.1 Па при скорости соплового натекания углекислого газа до 0.2 г/с) в камере расширения объемом около 0.5 м3 и допускает длительное наблюдение процессов стационарного истечения жидкости.
В качестве модельной летучей жидкости выбрана азеотропная смесь этанола (95.6% масс.) с водой (температура кипения 351.15 К), обладающая параметрами (коэффициент поверхностного натяжения, давление насыщенных паров Ps, вязкость и др.), обеспечивающими возможности достижения жидкостью метастабильного состояния и изучения поведения струйного течения летучей жидкости с температурой от 290–350 К в разреженной среде. Кроме того, работа с этанолом, в отличие от экспериментов с водой, не требует длительной дегазации установки по окончании исследования. Поскольку экспериментальная установка систематически используется также для исследований с газовыми потоками, применение в качестве рабочей жидкости воды было отвергнуто из-за необходимости последующих длительных технологических процедур удаления воды из вакуумных систем.
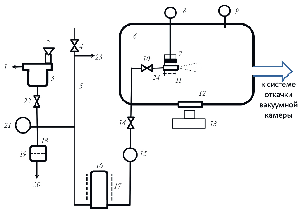
На рис. 1 приведена принципиальная схема проведения экспериментов с жидкостью на газодинамическом стенде. Система подготовки и подачи жидкости в сопло 11, размещенное на координатном устройстве внутри вакуумной камеры 6, включает в себя камеру заливки и дегазации жидкости 3, камеру задания и регулирования давления 18, камеру термостатирования рабочей жидкости 16, а также приборы и оборудование управления подачей жидкости. Для камер системы использованы промышленные конструкции систем водоподготовки. В качестве камеры заливки и дегазации жидкости используется фильтр для воды WHITEWATER MF-1/2, для камеры задания и регулирования давления применяется расширительный бак системы отопления COMFORT ВС-2 с разделительной мембраной, для камеры термостата используетcя корпус фильтра ESSAN UNIVERSAL.
Рис. 1. Схема экспериментальной установки с системами подготовки и подачи жидкости: 1, 23 – к вакуумному насосу, 2 – заливочное отверстие камеры дегазации, 3 – камера дегазации, 4, 14, 22 – запорные вентили, 5 – трубка контроля уровня жидкости, 6 – вакуумная камера, 7 – термометр сопротивления, 8 – прибор контроля, 9 – мембранный вакуумметр, 10 – отсекающий электромагнитный клапан, 11 – сопло, 12 – окно вакуумной камеры, 13 – фотовидеокамера, 15 – ротационный расходомер, 16 – камера термостатирования жидкости, 17 – нагреватель термостата, 18 – камера задания давления, 19 – мембрана, 20 – подача жидкости к компрессору, 21 – мановакуумметр, 24 – нагреватель соплового блока.
Этанол в систему подготовки и подачи жидкости заливается через отверстие 2 с заглушкой, отсекающей систему от атмосферы после заполнения. Уровень заливки системы жидкостью во время заполнения контролируется с помощью прозрачной трубки 5. После заливки жидкости при закрытых вентилях 4, 14 и открытом вентиле 22 камеры системы 3, 16, 18 нагреваются ленточным нагревателем до температуры дегазации 340 К. Жидкость дегазируется с помощью форвакуумной откачки через канал 1. По завершении дегазации вентиль 22 закрывается. Электромагнитный клапан 10 со временем срабатывания 20 мс предназначен для быстрого отсечения канала подачи жидкости в сопло после завершения эксперимента. Расход жидкости контролируется ротационным расходомером FM-HL3012C 15 с погрешностью 3%.
Давление жидкости P0 во время проведения эксперимента поддерживается постоянным и может задаваться в диапазоне от 50 до 300 кПа. Для поддержания давления выше 100 кПа используется компрессор, давление от которого передается жидкости с помощью разделительной мембраны 19 камеры задания и регулирования давления 18. Режим с давлением ниже 100 кПа обеспечивается с помощью вакуумного насоса через трубку контроля уровня жидкости 5 и канал 23 при закрытом вентиле 4. Контроль давления P0 осуществляется с помощью мановакууметра 21 с погрешностью 1%. Давление Pb в камере расширения 5 стенда ЛЭМПУС-2 во время экспериментов с жидкостью изменяется в пределах от 1 до 100 Па в зависимости от расхода жидкости через сопло и регулируемой скорости откачки вакуумными насосами. Это давление контролируется с помощью емкостного мембранного вакуумметра CDG-500 производства Agilent Technologies 9, показания которого не зависят от состава среды. Погрешность измерения абсолютного давления в диапазоне 0.01–133 Па не превышает 0.2%. Температура жидкости, истекающей из сопла, поддерживается стабильной и может варьироваться с помощью нагревателей термостата 17 и соплового блока 24 в соответствии с программой эксперимента в пределах 295–340 К. Температура жидкости измеряется с дискретностью 0.1 К термометром сопротивления 7, установленным в сверлении корпуса соплового блока, с прибором контроля 8.
Структура и форма течения жидкости из сопла регистрируются с помощью фото- и видеосъемки через оптическое кварцевое окно 12 вакуумной камеры. Для этого используется фотоаппарат NIKON D7200 13 c длиннофокусным объективом AF-S NIKKOR 18–300 мм. Частота кадров при видеосъемке составляет 30 кадров/с. Струя жидкости освещается ярким светодиодом, размещенным в камере расширения ниже оси визирования так, чтобы свет источника не попадал в объектив камеры. Для определения геометрических размеров струи в качестве шаблона использовались фиксируемые на фотографиях детали соплового блока с известными геометрическими размерами.
3. Результаты тестовых испытаний
Анализ работы установки выполнен с использованием сопел, имитирующих отверстие в тонкой стенке. Сопла, обозначенные как С1, С2, С3, имеют диаметры сечения D* = 0.20, 0.30, 0.72 мм соответственно. Сопла изготовлены из быстросъемных заглушек для труб с внешним диаметром 6 мм (рис. 2). В торце заглушки выполнены цилиндрический канал диаметром D* и конус с углом при вершине 2α = 80°. Глубина конуса зависела от диаметра отверстия и соответствовала условию минимизации цилиндрического канала сопла.
Рис. 2. Схематический чертеж сопла.
Расходные характеристики изготовленных сопел, Q, определялись в виде зависимости Q ∝ P00.5 в предположении соответствия режима течения жидкости в трубах, подводящих этанол к соплу, и его истечения из сопла уравнению Бернулли для несжимаемой жидкости. Измерения проводились в атмосфере пропусканием через сопло определенного объема этанола за измеряемый промежуток времени при каждом фиксированном давлении P0 (рис. 3а). Одновременно с расходными характеристиками определялась зависимость средней скорости течения жидкости v через выходное сечение сопла от частоты вращения f крыльчатки ротора расходомера v = v( f ) (рис. 3б). Для сопла С1 соответствующий результат на рис. 3б отсутствует, поскольку расход жидкости через сопло оказался меньше нижнего предела чувствительности использованного расходомера. Погрешность определения коэффициентов эмпирических зависимостей Q = Q(P00.5) и v = v( f ) не превысила 5%.
Рис. 3. а) Расходные характеристики (шкала ординат для тарировок сопел С2 и С3 приведена слева, для сопла С1 – справа). б) Связь скорости течения жидкости с частотой вращения ротора расходомера.
Средняя по сечению скорость течения этанола определялась по результатам измерения расхода через сопла при комнатной температуре в диапазоне давлений от 50 до 300 кПа. Для сопла С1 диапазон скоростей составил (3.6 — 10.6) м/с, для С2 − (4.7 — 16.7) м/с, для сопла С3 − (8.4 — 18.8) м/с. Полученные результаты для сопел С2, С3 использованы для получения градуировочных зависимостей v = v( f ) (рис. 3б).
Иллюстрация результатов визуализации горизонтальных струйных течений, полученная в ходе наладочных испытаний при относительном давлении 100 кПа, представлена на рис. 4. При истечении этанола в атмосферу (P0 = 200 кПа, Pb = 100 кПа, рис. 4а, б) разрушение струй не наблюдается практически на всей видимой длине струй. Слабое возмущение в структуре течения заметно только в струе, истекающей из сопла наименьшего диаметра (рис. 4а), и только на самом отдаленном участке, на расстоянии свыше 45 мм от сопла. На форме струй не отражается геометрическое несовершенство сопел. Поверхность струй гладкая, течение прямолинейное, хотя при детальном рассмотрении изображения на рис. 4б можно видеть небольшие потемнения, которые свидетельствуют о незначительных пульсациях поверхности струи, связанных либо с процессом инверсии [18], либо с незначительным вращением струи. Иная картина наблюдается на рис. 4в, г при истечении этанола из тех же сопел, что и соответственно на рис. 4а, б, но в вакуум. Сразу за соплом струя (рис. 4в) испытывает деформацию формы поверхности в виде затухающих колебаний (вставка на рис. 4в в увеличенном масштабе). Наблюдается локальная нестабильность формы поверхности течения в виде светлых пятен. Форма струи значительно отличается от прямолинейной, она становится неустойчивой во времени и пространстве и изогнутой. Еще более интенсивные изменения наблюдаются в течении из сопла С3 (рис. 4г), сечение которого на порядок превышает сечение сопла С1. Компактная темная часть струи завершается расширяющейся светлой областью, начинающейся с яркого фрагмента, и сопровождается выбросом капель этанола. Вследствие бифуркации струйного течения в зоне скопления светлых фрагментов на нижней поверхности от исходной струи под углом вниз отделяется тонкий плоский поток, сохраняющий стабильное состояние в течение некоторого промежутка времени. В целом, неустойчивость формы и направления струи после ветвления возрастает. Для изучения этих процессов необходимо обеспечивать продолжительное стационарное истечение жидкости, что достигнуто в данной работе.
Рис. 4. Пример визуализации течения этанола при температуре T = 303 К из отверстия с острой кромкой: а, в – сопло С1; б, г – сопло С3; а, б – Р0 = 200 кПа, Pb = 100 кПа; в – Р0 = 100 кПа, Pb = 0.8 Па; г – Р0 = 100 кПа, Pb = 40 Па.
4. Заключение
Вакуумная газодинамическая установка адаптирована для исследований струйных течений жидкости в режиме стационарного истечения в сильно разреженную среду. Показано, что система откачки газодинамического стенда позволяет проводить длительное наблюдение струйного течения этанола при возможности вариации давления среды от атмосферного до нескольких единиц Па. Выполнена экспериментальная проверка методик фото- и видеофиксации истечения жидкости для анализа формы и структуры струи внутри вакуумного объема. Приведены тестовые режимы истечения этанола в атмосферу и вакуум. Показано, что режимы с длительным истечением жидкости в разреженную среду, в отличие от течения при атмосферном давлении, подвержены спонтанным изменениям направления, формы и структуры струи с возникновением точек бифуркации.
Финансирование работы
Работа выполнена с использованием оборудования Центра коллективного пользования “Прикладная физика” Новосибирского государственного университета при поддержке Российского научного фонда (грант № 22-19-00750).
About the authors
А. С. Яскин
Новосибирский государственный университет
Author for correspondence.
Email: yas@nsu.ru
Russian Federation, 630090, Новосибирск, ул. Пирогова, 1
A. Е. Зарвин
Новосибирский государственный университет; Институт теоретической и прикладной механики им. С.А. Христиановича Сибирского отделения Российской академии наук
Email: zarvin@phys.nsu.ru
Russian Federation, 630090, Новосибирск, ул. Пирогова, 1; 630090, Новосибирск, ул. Институтская, 4/1
В. В. Каляда
Новосибирский государственный университет
Email: yas@nsu.ru
Russian Federation, 630090, Новосибирск, ул. Пирогова, 1
К. А. Дубровин
Новосибирский государственный университет; Институт теоретической и прикладной механики им. С.А. Христиановича Сибирского отделения Российской академии наук
Email: yas@nsu.ru
Russian Federation, 630090, Новосибирск, ул. Пирогова, 1; 630090, Новосибирск, ул. Институтская, 4/1
В. Э. Художитков
Новосибирский государственный университет; Институт теоретической и прикладной механики им. С.А. Христиановича Сибирского отделения Российской академии наук
Email: yas@nsu.ru
Russian Federation, 630090, Новосибирск, ул. Пирогова, 1; 630090, Новосибирск, ул. Институтская, 4/1
References
- Nieto-Peroy C., Emami M.R. // Appl. Sci. 2019. V. 9(15). P. 3110. https://doi.org/10.3390/app9153110
- Fonda-Marsland E., Roberts G., Gibbon D., Ryan C. // AIAA Propulsion and Energy Forum. 2019. Р. 4227. https://doi.org/10.2514/6.2019-4227
- Ryan C.N., Fonda-Marsland E., Roberts G.T., Lear A., Fletcher E., Lear G., Palmer M.J. Gibbon D .// J. Propulsion and Power. 2020. V. 36. P. 158. https://doi.org/10.2514/1.B37418
- Papale W.G, Roy R.J. // Space Conference American Institute of Aeronautics and Astronautics. San Jose, California, 2006. Р. 426. https://doi.org/10.2514/6.2006-7240
- Gediminas Galinis, Jergus Strucka, Jonathan C.T. Barnard, Avi Braun, Roland A. Smith, Jon P. Marangos. // Rev. Sci. Instrum. 2017. V. 88. P. 083117 http://dx.doi.org/10.1063/1.4990130
- Chandra R., Krishna Murthy M.V., Jacob S., Kasthurirengan S., Karunanithi R. // Vacuum. 1996. V. 47. P. 1379. https://doi.org/10.1016/S0042-207X(96)00205-9
- Faubel M., Steiner B, Toennies J.P. // J. Chem. Phys. 1997. V. 106 (22): P. 9013. https://doi.org/10.1063/1.474034
- Раубе С.С., Красночуб Е.К., Бронштейн В.М. // Вестник Самарского государственного аэрокосмического университета. 2010. № 2. C. 50.
- Yarygin V.N., Prikhodko V.G., Yarygin I.V., Vyazov Yu.N. // Vacuum. 2014. V. 109. P. 401. https://doi.org/10.1016/j.vacuum.2014.04.026
- Скрипов В.П. Метастабильная жидкость. Москва: Наука, 1972.
- Vieira M.M., Simões-Moreira J.R. // Fluid Mech. 2007. V. 572. P. 121. https://doi.org/10.1017/S0022112006003430
- Polanco G., Holdø A.E., Munday G. // J. Hazardous Materials. 2010. V. 173. № 1–3. P. 2. https://doi.org/10.1016/j.jhazmat.2009.08.138
- Ma W., Zhai S., Zhang P., Xian Y., Zhang L., Shi R., Wu Z. // Int. J. Aerospace Engineering. V. 2018. Art. 3686802. https://doi.org/10.1155/2018/3686802
- Kurschat Th., Chaves H., Meier G.E.A. // J. Fluid Mech. 1992. V. 236. P. 43. https://doi.org/10.1017/S0022112092001332
- Lu X.X, Li L., Luo K.H., Ren X.B., Liu Y., Yan X.F. // J. Thermophys. Heat Transfer. 2016 V. 30:2. P. 410. https://doi.org/10.2514/1.T4665
- Яскин А.С., Зарвин А.Е., Каляда В.В., Дубровин К.А. // Письма в журнал технической физики. 2021. Т. 47. № 21. С. 47. http://dx.doi.org/10.21883/PJTF.2021.21.51630.18846
- Zarvin A.E., Kalyada V.V., Madirbaev V.Zh., Korobeishchikov N.G., Khodakov M.D., Yaskin A.S., Khudozhitkov V.E., Gimelshein S.F // IEEE Transactions on Plasma Science. 2017. V. 45. Issue 5. P. 819. https://doi.org/10.1109/TPS.2017.2682901
- Чугаев Р.Р. Гидравлика. Л.: Энергоиздат, 1982.
Supplementary files






