Электроразрядное устройство для получения наночастиц из токопроводящих гранул
- Authors: Коротков С.В.1, Жмодиков А.Л.1, Козлов К.А.1, Коротков Д.А.1
-
Affiliations:
- Физико-технический институт им. А.Ф. Иоффе Российской академии наук
- Issue: No 3 (2024)
- Pages: 148-152
- Section: ЛАБОРАТОРНАЯ ТЕХНИКА
- URL: https://medbiosci.ru/0032-8162/article/view/277690
- DOI: https://doi.org/10.31857/S0032816224030218
- EDN: https://elibrary.ru/OSWMZP
- ID: 277690
Cite item
Full Text
Abstract
Рассмотрено высоковольтное электроразрядное устройство, обеспечивающее получение частиц стали, алюминия и кремния с размером менее 100 нм из гранул, помещенных в камеру с проточной деионизованной водой. Определены возможности существенного увеличения мощности разработанного устройства.
Full Text
1. ВВЕДЕНИЕ
Одним из важнейших направлений синтеза новых материалов является использование наночастиц. Известные методы их получения (химическая конденсация, механическое дробление, воздействие лазерного или электронного луча) достаточно сложны. Более простым представляется метод электроимпульсной эрозии токопроводящих гранул в жидких средах.
В работах [1–4] этот метод реализуется путем пропускания мощных быстро нарастающих импульсов тока через заполненную диэлектрической жидкостью разрядную камеру, которая содержит несколько слоев токопроводящих гранул. Импульсы разрядного тока формируются с помощью силовой цепи, содержащей ключ и накопительный конденсатор, предварительно заряженный до напряжения несколько сотен вольт. В микрозазорах между гранулами в течение одного импульса возникают множественные искровые разряды. При этом материал гранул в областях искровых разрядов претерпевает фазовые превращения: плавится и испаряется с последующей микродисперсной конденсацией образующихся продуктов в условиях быстрого охлаждения жидкостью.
Целью исследований является разработка электроразрядного устройства для получения наночастиц на основе накопительного конденсатора С, заряженного до значительно большего напряжения (несколько кВ). При этом к разрядной камере будет прикладываться более высокое напряжение и создастся возможность осуществлять пробой большего числа промежутков между гранулами. В результате может быть увеличена производительность процесса получения наночастиц. Большое напряжение зарядки накопительного конденсатора позволит обеспечить требуемую высокую скорость нарастания импульсов выходного тока при использовании в силовой цепи достаточно большой индуктивности L, которая будет стабилизировать ток в искровых промежутках между гранулами. При соответствующем выборе L и С электрическое сопротивление силовой цепи может существенно превышать сопротивление камеры после пробоя межэлектродного промежутка. В результате при изменении характеристик электроразрядных процессов амплитуды импульсов тока через камеру будут изменяться незначительно.
2. ОПИСАНИЕ УСТРОЙСТВА
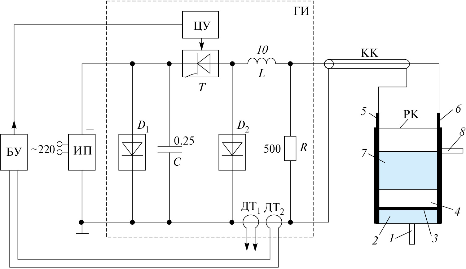
Электрическая схема разработанного устройства приведена на рис. 1. Она содержит генератор высоковольтных импульсов (ГИ) и разрядную камеру (РК). ГИ выполнен на основе накопительного конденсатора С, индуктивности L и блока последовательно соединенных тиристоров Т. Источник питания (ИП) осуществляет зарядку конденсатора. Напряжение зарядки имеет отрицательную полярность и плавно регулируется до 10 кВ. Для запуска тиристоров блока Т используется высокоэффективная трансформаторная цепь управления (ЦУ), рассмотренная в работе [5]. Коаксиальный кабель (КК) обеспечивает подключение ГИ к электродам 5, 6 камеры РК. Блок управления (БУ) формирует импульсы запуска цепи управления.
Рис. 1. Электрическая схема устройства: Т — восемь последовательно соединенных ТБ133-320-20; D1 — десять последовательно соединенных ДЧ123-320-12; D2 — десять последовательно соединенных ДЧ143-500-12; КК: СВИЛ-70.
Работа устройства происходит следующим образом. В исходном состоянии конденсатор С заряжен до выбранного значения напряжения. При включении блока Т к РК прикладывается высокое напряжение. После пробоя межэлектродного промежутка через РК протекает ток силовой цепи С–L–Т. Когда ток через индуктивность L достигает максимума, к диодам блока D2 прикладывается прямое напряжение. При этом ток, протекающий через блок тиристоров Т, перераспределяется в блок D2. В результате снижается токовая нагрузка тиристоров. Блок маломощных диодов D1, расположенный на минимальном расстоянии от конденсатора С, исключает возможность его перезарядки, которая обусловлена монтажной индуктивностью цепи Т–D2. При этом повышается срок службы конденсатора. Резистор R обеспечивает полный разряд С при отсутствии пробоя в разрядной камере.
Выходной ток генератора ГИ измеряется с помощью датчиков тока ДТ1, ДТ2, выполненных в виде поясов Роговского, калиброванных с помощью датчика тока Pearson current monitor 410.Сигнал с ДТ1 поступает на вход осциллографа. Сигнал с ДТ2 подается в БУ, где регистрируется его длительность. Если по каким-то причинам электрическое сопротивление выходной цепи ГИ резко уменьшается, то длительность выходного тока резко возрастает. В этих условиях блок БУ перестает запускать цепь ЦУ, и работа ГИ прекращается. В результате исключается перегрев элементов ГИ.
3. ЭКСПЕРИМЕНТАЛЬНЫЕ ИССЛЕДОВАНИЯ
Разрядная камера была выполнена из оргстекла и имела объем примерно 0.1 л. Она заполнялась проточной деионизованной водой, которая поступала через входной штуцер 1 и сливалась через выходной штуцер 8. В результате создавались заполненные водой объемы 2 и 7. Объем 4 заполнялся гранулами из токопроводящего материала. Гранулы размещались на тонкой диэлектрической пластине размером 3×3 см2, в которой были проделаны отверстия диаметром 1 мм, расположенные на расстоянии 3 мм друг от друга.
Использовались гранулы из стали, алюминия и низкоомного кремния. Они имели произвольную форму и разные исходные размеры, характерная величина которых составляла около 1 см. В объеме 4 гранулы располагались плотно и многослойно.
Импульсы выходного тока генератора ГИ подавались на прямоугольные алюминиевые электроды 5, 6. После пробоя межэлектродного промежутка в объеме 4 создавался хаотичный многоканальный разряд в заполненных водой минизазорах между соседними гранулами, который инициировал процесс создания наночастиц. Образующиеся ударные волны осуществляли перемешивание гранул. Напор воды из штуцера 1 обеспечивал поступление наночастиц в заполненный водой объем 7 и перемещение образующейся смеси к штуцеру 8.
В процессе экспериментов частота работы устройства f изменялась от 10 до 40 Гц, зарядка накопительного конденсатора осуществлялась в диапазоне напряжений UC = (7–10) кВ. При увеличении f и UC количество разрядных каналов и интенсивность перемешивания гранул возрастали.
Образующаяся смесь воды и частиц (суспензия) выводилась через штуцер 8 и собиралась в пробирку с объемом около 3 см3. Расход воды поддерживался на уровне 0.2 л/мин. Затем из пробирки отбиралась проба, далее она анализировалась с помощью растрового электронного микроскопа (JSM-7001F, Jeol, Япония) в федеральном ЦКП “Материаловедение и диагностика в передовых Технологиях” (ФТИ им. А.Ф. Иоффе).
В результате проведенных исследований было установлено, что рассмотренный метод электроэрозионной обработки гранул из стали, алюминия и низкоомного кремния позволяет получить частицы сферической формы размером менее 100 нм. Ниже приведены результаты исследования процесса получения наночастиц из гранул высоколегированного кремния типа КДБ с удельным сопротивлением 0.05 Ом ∙ см.
На рис. 2 приведена типичная фотография частиц кремния из пробы, полученной при f = 40 Гц и UC = 10 кВ. На рис. 3 показано определенное из этой фотографии распределение частиц по размерам. На рис. 4 приведена типичная фотография разрядов.
Рис. 2. Фото частиц кремния.
Рис. 3. Распределение частиц кремния по размерам.
Рис. 4. Фото разрядов.
На рис. 5а, б приведены осциллограммы выходного тока I и напряжения U на разрядной камере, полученные в рассмотренном режиме в произвольно выбранные моменты времени. Ток I измерялся датчиком тока ДТ1 (см. рис. 1), а напряжения U — щупом Tektronix P6015A.
Рис. 5. Осциллограммы выходного тока I и напряжения U на разрядной камере. Масштабы по вертикали: для тока I — 325 А/дел., для напряжения U — 5 кВ/дел.; по горизонтали: 4 мкс/дел.
Как видно на осциллограммах на рис. 5, при одинаковых условиях работы устройства форма и амплитуда импульсов напряжения на разрядной камере до момента пробоя межэлектродного промежутка существенно различны (они определяются взаимным расположением гранул). Но при этом параметры импульса тока I практически не изменяются.
На рис. 6 показаны осциллограммы, полученные в том же режиме при использовании калиброванного с помощью щупа Tektronix P6015A лабораторного делителя напряжения полосковой конструкции, в котором сопротивления верхнего и нижнего плечей составляли соответственно 30 кОм и 300 Ом. Нижнее плечо с помощью коаксиального кабеля соединялось с ограничителем напряжения, выполненным по традиционной схеме с использованием стабилитрона. Ограничитель подключался ко входу осциллографа. Используемый стабилитрон устранял возможность приложения к осциллографу напряжения более 22 В, что определило возможность работы осциллографа с разрешением, достаточным для качественного измерения сравнительно небольшого напряжения на РК в процессе протекания тока I.
Рис. 6. Осциллограммы выходного тока I и напряжения U на разрядной камере, полученные с помощью ограничителя напряжения. Масштабы по вертикали: для тока I — 325 А/дел., для напряжения U — 500 В/дел.; по горизонтали: 1 мкс/дел.
Как видно на осциллограммах на рис. 6, величина напряжения на РК в начале фронта тока I, нарастающего со скоростью примерно 500 А/мкс, сравнительно велика (более 2 кВ). В момент, когда ток I достигает максимального значения (1.1 кА), величина U составляет около 700 В. При уменьшении тока I напряжение на РК медленно убывает и составляет примерно 300 В при токе около 900 А.
При исследовании 20 проб, взятых из разных заборных пробирок в рассмотренном режиме работы устройства, размер полученных частиц кремния находился в пределах 20–100 нм. Этот диапазон практически не изменялся в условиях, когда частота f и напряжение UC задавались так, чтобы не менялась входная мощность устройства. Полученный результат можно объяснить тем, что используемый очень малый напор воды позволял переместить к выходу разрядной камеры наночастицы с размером только менее 100 нм. Более крупные частицы оседали на дно РК.
4. ВЫВОДЫ
Результаты проведенных исследований показывают, что разработанное устройство позволяет получать частицы размером несколько десятков нм из токопроводящих гранул, находящихся в разрядной камере, заполненной проточной деионизованной водой.
В процессе экспериментов полученные крупные частицы не могли учитываться, так как они не достигали выхода разрядной камеры и опускались на ее дно. Поэтому проведенные пилотные исследования не позволили точно определить производительность рассмотренного устройства. Хорошие перспективы его использования подтвердил анализ остающегося в разрядной камере вещества после выключения устройства. Для этого содержимое РК сливалось через бумажный фильтр и после просушивания взвешивалось.
После десяти минут работы устройства при входной мощности 500 Вт масса кремния уменьшается примерно на 1 г относительно исходного значения, что свидетельствует о достаточно высокой интенсивности электроэрозионного процесса.
Электрическая мощность рассмотренного устройства может быть значительно увеличена путем повышения емкости накопительного конденсатора С, напряжения его зарядки и частоты следования выходных импульсов. Поэтому на его основе могут быть разработаны крупномасштабные системы промышленного типа, построенные на более мощных отечественных полупроводниковых приборах.
About the authors
С. В. Коротков
Физико-технический институт им. А.Ф. Иоффе Российской академии наук
Author for correspondence.
Email: korotkov@mail.ioffe.ru
Russian Federation, 194021, Санкт-Петербург, ул. Политехническая, 26
А. Л. Жмодиков
Физико-технический институт им. А.Ф. Иоффе Российской академии наук
Email: korotkov@mail.ioffe.ru
Russian Federation, 194021, Санкт-Петербург, ул. Политехническая, 26
К. А. Козлов
Физико-технический институт им. А.Ф. Иоффе Российской академии наук
Email: korotkov@mail.ioffe.ru
Russian Federation, 194021, Санкт-Петербург, ул. Политехническая, 26
Д. А. Коротков
Физико-технический институт им. А.Ф. Иоффе Российской академии наук
Email: korotkov@mail.ioffe.ru
Russian Federation, 194021, Санкт-Петербург, ул. Политехническая, 26
References
- Kolbasov G.Ya., Ustinov A.I., Shcherba A.A., Perekos A.Ye., Danilov M.O., Vyunova N.V., Zakharchenko S.N., Hossbah G. // Journal of Power Sources. 2005. V. 150. P. 276. https://doi.org/10.1016/j.jpowsour.2005.02.025
- Nguyen P.K., Lee K.H., Moon J., Kim S.I., Ahn K.A., Chen L.H., Lee S.M., Chen R.K., Jin S., Berkowitz A.E. // Nanotechnology. 2012. V. 23. № 41. P. 415604. https://doi.org/10.1088/0957-4484/23/41/415604
- Лопатько К.Г., Олишевский В.В., Маринин А.И., Афтандилянц Е.Г. // Электронная обработка материалов. 2013. Т. 49. № 6. С. 80.
- Петриченко С.В., Кускова Н.И., Листовский Д.И. // Электронная обработка материалов. 2015. Т. 51. № 3. С. 38.
- Коротков С.В., Жмодиков А.Л., Коротков Д.А. // ПТЭ. 2021. № 3. С. 55. https://doi.org/10.1134/S0020441221030295
Supplementary files








