Измерение энергетических параметров инсоляции в условиях наземной эксплуатации фотоэлектрических модулей
- Authors: Никифоров В.Е.1, Барков E.В.1, Никифоров E.В.2
-
Affiliations:
- Институт земного магнетизма, ионосферы и распространения радиоволн им. Н.В. Пушкова Российской академии наук
- aИнститут земного магнетизма, ионосферы и распространения радиоволн им. Н.В. Пушкова Российской академии наук
- Issue: No 6 (2024)
- Pages: 105–109
- Section: ФИЗИЧЕСКИЕ ПРИБОРЫ ДЛЯ ЭКОЛОГИИ, МЕДИЦИНЫ, БИОЛОГИИ
- URL: https://medbiosci.ru/0032-8162/article/view/288505
- DOI: https://doi.org/10.31857/S0032816224060139
- EDN: https://elibrary.ru/EKNHGO
- ID: 288505
Cite item
Full Text
Abstract
Представлены структура, состав и алгоритм работы измерительно-вычислительного комплекса для измерения энергетических параметров инсоляции (солнечного излучения) в наземных условиях. Комплекс обеспечивает непрерывныe измерения и регистрацию энергетических параметров инсоляции и активности Солнца с использованием в качестве первичных преобразователей коммерческих кремниевых фотоэлектрических модулей монокристаллического и поликристаллического типов. Проводятся измерения в реальном времени напряжений холостого хода, токов короткого замыкания, токов и напряжений в рабочих точках модулей, температуры модулей и окружающей среды. Регистрируемые параметры обрабатываются, строятся вольт-амперные характеристики модулей на основе аналитической модели солнечных батарей, производятся расчеты генерируемых мощности и энергии за требуемый период. Все необходимые измеренные и вычисленные величины отображаются в графическом виде.
Full Text
1. ВВЕДЕНИЕ
Измерение энергетических параметров солнечного облучения (инсоляции) актуально как при изучении фундаментальных вопросов солнечной активности и физических процессов в системе Земля–Солнце, так и при проведении прикладных исследований и решении теоретических и практических задач автономной энергетики. В Институте земного магнетизма, ионосферы и распространения радиоволн им. Н.В. Пушкова РАН (ИЗМИРАН) разработан и функционирует измерительно-вычислительный комплекс для измерения и оценки текущих энергетических параметров инсоляции на основе использования серийных коммерческих фотоэлектрических модулей, эксплуатирующихся в натурных наземных условиях.
2. ОПИСАНИЕ РАБОТЫ И ПОСТРОЕНИЯ ИЗМЕРИТЕЛЬНОГО КОМПЛЕКСА
В основу создания и работы комплекса положено то обстоятельство, что электрические характеристики модулей солнечных батарей описываются их вольт-амперными характеристиками (ВАХ), которые деформируются при эксплуатации в зависимости от уровней освещенности модулей, изменения их температуры и значений напряжений и токов в рабочих точках. Адекватной и наиболее удобной и простой для практического применения является представленная ниже аналитическая модель фотоэлектрических модулей — солнечных батарей (СБ), позволяющая всего по трем измерениям основных электрических переменных (напряжения и тока) в различных режимах, используя стандартные измерительные приборы — вольтметр и амперметр, — полностью воспроизвести ВАХ СБ во всем диапазоне изменения внешних условий эксплуатации [1]:
(1)
где Uхх — измеренное значение (первое измерение) напряжения холостого хода модуля СБ (напряжение разомкнутой цепи модуля СБ при токе нагрузки, равном нулю, I = 0, Rн=∞); Iк — измеренное значение (второе измерение) тока короткого замыкания модуля СБ (ток замыкания модуля СБ на нулевое сопротивление нагрузки Rн = 0); Iо — измеренное значение (третье измерение) тока нагрузки при напряжении на нагрузке Uо при значении нагрузочного сопротивления Rн = Rном = const, соответствующем рабочей точке ВАХ в окрестности точки максимальной мощности Pопт = Iопт Uопт; I, U — текущие значения соответственно тока и напряжения на ВАХ СБ.
Произведение текущих значений токов и напряжений на ВАХ СБ позволяет построить соответствующую кривую зависимости мощности от напряжения в этих же координатах. При этом каждой паре ток–напряжение на кривой ВАХ соответствует определенное значение генерируемой мощности.
Рис. 1. Функциональная схема измерения электрических параметров фотоэлектрических модулей СБ.
Упрощенная функциональная схема измерений электрических параметров модулей СБ, необходимых для воспроизведения полной ВАХ модуля СБ по трем характерным точкам — напряжению холостого хода, току короткого замыкания и току нагрузки в рабочей точке, соответствующей рабочему напряжению, а также таблица состояний (замкнут/разомкнут) и последовательности коммутации силовых ключей К1 и К2 при измерениях текущих электрических параметров модулей СБ представлены на рис. 1 и в табл. 1. Использование всего двух измерительных приборов (датчиков) — амперметра и вольтметра — при соответствующей последовательности их коммутации позволяет всего при трех независимых последовательных измерениях получить необходимые и достаточные для построения ВАХ модуля СБ электрические величины.
Таблица 1. Состояние силовых ключей при измерениях
Измеряемый параметр | Состояние ключей | |
К1 | К2 | |
Uхх | Разомкнут | Разомкнут |
Iк | Замкнут | Разомкнут |
Iо / Uо | Разомкнут | Замкнут |
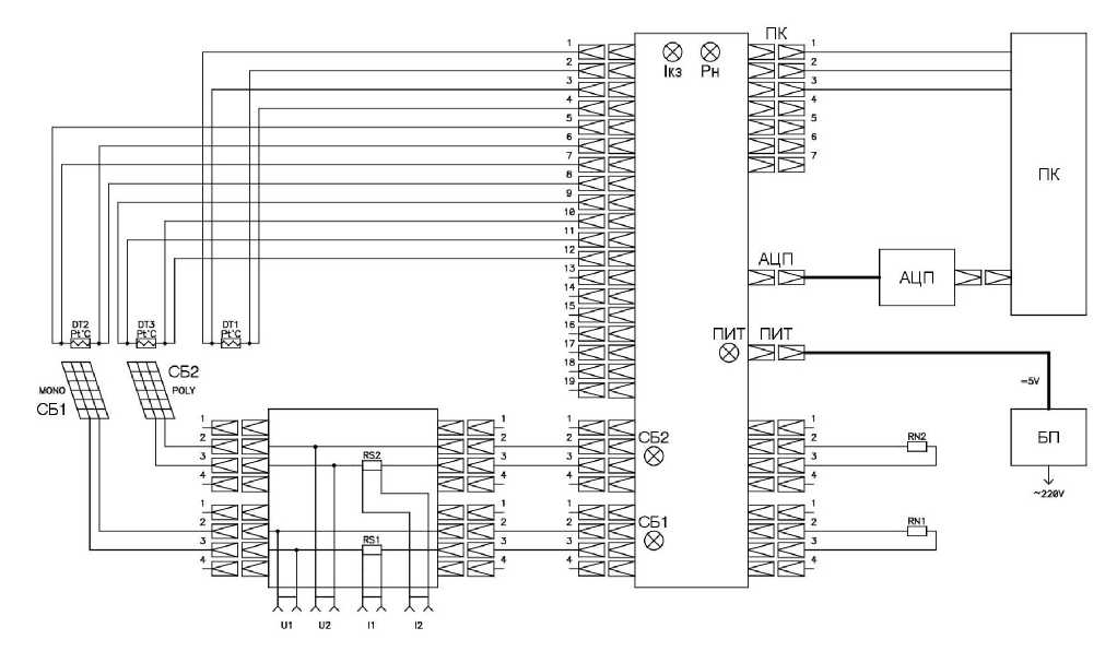
Практическая реализация данной функциональной схемы измерений представлена для варианта с двумя фотоэлектрическими модулями СБ (монокристаллическим СБ1 и поликристаллическим СБ2) в соответствии с общей схемой соединений и подключений, показанной на рис. 2.
Рис. 2. Общая схема соединений и подключений при измерении электрических параметров фотоэлектрических модулей СБ двух типов.
Измерительный комплекс содержит два фотоэлектрических модуля солнечных батарей двух типов (модуль СБ1 типа TPS-105S36-
150W состоит из последовательно соединенных монокристаллических (моно) фотоэлектрических преобразователей, модуль СБ2 типа TPS-107S36-150W — из последовательно соединенных поликристаллических (поли) фотоэлектрических преобразователей), модулей резистивной нагрузки RN1, RN2, комплекта измерительных датчиков и преобразователей напряжений токов RS1, RS2 и температур DT1, DT2, DT3, модуля АЦП типа Е14-440D, блока контроля и управления БКУ с соответствующими электрическими соединителями и индикаторами режимов работы, персонального компьютера ПК, комплекта силовых и измерительных кабелей, блока питания БП.
Данные с модулей СБ измеряются периодически с частотой 0.1 Гц. Частота дискретизации АЦП выбирается достаточной для хорошей фильтрации помех. Всего снимается 11 параметров. Тип параметра для тока и напряжения зависит от уровней сигналов управления DO1 и DO2. При DO1 = 0 и DO2 = 0 считываются значения напряжения холостого хода Uxx для модулей СБ1 и СБ2. При DO1 = 1 и DO2 = 0 считываются значения тока короткого замыкания Iк для модулей СБ1 и СБ2. При DO1 = 0 и DO2 = 1 считываются значения напряжения Uо, тока Iо под нагрузкой для модулей СБ1 и СБ2. Напряжения с датчиков температур можно получать при любом значении DO1 и DO2.
Таблица 2. Энергетические переменные и параметры инсоляции
Измеряемые переменные модулей СБ | Обозначение, размерность | Сигналы управления | Регистрация | Вычисление, расчеты | |
DO1 | DO2 | ||||
Напряжение холостого хода СБ1 | Uхх1, B | 0 | 0 | Uхх1/Uо1 | ВАХ СБ1, |
Напряжение под нагрузкой СБ1 | Uо1, B | – | 1 | ||
Ток короткого замыкания СБ1 | Iк1, A | 1 | – | Iк1/ Iо1 | |
Ток под нагрузкой СБ1 | Iо1, A | – | 1 | ||
Напряжение холостого хода СБ2 | Uхх2, B | 0 | 0 | Uхх2 / Uо2 | ВАХ СБ2, |
Напряжение под нагрузкой СБ2 | Uо2, B | – | 1 | ||
Ток короткого замыкания СБ2 | Iк2, A | 1 | – | Iк2 / Iо2 | |
Ток под нагрузкой СБ2 | Iо2, A | – | 1 | ||
Температура модуля СБ1 | T1, °C | T1 | |||
Температура модуля СБ2 | T2, °C | T2 | |||
Температура окружающей среды | T3, °C | T3 | |||
В табл. 2 приведены перечень измеряемых переменных с двух модулей СБ, их обозначения и размерности, значения соответствующих сигналов управления силовыми ключами, а также регистрируемые и визуально отображаемые на экране ПК величины в реальном времени (8 каналов), включая канал сигналов управления. На основе полученных в реальном времени данных по модулям СБ проводятся необходимые вычисления и расчеты энергетических параметров инсоляции.
Каждое измерение длится 1 с, повторение циклов измерения каждые 10 с. Частота дискретизации 100 Гц. На ПК полученные данные обрабатываются, выводятся на экран и заносятся в локальную базу данных.
По результатам измерений на основе использования математической модели солнечных батарей [1] и разработанного автоматического калькулятора расчета ВАХ модуля СБ [2] воспроизводятся реальный вид и параметры вольт-амперных характеристик фотоэлектрических модулей СБ во всех условиях изменения внешней среды (освещенностей и температур), рабочих напряжений и токов модулей СБ, а также соответствующие графики мощности, включая точки максимальной мощности и соответствующие им значения токов и напряжений (рис. 3).
Рис. 3. Расчетные вольт-амперные и мощностные характеристики монокристаллического и поликристаллического фотоэлектрических модулей СБ, полученные по результатам измерений их параметров в заданные дату и момент времени.
Кроме перечисленных выше измеренных в реальном времени электрических переменных, в графическом и табличном видах отображаются такие полученные и рассчитанные энергетические параметры инсоляции (перечисленные в табл. 2) как суточные изменения генерируемой мощности фотоэлектрических модулей на нагрузке, суточные изменения максимальной генерируемой мощности фотоэлектрических модулей в оптимальных точках, например в случае использования экстремального регулирования мощности в системе. Также приведены рассчитанные с использованием полученных данных такие интегральные параметры, как среднесуточные значения генерируемых мощностей, среднемесячные значения генерируемых мощностей, значения генерируемой модулями СБ энергии W за текущие сутки, заданный месяц, год.
3. ЗАКЛЮЧЕНИЕ
На основе полученных данных возможно вычисление других энергетических параметров систем, в которых применяются солнечные батареи, актуальных для разработчиков топологии систем, аппаратуры регулирования и контроля автономных и резервных систем электроснабжения, а также для специалистов по изучению гелиофизических процессов и т.д. В частности, данные параметры необходимы для моделирования и оценки эффективности применения экстремального регулятора мощности в автономных системах электроснабжения [1] с использованием в качестве генератора электроэнергии фотоэлектрических модулей, сравнительной оценки вариантов построения и выбора структуры систем.
Представленные в статье материалы, в том числе методика построения ВАХ модуля СБ при минимальном количестве измеряемых параметров, могут быть использованы также при создании имитаторов солнечных батарей [3], используемых для моделирования систем электроснабжения наземного и космического назначения, например, в качестве внутреннего аналитического задатчика вольт-амперных характеристик солнечных батарей при имитации их работы в различных условиях внешней среды и обеспечении необходимого масштабирования энергетических параметров систем посредством соответствующих силовых преобразователей практически на любом энергетическом уровне.
About the authors
В. Е. Никифоров
Институт земного магнетизма, ионосферы и распространения радиоволн им. Н.В. Пушкова Российской академии наук
Author for correspondence.
Email: nika@izmiran.ru
Russian Federation, 108840, Москва, Троицк, Калужское ш., 4
E. В. Барков
Институт земного магнетизма, ионосферы и распространения радиоволн им. Н.В. Пушкова Российской академии наук
Email: nika@izmiran.ru
Russian Federation, 108840, Москва, Троицк, Калужское ш., 4
E. В. Никифоров
aИнститут земного магнетизма, ионосферы и распространения радиоволн им. Н.В. Пушкова Российской академии наук
Email: nika@izmiran.ru
Russian Federation, 108840, Москва, Троицк, Калужское ш., 4
References
- Привалов В.Д., Никифоров В.Е. Оценка эффективности применения экстремального регулятора в автономных СЭП. Куйбышев: КПтИ, 1983.
- https://solaropt.web.app/
- http://www.rUbIcon-I.rU/Index.php?name = content&op = vIew&Id = 54
Supplementary files





