Simulation of Tthe Amplitude of Transverse Oscillations of the Rod System upon Impact of a Falling Load, Taking into account Deformation in the Contact Area
- Authors: Bityurin A.A.1
-
Affiliations:
- Ulyanovsk State Technical University
- Issue: Vol 87, No 4 (2023)
- Pages: 649-660
- Section: Articles
- URL: https://medbiosci.ru/0032-8235/article/view/138885
- DOI: https://doi.org/10.31857/S0032823523040021
- EDN: https://elibrary.ru/WDGPEH
- ID: 138885
Cite item
Full Text
Abstract
The oscillatory process of a rod system of arbitrary shape under shock interaction with a falling load is considered. The system may consist of a large number of rods connected to each other rigidly or pivotally, and striking is assumed to be one of the core elements, thus causing a complex oscillatory process.
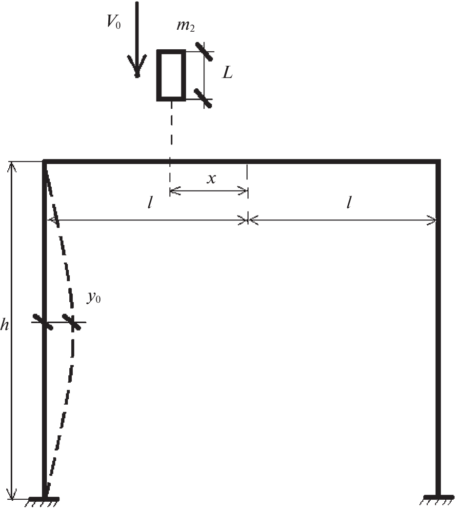
As an example, vibrations of a rigidly sealed statically indeterminate flat two-post frame experiencing a drop of a load of a given mass and pre-impact velocity are simulated. One of the vertical pillars of the frame has an initial curvature, the presence of which affects the maximum amplitude of transverse vibrations arising from impact. The impact of the load on the frame crossbar is modeled taking into account the deformation in the contact area, which is justified from the point of view of the accuracy of the calculations, because otherwise the magnitude of the impact force will be overestimated. When modeling the impact interaction of the load and the rod system under consideration, it is assumed that the falling load has the shape of a cylinder with a certain length of the generatrix. Linearization of the relationship between force and deformation of cylindrical surfaces is used.
The proposed method of modeling the amplitude of transverse oscillations makes it possible to further study the characteristics of the oscillatory process depending on the mass of the falling load and its pre-impact velocity, as well as on the configuration of the rod system. The relevance of the work for calculations of structural elements of various purposes experiencing impact is emphasized, since the presented model can be used for engineering calculations of a wide class of core systems.
Keywords
About the authors
A. A. Bityurin
Ulyanovsk State Technical University
Author for correspondence.
Email: sntk_2015@maul.ru
Russia, Ulyanovsk
References
- Filippov A.P. Vibrations of Deformable Systems. Moscow: Mech. Engng, 1970. 732 p.
- Lavrent’ev M.A., Ishlinskii A.Yu. Dynamic buckling of elastic systems // Dokl. AN SSSR, 1949, vol. 65, no. 6, pp. 112–119.
- Maly V.I. Long-wave approximation in the problems on the loss of stability at impact // Izv. AN SSSR. MTT, 1972, no. 4, pp. 138–144.
- Maly V.I. Buckling of the rod under longitudinal impact. Small deflections // Izv. AN SSSR. MTT, 1973, no. 4, pp. 181–186.
- Maly V.I. Buckling of the rod at longitudinal impact. Large deflections // Izv. AN SSSR. MTT, 1975, no. 1, pp. 52–61.
- Malyshev B.M. Stability of a rod under shock compression // Izv. AN SSSR. MTT, 1966, no. 4, pp. 137–142.
- Timoshenko S.P. Vibrations in Engineering. Moscow: Fizmatgiz, 1959. 474 p.
- Abramov A.B., Abramov B.M. Determination of forces at longitudinal – transverse impact // Izv. vuzov. Constr.&Archit., 1975, no. 9, pp. 58–64.
- Tarasov V.N. On the stability of reinforced arches // Comput. Mech. Contin. Media, 2019, vol. 12, no. 2, pp. 202–214.
- Brickell D.M., Erofeev V.I., Leont’eva A.V. Distribution of Flexural waves in a beam, the material which accumulates damage in the process of operation // Comput. Mech. Contin. Media, 2020, vol. 13, no. 1, pp. 108–116.
- Sargsyan S.O., Khachatryan M.V. the model of the bending of micropolar elastic thin terina with a circular axis and its implementation by the finite element method // Comput. Mech. Contin. Media, 2020, vol. 13, no. 3, pp. 256–268.
- Szmidla J., Wiktorowicz J. The vibration and the stability of a flat frame type Г realizing the Eulers load taking into account the vulnerability of the structural node connecting the pole and the bolt of the system // Vibrations in Phys. Syst., 2014, vol. 26, pp. 297–304.
- Szmidla J. Vibrations and stability of T-type frame loaded by longitudinal force in relation to its bolt // Thin Walled Struct., 2007, vol. 45 (10–11), pp. 931–935.
- Sochacki W., Rosikon P., Topczewska S. Constructional damping mounting influence on T type frame vibrations // J. Vibroengng., 2013, vol. 15 (4), pp. 1866–1872.
- Tomski L., Przybylski J., Szmidla J. Stability and vibrations of a two-bar frame under a follower force // Zeit. Ang. Math. Mech., 1996, vol. S5, iss. 76, pp. 521–522.
- Chudnovsky G.V. Methods of Calculation of Fluctuations in the Core Systems. Kiev: Acad. Sci. Ukrainian SSR, 1952. 403 p.
- Bityurin A.A. Modeling of the amplitude of transverse vibrations of a homogeneous rod when hitting a rigid barrier, taking into account its own weight // Bull. Perm Nat. Res. Polytech. Univ. Mechanics, 2018, no. 2, pp. 16–23.
- Bityurin A.A. Modeling the maximum deflection speed of the rod having an initial curvature on impact with a rigid barrier // Izv. RAS. MTT, 2019, no. 5, pp. 131–141.
- Bityurin A.A., Modeling of the maximum amplitude of transverse vibrations of homogeneous rods under longitudinal impact // Izv. RAS. MTT, 2021, no. 2, pp. 98–109.
- Pisarenko G.S. Handbook on the Resistance of Materials. Kiev: Naukova Dumka, 1988. 736 p.
Supplementary files








