Микроволновая радиометрическая система в задачах прогнозирования опасных атмосферных явлений
- Авторы: Щукин Г.Г.1,2, Федосеева Е.В.1, Булкин В.В.1, Ростокин И.Н.1
-
Учреждения:
- Муромский институт (филиал) Владимирского государственного университета им. А.Г. и Н.Г. Столетовых
- Военно-космическая академия им. А.Ф. Можайского
- Выпуск: Том 68, № 6 (2023)
- Страницы: 598-607
- Раздел: К 85-ЛЕТИЮ ДМИТРИЯ СЕРГЕЕВИЧА ЛУКИНА
- URL: https://medbiosci.ru/0033-8494/article/view/138270
- DOI: https://doi.org/10.31857/S003384942306013X
- EDN: https://elibrary.ru/XNBVMZ
- ID: 138270
Цитировать
Полный текст
Аннотация
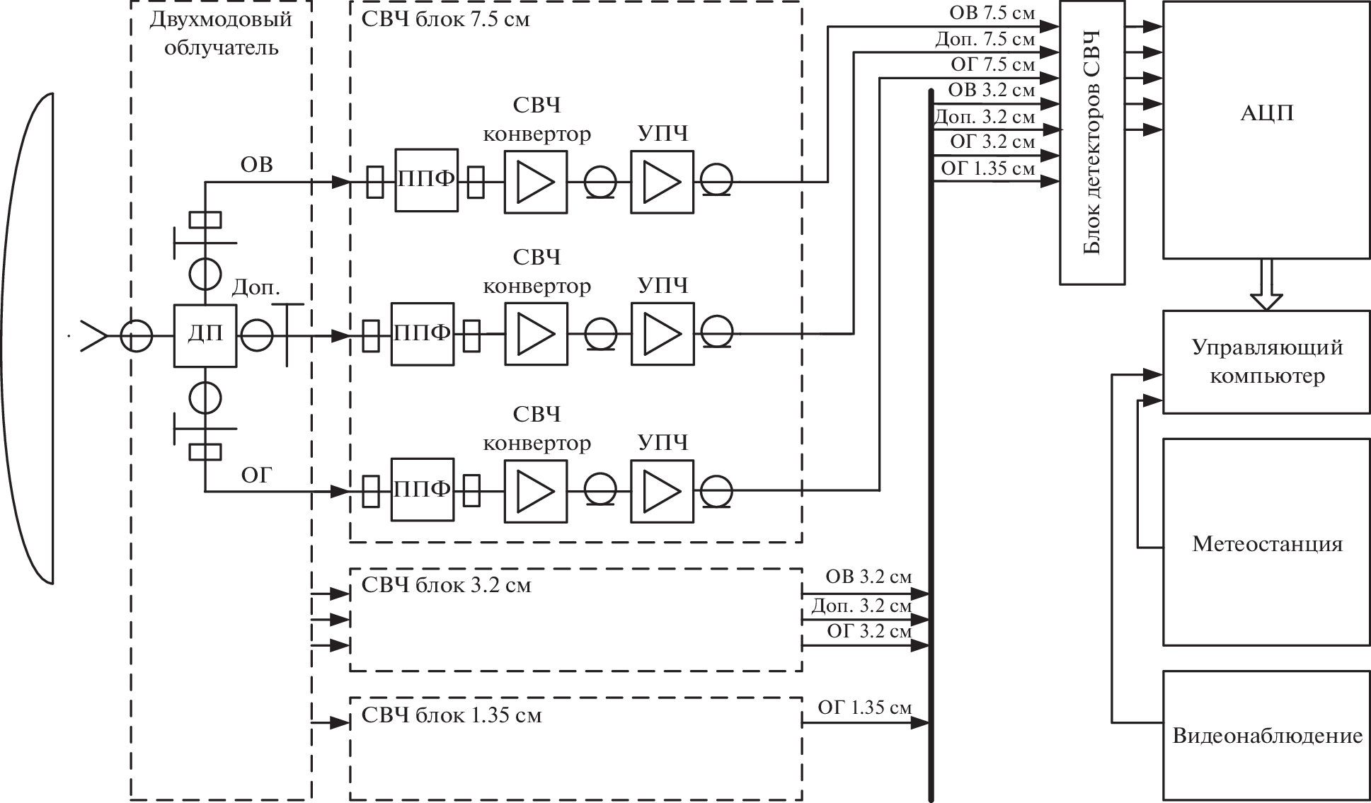
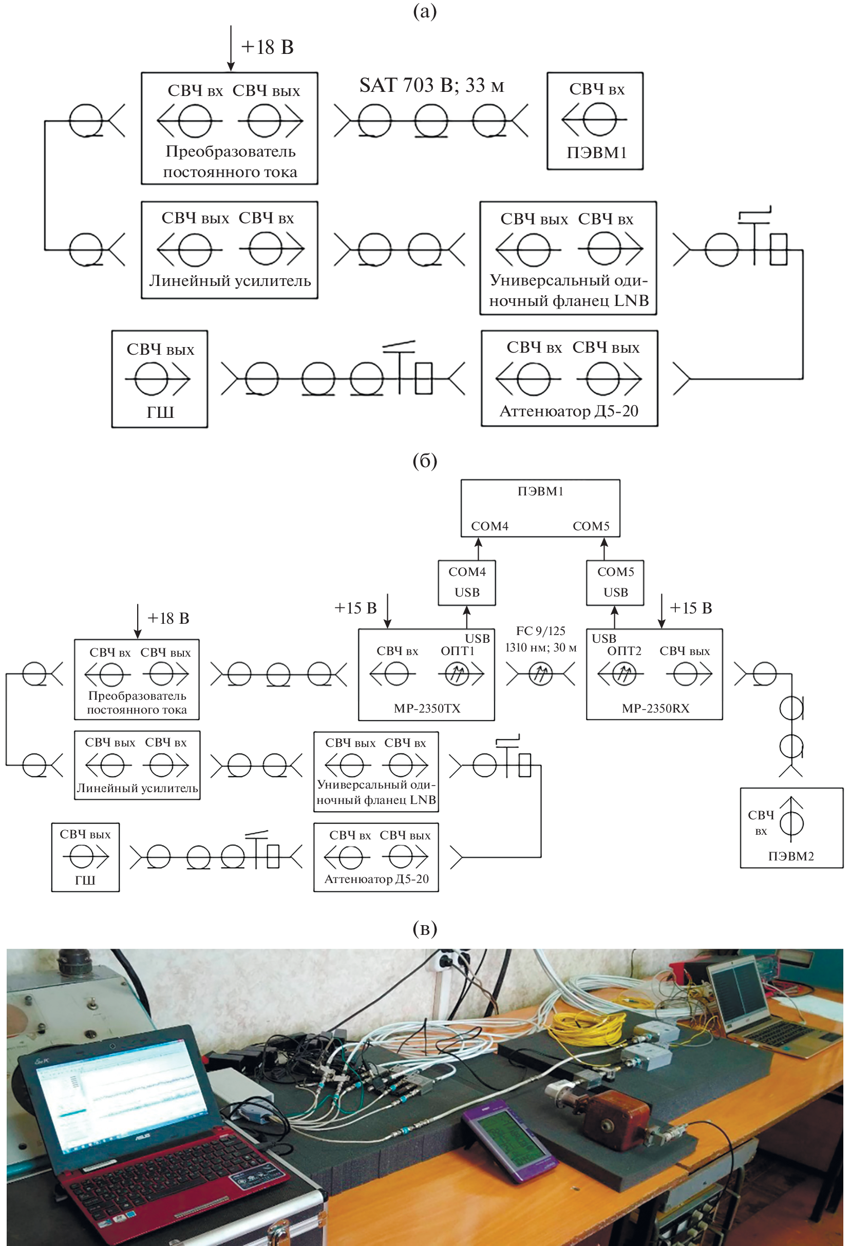
Показаны основные направления совершенствования радиометрических СВЧ-систем для решения задач сверхкраткосрочного прогнозирования развития неблагоприятных и опасных атмосферных метеоявлений, состоящие в решении задач компенсации влияния фоновых шумов, цифровой обработке выходных сигналов, включения в состав системы радиофотонных трактов и нейронной сети. Приведены результаты корреляционной обработки данных дистанционного зондирования приземного слоя неоднородной атмосферы в трех частотных диапазонах.
Об авторах
Г. Г. Щукин
Муромский институт (филиал) Владимирского государственного университета им. А.Г. и Н.Г. Столетовых; Военно-космическая академия им. А.Ф. Можайского
Email: elenafedoseeva@yandex.ru
Российская Федерация, 602264, Муром,
ул. Орловская, 23; Российская Федерация, 197198, Санкт-Петербург, ул. Ждановская, 13
Е. В. Федосеева
Муромский институт (филиал) Владимирского государственного университета им. А.Г. и Н.Г. Столетовых
Email: elenafedoseeva@yandex.ru
Российская Федерация, 602264, Муром,
ул. Орловская, 23
В. В. Булкин
Муромский институт (филиал) Владимирского государственного университета им. А.Г. и Н.Г. Столетовых
Email: elenafedoseeva@yandex.ru
Российская Федерация, 602264, Муром,
ул. Орловская, 23
И. Н. Ростокин
Муромский институт (филиал) Владимирского государственного университета им. А.Г. и Н.Г. Столетовых
Автор, ответственный за переписку.
Email: elenafedoseeva@yandex.ru
Российская Федерация, 602264, Муром,
ул. Орловская, 23
Список литературы
- Степаненко В.Д., Щукин Г.Г., Бобылев Л.П., Матросов С.Ю. Радиотеплолокация в метеорологии. Л.: Гидрометеоиздат, 1987.
- Кутуза Б.Г., Яковлев О.И., Данилычев М.В. Спутниковый мониторинг Земли: Микроволновая радиометрия атмосферы и поверхности. Монография. М.: Ленанд, 2016.
- Кадыгров Е.Н. Микроволновая радиометрия термической стратификации атмосферы. М., 2020.
- Cimini D., Nelson M., Guldner J., Ware R. // Atmos. Meas. Tech. 2015. V. 8. P. 315.
- Westwater E.R., Crewell S., Matzler C. // IEEE Geos. Rem. Sens. Soc. Newsletter. 2005. P. 16.
- Щукин Г.Г., Булкин В.В., Федосеева Е.В., Ростокин И.Н. // Радиотехн. и телекоммуникац. системы. 2022. № 4. С. 5.
- Фалин В.В. Радиометрические системы СВЧ. М.: Луч, 1997.
- Фалин В.В., Костров В.В., Николаев В.А., Гинеотис С.П. // Тез. докл. XIV Всесоюз. конф. по распространению радиоволн. Ленинград, 1984. М.: Наука, 1984. С. 24.
- Щукин Г.Г., Булкин В.В. // РЭ. 2011. Т. 56. № 5. С. 549.
- Гинеотис С.П., Фалин В.В., Костров В.В. и др.// Тр. VII Всесоюз. совещ. Радиометеорология. Л.: Гидрометеоиздат, 1989. С. 122.
- Фалин В.В., Первушин Р.В., Щукин Г.Г. и др. // Труды ГГО. 1991. Вып. 535. С. 61.
- Федосеева Е.В., Щукин Г.Г. Вопросы метрологического обеспечения радиотеплолокационных измерений в условиях действия внешних шумовых помех. Муром: ИИПЦ МИ ВлГУ, 2012.
- Булкин В.В., Щукин Г.Г., Федосеева Е.В., Ростокин И.Н. // Матер. Всерос. откр. науч. конф. “Современные проблемы дистанционного зондирования, радиолокации, распространения и дифракции волн”. Муром: МИ ВлГУ, 2022. С. 7. https://doi.org/10.24412/2304-0297-2022-1-7-20
- Щукин Г.Г., Булкин В.В., Федосеева Е.В., Ростокин И.Н. // Радиотехн. и телекоммуникац. системы. 2022. № 2. С. 5. https://doi.org/10.24412/2221-2574-2022-2-5-19
- Щукин Г.Г., Булкин В.В., Федосеева Е.В., Ростокин И.Н. // Радиотехн. и телекоммуникац. системы. 2022. № 3. С. 5. https://doi.org/10.24412/2221-2574-2022-2-5-19
- Булкин В.В. // Радиотехн. и телекоммуникац. системы. 2014. № 1. С. 73.
- Ростокин И.Н., Федосеева Е.В., Федосеев А.А. // Радиотехн. и телекоммуникац. системы. 2015. № 1. С. 5.
- Федосеева Е.В., Ростокин И.Н. // Труды ГГО. 2010. Вып. 562. С. 243.
- Федосеева Е.В., Ростокина Е.А., Ростокин И.Н. Способ снижения уровня шума антенны и двухмодовая апертурная антенна // Пат. РФ на изобр. № 2300831. Опубл. офиц. бюл. “Изобретения. Полезные модели” № 16 от 10.06.2007.
- Федосеева Е.В. Радиометрическая система с компенсацией аддитивных внешних фоновых помех // Патент на полезную модель № 91630. Опубл. офиц. бюл. “Изобретения. Полезные модели” № 5 от 20.02.2010.
- Ростокин И.Н., Федосеева Е.В., Щукин Г.Г., Ростокина Е.А. // Радиотехн. и телекоммуникац. системы. 2017. № 1. С. 3.
- Ростокин И.Н., Федосеева Е.В., Ростокина Е.А., Щукин Г.Г. // Тр. Военно-космической академии имени А.Ф. Можайского. Вып. 680. СПб., 2022. С. 291.
- Каряев В.В., Ростокин И.Н., Федосеева Е.В., Ростокина Е.А. // Радиотехн.и телекоммуникац. системы. 2020. № 4. С. 5.
- Федосеева Е.В., Щукин Г.Г. // Научный вестник МГТУ ГА. Вып. 186. С. 58.
- Ростокин И.Н., Федосеева Е.В., Ростокина Е.А. // Вестн. Концерна ВКО “Алмаз-Антей”. 2017. № 1. С. 60.
- Ростокин И.Н., Федосеева Е.В. // Радиотехн. и телекоммуникац. системы. 2015. № 1. С. 2.
- Ростокин И.Н., Федосеева Е.В., Щукин Г.Г., Ростокина Е.А. // Радиотехн. и телекоммуникац. системы. 2017. № 1. С. 3.
- Федосеева Е.В., Ростокин И.Н., Щукин Г.Г. // Метеорология и гидрология. 2022. № 12. С. 78.
- Rostokin I.N., Fedoseeva E.V., Shchukin G.G., Kholodov I.Y. Physics of the Atmosphere, Climatology and Environmental Monitoring / Eds. by Zakinyan A., Zakinyan R. Cham: Springer, 2023. P. 141.
- Rostokin I.N., Fedoseeva E.V., Rostokina E.A., Shchukin G.G. // J. Phys.: Conf. Ser. 2022. V. 2388. № 1. P. 012087.
Дополнительные файлы










