Onboard Phased Array Antenna of the Millimeter Wave Range
- Authors: Ponomarev L.I.1, Vasin A.A.1, Krekhtunov V.M.2, Terekhin O.V.1, Komissarova E.V.2
-
Affiliations:
- Moscow Aviation Institute (National Research University)
- Bauman Moscow State Technical University
- Issue: Vol 68, No 8 (2023)
- Pages: 772-781
- Section: К 100-ЛЕТИЮ Б.В. СЕСТРОРЕЦКОГО
- URL: https://medbiosci.ru/0033-8494/article/view/138345
- DOI: https://doi.org/10.31857/S0033849423080107
- EDN: https://elibrary.ru/YRVQWN
- ID: 138345
Cite item
Full Text
Abstract
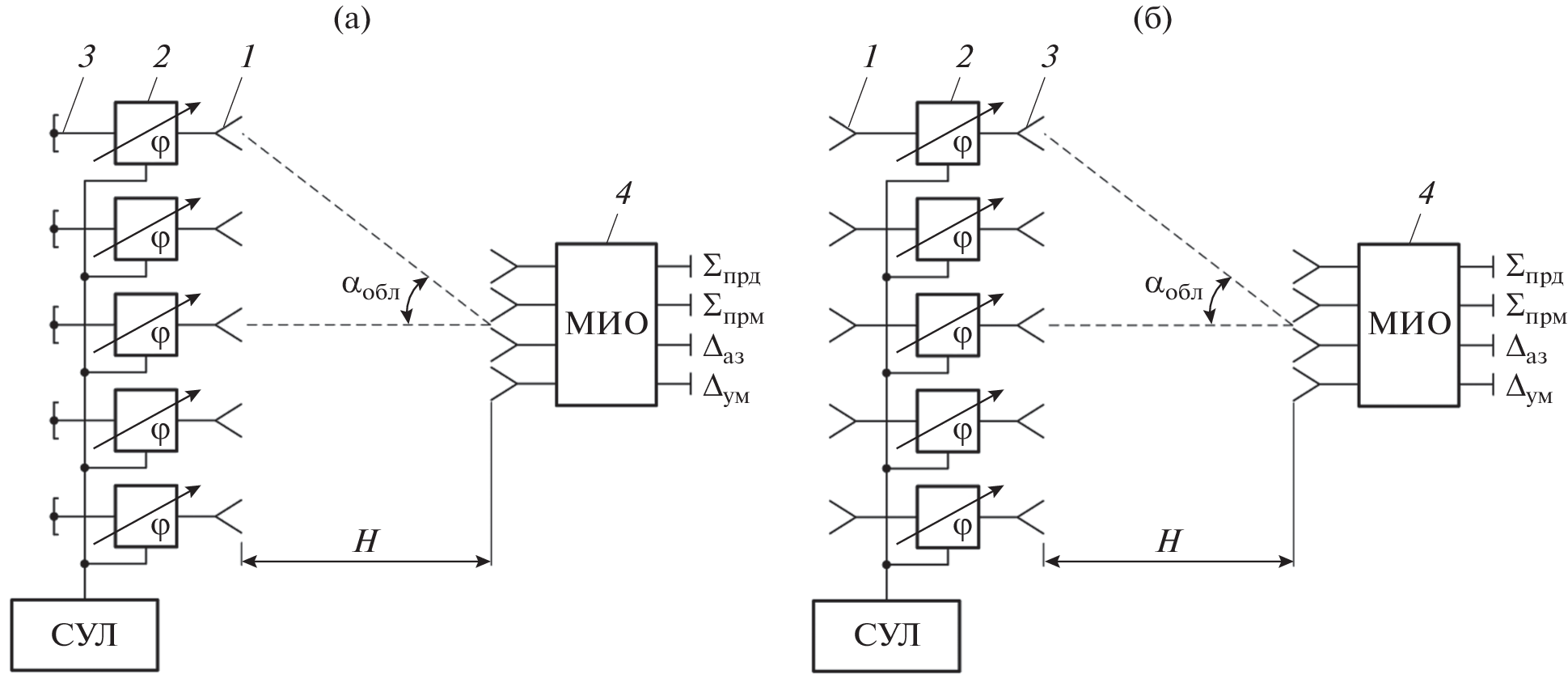
The requirements for the characteristics of phased antenna arrays of radar systems designed to probe the Earth’s surface from an aircraft are determined. The design features of an onboard pass-through phased array antenna with a monopulse irradiator are considered. The results of the calculation of the directivity characteristics and the magnitude of the gain coefficient losses of the phase-controlled antenna array are presented.
About the authors
L. I. Ponomarev
Moscow Aviation Institute (National Research University)
Email: mai4062@mail.ru
Moscow, 125993 Russia
A. A. Vasin
Moscow Aviation Institute (National Research University)
Email: mai4062@mail.ru
Moscow, 125993 Russia
V. M. Krekhtunov
Bauman Moscow State Technical University
Email: mai4062@mail.ru
Moscow, 105005 Russia
O. V. Terekhin
Moscow Aviation Institute (National Research University)
Email: mai4062@mail.ru
Moscow, 125993 Russia
E. V. Komissarova
Bauman Moscow State Technical University
Author for correspondence.
Email: mai4062@mail.ru
Moscow, 105005 Russia
References
- Канащенков А.И. // Фазотрон. Информационно-аналитический журн. корпорации “Фазотрон-НИИР”. 2007. Т. 10. № 1–2. С. 3.
- Денисенко В.В., Дубров Ю.Б., Корчемкин Ю.Б. и др. // Антенны. 2005. № 1. С. 7.
- Антипов В.Н., Меркулов В.И., Самарин О.Ф., Чернов В.С. // Успехи современ. радиоэлектроники. 2009. № 10. С. 7.
- Рошаль Л.Б., Фирсенков А.И., Крехтунов В.М., Шевцов О.Ю. Элемент фазированной антенной решетки. Патент РФ № 2325711. Опубл. офиц. бюл. “Изобретения. Полезные модели” № 15 от 27.05.2008.
- Голубцов М.Е., Русов Ю.С., Крехтунов В.М. и др. Элемент проходной фазированной антенной решетки // Патент РФ № 2461991. Опубл. офиц. бюл. “Изобретения. Полезные модели” № 26 от 20.09.2012.
- Фирсенков А.И., Гуськов А.Б., Комиссарова Е.В. и др. // Электроника и микроэлектроника СВЧ. 2019. Т. 1. С. 4. https://mwelectronics.etu.ru/assets/files/ 2019/p01.pdf.
- Васин А.А., Канащенков А. И., Крехтунов В. М. и др. Проходной элемент фазированной антенной решетки. Патент РФ на полезную модель № 187274. Опубл. офиц. бюл. “Изобретения. Полезные модели” № 7 от 28.02.2019.
- Гуськов А.Б., Комиссарова Е.В., Крехтунов В.М. и др. // СВЧ-электроника. 2020. № 3. С. 29.
- Образумов В.И., Крехтунов В.М., Шевцов О.Ю. и др. Моноимпульсная антенна. Патент РФ № 2370863. Опубл. офиц. бюл. “Изобретения. Полезные модели” № 29 от 20.10.2009.
- Русов Ю.С., Голубцов М.Е., Крехтунов В.М., Нефедов С.И. Модуль проходной фазированной антенной. Патент РФ № 2461930. Опубл. офиц. бюл. “Изобретения. Полезные модели” № 26 от 20.00.2012.
Supplementary files














