Сверхмощный клистрон Х-диапазона длин волн с выходной импульсной мощностью не менее 3 МВт: проектирование и эксперимент
- Authors: 1, 1, 1, 1, 1
-
Affiliations:
- Научно-производственное предприятие “Торий”
- Issue: Vol 68, No 11 (2023)
- Pages: 1108-1116
- Section: ЭЛЕКТРОНИКА СВЧ
- URL: https://medbiosci.ru/0033-8494/article/view/232608
- DOI: https://doi.org/10.31857/S0033849423080065
- EDN: https://elibrary.ru/UWBXIQ
- ID: 232608
Cite item
Full Text
Abstract
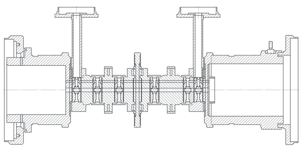
Представлены результаты численного моделирования многолучевого клистрона Х-диапазона длин волн. Дан анализ нового принципа построения пространства взаимодействия, позволяющего обеспечить высокое значение КПД без использования резонаторов второй гармоники. Представлены результаты экспериментального исследования разработанного 25-лучевого клистрона КИУ-283 с пиковой мощностью 3.0 МВт на частоте 9300 МГц с электронным КПД 58%.
About the authors
Научно-производственное предприятие “Торий”
Email: paramonov.yn@toriy.ru
Российская Федерация, 117342, Москва, ул. Обручева, 52, стр. 2
Научно-производственное предприятие “Торий”
Email: paramonov.yn@toriy.ru
Российская Федерация, 117342, Москва, ул. Обручева, 52, стр. 2
Научно-производственное предприятие “Торий”
Author for correspondence.
Email: paramonov.yn@toriy.ru
Российская Федерация, 117342, Москва, ул. Обручева, 52, стр. 2
Научно-производственное предприятие “Торий”
Email: paramonov.yn@toriy.ru
Российская Федерация, 117342, Москва, ул. Обручева, 52, стр. 2
Научно-производственное предприятие “Торий”
Email: paramonov.yn@toriy.ru
Российская Федерация, 117342, Москва, ул. Обручева, 52, стр. 2
References
- Marchesin R., Beunas A., Thouvenin P. et al. // Proc. Conf. IVEC 2017. London. 24–26 Apr. N.Y.: IEEE, 2017. P. 217. https://doi.org/10.1109/IVEC.2017.8289714
- Кочетова В.А., Кучугурный В.И., Лебединский С.В. и др. // РЭ. 1981. Т. 26. № 1. С. 139.
- Malykhin A.V., Yakushkin E.P., Konnonv A.V. // Proc. Conf. IVEC 2003. Seoul. 28-30 May. N.Y.: IEEE, 2003, P. 101. https://doi.org/10.1109/IVEC.2003.1286095
- Комаров Д.А., Якушкин Е.П., Парамонов Ю.Н. // РЭ. 2014. Т. 59. № 9. С. 861.
- Боде Г.В. Теория цепей и проектирование усилителей с обратной связью. М.: Изд-во иностр. лит., 1948.
- Лондон С.Е. Широкополосные радиопередающие устройства. Л.: Энергия, 1970.
- Komarov D.A., Yakushkin E.P., Paramonov Yu.N., Darmaev A.N. // Proc. Conf. IVEC 2019. Busan. 28 Apr.–1 May. N.Y.: IEEE, 2019. https://doi.org/10.1109/IVEC.2019.8744807
- Kilpatrick W.D. // Rev. Scientific Instruments. 1957. V. 28. № 10. P. 824. https://doi.org/10.1063/1.1715731
Supplementary files












