Perveance of cubic circuit containing Child-Langmuir diods in its edges
- Authors: Dubinov A.E.1,2
-
Affiliations:
- Russian Federal Nuclear Center All-Russian Research Institute of Experimental Physics
- National Research Nuclear University Moscow Engineering Physics Institute (MEPhI)
- Issue: Vol 69, No 12 (2024)
- Pages: 1170-1174
- Section: ТЕОРИЯ РАДИОТЕХНИЧЕСКИХ ЦЕПЕЙ
- URL: https://medbiosci.ru/0033-8494/article/view/282225
- DOI: https://doi.org/10.31857/S0033849424120046
- EDN: https://elibrary.ru/HNCWZJ
- ID: 282225
Cite item
Full Text
Abstract
A non-linear electric circuit in a cube-like form is studied. Similar Child–Langmuir diodes are connected in its edges. The procedure of the circuit decomposition by the method of equivalent nodes is carried out. As a result, an exact formula of the general circuit purveyance was derived. The formula can be used to estimate volt-ampere characteristic (VAC) of tetragonal networks with cubic elementary cells containing Child–Langmuir diodes.
Keywords
Full Text
1. ПОСТАНОВКА ЗАДАЧИ
Закон Чайльда–Ленгмюра (закон ЧЛ), который часто еще называют законом “3/2”, является базовым законом физической электроники. Открытый более века назад [1, 2], он описывает зависимость максимально большой стационарной плотности тока электронов в плоском вакуумном диоде от напряжения, когда начальная скорость электронов на катоде равна нулю. Вольт-амперная характеристика (ВАХ) ЧЛ имеет простой вид
, (1)
где I – ток в диоде, U0 – напряжение на диоде, 𝜀0 – диэлектрическая постоянная, S – поперечная площадь диода, d – длина лиода, e – заряд электрона, m – его масса. Коэффициент пропорциональности P называется первеансом диода, первеанс измеряется в А/В3/2.
Применения закона ЧЛ в физической электронике весьма разнообразны: расчет или оценка тока в межэлектродных промежутках электронных ламп [3], а также на некоторых участках в движении электронных пучков в СВЧ-генераторах различного типа [4–6], в ускорителях заряженных частиц прямого действия [7, 8]. Применим закон ЧЛ и при рассмотрении ряда нелинейных явлений в плазме, таких как двойные слои при расширении плазмы в вакуум [9], разрывы электронного течения в плазменно-эрозионных размыкателях [10], режимы магнитной изоляции [11], приповерхностные заряженные слои в плазме [12–16] и т. п. Обзор 100-летней истории развития теории закона ЧЛ и физических приложений диодов ЧЛ представлен в [17].
Известно, что некоторые приборы твердотельной фотоники [18], термоэмиссионные преобразователи [19], светоизлучающие диоды [20], солнечные элементы [21, 22] и т. п. также имеют ВАХ вида (1). Их тоже можно называть диодами ЧЛ.
В [17] рассмотрены только обособленные диоды ЧЛ, подключенные к источнику напряжения, однако диоды ЧЛ могут быть элементами сложной электрической цепи или даже большой сети. В связи с этим представляет интерес рассмотреть особенности их совместной работы при различных схемах подключения. В этом направлении можно назвать лишь три исследования: в [23] рассмотрен диод ЧЛ, последовательно подключенный к резистору, в [24] – двухслойный диод ЧЛ, являющийся упрощенной моделью двух последовательно соединенных диодов ЧЛ, а в [25] получены соотношения для общего первеанса простых участков цепи, содержащих последовательно или параллельно соединенные несколько диодов ЧЛ.
Твердотельные приборы фотоники, в том числе и имеющие ВАХ типа (1), входят в состав многоэлементных цепей, образующих в пространстве объемные сети. Как правило, сети имеют тетрагональную структуру с кубическими элементарными ячейками. Для оценки режимов питания всей сети важно знать, какова ВАХ большой цепи, в которых нелинейные диоды ЧЛ объединены в тетрагональную сеть, и, в частности, какова ВАХ каждой такой ячейки, т. е. каков их общий первеанс.
Цель данной работы – получение удобной формулы для расчета первеанса кубической ячейки с диодами ЧЛ, что является актуальной задачей.
Как отмечалось в [25], диоды ЧЛ, как правило, являются двусторонними, т. е. они могут пропускать ток в обоих направлениях. Тогда диод ЧЛ представляет собой двухполюсник, ВАХ которого подчиняется выражению
, (2)
где P± – ветви первеанса диода ЧЛ при положительном и отрицательном напряжении соответственно. Двухсторонний диод ЧЛ может быть симметричным при P+ = P– или асимметричным при P– ≠ P+. Если одна из ветвей первеанса равна нулю, то такой диод ЧЛ в [25] называют односторонним.
В данной работе получена точная явная формула для первеанса цепи постоянного тока в форме куба, в ребрах которого установлены одинаковые односторонние диоды ЧЛ, хотя несложно распространить полученную формулу и для двусторонних диодов ЧЛ. Для получения этой формулы была использована процедура декомпозиции сложных электрических цепей методом эквивалентных узлов.
Укажем, что решение задачи о ВАХ цепи в форме куба, в ребрах которого установлены одинаковые линейные омические элементы (резисторы) с сопротивлением R, хорошо известно: I = (6/5R)U0 [26–29], и даже обобщено на n-мерный куб [26, 30, 31].
2. ПАРАЛЛЕЛЬНОЕ И ПОСЛЕДОВАТЕЛЬНОЕ СОЕДИНЕНИЕ ТРЕХ ДИОДОВ ЧАЙЛЬДА–ЛЕНГМЮРА
Рассмотрим цепь постоянного тока в форме куба, в ребрах которого установлены одинаковые односторонние диоды ЧЛ, имеющие первеансы – P1, ... 12 = P (рис. 1). Необходимо вывести формулу для ВАХ цепи между узлами A и G, когда узел A заземлен, а на узел G подан потенциал U0.
Рис. 1. Схема кубической цепи с диодами ЧЛ в ребрах: A, B… H ‒ обозначения узлов цепи, 1…12 – нумерация диодов ЧЛ, стрелки показывают направление тока.
Для решения поставленной задачи сначала выведем ВАХ участков цепи с параллельным и последовательным включениями трех, вообще говоря, различных диодов с первеансам P1, 2, 3 (рис. 2а, 2б).
Рис. 2. Схемы параллельного (а) и последовательного (б) соединения участков цепи с тремя диодами ЧЛ: 1…3 –диоды ЧЛ с первеансами P1, 2, 3; Ux1, Ux2, U0 – потенциалы узлов.
Несложно записать выражение для общего тока между заземленным контактом и контактом с потенциалом U0 для параллельного соединения, представленного на рис. 2a:
. (3)
Отсюда получаем, что первеанс параллельного соединения трех диодов ЧЛ равен сумме их первеансов:
P = P1 + P2 + P3. (4)
Этот вывод справедлив и в случае любого количества параллельно соединенных диодов ЧЛ.
Ненамного сложнее найти ВАХ для последовательного соединения (рис. 2б). Для этого сначала нужно найти выражение для потенциалов Ux1 и Ux2 в узлах соединения диодов ЧЛ. Для этого воспользуемся первым законом Кирхгофа, применяемого к этим узлам, в результате получим систему уравнений
(5)
Если возвести в степень 2/3 эти уравнения, то они становятся линейными относительно неизвестных Ux1 и Ux2. В итоге система имеет единственное решение
(6)
Тогда ВАХ последовательного соединения трех диодов ЧЛ запишется в виде
. (7)
Отметим, что ВАХ (6) симметрична относительно перестановки индексов у коэффициентов Pi. Из этого следует, что при любой перестановке диодов ЧЛ в схеме рис. 2б выражение для ВАХ (6) не изменится.
3. КУБИЧЕСКАЯ ЦЕПЬ
3.1. Декомпозиция кубической цепи
Объемная цепь на рис. 1 не может быть изображена на плоскости в виде схемы без пересечения контактных линий. Для ее упрощения проведем известную процедуру ее декомпозиции методом эквивалентных узлов [32].
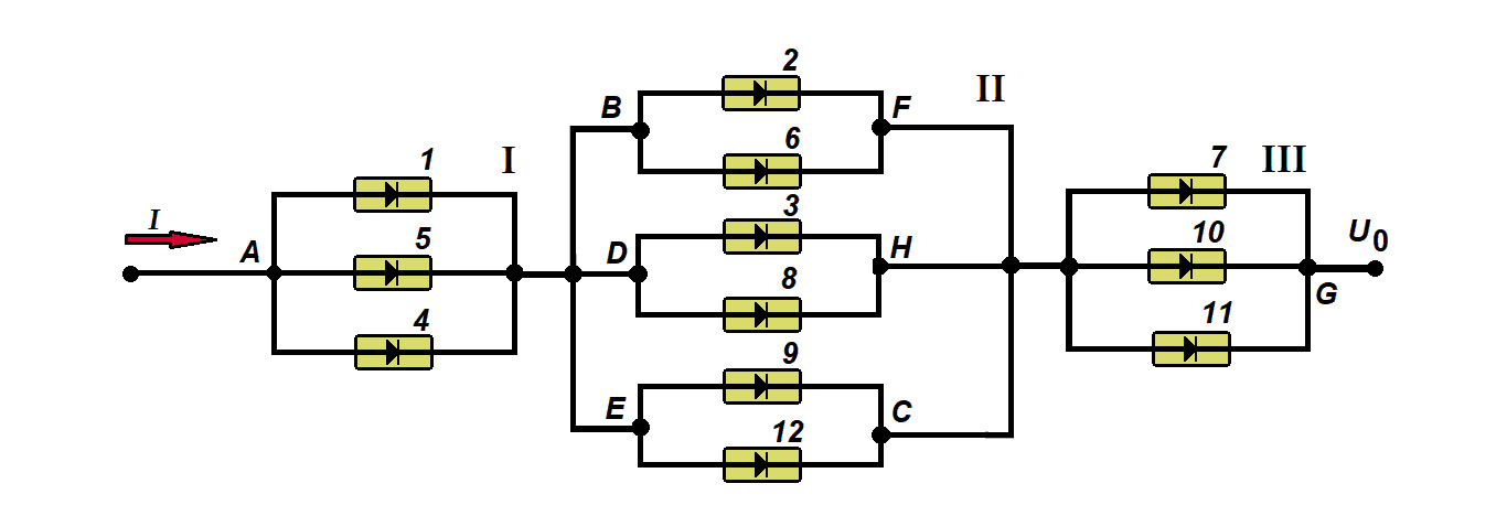
Следует отметить, что узлы B, D и E на рис. 1 находятся в одинаковых условиях вследствие симметрии, так как первеансы всех элементов цепи одинаковы. Следовательно, электрические потенциалы этих узлов равны, и их без ущерба для работы всей цепи можно соединить общим проводником накоротко. Также можно соединить проводником и другую тройку узлов – C, F, H. В результате схему цепи, представленную на рис. 1, можно изобразить на плоскости (рис. 3).
Рис. 3. Схема – результат декомпозиции кубической цепи: I…III – фрагменты цепи; A, B… H – узлы цепи, 1…12 – диоды ЧЛ (исходная схема на рис. 1).
3.2. Вычисление ВАХ кубической цепи
Как видно, цепь состоит их трех последовательно соединенных фрагментов I…III. Во фрагментах I и III имеются по три параллельных диода ЧЛ, а в фрагменте II – шесть параллельных таких диодов. Следовательно, согласно (3) PI = PIII = 3P и PII = 6P. Подставив рассчитанные коэффициенты фрагментов в (7) и проведя несложные алгебраические вычисления, получим ВАХ кубической цепи, в ребрах которой установлены одинаковые нелинейные ЧЛ-элементы, в виде
(8)
И окончательно получаем, что первеанс такого куба равен
.
Это значение – основной результат данной работы. Отметим, что формулы для первеанса (8) и для проводимости омической цепи из [26‒29] оказались с одинаковым коэффициентом (множитель 6/5). Данное обстоятельство указывает на то, что множитель является универсальным для одного и того же графа цепи и не зависит от вида нелинейности ВАХ каждого отдельного элемента.
ЗАКЛЮЧЕНИЕ
Таким образом, в работе выведена точная явная формула для ВАХ кубической цепи постоянного тока, в ребрах которого установлены одинаковые нелинейные диоды ЧЛ. Из формулы следует, что общий первеанс такого куба – 6/5 от первеансов диодов. Для получения этого значения использована процедура декомпозиции сложных электрических цепей методом эквивалентных узлов. Формула позволит легко оценивать электротехнические параметры (режимы электропитания) больших сетей, содержащих такие кубические ячейки с диодами ЧЛ любой другой природы. Для этого каждую кубическую ячейку в большой сети можно представлять эквивалентным нелинейным элементом, имеющим ВАХ (7).
About the authors
A. E. Dubinov
Russian Federal Nuclear Center All-Russian Research Institute of Experimental Physics; National Research Nuclear University Moscow Engineering Physics Institute (MEPhI)
Author for correspondence.
Email: dubinov-ae@yandex.ru
National Research Nuclear University Moscow Engineering Physics Institute (MEPhI), Sarov Physicotechnical Institute
Russian Federation, Prosp. Mira, 37, Sarov, Nizhny Novgorod oblast, 607188; Str. Dukhova, 6, Sarov, Nizhny Novgorod oblast, 607189References
- Child C. D. // Phys. Rev. Ser. I. 1911. V. 32. № 5. P. 492.
- Langmuir I. // Phys. Rev. 1913. V. 2. № 6. P. 450.
- Bull C. S. // J. Inst. Electr. Engineers, Pt III: Radio and Comm. Eng. 1948. V. 95. № 33. P. 17.
- Kompfner R. // J. British Inst. Radio Engineers. 1947. V. 7. № 3. P. 117.
- Liu L., Li L. M., Zhang X. P. et al. // IEEE Trans. 2007. V. PS-35. № 2. P. 361.
- Дубинов А. Е., Михеев К. Е., Селемир В. Д., Судовцов А. В. // Изв. вузов. Физика. 1999. Т. 42. № 6. С. 67.
- Clark J. J., Linke S. // IEEE Trans. 1971. V. ED-18. № 5. P. 322.
- Wittmaack K. // Nucl. Instrum. Meth. 1974. V. 118. № 1. P. 99.
- Degond P., Parzani C., Vignal V. H. // Math. Comput. Modelling. 2003. V. 38. № 10. P. 1093.
- Weber B. V., Boller J. R., Colombant D. G. et al. // Laser and Part. Beams. 1987. V. 5. № 3. P. 537.
- Abdallah N. B., Degond P., Mehats F. // Phys. Plasmas. 1998. V. 5. № 5. P. 1522.
- Sheridan T. E., Goree J. A. // IEEE Trans. 1989. V. PS-17. № 6. P. 884.
- Farouki R. T., Dalvie M., Pavarino L. F. // J. Appl. Phys. 1990. V. 68. № 12. P. 6106.
- Sheridan T. E. // Phys. Plasmas. 1996. V. 3. № 9. P. 3507.
- Benilov M. S. // Plasma Sources Sci. Technol. 2009. V. 18. № 1. P. 014005.
- Lisovskiy V. A., Derevianko V. A., Yegorenkov V. D. // Vacuum. 2014. V. 103. № 1. P. 49.
- Zhang P., Valfells A., Ang L. K. et al. // Appl. Phys. Rev. 2017. V. 4. № 1. P. 011304.
- Tong C., Kozarsky E. S., Kim J. et al. // Mater. Sci. Semicond. Proc. 2018. V. 82. № 1. P. 92.
- Chow K. K., Maddix H. S., Chorney P. // Appl. Phys. Lett. 1967. V. 10. № 9. P. 256.
- Nath C., Kumar A. // J. Appl. Phys. 2012. V. 112. № 9. P. 093704.
- Tan J. H., Anderson W. A. // Solar Energy Materials & Solar Cells. 2003. V. 77. № 3. P. 283.
- Qasrawi A. F., Yaseen T. R., Eghbariy B., Gasanly N. M. // Acta Phys. Polonica A. 2012. V. 122. № 1. P. 152.
- Guedes V. F., Nobrega K. Z., Ramos R. V. // IEEE Trans. 2022. V. ED-69. № 10. P. 5787.
- Dubinov A. E., Kitayev I. N. // IEEE Trans. 2016. V. PS-44. № 10. P. 2376.
- Дубинов А. Е. // Электричество. 2023. № 1. С. 57.
- Narraway J. J. // Electr. Lett. 1994. V. 30. № 24. P. 2004.
- Steenwijk van F. J. // Amer. J. Phys. 1998. V. 66. № 1. P. 90.
- Beltrán R., Gómez F., Franco R. et al. // Lat. Am. J. Phys. Educ. 2013. V. 7. № 4. P. 621.
- Perrier F., Girault F. // Results Phys. 2022. V. 36. № 1. P. 105443.
- Yang Y. X., Low J. H. // IEE Proc.-Circuits Dev. Syst. 1997. V. 144. № 1. P. 51.
- Pippenger N. // Math. Mag. 2010. V. 83. № 5. P. 331.
- Xацет А. // Квант. 1972. № 2. С. 54.
Supplementary files





