Optimal Organization of Complex Processes in Chemical Engineering Using General Systems Theory
- Authors: Naletov V.A.1, Glebov M.B.1, Ravichev L.V.1, Naletov A.Y.1
-
Affiliations:
- Mendeleev University of Chemical Technology of Russia
- Issue: Vol 57, No 2 (2023)
- Pages: 141-150
- Section: Articles
- Published: 01.03.2023
- URL: https://medbiosci.ru/0040-3571/article/view/138437
- DOI: https://doi.org/10.31857/S0040357123020070
- EDN: https://elibrary.ru/EJAUGQ
- ID: 138437
Cite item
Full Text
Abstract
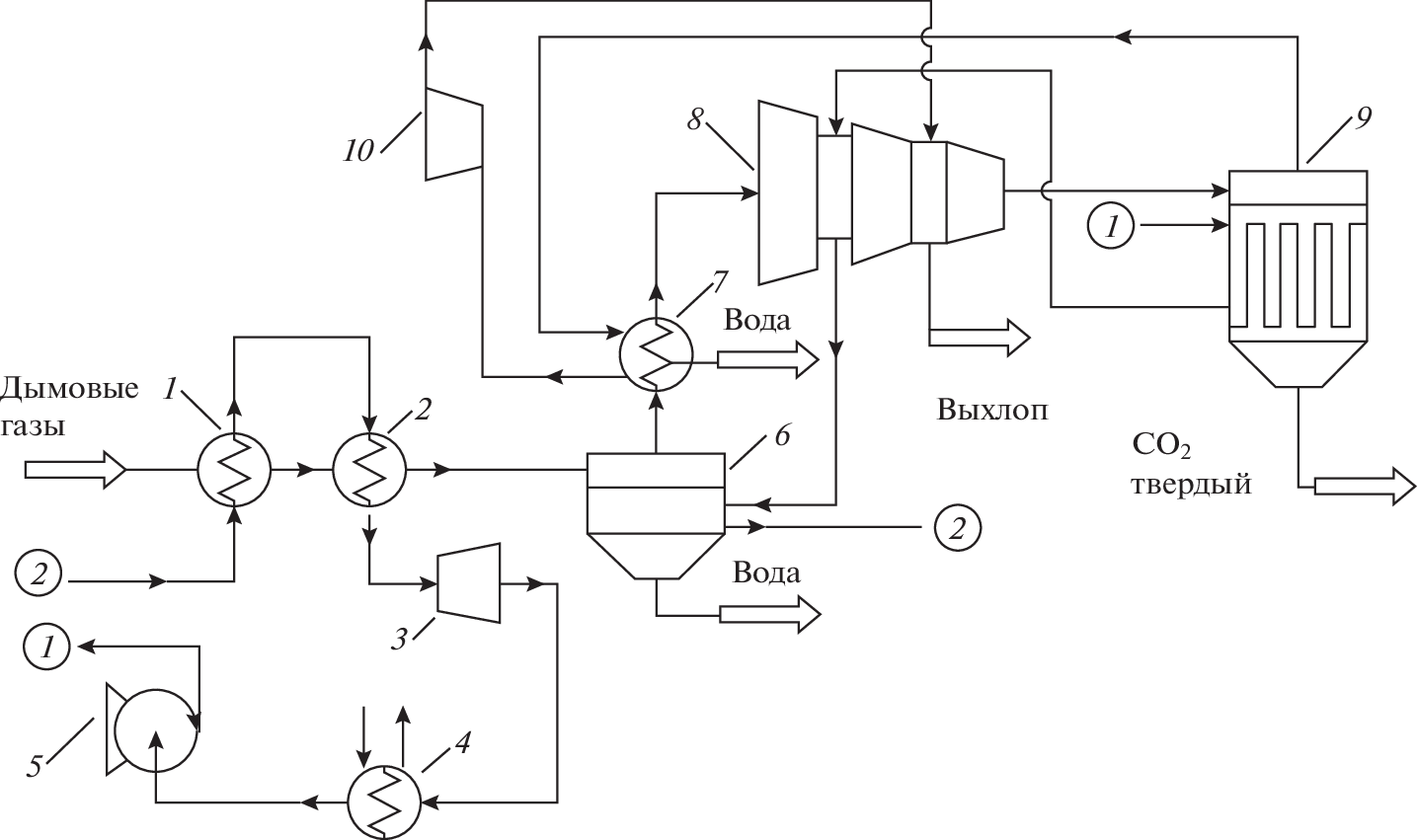
The organization of complex chemical-engineering systems (CESs) is optimized using the organism-based approach of general systems theory from the standpoint of information theory. It is shown that the organism-based approach makes it possible to write the problem of the optimal organization of a CES as a multilevel optimization procedure, which implies the coordinated functioning of the elements of the system at the macrolevel in conjunction with an increase in their efficiency at the microlevel. This allows to achieve synergistic effects in the system. Improving the organization of the CES objectively causes increases the macroscopicity or integrity of the system, as well its autonomy in terms of energy use. Organization criteria for designing new process solutions are presented, which characterize the optimal distribution of CES functions between elements and subsystems. The possibility of achieving synergistic indicators of energy efficiency was demonstrated in designing a new process for the removal of carbon dioxide from flue gases.
About the authors
V. A. Naletov
Mendeleev University of Chemical Technology of Russia
Email: jacen23@yandex.ru
125047, Moscow, Russia
M. B. Glebov
Mendeleev University of Chemical Technology of Russia
Email: jacen23@yandex.ru
125047, Moscow, Russia
L. V. Ravichev
Mendeleev University of Chemical Technology of Russia
Email: jacen23@yandex.ru
125047, Moscow, Russia
A. Yu. Naletov
Mendeleev University of Chemical Technology of Russia
Author for correspondence.
Email: jacen23@yandex.ru
125047, Moscow, Russia
References
- Bertalanffi L. von. General system theory: Foundation, development, application. N.-Y. 1968. 289 p.
- Рулье К.Ф. Избранные биологические произведения. М.: Изд-во АН СССР. 1954. 78 с.
- Реймерс Н.Ф. Природопользование. Словарь-справочник. М.: Мысль. 1990. 637 с.
- Винер Н. Я – математик. М: Наука. 1964. 356 с.
- Моисеев Н.Н. Алгоритмы развития. М.: Наука. 1987. 302 с.
- Налетов В.А., Колесников В.А., Глебов М.Б. Термодинамические основы системного информационного подхода к организации сложных технологических объектов // Теорет. основы хим. технологии. 2020. Т. 54. № 2. С. 1–10 [Naletov V.A., Kolesnikov V.A., Glebov M.B. Thermodynamic Foundations of an Information-Based Systems Approach to Designing Complex Engineering Objects. Theoretical Foundations of Chemical Engineering, 2020. V. 54 (3). P. 456–464. https://doi.org/10.1134/S0040579520020128].
- Кобозев Н.И. Исследование в области термодинамики процессов информации и мышления. М.: МГУ. 1971. 194 с.
- Дигуров Н.Г., Китайнер А.Г., Налетов А.Ю., Скудин В.В. Проектирование и расчет аппаратов технологии горючих ископаемых. М.: Химия. 1993. 278 с.
- Налетов В.А., Гордеев Л.С., Глебов М.Б., Налетов А.Ю. Информационно-термодинамический принцип организации химико-технологических систем // Теорет. основы хим. технологии. 2011. Т. 45. № 5. С. 541–549. [Naletov V.A., Gordeev L.S., Glebov M.B., Naletov A.Y. Information-Thermodynamic Principle of the Organization of Chemical Engineering Systems // Theor. Found. of Chemical Engineering. 2011. V. 45. № 5. P. 631–639. https://doi.org/10.1134/S0040579511050289].
- El-Sayed Y.M., Evans R.B. Thermoeconomics and the design of heat systems // Trans. ASME, J. Eng. Power. 1969. V. 92. P. 27–34.
- Налетов В.А., Глебов М.Б., Налетов А.Ю. Цифровое проектирование оптимально организованных химических производств. Теория и практика. Часть 1. Теория. М.: РХТУ им. Д.И. Менделеева, 2021. 172 с.
- Naletov V.A. Exergy Analysis of Commercial Carbon Dioxide Production from Flue Gases in a Trigeneration Power Plant // Coke and Chemistry. 2019. V. 62. № 10. P. 481–488.
- Herzog H. An Introduction to CO2 separation and capture technologies // Cambridge, Mass.: MIT Energy Laboratory. 1999. 8 p.
- Herzog H., Meldon J., Hatton A. Advanced Post-Combustion CO2 Capture // Clean Air Task Force Report. USA. 2009. 37 p.
Supplementary files






