Dependence of Parameters of a Radio-Frequency Closed Electron Drift Accelerator on the Radio-Frequency Capacitive Discharge Circuit
- Authors: Zadiriev I.I.1, Shvydkii G.V.1, Vavilin K.V.1, Kralkina E.A.1, Nikonov A.M.1
-
Affiliations:
- Moscow State University, Faculty of Physics
- Issue: Vol 61, No 1 (2023)
- Pages: 3-10
- Section: Исследование плазмы
- URL: https://medbiosci.ru/0040-3644/article/view/138597
- DOI: https://doi.org/10.31857/S0040364423010015
- ID: 138597
Cite item
Full Text
Abstract
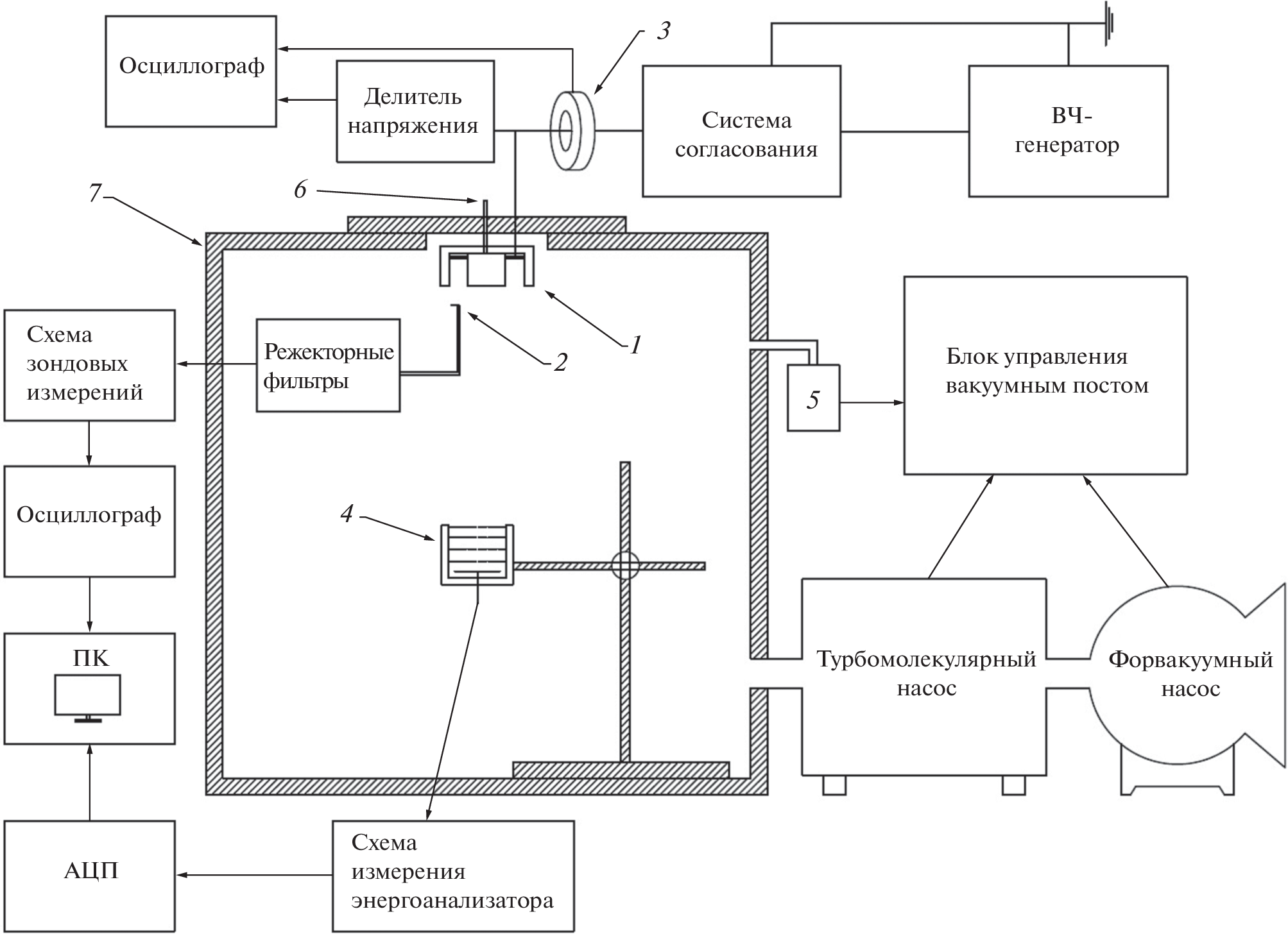
The parameters of a radio-frequency capacitive discharge confined in a closed electron drift accelerator with an extended acceleration zone have been studied for different discharge circuits, namely, with dc-closed and dc-open electrodes and with additional dc biasing of the active electrode. In the open circuit, the plasma concentration is minimal and the ion energy in the jet at the exit from the prototype is about 25 eV. The dc closing of the active electrode increases both the plasma density and the ion energy to 250 eV. A further increase or decrease in these parameters is possible by applying a positive or negative dc bias, respectively, to the active electrode.
About the authors
I. I. Zadiriev
Moscow State University, Faculty of Physics
Email: iizadiriev@yandex.ru
119991, Moscow, Russia
G. V. Shvydkii
Moscow State University, Faculty of Physics
Email: iizadiriev@yandex.ru
119991, Moscow, Russia
K. V. Vavilin
Moscow State University, Faculty of Physics
Email: iizadiriev@yandex.ru
119991, Moscow, Russia
E. A. Kralkina
Moscow State University, Faculty of Physics
Email: iizadiriev@yandex.ru
119991, Moscow, Russia
A. M. Nikonov
Moscow State University, Faculty of Physics
Author for correspondence.
Email: iizadiriev@yandex.ru
119991, Moscow, Russia
References
- Goebel D.M., Katz I. Fundamentals of Electric Propulsion: Ion and Hall Thrusters. USA: Jet Propulsion Laboratory, California Institute of Technology, 2008. 493 p.
- Горшков О.А., Муравлев В.А., Шагайда А.А. Холловские и ионные плазменные двигатели для космических аппаратов. М.: Машиностроение, 2008. 292 с.
- Mazouffre S. Electric Propulsion for Satellites and Spacecraft: Established Technologies and Novel Approaches // Plasma Sources Sci. Technol. 2016. V. 25. 033002.
- Goebel D.M., Hofer R.R., Mikellides I.G., Katz I., Polk J.E., Dotson B.N. Conducting Wall Hall Thrusters // IEEE Trans. Plasma Sci. 2015. V. 43. № 1. P. 118.
- Zhurin V.V. Industrial Ion Sources. Broadbeam Gridless Ion Source Technology. Weinheim: John Wiley & Sons Limited, 2012. 312 p.
- Морозов А.И. Введение в плазмодинамику. М.: Физматлит, 2006. 576 с.
- Архипов А.С., Ким В.П., Сидоренко Е.К. Стационарные плазменные двигатели Морозова. М.: Изд-во МАИ, 2012. 292 с.
- Ким В.П. Конструктивные признаки и особенности рабочих процессов в современных стационарных плазменных двигателях Морозова // ЖТФ. 2015. Т. 85. № 3. С. 45.
- Filatyev A.S., Yanova O.V. The Control Optimization of Low-Orbit Spacecraft with Electric Ramjet // Acta Astronautica. 2019. V. 158. P. 23.
- Zheng P., Wu J., Zhang Yu., Wu B. A Comprehensive Review of Atmosphere-Breathing Electric Propulsion Systems // Int. J. Aerospace Eng. 2020. V. 2020. 8811847.
- Гордеев С.В., Канев С.В., Суворов М.О., Хартов С.А. Оценка параметров прямоточного высокочастотного ионного двигателя // Тр. МАИ. 2017. № 96.
- Filatyev A.S., Golikov A.A., Erofeev A.I., Khartov S.A., Lovtsov A.S., Padalitsa D.I., Skvortsov V.V., Yanova O.V. Research and Development of Aerospace Vehicles with Air Breathing Electric Propulsion: Yesterday, Today, and Tomorrow // Progress in Aerospace Sciences. 2023. V. 136. 100877.
- Задириев И.И., Рухадзе А.А., Кралькина Е.А., Павлов В.Б., Вавилин К.В., Тараканов В.П. Математическое моделирование емкостного ВЧ-разряда низкого давления, помещенного во внешнее радиальное магнитное поле посредством программы КАРАТ // ЖТФ. 2016. Т. 86. № 11. С. 1.
- Задириев И.И., Кралькина Е.А., Вавилин К.В., Швыдкий Г.В., Александров А.Ф. Комбинация емкостного высокочастотного разряда и разряда постоянного тока для использования в плазменном ускорителе с замкнутым дрейфом электронов. Ч. I. Вольт-амперная характеристика и импеданс разряда // Прикл. физика. 2018. № 2. С. 10.
- Köhler K., Coburn J.W., Horne D.E., Kay E., Keller J.H. Plasma Potentials of 13.56 MHz RF Argon Glow Discharges in a Planar System // J. Appl. Phys. 1985. V. 57. P. 59.
- Райзер Ю.П., Шнейдер М.Н., Яценко Н.А. Высокочастотный емкостный разряд. М.: Изд-во МФТИ, Наука–Физматлит, 1995. 320 с.
- Savinov V.P. Physics of Radiofrequency Capacitive Discharge. CRC Press, 2018. 342 p.
- Lieberman M.A., Lichtenberg A.J. Principles of Plasma Discharges and Materials Processing. Hoboken, New Jersey: John Wiley & Sons, Inc., 2004. 800 p.
- Задириев И.И., Кралькина Е.А., Вавилин К.В., Швыдкий Г.В., Александров А.Ф. Комбинация емкостного высокочастотного разряда и разряда постоянного тока для использования в плазменном ускорителе с замкнутым дрейфом электронов. Ч. II. Функции распределения ионов по энергиям // Прикл. физика. 2018. № 3. С. 5.
- Задириев И.И., Кралькина Е.А., Вавилин К.В., Швыдкий Г.В., Александров А.Ф. Комбинация емкостного высокочастотного разряда и разряда постоянного тока для использования в плазменном ускорителе с замкнутым дрейфом электронов. Ч. III. Математическое моделирование // Прикл. физика. 2018. № 5. С. 33.
- Shvydkiy G.V., Zadiriev I.I., Kralkina E.A., Vavilin K.V. Acceleration of Ions in a Plasma Accelerator with Closed Electron Drift Based on a Capacitive Radio-frequency Discharge // Vacuum. 2020. V. 180. 109588.
Supplementary files









