Механизм лазерно-индуцированного широкополосного излучения поликристаллического графита
- Authors: Рехвиашвили С.Ш.1, Гаев Д.С.2, Маргушев З.Ч.3
-
Affiliations:
- Институт прикладной математики и автоматизации КБНЦ РАН
- Кабардино-Балкарский государственный университет им. Х.М. Бербекова
- Институт информатики и проблем регионального управления КБНЦ РАН
- Issue: Vol 62, No 1 (2024)
- Pages: 18-23
- Section: Plasma Investigations
- URL: https://medbiosci.ru/0040-3644/article/view/272362
- DOI: https://doi.org/10.31857/S0040364424010036
- ID: 272362
Cite item
Full Text
Abstract
Под воздействием ИК лазерного излучения на поликристаллический графит в видимой области спектра появляется вторичное широкополосное излучение. С целью выяснения природы этого явления проведено сравнение с излучением при резистивном нагреве и дуговом разряде. Сделан вывод о том, что широкополосное излучение поликристаллического графита можно отнести к антистоксовой люминесценции, которая возникает за счет вынужденного комбинационного рассеяния фотонов при высоких температурах. Предложена и реализована имитационная модель, в рамках которой спектр излучения качественно воспроизводится последовательным включением апериодических звеньев второго порядка.
Full Text
ВВЕДЕНИЕ
Широкополосное (“белое”) излучение возникает в видимой части спектра у некоторых материалов с диэлектрическими и полупроводниковыми свойствами в результате воздействия на них ИК лазерного излучения. Максимум спектра чаще всего приходится на интервал длин волн 590–650 нм. В ряде работ утверждается, что данное излучение представляет собой тепловое излучение, аналогичное по своим свойствам излучению абсолютно черного тела, и описывается законом Планка [1–5]. В данном случае рассчитываемая температура излучения, как правило, превышает температуру плавления материала. В других работах тепловое равновесное излучение частично или даже полностью исключается из числа возможных причин появления широкополосного излучения [6–10]. При этом обсуждается роль многофотонной ионизации, электронных переходов и люминесценции атомов, генерации свободных носителей заряда, плазменных колебаний, фононного спектра и др. В целом общепринятое объяснение широкополосного излучения до сих пор отсутствует.
В работах [11–14] предприняты попытки не только качественно, но и количественно описать физику широкополосного излучения. В [11, 12] рассмотрена феноменологическая модель, в которой излучение определяется двумя факторами: поляризацией материала и размерной зависимостью теплового излучения. Обращено внимание на то, что высокоинтенсивное свечение может быть связано не с реальной высокой температурой, а со специфическими диэлектрическими свойствами материала и размерным эффектом для газа фотонов. Спектры широкополосного излучения углеродных материалов изучались в [13, 14]. Выявлены следующие свойства: 1) наблюдаются широкополосные спектры, которые помимо основного пика содержат эквидистантно расположенные гармоники; 2) положение максимума вторичного излучения в спектре и его ширина почти не зависят от интенсивности возбуждающего лазерного ИК-излучения; 3) имеет место красный сдвиг спектров излучения дисперсного углерода относительно спектра излучения массивного образца; 4) в пределах точности измерений интегральная добротность, равная отношению собственной частоты колебаний системы к ширине испускаемой спектральной полосы, для всех углеродных материалов остается неизменной; 5) спектральные свойства широкополосного излучения в общих чертах схожи между собой для различных материалов (в том числе для фуллеренов, графена, кремния, германия и др. [15–18]). Перечисленные свойства позволяют с высокой степенью уверенности сделать вывод о высокотемпературной люминесценции углеродных материалов под действием лазерного ИК-излучения. В итоге в [13, 14] сформулировано предположение о комбинационном рассеянии фотонов как о механизме люминесценции, суть которого заключается в следующем. Сначала поглощается первичный фотон и образуется промежуточный экситон, который поглощает фонон и переходит в более высокое квантовое состояние. Затем происходит рекомбинация электрона и дырки с испусканием фотона, частота которого выше частоты первичного фотона.
Методологически наиболее оправданный способ установить природу ИК лазерно-индуцированного широкополосного излучения заключается в сравнении этого излучения с другими видами излучения в единых экспериментальных условиях и с использованием одних и тех же материалов. В настоящей работе для поликристаллического графита проводится сравнение ИК лазерно-индуцированного широкополосного излучения с излучениями, которые возникают при резистивном нагреве и дуговом разряде. На данной основе формулируется описание физического механизма широкополосного излучения поликристаллического графита.
ОПИСАНИЕ ЭКСПЕРИМЕНТОВ
Все эксперименты проводились в воздушной атмосфере. В качестве исследуемого материала использовались графитированные электроды марки ЭГСП-1 цилиндрической формы. Параметры электродов: поликристаллический графит, удельное электрическое сопротивление – 5.5 × 10–6 Ом м, плотность – 1.65 г/см3. Измерялись спектры комбинационного рассеяния с помощью конфокального рамановского микроскопа inVia Raman Microscope с длиной волны возбуждающего излучения 514.5 нм. На рис. 1 представлены спектры для графитированного электрода и искусственного алмаза. В спектре графитированного электрода содержатся три линии D, G и 2D, но наиболее интенсивная линия G соответствует графиту. Для алмаза, как и должно быть, наиболее интенсивной является линия D.
Рис. 1. Спектры комбинационного рассеяния поликристаллического графита (а) и искусственного алмаза (б).
В качестве источника ИК-излучения использовался фемтосекундный лазерный комплекс Fusion, работающий в непрерывном режиме генерации, с длиной волны 800 нм, диаметром пучка 2 мм. Выходная мощность сигнала контролировалась измерителем мощности излучения S142C и составляла 0.3 Вт. Лазерный пучок фокусировался на исследуемый образец с помощью асферической линзы Thorlabs C240TME-B (фокусное расстояние – 8 мм, числовая апертура NA = 0.5, диаметр фокального пятна для длины волны 800 нм приблизительно равен 4 мкм). В результате интенсивность излучения в фокальном пятне составляла 2.4 МВт/см2. Спектры рассеянного от образцов излучения измерялись под фиксированным острым углом 30°‒40° относительно направления падающего излучения.
Для резистивного нагрева и поддержания дугового разряда использовался регулируемый автотрансформатор (напряжение и ток до 25 В и 8 А). Расстояние между электродами при дуговом разряде составляло 100–200 мкм. Резистивный нагрев проводился при различных мощностях тепловыделения на образце вплоть до предельной температуры перегорания электродов.
Спектры рассеянного излучения регистрировались спектрометром HR4000 с волоконным входом в режиме “High-Speed Acquisition”, при котором непрерывно снимается набор спектров, время одного сканирования – 20 мс. Осуществлялось сглаживание всех спектров по распределению Гаусса. Параметр, определяющий ширину окна сглаживания, равнялся пяти. Полученные результаты приведены на рис. 2.
Рис. 2. Спектры излучения поликристаллического графита: 1 – лазерно-индуцированное излучение, 2 – излучение при дуговом разряде, 3–5 – излучение в результате резистивного нагрева при различных температурах.
ИНТЕРПРЕТАЦИЯ РЕЗУЛЬТАТОВ ЭКСПЕРИМЕНТОВ
Резистивный нагрев поликристаллического графита сопровождается виновским смещением спектра (полосы 3–5 на рис. 2), что свидетельствует о тепловом механизме этого излучения. Лазерно-индуцированное широкополосное излучение (спектр 1 на рис. 2) обладает свойствами люминесценции [13, 14]: изменение интенсивности возбуждающего лазерного воздействия в пределах трех порядков величины не влияет на положение спектра вторичного излучения, центр которого приходится на ~590 нм. Спектр излучения при электродуговом разряде (спектр 2 на рис. 2) является типичным для углеродной плазмы с интенсивными полосами Свана C2 и CI [19–21].
На рис. 2 спектры 1 и 2 имеют общие характерные особенности, поэтому возникает вопрос об их взаимосвязи. В случае ИК лазерного воздействия в графите происходит бестоковое возбуждение экситонов [22], и вторичное широкополосное излучение, по-видимому, создается вследствие экситон-фононного взаимодействия. В антистоксовом процессе экситон поглощает фонон и рекомбинирует, испуская рассеянный фотон. Минимальная энергия рассеянного фотона, таким образом, оказывается выше экситонной ширины запрещенной зоны: где – экситонная ширина запрещенной зоны, – частота оптического фотона. При дуговом разряде через промежуток между электродами протекает электрический ток. Напряженность электрического поля в экспериментах ~105 В/м. В данном случае электроны уже способны покидать материал, преодолевая потенциальный барьер, высота которого определяется работой выхода электрона (для графита 4.7 эВ) и силой электростатического изображения. В результате в дуговом промежутке формируется подвижная плазма, состоящая из электронов, ионов углерода и заряженных частиц воздуха. В качестве аналогии для описанных процессов в некотором смысле можно привести внутренний и внешний фотоэффекты в полупроводнике.
Вывод о конструктивной роли фононов для широкополосного излучения следует из экспериментально установленных фактов. Во-первых, увеличение температуры при резистивном нагреве приводит не только к виновскому смещению, но и к появлению бесфононной линии ZPL (Zero Phonon Line), которая проявляется в виде дополнительной устойчивой гармоники с длиной волны 681 нм (1.82 эВ), см. спектры 3–5 на рис. 2. Аналогичная линия встречается в спектрах фотолюминесценции алмазов [23, 24]. Интенсивное испарение углерода и поверхностная ионизация при этом, очевидно, исключены, но спектры по своей форме становятся похожими на спектры лазерно-индуцированного широкополосного излучения. Хорошо, однако, известно, что при увеличении тока и температуры электрон-фононное взаимодействие усиливается, что отражается и на спектрах излучения. Максимумы бесфононной линии и планковского распределения совпадают при температуре 3982°C. При такой температуре графит уже испаряется, что следует из данных работы [25]. Во-вторых, имеет место красный сдвиг спектров широкополосного излучения при переходе от массивной к мелкодисперсной форме образца [13, 14]. Величина сдвига ~50 нм равна расстоянию между двумя ближайшими гармониками. По мнению авторов, этот размерный эффект объясняется увеличением суммарной свободной поверхности и “размягчением” фононных мод; при диспергировании материала число слабосвязанных атомов увеличивается, поэтому спектр атомных колебаний смещается в низкочастотную область. Подобный сдвиг регистрируется для 2D-полосы комбинационного рассеяния, что обусловлено изменением электрон-фононного взаимодействия [26–28]. В связи с этим следует обязательно отметить, что интенсивность широкополосного излучения углеродных материалов отчетливо коррелирует с амплитудой и шириной 2D-полосы. Так, наиболее яркое излучение наблюдается у графена [29–31], менее яркое излучение – у поликристаллического графита и технического углерода (carbon black) [13, 14], излучение очень слабое или практически отсутствует у искусственных алмазов и высоко ориентированного пиролитического графита. Согласно спектру на рис. 1а, использованные в настоящей работе графитированные электроды имеют свойства турбостратного графита. Сходство спектров комбинационного рассеяния для графена и турбостратного графита заключается прежде всего в наличии интенсивных двухфононных полос 2D, что позволяет сделать вывод о своеобразной двумерности турбостратного графита [28].
При высокой интенсивности лазерного излучения спектры генерируемого широкополосного излучения приобретают хорошо выраженную модовую структуру, которая раскрывается после превышения энергии лазерного воздействия некоторого значения (более 10 кВт/см2). То же самое имеет место и для графена [29–31], для которого получаются спектры с отчетливыми фононными повторениями. Помимо этого, вторичное излучение может быть результативно зафиксировано только под вполне определенными углами к направлению распространения возбуждающего излучения. В общем контексте все это указывает на процесс вынужденного комбинационного рассеяния (ВКР) фотонов [32]. Достаточная для вынужденного излучения заселенность высоких экситонных уровней достигается в данном случае за счет фононной подсистемы. При подкачке с участием фононов возникают существенно неравновесные электроны и дырки, энергия которых намного больше экситонной ширины запрещенной зоны. Их излучательная рекомбинация создает условия для повторения процесса ВКР, т.е. генерация на одной линии служит подкачкой для генерации на второй линии и т.д.
Таким образом, вырисовывается следующая физическая картина. В результате непрерывного ИК лазерного облучения поликристаллического графита в течение короткого промежутка времени образуются экситонный газ и тепловой резервуар с газом фононов. Благодаря взаимодействию экситонов с тепловым резервуаром в системе устанавливается квазистационарное состояние. Поскольку число экситонов не сохраняется, то такое состояние достигается за счет поглощения лазерного излучения, рождения и уничтожения экситонов с испусканием рассеянных фотонов. Как следствие, в поликристаллическом графите экситоны в антистоксовом процессе распределяются по люминесцентным состояниям (центральная линия 2.1 эВ), которые, в частности, соответствуют полосам Свана.
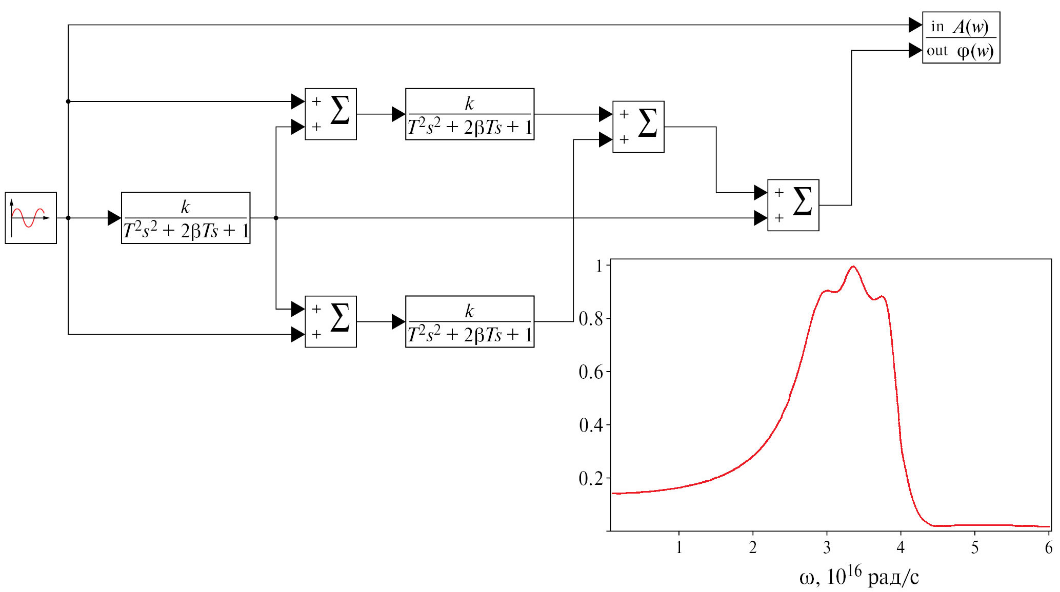
В [33] предложена наглядная модель динамики электрон-фононного взаимодействия в виде апериодического звена второго порядка. Данный подход можно расширить применительно к лазерно-индуцированному широкополосному излучению. Авторами предлагается имитационная модель излучения, суть которой состоит в том, что с каждой отдельной спектральной линией увязывается апериодическое звено второго порядка с коэффициентом передачи k. Это звено описывается дифференциальным уравнением затухающих колебаний вида:
где – постоянная времени (период незатухающих колебаний, поделенный на 2π), – смещение осциллятора, β – коэффициент демпфирования. Предполагается, что входной сигнал – лазерное излучение – действует одновременно на все звенья. Вместе с этим также учитывается, что звено, относящееся к сильной линии, служит подкачкой для звеньев, моделирующих соседние слабые линии. На рис. 3 показаны результаты моделирования с применением среды динамического моделирования SimInTech [34]. Имитационная модель качественно воспроизводит наблюдаемую форму широкополосного спектра. Известно, что неравновесное излучение всегда носит синергетический характер [35, с. 264]. Поэтому не исключается, что посредством фононной подсистемы слабые линии могут влиять друг на друга и даже оказывать возвратное действие на сильные линии, т.е. элементарные осцилляторы-излучатели в системе могут быть связаны между собой более сложным образом. В рассмотренной имитационной модели это будет описываться обратными связями. Подробное изучение данного вопроса является предметом отдельного исследования.
Рис. 3. Имитационная модель широкополосного излучения.
ЗАКЛЮЧЕНИЕ
В настоящей работе экспериментально исследовано ИК лазерно-индуцированное широкополосное излучение массивного поликристаллического графита. Проведено сравнение спектров этого излучения со спектрами излучения при резистивном нагреве и дуговом разряде. Поскольку характерная длина волны широкополосного излучения (~590 нм) меньше длины волны возбуждающего ИК-излучения (800 нм), то процесс является разновидностью антистоксовой люминесценции. Увеличение энергии рассеянного фотона происходит из-за экситон-фононного взаимодействия. Установлено, что при высоких температурах энергия экситонных возбуждений достигает значений, которые соответствуют люминесцентным атомным и молекулярным (вероятно, С2, С3, карбин) уровням углерода. Предложена и программно реализована имитационная модель широкополосного излучения, которая позволяет качественно описать наблюдаемые спектры.
Для изучения широкополосного излучения диэлектрических и полупроводниковых материалов представляется перспективной техника лазерно-искровой эмиссионной спектрометрии, которая в настоящее время активно развивается [36].
В статье «Поперечная диэлектрическая проницаемость невырожденной электронной плазмы со столкновениями» Маслова С.А., Боброва В.Б., Тригера С.А. (ТВТ. 2023. Т. 61. № 4. С. 492–496) на c. 494 в левой колонке левую часть формулы
следует читать как .
На с. 495 в левой колонке в подписи к рис. 2 вместо Y = 0.1 следует читать Y = 1.
About the authors
С. Ш. Рехвиашвили
Институт прикладной математики и автоматизации КБНЦ РАН
Author for correspondence.
Email: rsergo@mail.ru
Russian Federation, Нальчик
Д. С. Гаев
Кабардино-Балкарский государственный университет им. Х.М. Бербекова
Email: rsergo@mail.ru
Russian Federation, Нальчик
З. Ч. Маргушев
Институт информатики и проблем регионального управления КБНЦ РАН
Email: rsergo@mail.ru
Russian Federation, Нальчик
References
- Redmond S.M., Rand S.C., Oliveira S.L. Bistable Emission of a Black-body Radiator // Appl. Phys. Lett. 2004. V. 85. P. 5517.
- Lui C.H, Mak K.F., Shan J., Heinz T.F. Ultrafast Photoluminescence from Graphene // Phys. Rev. Lett. 2010. V. 105. P. 127404.
- Qin F., Zhao H., Zheng Y., Cheng Z., Wang P., Zheng C., Yu Y., Zhang Z., Cao W. Pressure-sensitive Blackbody Point Radiation Induced by Infrared Diode Laser Irradiation // Opt. Lett. 2011. V. 36. № 10. P. 1806.
- Хрущалина С.А., Рябочкина П.А., Кяшкин В.М., Ванецев А.С., Гайтко О.М., Табачкова Н.Ю. Широкополосное излучение белого света в наноразмерных кристаллических порошках ортофосфатов иттрия, легированных ионами Yb3+ и Er3+, при воздействии лазерным излучением с длиной волны 972 нм // Письма в ЖЭТФ. 2016. Т. 103. № 5. С. 342.
- Рябочкина П.А., Хрущалина С.А., Кяшкин В.М., Ванецев А.С., Гайтко О.М., Табачкова Н.Ю. Особенности взаимодействия лазерного излучения ближнего ИК-диапазона с наноразмерными Yb-содержащими диэлектрическими частицами // Письма в ЖЭТФ. 2016. Т. 103. № 12. С. 836.
- Zhu Y., Xu W., Li C., Zhang H., Dong B., Xu L., Xu S., Song H. Broad White Light and Infrared Emission Bands in YVO4:Yb3+, Ln3+ (Ln3+ = Er3+, Tm3+, or Ho3+) // Appl. Phys. Express. 2012. V. 5. № 9. P. 092701.
- Marciniak L., Strek W., Hreniak D., Guyot Y. Temperature of Broadband Anti-Stokes White Emission in LiYbP4O12: Er Nanocrystals // Appl. Phys. Lett. 2014. V. 105. P. 173113.
- Strek W., Tomala R., Marciniak L., Lukaszewicz M., Cichy B., Stefanski M., Hreniak D., Kedziorski A., Krosnicki M., Seijo L. Broadband Anti-Stokes White Emission of Sr2CeO4 Nanocrystals Induced by Laser Irradiation // Phys. Chem. Chem. Phys. 2016. V. 18. P. 27921.
- Zhu S., Wang C., Li Z., Jiang W., Wang Y., Yin H., Wu L., Chen Z., Zhang G. High-efficiency Broadband Anti-Stokes Emission from Yb3+-doped Bulk Crystals // Opt. Lett. 2016. V. 41. № 10. P. 2141.
- Dornsiepen E., Dobener F., Chatterjee S., Dehnen S. Controlling the White-Light Generation of [(RSn)4E6]: Effects of Substituent and Chalcogenide Variation // Angew. Chem. Int. Ed. 2019. V. 58. № 47. P. 17041.
- Рехвиашвили С.Ш. Широкополосное излучение малых диэлектрических частиц // Опт. и спектр. 2020. Т. 128. № 9. С. 1323.
- Рехвиашвили С.Ш., Strek W. Тепловое излучение графена // Опт. и спектр. 2021. Т. 129. № 10. С. 1301.
- Рехвиашвили С.Ш., Гаев Д.С., Маргушев З.Ч. Антистоксова люминесценция в углеродных материалах // Опт. и спектр. 2021. Т. 129. № 12. С. 1589.
- Рехвиашвили С.Ш., Гаев Д.С., Маргушев З.Ч. Широкополосное излучение поликристаллического графита // Квантовая электроника. 2022. Т. 52. № 4. С. 382.
- Feldmann J., Fischer R., Guss W., Gobel E.O., Schmitt-Rink S., Kratschmer W. White Luminescence from Solid C60 // Europhys. Lett. 1992. V. 20. № 6. P. 553.
- Bayramov A.I., Mamedov N.T., Dzhafarov T.D., Aliyeva Y.N., Ahmadova Kh.N., Alizade E.H., Asadullayeva S.Q., Sadigov M.S., Ragimov Sh.Kh. Photoluminescence and Optical Transitions in C60 Fullerene Thin Films Deposited on Glass, Silicon and Porous Silicon // Thin Solid Films. 2019. V. 690. P. 137566.
- Canning J., Sceats M.G. Spatial Distribution of 650-nm Luminescence in UV-processed Germanosilicate Preforms // Opt. Lett. 1994. V. 19. № 15. P. 1119.
- Olejniczak A., Tomala R., Zemojtel P., deAraujo Maia A.F., Bezkrovnyi O., Macalik B., Игнатенко О., Beben D., Strek W. Структурные и оптические характеристики синтетических алмазов в нано-, микро- и миллиметровом масштабе // Опт. и спектр. 2022. Т. 130. № 1. С. 192.
- Li J., Kundrapu M., Shashurin A., Keidar M. Emission Spectra Analysis of Arc Plasma for Synthesis of Carbon Nanostructures in Various Magnetic Conditions // J. Appl. Phys. 2012. V. 112. P. 024329.
- Vekselman V., Feurer M., Huang T., Stratton B., Raitses Y. Complex Structure of the Carbon Arc Discharge for Synthesis of Nanotubes // Plasma Sources Sci. Technol. 2017. V. 26. P. 065019.
- Шавелкина М.Б., Амиров Р.Х., Кавыршин Д.И., Чиннов В.Ф. Спектроскопическое исследование плазменной струи гелия с добавками углеводородов // ТВТ. 2020. Т. 58. № 3. С. 327.
- Yang L., Deslippe J., Park C.-H., Cohen M.L., Louie S.G. Excitonic Effects on the Optical Response of Graphene and Bilayer Graphene // Phys. Rev. Lett. 2009. V. 103. P. 186802.
- Osvet A., Palm V., Sildos I. Spectral Hole Burning and Uniaxial Stress Study of Radiation-Induced Defects in Diamond // J. Appl. Phys. 1996. V. 79. P. 8290.
- Зиенко С.И., Слабковский Д.С. Особенности фононного крыла люминесценции алмаза // Письма в ЖТФ. 2019. Т. 45. № 11. С. 9.
- Savvatimskiy A.I. Measurements of the Melting Point of Graphite and the Properties of Liquid Carbon (A Review for 1963–2003) // Carbon. 2005. V. 43. № 6. P. 1115.
- Ferrari A.C. Raman Spectroscopy of Graphene and Graphite: Disorder, Electron–Phonon Coupling, Doping and Nonadiabatic Effects // Solid State Commun. 2007. V. 143. P. 47.
- Saito R., Hofmann M., Dresselhaus G., Jorio A., Dresselhaus M.S. Raman Spectroscopy of Graphene and Carbon Nanotubes // Adv. Phys. 2011. V. 60. № 3. P. 413.
- Зиатдинов А.М. Спектроскопия комбинационного рассеяния наноразмерных сотовидных углеродных структур // Вестник ДВО РАН. 2020. № 6. С. 27.
- Strek W., Tomala R., Lukaszewicz M., Cichy B., Gerasymchuk Y., Gluchowski P., Marciniak L., Bednarkiewicz A., Hreniak D. Laser Induced White Lighting of Graphene Foam // Sci. Rep. 2017. V. 7. P. 41281.
- Strek W., Tomala R. Laser Induced Broadband Emission Spectra of Graphene Foam // Phys. B. 2020. V. 579. P. 411840.
- Chaika M., Tomala R., Oleszko M., Strek W. Influence of Low Temperature on White Light Emission from Graphene-based Microchip // Low Temp. Phys. 2023. V. 49. № 3. P. 330.
- Зубов В.А., Сущинский М.М., Шувалов И.К. Стимулированное комбинационное рассеяние света // УФН. 1964. Т. 83. № 6. С. 197.
- Зиенко С.И. Динамика решетки в фононном крыле спектра люминесценции алмаза // Успехи прикл. физики. 2019. Т. 7. № 6. С. 586.
- Хабаров С.П., Шилкина М.Л. Основы моделирования технических систем. Среда Simintech. М.: Лань, 2022. 120 с.
- Хакен Г. Синергетика. М.: Мир, 1980. 405 с.
- Laser-induced Breakdown Spectroscopy / Eds. Singh J.P., Thakur S.N. Amsterdam: Elsevier Sci., 2020. 604 p.
Supplementary files





