Пассивная сорбция ароматичных веществ на композиционном материале из карбида кремния и бутадиен-нитрильного каучука и сравнение хроматографических профилей банановых конфет, свежих бананов и ароматизатора “банан”
- Авторы: Попик М.В.1, Шпигун О.А.1, Степашкин А.А.2, Маркова Е.С.1, Фурман А.Н.1, Шехтман С.П.1, Пирогов А.В.1
-
Учреждения:
- Московский государственный университет имени М.В. Ломоносова, химический факультет
- Национальный исследовательский технологический университет “МИСиС”
- Выпуск: Том 78, № 1 (2023)
- Страницы: 48-54
- Раздел: ОРИГИНАЛЬНЫЕ СТАТЬИ
- Статья получена: 14.10.2023
- URL: https://medbiosci.ru/0044-4502/article/view/136002
- DOI: https://doi.org/10.31857/S0044450223010073
- EDN: https://elibrary.ru/KKMHUB
- ID: 136002
Цитировать
Полный текст
Аннотация
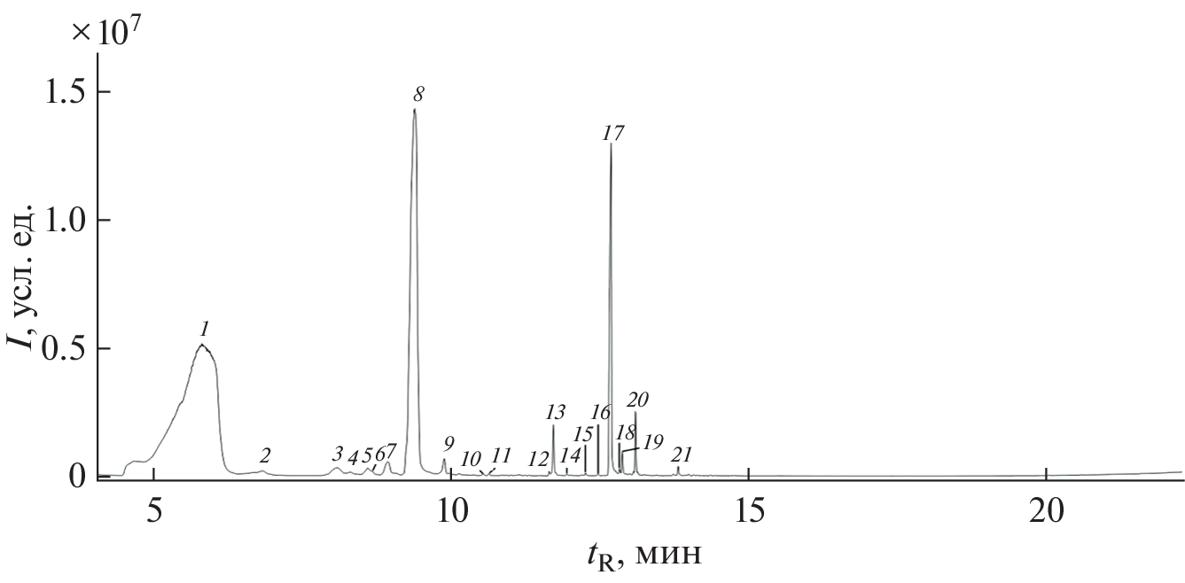
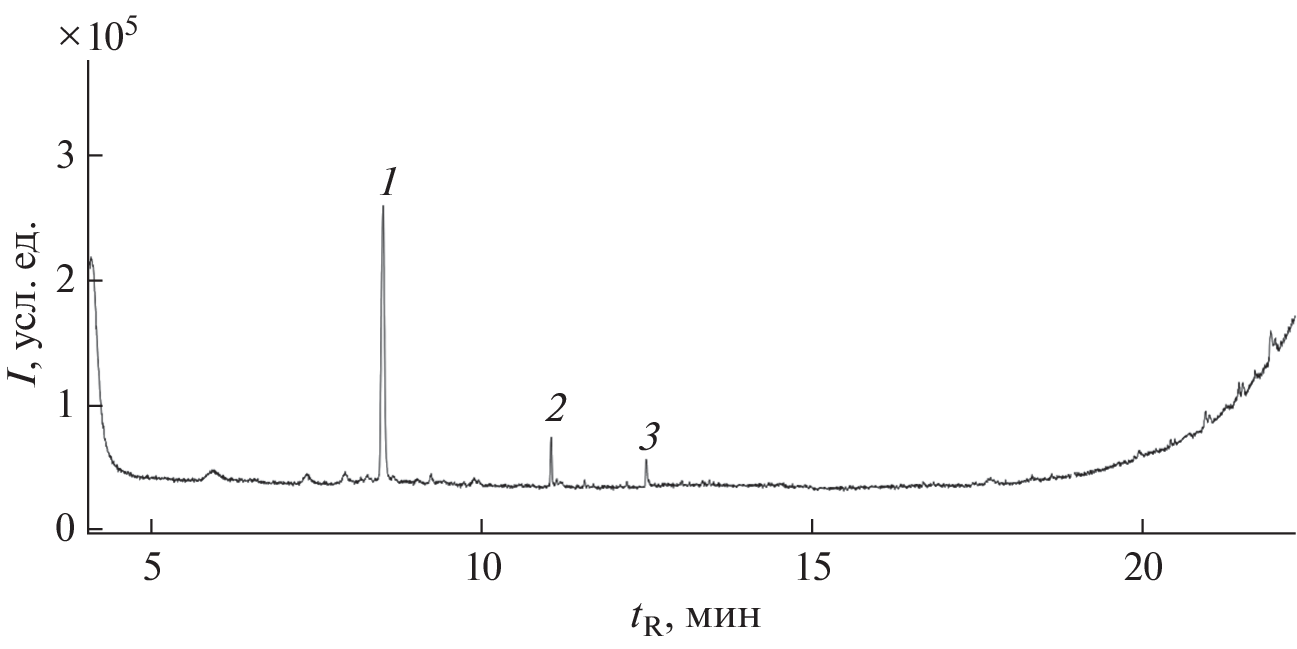
Отечественный композит на основе карбида кремния и бутадиен-нитрильного каучука применен для идентификации летучих веществ банана, ароматизатора “Банан” и сливочных жевательных конфет методом пассивной сорбции в сочетании с ГХ-МС с термодесорбцией. Показано, что данным методом возможно определение широкого круга соединений (эфиров карбоновых кислот, терпеноидов, альдегидов, ароматических углеводородов, алканов, гетероциклических соединений, фенолов, глицеридов, жирных кислот). Проведено сравнение полученных хроматографических профилей объектов. На хроматограмме ароматизатора “Банан” обнаружено пять пиков (из восьми), соответствующих соединениям, которые формируют аромат банана, а на хроматограмме конфет “Love is” со вкусом банана – три пика (из 21).
Об авторах
М. В. Попик
Московский государственный университет имени М.В. Ломоносова, химический факультет
Email: kate.s.markova@yandex.ru
Россия, 119991, Москва, Ленинские горы, 1, стр. 3
О. А. Шпигун
Московский государственный университет имени М.В. Ломоносова, химический факультет
Email: kate.s.markova@yandex.ru
Россия, 119991, Москва, Ленинские горы, 1, стр. 3
А. А. Степашкин
Национальный исследовательский технологический университет “МИСиС”
Email: kate.s.markova@yandex.ru
Россия, 119049, Москва, Ленинский просп., 4, стр. 1
Е. С. Маркова
Московский государственный университет имени М.В. Ломоносова, химический факультет
Email: kate.s.markova@yandex.ru
Россия, 119991, Москва, Ленинские горы, 1, стр. 3
А. Н. Фурман
Московский государственный университет имени М.В. Ломоносова, химический факультет
Email: kate.s.markova@yandex.ru
Россия, 119991, Москва, Ленинские горы, 1, стр. 3
С. П. Шехтман
Московский государственный университет имени М.В. Ломоносова, химический факультет
Email: kate.s.markova@yandex.ru
Россия, 119991, Москва, Ленинские горы, 1, стр. 3
А. В. Пирогов
Московский государственный университет имени М.В. Ломоносова, химический факультет
Автор, ответственный за переписку.
Email: kate.s.markova@yandex.ru
Россия, 119991, Москва, Ленинские горы, 1, стр. 3
Список литературы
- Ловкис З.В., Моргунова Е.М. Безопасность и качество пищевых продуктов // Наука и инновации. 2018. Т. 179. № 1. С. 35.
- Ляпина М.А. Стратегические направления развития предприятий кондитерской промышленности России. Дис. … канд. экон. наук. Саратов: Саратовский государственный социально-экономический университет, 2008. 222 с.
- ГОСТ 4570-93. Конфеты. Общие технические условия. М.: Стандартинформ, 2012. 9 с.
- ГОСТ ISO 6658-2016. Органолептический анализ. Методология. Общее руководство. М.: Стандартинформ, 2016. 20 с.
- ГОСТ ISO 13302-2017. Органолептический анализ. Методы оценки изменения флейвора пищевых продуктов за счет упаковки. M.: Стандартинформ, 2017. 23 с.
- Смирнов Е.В. Пищевые ароматизаторы // Пищевая промышленность. 2005. № 5. С. 10.
- ГОСТ 32049-2013. Ароматизаторы пищевые. Общие технические условия. М.: Стандартинформ, 2014. 23 с.
- Каратаева Н.А., Каратаева Л.А., Юсупова О.И., Иноятова Ш.Ш.К. Пищевая аллергия (обзор) // Научные исследования. 2015. № 1. С. 126.
- LECO Corporation. Comparison of aroma and flavor profiles of strawberry-flavored candy and fresh strawberries (Form № 203-821-533) // LECO. 2017. P. 1.
- Другов Ю.С., Родин А.А. Пробоподготовка в экологическом анализе. СПб: Анатолия, 2002. 755 с.
- Пятов И.С., Шапошникова К.В., Ладанов С.В., Врублевская Ю.И., Степашкин А.А. Способ изготовления изделия сложной формы на основе гибридной композитной матрицы. Патент РФ № 2670869. Заявка 2017135953 от 10.10.2017, опубл. 25.10.2018.
- Nogueira J.M.F., Fernandes P.J.P., Nascimento A.M.D. Composition of volatiles of banana cultivars from Madeira Island // Phytochem Anal. 2003. V. 14. № 2. P. 87.
- Vermeir S. Instrumental based flavour characterisation of banana fruit // LWT – Food Sci. Technol. 2009. V. 42. № 10. P. 1647.
- Smith K., Thompson G.F., Koster H.D. Sweat in schizophrenic patients: Identification of the odorous substance // Science. 1969. V. 166. № 3903. P. 398.
- Бадовская Л.А., Поварова Л.В. Реакции окисления фуранов // Химия гетероцикл. соединений. 2009. Т. 507. № 4. С. 1283. (Badovskaya L.A., Povarova L.V. Reactions of oxidation of furan // Chem. Heterocycl. Compd. 2009. V. 507. № 4. P. 1283.)
Дополнительные файлы







