Principles of introducing organic substances into a gas chromatographic column by thermal desorption method depending on the volatility of the mixture components
- Authors: Baldin M.N.1, Gruznov V.M.1,2, Fedotov V.V.1
-
Affiliations:
- Trofimuk Institute of Petroleum Geology and Geophysics of the Siberian Branch of the Russian Academy of Sciences
- Novosibirsk State Technical University
- Issue: Vol 80, No 1 (2025)
- Pages: 22-31
- Section: REVIEWS
- Submitted: 25.04.2025
- Accepted: 25.04.2025
- URL: https://medbiosci.ru/0044-4502/article/view/289190
- DOI: https://doi.org/10.31857/S0044450225010025
- EDN: https://elibrary.ru/aadrqo
- ID: 289190
Cite item
Abstract
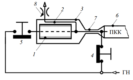
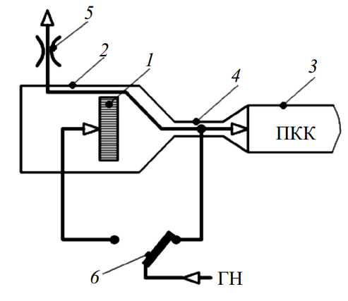
A review of thermal desorption methods from concentrators in portable express gas chromatographs of the ECHO series for introducing samples of organic substances into a gas chromatographic column depending on the volatility range of substances in samples is presented. Methods for introducing samples without manual operations in ECHO devices are considered. The principles of introducing a sample with incomplete gas-dynamic isolation of the injection chamber and column when introducing samples of explosive vapors and arenes with different volatility of substances in the sample are described, as well as complete insulation of the injection chamber and column when introducing samples of C1–C5 saturated hydrocarbons with sharply different volatility.
Full Text
About the authors
M. N. Baldin
Trofimuk Institute of Petroleum Geology and Geophysics of the Siberian Branch of the Russian Academy of Sciences
Email: GruznovVM@ipgg.sbras.ru
Russian Federation, 3, Academic Koptyug Ave., Novosibirsk, 630090
V. M. Gruznov
Trofimuk Institute of Petroleum Geology and Geophysics of the Siberian Branch of the Russian Academy of Sciences; Novosibirsk State Technical University
Author for correspondence.
Email: GruznovVM@ipgg.sbras.ru
Russian Federation, 3, Academic Koptyug Ave., Novosibirsk, 630090; 20, Karl Marx Ave., Novosibirsk, 630073
V. V. Fedotov
Trofimuk Institute of Petroleum Geology and Geophysics of the Siberian Branch of the Russian Academy of Sciences
Email: GruznovVM@ipgg.sbras.ru
Russian Federation, 3, Academic Koptyug Ave., Novosibirsk, 630090
References
- Цизин Г.И., Статкус М.А. Сорбционное концентрирование микрокомпонентов в динамических условиях. М.: ЛЕНАНД, 2016. 480 с.
- Байерман К. Определение следовых количеств органических веществ: Пер. с англ. М.: Мир, 1987. 429 с.
- Жуховицкий А.А., Туркельтауб Н.М. Газовая хроматография. М.: ГНТИ нефтяной и горно-топливной литературы, 1962. 442 с.
- Грузнов В.М., Филоненко В.Г., Балдин М.Н., Шишмарев А.Т. Портативные экспрессные газоаналитические приборы для определения следовых количеств веществ // Рос. хим. журн. 2002. Т. 46. № 4. С. 100.
- Балдин М.Н., Грузнов В.М. Портативный газовый хроматограф с воздухом в качестве газа-носителя для определения следов взрывчатых веществ // Журн. аналит. химии. 2013. Т. 68. № 11. С. 1117. (Baldin M.N., Gruznov V.M. A portable gas chromatograph with air carrier gas for the determination of explosive traces // J. Anal. Chem. 2013. V. 68. № 11. P. 1002.)
- Грузнов В.М., Балдин М.Н., Малышева А.О. Ввод пробы ароматических соединений с концентраторов в поликапиллярную колонку методом термической десорбции // Аналитика и контроль. 2019. Т. 23. № 3. С. 370. https://doi.org/10.15826/analitika.2019.23.3.003
- Грузнов В.М., Балдин М.Н., Науменко И.И., Карташов Е.В., Прямов М.В. Портативная газовая хроматография с пассивными концентраторами для экспрессной геохимической съемки по ароматическим углеводородам / Химический анализ в геологии и геохимии / Под ред. Аношина Г.Н. Новосибирск: Академическое изд-во “Гео”, 2016. С. 555.
- Кобылинский Д.А. Критерии определения нефтегазоносности территории на основе данных наземной геохимической съемки, выполненной по грунту и искусственному сорбенту // Вестник Евразийской науки. 2020. № 6; https://esj.today/PDF/51NZVN620.pdf (дата обращения 03.09.2024 г.)
- Теоретические основы геохимических методов поисков месторождений нефти и газа. http://www.npcgeo.ru/files/page/page1-file-teoreticheskieosnovy.pdf (дата обращения 04.10.2023 г.).
- Jackson R., Bromberg E.A. Development of a portable explosive detection system / Proc. of the 1st Int. Symp. on Explosive Detection Technology. November 13–15, 1991. Atlantic City, N. J. (Цитируется по: Оперативное детектирование взрывчатых веществ и скоростные полевые количественные измерения. Сб. переводов под ред. Грузнова В.М. Новосибирск, 1998. С. 96.)
- Ostmark H., Wallin S., Ang H.G. Vapor pressure of explosives: A critical review // Propellants, Explosives, Pyrotechnics. 2012. V. 37. P. 12.
- Рабинович В.А., Хавин З.Я. Краткий химический справочник. Л.: Химия, 1978. С. 392.
- Авгуль Н.Н., Киселев А.В., Прошкус Д.П. Адсорбция газов и паров на однородных поверхностях. М.: Химия, 1975. 384 с.
- Киселев А.В., Пошкус Д.П., Яшин А.И. Молекулярные основы адсорбционной хроматографии. М.: Химия, 1986. 272 с.
- Грузнов В.М., Филоненко В.Г., Шишмарев А.Т. Экспрессное улавливание паров веществ из воздуха // Теплофизика и аэромеханика. 2000. Т. 7. № 4. С. 617.
- Грузнов В.М., Филоненко В.Г. Скоростное концентрирование и вихревой отбор проб воздуха при обнаружении следовых количеств органических веществ. Новосибирск: ИНГГ СО РАН, 2011. 174 с.
- Балдин М.Н., Грузнов В.М., Ефименко А.П., Коденев Г.Г., Науменко И.И., Соколов М.А., Филоненко В.Г., Шишмарев А.Т. Портативные газовые хроматографы “ЭХО” для систем мониторинга / Тез. докл. научно-практической конференции “О создании единой региональной системы мониторинга окружающей среды и здоровья населения Сибири”. Новосибирск. 17–19 сентября 1996. С. 60.
- Грузнов В.М., Филоненко В.Г., Шишмарев А.Т. Отбор и ввод проб при скоростном газохроматографическом обнаружении паров органических веществ // Журн. аналит. химии. 1999. Т. 54. № 11. С. 1134. (Gruznov V.M., Filonenko V.G., Shishmarev A.T. Sampling and sample injection in the high-speed gas-chromatographic detection of organic vapors // J. Anal. Chem. 1999. V. 54. № 11. P. 1001.)
- Хроматограф газовый переносной ГХС-02П. http://sibel.info/production/RUS/GHS-02/GCS-02F_tehnicheskoe_opisanie.pdf (дата обращения 10.09.2024 г.).
- Балдин М.Н., Грузнов В.М., Карташов Е.В., Конторович А.Э., Сидельников В.Н. Устройство пробоотбора паров углеводородов. Патент на полезную модель № 81344 RU. Опубл. 10.03.2009, приоритет полезной модели 06.10.2008.
- Термодесорбер ТДС-1. https://chromatec.ru/products/termodesorbers/#tds_1st (дата обращения 03.04.2019 г.).
- Термодесорбер ТДС-1 (двухстадийный). https://chromatec.ru/products/termodesorbers/#termodesorber_tds_1_dvukhstadiynyy (дата обращения 03.04.2019 г.).
- Новак Й. Количественный анализ методом газовой хроматографии. Пер. с англ. М.: Мир, 1978. 179 c.
- Хабаров В.Б. Новое устройство для ввода проб микропримесей органических веществ, сконцентрированных на полифенилхиноксалине, в стеклянную капиллярную колонку методом термической десорбции без криофокусирования пробы // Сорбционные и хроматографические процессы. 2012. Т. 12. № 5. С. 650.
- Хабаров В.Б. Новое устройство для ввода проб органических веществ в методе газовой хроматографии // Сорбционные и хроматографические процессы. 2013. Т. 13. № 6. С. 947.
- Установки динамические “Микрогаз-ФМ” – рабочие эталоны 1-го разряда. Руководство по эксплуатации СКБ Д. 229655.016 РЭ.
- Кременецкий А.А., Пилицын А.Г., Игноватов А.П., Грузнов В.М. Геохимические методы прогноза и поисков нефтегазовых месторождений // Разведка и охрана недр. 2010. № 5. C. 63.
- Хроматограф газовый переносной ГХС-02ПН. http://sibel.info/production/RUS/GHS-02/GCS-02FN_tehnicheskoe_opisanie.pdf (дата обращения 10.09.2024 г.).
- ХРОМАТЭ К. Автоматизация методов экологического контроля. Решения для хроматографии. https://chromatec.ru/upload/iblock/faf/fafeddd673cfa653f6ffdc4f0e262887.pdf (дата обращения 03.09.2024 г.).
- Roundbehler D.P., MacDonald S.J., Leib D.P., Fine D.H. Analysis of explosives using high speed gas chromatography with chemiluminescent detection / Proс. of the 1st Int. Symp. on Explosive Detection Technology. November 13–15, 1991. Atlantic City, N. J. (Цитируется по: Оперативное детектирование взрывчатых веществ и скоростные полевые количественные измерения. Сб. переводов под ред. В. М. Грузнова. Новосибирск, 1998. С. 88.)
- Borgerding A.J., Wilkerson C.W. Criogenically cooled microloop system for sampling and injection in fast GC // Anal. Chem. 1996. V. 68. P. 701.
- Федотов В.В., Балдин М.Н., Грузнов В.М. Газохроматографическое устройство ввода проб. Патент на полезную модель № 217236 RU. Приоритет от 22.09.2022 г. Дата государственной регистрации 23.03.2023 г. Опубликовано: 23.03.2023. Б. и. № 9.
- Peebles H.C., Trush K.A., White J.M., Rogers J.W. Jr., Conrad F.J. Adsorption of 2,4,6-trinitrotoluene on carbon covered Pt(III): A temperature programmed desorption study // Appl. Surf. Sci. 1983. V. 17. P. 141.
Supplementary files











