Study of the rectification purification process of inorganic acids
- Authors: Bessarabov A.M.1, Trokhin V.E.1, Kazakov A.A.1
-
Affiliations:
- R&D Centre «Fine Chemicals»
- Issue: Vol 94, No 8 (2024)
- Pages: 939-946
- Section: Articles
- URL: https://medbiosci.ru/0044-460X/article/view/275738
- DOI: https://doi.org/10.31857/S0044460X24080075
- EDN: https://elibrary.ru/SBKFNJ
- ID: 275738
Cite item
Full Text
Abstract
A flexible technology for the production of high purity inorganic acids was developed, including the stages of chemical purification, rectification, desorption, adsorption, absorption, composition correction and microfiltration. It was shown that one of the most important stages of the technology is rectification purification. Quartz and fluoroplastic experimental modules were created, on which studies of the separation coefficient were carried out. Experimental data on the separation factor were obtained using the created distillation unit. Based on the conducted research, the prospects of rectification purification in flexible technology of nitric, chloric, hydrochloric and hydrofluoric acid of high purity were shown.
Full Text
ВВЕДЕНИЕ
Среди веществ особой чистоты немаловажную роль играют высокочистые неорганические кислоты, применяемые в высокотехнологических областях народного хозяйства [1]. Например, плавиковая кислота особой чистоты используется при производстве жидкокристаллической и полупроводниковой продукции (для очистки поверхности кремниевых пластин) [2], а также для очистки и травления в процессе получения интегральных микросхем [3]. Также она применяется в промышленности при растворении силикатов [4] и лабораторной практике, где необходима высокая степень чистоты [5]. Кроме того, она может быть аналитическим реагентом и промышленным химическим реагентом в атомной энергетике [6] и производстве материалов высокой чистоты, содержащих фтор [7].
Потребности современной промышленности связаны с совершенствованием существующих и разработкой новых методов получения особо чистых неорганических кислот. Качество особо чистой кислоты определяется содержанием в ней лимитируемых микропримесей. При выборе способов очистки предпочтение отдается методам и оборудованию, в которых ограничена возможность внесения дополнительных загрязнений [8].
Для глубокой очистки неорганических кислот в основном применяются такие процессы как ректификация, адсорбция, микрофильтрация и др. В этих процессах обеспечивается очистка особо чистых кислот до содержания отдельных примесей на уровне 10–6–10–8 мас% [8]. Целью данной работы является исследование и разработка процесса ректификационной очистки, являющегося одной из основных стадий гибкого модульного производства неорганических кислот особой чистоты (соляная, плавиковая, хлорная и азотная) [9].
Разработка технологии неорганических кислот особой чистоты осуществлялась путем такого сочетания отдельных технологических процессов, которое дает возможность использования максимального разнообразия исходного сырья. В качестве примера такого синтеза нами ранее проводилась разработка технологий высокочистых азотной и хлорной кислот на одной технологической линии, и галогеноводородных кислот (плавиковой и соляной) – на другой [10]. При этом во втором случае имеет место возможность использования практически всех возможных видов исходного сырья (газ, концентрированные и разбавленные кислоты), представленного на рынке химических продуктов.
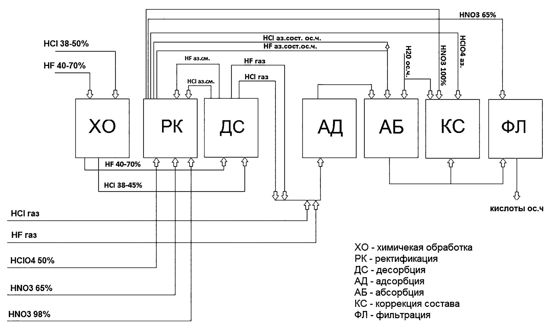
Созданная нами новая малотоннажная технология получения ассортимента неорганических кислот особой чистоты [11] базируется на 7 типовых аппаратурных модулях: химической обработки (ХО), ректификации (РК), десорбции (ДС), адсорбции (АД), абсорбции (АБ), коррекции состава (КС) и фильтрации (ФЛ). На приведенной блок-схеме (рис. 1) последовательно указаны все технологические стадии процессов по получению указанных кислот особой чистоты.
Рис. 1. Модульная блок-схема гибкой технологии получения ассортимента неорганических кислот особой чистоты.
Для получения ассортимента особо чистых неорганических кислот (соляная, плавиковая, хлорная и азотная) нами используются следующие 7 видов исходных продуктов: фтористый водород (газ), плавиковая кислота (40–70 мас%), хлористый водород (газ), соляная кислота (38–45 мас%), хлорная кислота (50 мас%), азотная кислота (65 мас%), азотная кислота (98 мас%). Матрица структуры потоков, как совокупность маршрутов из исходных в целевые продукты через аппаратурные модули гибкой схемы, приведена в табл. 1.
Таблица 1. Матрица структуры потоков для получения неорганических кислот особой чистоты в зависимости от исходного сырья.
Кислота исходная | Кислота особой чистоты | Модуль | ||||||
ХО | РК | ДС | АД | АБ | ФЛ | КС | ||
Фтористый водород (газ) | HF | – | – | + | + | + | + | + |
Плавиковая кислота (40–70 мас%) | + | + | + | + | + | + | + | |
Хлористый водород (газ) | HCl | – | – | – | + | + | + | + |
Соляная кислота (38–45%) | – | + | + | + | + | + | + | |
Хлорная кислота (50%) | HClO4 | – | + | – | – | – | + | + |
Азотная кислота (65%) | HNO3 | – | + | – | – | – | + | + |
Азотная кислота (98%) | – | + | – | – | – | + | + | |
Как видно из схемы (рис. 1) и табл. 1, наиболее технологически трудоемким является процесс получения и очистки галогеноводородных кислот, требующих химической обработки, ад-, аб- и десорбции. При очистке плавиковой и соляной кислот неочищенное сырье поступает в модуль химической обработки (ХО), где некоторые примеси переводятся в более легкоотделимые формы (As3+ в As5+). Так как сырье и товарный продукт представляет собой раствор газа в жидкой фазе, необходимо произвести деление потоков, осуществляемое в модуле десорбции (ДС). В результате этого получаем поток сверхазеотропного газа (HCl и HF) и соответствующую кислоту азеотропного состава. Для отделения от аэрозолей, содержащих примеси, избыточный газ пропускается через фильтр, после которого направляется в адсорбционную колонну (АД), а кислота – в ректификационный модуль (РК). Ректификационная кислота и отфильтрованный газ объединяются в модуле абсорбции (АБ). Для коррекции концентрации получаемых кислот в технологической схеме предусмотрен дополнительный подвод высокочистой воды в модуль коррекции состава (КС). Применяется вода марки Е-1.1, в которой лимитирующие примеси (хлориды, нитраты, фосфаты, сульфаты) с концентрацией не выше 0.05 мкг/л не вносят загрязнение в целевые продукты. В дальнейшем мы более подробно рассмотрим важнейшую стадию технологии – ректификационную очистку, которая очень широко применяется в технологии особо чистых веществ [12, 13].
РЕЗУЛЬТАТЫ И ОБСУЖДЕНИЕ
Проведены экспериментальные исследования коэффициентов разделения (K) и факторов разделения (F) по лимитируемым примесям для каждой из 4 рассматриваемых неорганических кислот особой чистоты (азотная, хлорная, плавиковая, соляная). Коэффициент разделения (K) по соответствующей примеси определяли как отношение концентрации примеси в жидкости (cж) к ее концентрации в паре (сп) и представляет собой техническую характеристику, показывающую, насколько может быть очищено данное вещество при данных условиях на установке эффективностью в одну ступень разделения дистилляционным методом (1):
. (1)
Для оценки эффективности метода ректификации для очистки хлорной кислоты азеотропного состава определены факторы разделения (F) ректифицирующей части установки, как отношение концентраций примесей в верхней части колонны (св) к их концентрации в кубовой жидкости (ск):
. (2)
Определение данного параметра проводили при нескольких нагрузках по жидкости в безотборном режиме при условиях проведения процесса ректификации. Фактор разделения определяет разделительную способность колонны.
Рассматриваемые нами микропримеси можно разделить на две группы: катионы металлов (железо, свинец, барий и др.) и анионы (хлориды, сульфаты, фосфаты и др.). Для определения концентрации микропримесей анионных форм веществ (свободных гидратированных ионов, диссоциирующих молекулярных и ионных ассоциатов, комплексных частиц и т.п.) в кислотах используют метод высокоэффективной жидкостной хроматографии (ВЭЖХ) [14].
Для исследования содержания в рассматриваемых неорганических кислотах этого типа примесей в аналитической лаборатории Научного центра «Малотоннажная химия» [15] установлен оптический эмиссионный спектрометр с индуктивно-связанной плазмой (Thermo Scientific, США) модели iCAP 6300 Duo и жидкостной хроматограф (Shimadzu, Япония) модели LC-20 Prominence [16]. Перспективным является виртуальное моделирование этих исследований и создание цифровых двойников [17]. Цифровые двойники, созданные в приложении Blender [18] и экспортированные в среду разработки Unreal Engine [19], обладают значительным потенциалом для повышения качества аналитических исследований. Моделируя реальные условия, они дают полное представление о поведении системы и позволяют принимать обоснованные решения, оптимизирующие работу аналитической лаборатории.
В табл. 2–4 приведены экспериментальные коэффициенты разделения по регламентируемым примесям в плавиковой кислоте азеотропного состава, соляной, хлорной и азотной кислотах. Из анализа коэффициентов разделения можно сделать вывод о том, что дистилляционные методы эффективны для получения этих высокочистых неорганических кислот. Результаты, приведенные в табл. 3, показывают, что при получении высокочистой хлорной кислоты коэффициенты разделения по всем примесям незначительно снижаются с увеличением скорости испарения и имеют большие значения в разбавленной кислоте, чем в концентрированной.
Таблица 2. Коэффициенты разделения по регламентируемым примесям в плавиковой кислоте азеотропного состава и соляной кислоте.
Примесь | Содержание HF в жидкости, мас% | Содержание HF в паре, мас% | KHF | KHCl |
Алюминий | 1·10–5 | 5·10–7 | 20 | 15 |
Барий | 8·10–6 | 2·10–7 | 40 | 50 |
Бор | 1·10–6 | 1·10–7 | 10 | 10 |
Железо | 5·10–5 | 1·10–6 | 50 | 45 |
Калий | 1·10–4 | 2·10–5 | 5 | 10 |
Кальций | 2·10–4 | 1·10–5 | 20 | 10 |
Кобальт | 1·10–5 | 1·10–7 | 100 | 80 |
Магний | 1·10–4 | 1·10–5 | 10 | 15 |
Марганец | 2·10–5 | 2·10–7 | 100 | 90 |
Натрий | 5·10–4 | 5·10–5 | 10 | 10 |
Свинец | 2·10–5 | 5·10–7 | 40 | 50 |
Цинк | 6·10–5 | 1·10–6 | 60 | 45 |
Хлориды | 5·10–4 | 8·10–5 | 6.25 | – |
Таблица 3. Коэффициенты и факторы разделения по регламентируемым примесям в хлорной кислоте азеотропного состава (72 мас%) и коэффициенты разделения для кислоты концентрации 60 мас%.
Примесь | K (HClO4 60 мас%) | K (HClO4 72 мас%) | F (HClO4 72 мас%) | ||||||
ω, мл/мин | ω, мл/мин | нагрузка, кг/ч | |||||||
10 | 30 | 50 | 10 | 30 | 50 | 20 | 30 | 40 | |
Сульфаты | 2 | 1.5 | 1.5 | 1.5 | 1.25 | 1.2 | 120 | 135 | 150 |
Фосфаты | 2 | 1.5 | 1.5 | 1.5 | 1.3 | 1.3 | 140 | 155 | 170 |
Железо | 30 | 20 | 20 | 25 | 18 | 18 | 1750 | 1800 | 2000 |
Свинец | 50 | 30 | 30 | 20 | 20 | 20 | 2500 | 2600 | 3000 |
Таблица 4. Коэффициенты и факторы разделения по регламентируемым примесям в азотной кислоте азеотропного состава.
Примесь | K | F | ||||
Скорость испарения, мл/мин | Нагрузка, кг/ч | |||||
10 | 30 | 50 | 20 | 30 | 40 | |
Железо | 65 | 60 | 50 | 1050 | 1100 | 1200 |
Свинец | 100 | 88 | 80 | 1700 | 1800 | 2000 |
Хлориды | 2.2 | 2 | 1.4 | 180 | 180 | 200 |
Сульфаты | 8 | 7 | 6.8 | 280 | 300 | 350 |
Рассматриваемые в табл. 4 данные говорят о том, что для получения высокочистой азотной кислоты коэффициенты разделения по всем примесям значительно снижаются с увеличением скорости испарения. Также по этим данным можно сделать вывод о том, что эффективность очистки возрастает с увеличением нагрузки на колонну, что согласуется с общими правилами процессов ректификации.
В нашей технологической схеме (рис. 1) предусмотрено 2 варианта реализации модуля ректификации, принципиально отличающихся материалом, из которого они изготавливаются. Этим обуславливаются конструкционные особенности исполнения. Модуль ректификации задействован только в том случае, когда исходным сырьем является жидкая кислота. Использование того или иного модуля определяется физической возможностью осуществления процесса разделения в аппарате данного исполнения: фторопластовая установка позволяет работать с соляной и плавиковыми кислотами, установка из кварцевого стекла – со всеми кислотами, кроме плавиковой.
При очистке хлорной, азотной и соляной кислот используется периодическая ректификация на установке, выполненной из кварцевого стекла. При этом ректификация хлорной кислоты ведется в вакууме (12–15 тор) во избежание разложения последней с образованием хлора и кислорода. В случае получения плавиковой кислоты, в силу химической ее агрессивности, модуль ректификации выполнен из фторопласта-4, а процесс ведется в полунепрерывном режиме с постоянным уровнем сырья в кубе. При этом восходящие потоки пара HF делятся: одна часть, конденсируясь в дефлегматоре, возвращается на орошение колонны, а другая часть азеотропного состава конденсируется в двухуровневом блочном холодильнике и направляется в модуль абсорбции, где происходит объединение соответствующих газовых и жидких фаз и/или воды особой чистоты.
Ректификационный модуль, выполненный из кварцевого стекла, используется в получении других особо чистых неорганических кислот (кроме плавиковой) и принципиально имеет тот же конструкционный состав, что и модуль, выполненный из фторопласта. Отличием от фторопластового является отсутствие дефлегматора, так как деление потока здесь происходит с помощью вентиля прямым регулированием. При необходимости оба модуля могут работать в двух режимах: при переработке относительно небольших количеств веществ возможно использование их в качестве установок периодического действия с отбором предгона основной фракции и кубовым остатком; при переработке значительных количеств установки могут эксплуатироваться в режиме дистилляции с постоянным отбором предгона и периодическим сливом кубового остатка, в котором концентрируются труднолетучие примеси.
ВЫВОДЫ
В результате проведенных исследований показано, что для получения ассортимента неорганических кислот особой чистоты перспективно применение гибких производственных систем на основе типовых аппаратурных модулей. Показано, что одной из важнейших стадий технологии является ректификационная очистка. Созданы кварцевый и фторопластовый экспериментальные модули, на которых проведены исследования коэффициентов разделения в плавиковой кислоте азеотропного состава, соляной, хлорной и азотной кислотах. Анализ коэффициентов разделения показал эффективность дистилляционных методов для получения рассматриваемых неорганических кислот особой чистоты.
Показано, что при получении высокочистой хлорной кислоты коэффициенты разделения по всем примесям незначительно снижаются с увеличением скорости испарения и имеют большие значения в разбавленной кислоте, чем в концентрированной. При получении высокочистой азотной кислоты коэффициенты разделения по всем примесям снижаются значительно с увеличением скорости испарения. Также по этим данным можно сделать вывод о том, что эффективность очистки возрастает с увеличением нагрузки на колонну, что согласуется с общими правилами процессов ректификации.
С помощью созданной ректификационной установки получены экспериментальные данные по факторам разделения. На основе проведенных исследований показана перспективность ректификационной очистки в гибкой технологии азотной, хлорной, соляной и плавиковой неорганических кислот особой чистоты.
ЭКСПЕРИМЕНТАЛЬНАЯ ЧАСТЬ
Для определения эффективности и возможности получения высокочистых неорганических кислот были проведены исследования равновесия жидкость–пар с целью определения коэффициентов разделения по регламентируемым примесям. Исследования проводили с использованием прибора типа Бушмакина [20], представляющего собой прибор циркуляционного типа. Циркуляционный метод заключается в постоянном возвращении в нагреватель (кипятильник) конденсата паровой фазы вплоть до достижения равновесия, по установлению которого пробы жидкой фазы и конденсата отбираются и анализируются. Классический вид этого прибора приведен на рис. 2а (1 – вертикальный сосуд; 2 – колокол; 3 – стерженек, 4, 8, 9, 13, 15 – трубки; 5, 10, 14 – краны; 6, 11 – обратные конденсаторы; 7 – приемник конденсата; 12 –счетчик капель; 16 – электрический нагреватель).
Рис. 2. Приборы Бушмакина (а – классический вид, б – прибор из фторопласта, в – кварцевый прибор).
В прибор направляется такой объем жидкости, чтобы ее уровень, с учетом заполнения переточных трубок (4, 6) и сборника конденсата, был примерно на 2 см выше окаймления колокола (9). Загрузка жидкости осуществляется через конденсаторы (1, 14), в которые впоследствии подается вода и начинается обогрев куба. При появлении первого конденсата в приемнике (2) производят нагрев парового пространства, увеличивая интенсивность нагрева до максимального увеличения числа капель в правой капельнице. После чего обогрев снижают до уменьшения числа капель примерно на 10%, и фиксируют показания вмонтированного в изоляцию термометра. В следующих измерениях нагрев парового пространства подбирают таким образом, чтобы установилась рабочая температура, найденная по методу, описанному выше. При этом варьирование интенсивности кипения жидкости должно обеспечивать образование примерно 125 капель в минуту в левой капельнице. В течение 1.5–3 ч, в зависимости от интенсивности кипения и количества жидкости, устанавливается равновесие жидкость–пар.
Для определения эффективности и возможности получения высокочистой плавиковой кислоты азеотропного состава были проведены исследования равновесия жидкость–пар с использованием прибора типа Бушмакина, изготовленного из фторопласта-4 (рис. 2б), с использованием стандартных деталей, которые применялись и для изготовления пилотной установки (блочный теплообменник, переходники, штуцера, арматура).
Метод, как уже было описано выше, состоит в установлении равновесия между паром и жидкостью и аналитическим определением состава равновесных фаз. Коэффициент разделения вычисляется как отношение содержания летучего компонента в жидкой фазе к содержанию летучего компонента в паровой фазе, и представляет собой техническую характеристику, показывающую, насколько может быть очищено данное вещество при данных условиях на установке эффективностью в одну ступень разделения дистилляционным методом.
Анализ образцов фаз проводили стандартными методами по ГОСТу на плавиковую кислоту и методом ISP-МС (на катионы металлов) [21]. Коэффициенты разделения по регламентирующим примесям приведены в табл. 2. Чтобы установить возможность получения хлорной кислоты квалификации ОСЧ указанным методом, исследовали фазовое равновесие жидкость–пар при давлении 15–20 мм рт. ст. и температуре ≈100°С (в условиях проведения процесса). Исследования проводили на приборе типа Бушмакина, изготовленном из кварцевого стекла (рис. 2в).
В ходе исследований определены коэффициенты разделения между жидкостью и паром для всех регламентируемых примесей согласно требованиям к высокочистой хлорной кислоте. Коэффициент разделения определяли в хлорной кислоте азеотропного состава (~72 мас%, давление 15–20 мм рт. ст., т. кип. ≈100°С) и состава ниже азеотропного (~60 мас%, давление 15–20 мм рт. ст., т. кип. ≈85°С), в зависимости от скорости испарения жидкости (ω). Результаты исследований приведены в табл. 3.
Коэффициент разделения по соответствующей примеси определялся ее концентрациями в жидкости и паре. Анализ осуществляли методом ВЭЖХ [14] по примесям (SO42–, PO43–), по металлическим примесям (Pb, Fe) методом ISP-МС [21] осуществляли анализ на Pb и Fe.
Для оценки эффективности метода ректификации для очистки хлорной кислоты азеотропного состава определяли факторы разделения ректифицирующей части пилотной установки, как отношение концентраций примесей в верхней части колонны к их концентрации в кубовой жидкости. Определение данного параметра проводили при нескольких нагрузках по жидкости в безотборном режиме при условиях проведения процесса ректификации хлорной кислоты азеотропного состава (~72 мас%, 15–20 мм рт. ст., т. кип. ≈100°С). Результаты приведены в табл. 3.
Для определения возможности и эффективности получения высокочистой азотной кислоты методом ректификации проводили исследования равновесия жидкость–пар в условиях проведения процесса (400 мм рт. ст., 90°С). Исследования проводились на приборе типа Бушмакина, изготовленном из кварцевого стекла (рис. 2в). В ходе исследований определяли коэффициенты разделения между жидкостью и паром для всех регламентируемых примесей согласно требованиям к азотной кислоте особой чистоты. Полученные результаты исследования приведены в табл. 4.
Коэффициент разделения (табл. 4) определялся как отношение концентрации примеси в жидкости к ее концентрации в паре. Анализ примесей в образцах жидкой и паровой фазы осуществляли методом ВЭЖХ [10], описанным в ТУ на высокочистую азотную кислоту (по примесям SO42–, Cl–), а также методом ISP-MC [21] (по примесям металлов Fe, Pb). Коэффициенты разделения определяли на равновесном кубе при различных скоростях испарения жидкости.
Для оценки метода ректификации для очистки азотной кислоты азеотропного состава определяли факторы разделения ректификационной части установки, как отношения концентраций примесей в верхней части ректификационной колонны к их концентрациям в кубовой жидкости. Определение данного параметра проводили при нескольких нагрузках по жидкости в безотборном режиме при условиях проведения процесса ректификационной очистки азотной кислоты азеотропного состава (~67–68 мас%, 400 мм рт. ст., 90°С). Результаты приведены в табл. 4.
КОНФЛИКТ ИНТЕРЕСОВ
Авторы заявляют об отсутствии конфликта интересов.
About the authors
A. M. Bessarabov
R&D Centre «Fine Chemicals»
Author for correspondence.
Email: bessarabov@nc-mtc.ru
Russian Federation, Moscow, 107564
V. E. Trokhin
R&D Centre «Fine Chemicals»
Email: bessarabov@nc-mtc.ru
Russian Federation, Moscow, 107564
A. A. Kazakov
R&D Centre «Fine Chemicals»
Email: bessarabov@nc-mtc.ru
Russian Federation, Moscow, 107564
References
- Бадамшина Э.Р., Горнев Е.С. // Вестн. РАН. 2023. Т. 93. № 10. С. 917.
- Волковский Ю.А., Серегин А.Ю., Фоломешкин М.С., Просеков П.А., Павлюк М.Д., Писаревский Ю.В., Благов А.Е., Ковальчук М.В. // Поверхность. Рентгеновские, синхротронные и нейтронные исследования. 2021. Т. 15. № 9. С. 40.
- Аснис Н.А., Василенко О.А., Гаспарян М.Д., Спешилов И.О., Ваграмян Т.А., Алешина В.Х. // ЖПХ. 2020. Т. 93. № 10. С. 1446; Asnis N.A., Vasilenko O.A., Gasparyan M.D., Speshilov I.O., Vagramyan T.A., Aleshina V.K. // Russ. J. Appl. Chem. 2020. Vol. 93. N 10. P. 1518. doi: 10.1134/S1070427220100055
- Ашхотов О.Г., Магкоев Т.Т., Ашхотова И.Б. // Стекло и керамика. 2021. № 5. С. 40; Ashkhotov O.G., Ashkhotova I.B., Magkoev T.T. // Glass Ceram. 2021. Vol. 78. N 5–6. P. 204. doi: 10.1007/s10717-021-00379-9
- Собенин А.В., Антонинова Н.Ю., Усманов А.И., Шепель К.В. // Изв. вузов. Горный журнал. 2023. № 2. С. 32.
- Громов О.Б., Утробин Д.В., Штуца М.Г., Копарулина Е.С., Сырцов С.Ю., Полянский А.И. // Вопросы атомной науки и техники. Серия: Материаловедение и новые материалы. 2021. № 1 (107). С. 68.
- Давидович Р.Л. // Вестн. ДВО РАН. 2022. № 1 (221). С. 83.
- Kazakov A.A., Bessarabov A.M., Trokhin V.E., Vendilo A.G. // Chem. Pet. Eng. 2015. Vol. 51. N 9. P. 597. doi: 10.1007/s10556-016-0092-x
- Bessarabov A., Trokhin V., Kazakov A., Zaremba G., Vendilo A. // Chem. Eng. Trans. 2015. Vol. 43. P. 1021. doi: 10.3303/CET1543171
- Бессарабов А.М., Вендило А.Г., Трохин В.Е., Попов А.К., Казаков А.А., Рябенко Е.А., Кочетыгов А.Л. // Приборы и системы. Управление, контроль, диагностика. 2011. № 2. С. 1.
- Trokhin V.E., Bessarabov A.M., Kazakov A.A., Kirillova I.Yu. // Russ. J. Gen. Chem. 2024. Vol. 94. N 4. P. 872. doi: 10.1134/S1070363224040145
- Мастрюков М.В., Бреховских М.Н., Демина Л.И., Моисеева Л.В., Федоров В.А. // Неорг. матер. 2022. Т. 58. № 2. С. 186; Mastryukov M.V., Brekhovskikh M.N., Demina L.I., Moiseeva L.V., Fedorov V.A. // Inorg. Mater. 2022. Vol. 58. N 2. P. 177. doi: 10.1134/S0020168522020108
- Лазуткина Ю.С., Горелова О.М. // Ползуновский вестник. 2021. № 2. С. 194.
- Яшин А.Я., Яшин Я.И. // Сорбционные и хроматографические процессы. 2022. Т. 22. № 1. С. 6.
- Родченкова В.В. // Аналитика. 2019. Т. 9. № 2. С. 116.
- Трохин В.Е., Гришаева Д.А., Бессарабов А.М., Вишникина Е.Р. // Приборы и системы. Управление, контроль, диагностика. 2023. № 12. С. 8.
- Тарануха Н.Л., Семёнова С.В., Панков С.Н. // Интеллектуальные системы в производстве. 2023. Т. 21. № 3. С. 11.
- Хесс Ф. Практическое пособие Blender 3.0 для любителей и профессионалов. Моделинг, анимация, VFX, видеомонтаж. М.: СОЛОН-Пресс, 2022. 300 с.
- Шеннон Т. Unreal Engine 4 для дизайна и визулизации. М.: Бомбора, 2021. 368 с.
- Кулов Н.Н., Полковниченко А.В., Лупачев Е.В., Вошкин А.А., Магомедбеков Э.П. // Теоретические основы химической технологии. 2020. Т. 54. № 1. С. 3; Kulov N.N., Polkovnichenko A.V., Lupachev E.V., Voshkin A.A., Magomedbekov E.P. // Theor. Found. Chem. Eng. 2020. Vol. 54. N 1. P. 132. doi: 10.1134/S0040579520010108
- Алексеев А.В., Якимович П.В., Проскурнина Е.В. // Вестн. Московск. унив. Сер. 2. Химия. 2020. Т. 61. № 1. С. 27; Alekseev A.V., Yakimovich P.V., Proskurnina E.V. // Moscow Univ. Chem. Bull. 2020. Vol. 75. N 1. P. 22. doi: 10.3103/S0027131420010022
Supplementary files




