Information-Measuring and Control System Based on Satellite Radionavigation System to Land Aircraft
- Authors: Ivanov A.V.1, Moskvitin S.P.1, Ivanov A.A.1, Lezhneva N.A.1
-
Affiliations:
- TSTU
- Issue: Vol 30, No 4 (2024)
- Pages: 608-620
- Section: Automation. Information Technology. Control. Instruments
- URL: https://medbiosci.ru/0136-5835/article/view/278148
- DOI: https://doi.org/10.17277/vestnik.2024.04.pp.608-620
- ID: 278148
Cite item
Full Text
Abstract
Synthesis of optimal algorithms for information-measuring and control system based on satellite radio-navigation system for solution of aircraft landing problems is carried out by methods of the Markov theory of estimation of random processes. Three independent channels for processing the output signals of the satellite radionavigation system, radio altimeter, barometric altimeter and inertial navigation system have been synthesized to ensure control over the integrity of navigation data. The block diagram of information processing in the information-measuring and control system with integrity control of the true flight altitude of the aircraft has been developed.
Full Text
Введение
Важным этапом полета летательного аппарата (ЛА) является заход на посадку и посадка. При заходе на посадку с применением посадочной системы ЛА должен быть с допустимой вероятностью выведен в некоторую область пространства, положение и размеры которой зависят от посадочного метеоминимума. Данная область представляет собой пространство допустимых отклонений ЛА от заданной посадочной траектории, попадание в которое гарантирует, при условии нахождения скорости в установленных пределах, что ЛА выполнит необходимый корректирующий маневр и приземлится в заданной точке взлетно-посадочной полосы. Границы этой области определяются допустимыми боковыми отклонениями в горизонтальной области и отклонениями по высоте от заданной траектории посадки, которые зависят от расстояния до точки приземления. При решении задач захода на посадку и посадки навигационно-посадочный комплекс должен обеспечивать высокую точность определения места и истинной высоты полета ЛА. Требования к точности определения места и высоты при заходе на посадку и посадке самолетов по категориям ICAO (Международная организация гражданской авиации) приведены в табл. 1 [1].
Кроме точности навигационного обеспечения важным является его целостность. Под целостностью системы навигационного обеспечения понимается возможность своевременно обнаруживать аномальную работу ее элементов и защищать результат решения навигационной задачи от влияния этих аномалий.
Таблица 1
Требования к точности определения места и высоты при заходе на посадку и посадке самолетов по категориям ICAO
Категория | Высота над | Требования к | |
боковая | вертикальная | ||
1 | 30,0 (716) | 4,5…8,5 | 1,5…2,0 |
2 | 15,0 (358) | 2,3…2,6 | 0,7…0,85 |
3 | 2,4 (57) | 2,0 | 0,2…0,3 |
Наиболее жесткие требования по целостности предъявляются к системе при заходе и посадке по 1, 2 и 3-й категориям ICAO, которые составляют, соответственно, 0,999999, 0,999999 и 0,9999999995 при допустимом времени предупреждения не более 1 с [1].
Для решения задач захода на посадку и посадки летательного аппарата широкое распространение получили информационно-измерительные и управляющие системы – навигационно-посадочные комплексы (НПК). В состав навигационно-посадочных комплексов включают аппаратуру приема сигналов спутниковых радионавигационных систем (СРНС), радиовысотомер (РВ), барометрический высотомер (БВ) и инерциальную навигационную систему (ИНС) [2].
Для создания алгоритмического обеспечения навигационно-посадочного комплекса широко используются методы марковской теории оптимального оценивания случайных процессов [3 – 5], позволяющие создать комплексные оптимальные алгоритмы обработки информации. Выполнение требований ИКАО по точности в навигационно-посадочных комплексах обеспечивается за счет наличия в их составе радиотехнических измерителей СРНС и РВ. В то же время использование СРНС и РВ приводит к ряду проблем:
- – появление на выходе СРНС недостоверных данных, что связанно с возникновением аномальных измерений в режиме слежения на выходе следящей системы за задержкой до навигационного космического аппарата (НКА) в аппаратуре приема сигналов СРНС или с передачей потребителю недостоверных данных о координатах местоположения НКА [6];
- – кратковременное пропадание сигнала на выходе аппаратуры приема сигналов СРНС, что обусловлено влиянием канала распространения на радиосигнал, затенением приемной антенны, возникновением многолучевости распространения радиосигнала;
- – кратковременное пропадание сигнала на выходе РВ в случаях захода на посадку со стороны моря или в зимнее время при наличии снежного покрова и льда;
- – полное пропадание сигнала на выходе аппаратуры приема сигналов СРНС или на выходе РВ в случаях отказа аппаратуры.
Указанные проблемы приводят к появлению ошибок определения истинной высоты полета ЛА на выходе навигационно-посадочного комплекса, что является опасным при категорируемом заходе на посадку и посадке ЛА. Для целостности навигационного обеспечения в работах [7, 8] разработаны НПК, в которых проводится определение наличия или отсутствия радиосигнала на входе аппаратуры приема СРНС, что позволяет при отсутствии радиосигнала СРНС исключать его из дальнейшей обработки. В исследовании [9] разработан НПК, в котором оценивается мощность радиосигнала на входе аппаратуры приема СРНС для принятия решения о его дальнейшем использовании.
В данной работе в целях обеспечения целостности навигационных данных на выходе навигационно-посадочного комплекса предлагается за счет избыточности информации создать три независимых канала обработки информации и разработать схему контроля целостности.
Цель работы – методами марковской теории оптимального оценивания случайных процессов синтезировать алгоритмы обработки информации и разработать структурную схему навигационно-посадочного комплекса, в котором проводится контроль целостности истинной высоты полета ЛА.
Постановка задачи
Координаты местоположения и параметры движения ЛА в вертикальной плоскости (вертикальный канал) будем определять в нормальной земной системе координат OXg YgZg, у которой ось OXg направлена на Север, OYg – на Восток, OZg – вверх по местной вертикали.
Инерциальная навигационная система представляет собой стабилизируемую в горизонтальной плоскости свободную в азимуте платформу. Начало инерциальной системы координат OXиYиZи совпадает с центром масс ЛА. Начальная выставка осуществлена, ось OXи направлена на Север, оси OYи – на Восток и OZи – вверх по местной вертикали. Выходные сигналы ИНС дискретизированы по времени. С учетом вышесказанного, сигнал на выходе ИНС в вертикальной плоскости по оси OZи можно записать в виде [10]
, (1)
где (tk+1) и a(tk+1) – измеренные и истинные значения составляющей вектора ускорения ЛА по оси OZи соответственно; g – ускорение свободного падения; αa и – коэффициент, характеризующий ширину спектра погрешности, и дисперсия флуктуационной погрешности соответственно; tk+1 – tk = T – интервал дискретизации; naZ(tk+1) – независимые выборки гауссовского процесса с нулевым математическим ожиданием и единичной дисперсией; ΔaZ(tk+1) – постоянная составляющая погрешности измерения ускорения
. (2)
При решении задач захода на посадку и, особенно, что наиболее важно при посадке, можно полагать, что относительная высота совпадает с истинной высотой полета ЛА. Поэтому полагаем, что измерение высоты при помощи БВ осуществляется относительно давления на уровне (R + hаэр), где R0 – известный радиус-вектор геоцентрической (сферической) системы координат, hаэр – высота рельефа местности в точке аэродрома. Тогда при условии, что систематическая ошибка учтена при выставке БВ, сигнал на выходе БВ в дискретные моменты времени будет иметь вид [3]
, (3)
где – значение истинной высоты; и – соответственно постоянная ошибка и флуктуационная погрешность, описываемые выражениями:
;
, , (4)
в которых
; ; (5)
и – коэффициент, характеризующий ширину спектра погрешности, и дисперсия флуктуационной погрешности соответственно; nи(tk) – независимые выборки гауссовского процесса с нулевым математическим ожиданием и единичной дисперсией.
Аппаратура приема сигналов СРНС обеспечивает прием радиосигналов СРНС ГЛОНАСС. Считаем, что преобразование выходных данных о местоположении ЛА из системы координат ПЗ-90, в которой работает СРНС ГЛОНАСС, в нормальную земную систему координат выполнено. В этом случае измеренное значение высоты ЛА относительно центра Земли на выходе аппаратуры приема в дискретные моменты времени tk+1, k = 0, 1, 2, …, аналогично [11] представим в виде
, (6)
где nztk+1 – независимые выборки гауссовского случайного процесса с нулевым математическим ожиданием и единичной дисперсией; σz – среднеквадратическая ошибка измерения высоты ЛА.
Радиовысотомер проводит измерение истинной высоты полета ЛА. Измеренное значение истинной высоты ЛА на выходе радиовысотомера в дискретные моменты времени tk+1, k = 0, 1, 2, …, аналогично [3] представим в виде
, (7)
где nPB(tk+1) – независимые выборки гауссовского случайного процесса с нулевым математическим ожиданием и единичной дисперсией; σPB – среднеквадратическая ошибка измерения высоты ЛА.
Задание математической модели изменения положения объекта в вертикальной плоскости предполагает описание изменения его положения во времени. Зададим это системой дифференциальных уравнений вида:
; . (8)
Для задания модели изменения во времени ускорения ЛА в вертикальной плоскости применяют принцип распределения информации [3] между векторами наблюдения и управления. Согласно этому принципу значение составляющей ускорения объекта в математической модели (8) заменим на измеренное ИНС, то есть выходной сигнал ИНС используем в качестве компоненты вектора управления. В результате для дискретных моментов времени получим:
; (9)
. (10)
Подлежащий оцениванию вектор состояния в вертикальной плоскости, характеризующий положение объекта и скорость изменения этого положения во времени, включает четыре компоненты и в соответствии с (2), (4), (9), (10) описывается разностным векторно-матричным стохастическим уравнением
, (11)
где – известный вектор управления; Nx(tk) = naZ (tk) – формирующие стандартные гауссовские случайные величины; Φxx – фундаментальная матрица размером (4 × 4) с ненулевыми элементами , , , ; Ψ – переходная матрица управления размером (4 × 2) с ненулевыми элементами , , , ; и Гx – переходной вектор возмущения размером (4 × 1) с ненулевыми элементами, .
Вектор наблюдения включает наблюдения на выходе БВ , аппаратуры приема сигналов СРНС и радиовысотомера , которые в дискретные моменты времени tk+1, k = 0, 1, 2, …, в соответствии с (3), (6), (7) описываются выражениями:
; (12)
; (13)
, (14)
где H1, H2, H3 – векторы наблюдения размером (1 × 4) с ненулевыми элементами – известная величина; ; – шум наблюдения сигнала СРНС; ; – шум наблюдения сигнала РВ.
Комплексные оптимальные алгоритмы обработки информации в информационно-измерительной и управляющей системе – НПК ЛА с контролем целостности
Для получения алгоритмов комплексной оптимальной обработки информации в навигационно-посадочном комплексе с возможностью контроля целостности, выдаваемой комплексом истинной высоты полета ЛА, используем методы марковской теории оптимального оценивания. Применяя данные методы, синтезируем в навигационно-посадочном комплексе оптимальные алгоритмы обработки информации для трех каналов, а именно каналы обработки выходных сигналов: СРНС, БВ и ИНС; РВ, БВ и ИНС; БВ и ИНС.
Алгоритмы обработки информации в навигационно-посадочном комплексе по сигналам СРНС, БВ и ИНС
Подлежащий оцениванию вектор состояния X(tk+1) включает четыре компоненты и описывается разностным векторно-матричным стохастическим уравнением (11). Вектор наблюдения включает наблюдения на выходе БВ и аппаратуры приема сигналов СРНС , которые в дискретные моменты времени tk+1, k = 0, 1, 2, …, описываются выражениями (12), (13).
Оценка вектора состояния , полученная методами марковской теории оптимального оценивания по критерию минимума апостериорной дисперсии ошибки оценивания, будет определяться выражением [3, 4]
, (15)
где K1(tk+1) и K2(tk+1) – вектор-столбцы размером (4 × 1) матрицы оптимальных коэффициентов передачи, которую можно представить в виде
.
Матрица оптимальных коэффициентов передачи определяется соотношениями:
; (16)
, (17)
в которых P(tk+1) – матрица вторых центральных моментов (ковариаций) ошибок оценивания размером (4 × 4); Φyx(tk+1, tk) , Byx , Byy – блочные матрицы, имеющие вид:
;
;
;
;
;
;
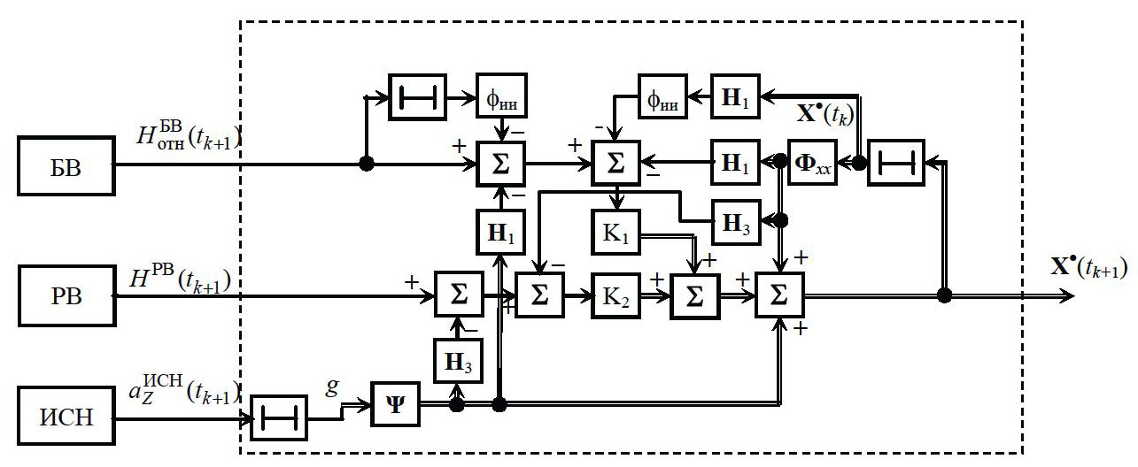
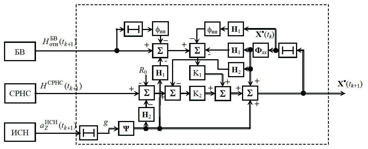
Уравнение (15) определяет структуру канала оптимальной обработки выходных сигналов СРНС, БВ и ИНС, а уравнения (16) и (17) определяют параметры устройства, в котором происходит обработка информации. Структурная схема канала обработки информации в информационно-измерительной и управляющей системе – навигационно-посадочном комплексе по сигналам СРНС, ИНС и БВ, разработанная на основе алгоритма (15), представлена на рис. 1.
Рис. 1. Структурная схема канала обработки информации в информационно-измерительной и управляющей системе – НПК по сигналам СРНС, ИНС и БВ
В состав структурной схемы обработки информации входят сумматоры, усилители и линии задержки. Входными сигналами для схемы служат выходные сигналы СРНС, БВ и ИНС. Выходной сигнал ИНС используется в качестве вектора управления.
Алгоритмы обработки информации в навигационно-посадочном комплексе по сигналам РВ, БВ и ИНС
Подлежащий оцениванию вектор состояния X(tk+1) включает четыре компоненты и описывается разностным векторно-матричным стохастическим уравнением (11). Вектор наблюдения , включает наблюдения на выходе БВ и РВ , которые в дискретные моменты времени tk+1, k = 0, 1, 2, …, описываются выражениями (12), (14).
Оценка вектора состояния , полученная методами марковской теории оптимального оценивания по критерию минимума апостериорной дисперсии ошибки оценивания, определяется выражением [3, 4]
, (18)
где K1(tk+1) и K2(tk+1 – вектор-столбцы размером (4 × 1) матрицы оптимальных коэффициентов передачи, которую можно представить в виде
.
Матрица оптимальных коэффициентов передачи определяется соотношениями (16), (17), в которых P(tk+1) – матрица вторых центральных моментов (ковариаций) ошибок оценивания размером (4 × 4); Φyx(tk+1,tk), Bxy , Byy – блочные матрицы:
;
;
;
;
;
;
Уравнение (18) определяет структуру канала оптимальной обработки выходных сигналов РВ, БВ и ИНС. Структурная схема канала обработки информации в информационно-измерительной и управляющей системе – навигационно-посадочном комплексе по сигналам РВ, ИНС и БВ, разработанная на основе алгоритма (18), представлена на рис. 2.
В состав структурной схемы обработки информации входят сумматоры, усилители и линии задержки. Входными сигналами для схемы служат выходные сигналы РВ и БВ. Выходной сигнал ИНС используется в качестве вектора управления.
Алгоритмы обработки информации в навигационно-посадочном комплексе по сигналам БВ и ИНС
Подлежащий оцениванию вектор состояния X(tk+1) включает четыре компоненты и описывается разностным векторно-матричным стохастическим уравнением (11). Вектор наблюдения включает наблюдение на выходе БВ , которое в дискретные моменты времени tk+1, k = 0, 1, 2, …, описывается выражением (12).
Рис. 2. Структурная схема обработки информации в информационно-измерительной и управляющей системе – НПК по сигналам РВ, ИНС и БВ
Оценка вектора состояния , полученная методами марковской теории оптимального оценивания по критерию минимума апостериорной дисперсии ошибки оценивания, будет определяться выражением [3, 4]
, (19)
где K(tk+1) – матрицы оптимальных коэффициентов передачи размером (4 × 1), определяемая соотношениями (16), (17), в которых P(tk+1) – матрица вторых центральных моментов (ковариаций) ошибок оценивания размером (4×4); Φyx(tk+1,tk ) , Bxy , Byy – матрицы:
;
;
.
Уравнение (19) определяет структуру канала оптимальной обработки выходных сигналов БВ и ИНС. Структурная схема канала обработки информации в информационно-измерительной и управляющей системе – навигационно-посадочном комплексе по сигналам ИНС и БВ, разработанная на основе алгоритма (19) представлена на рис. 3.
Рис. 3. Структурная схема обработки информации в информационно-измерительной и управляющей системе – НПК по сигналам ИНС и БВ
В состав структурной схемы обработки информации входят сумматоры, усилители и линии задержки. Входным сигналом для схемы служит выходной сигнал БВ. Выходной сигнал ИНС используется в качестве вектора управления.
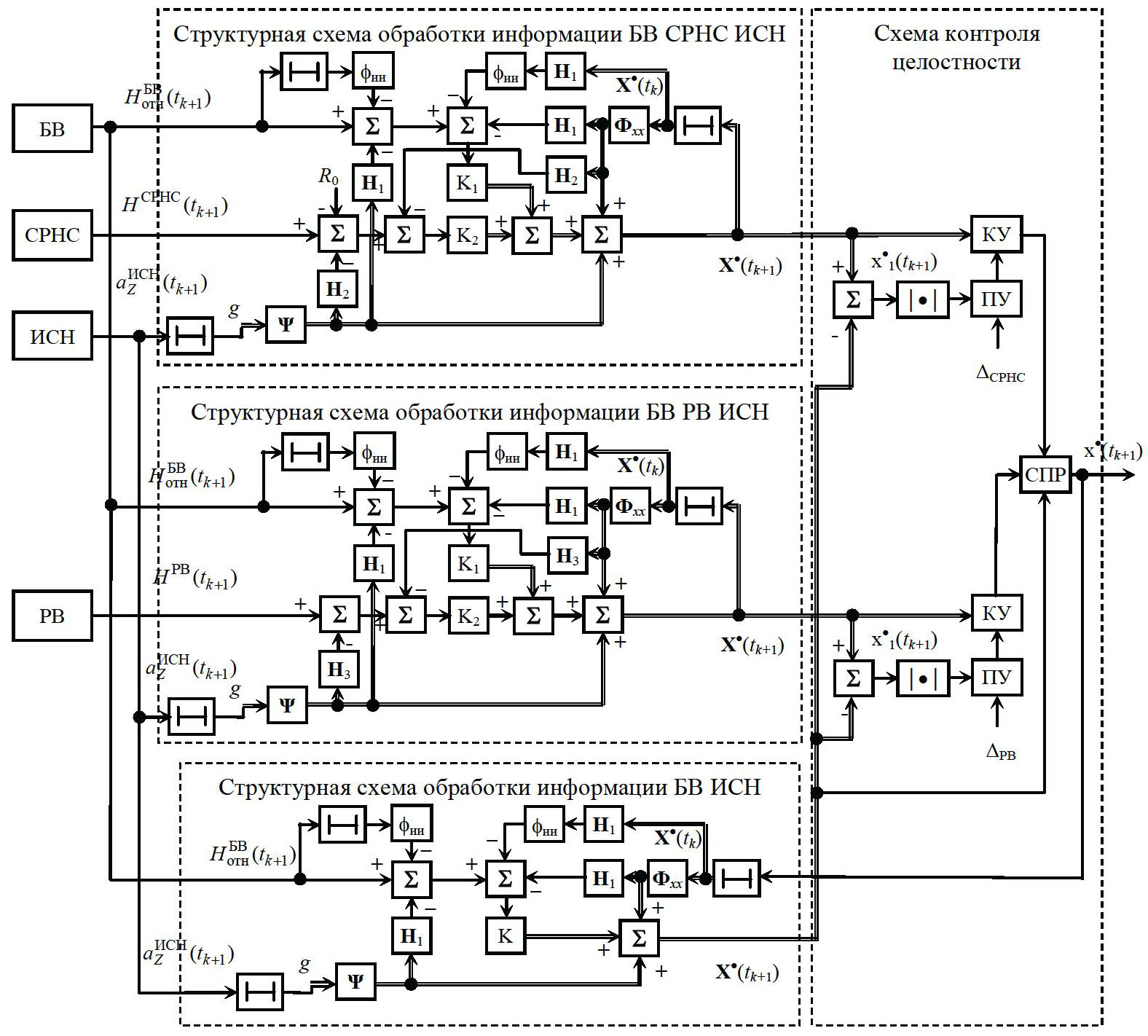
В соответствии с полученными оптимальными алгоритмами обработки информации разработана структурная схема обработки информации в информационно-измерительной и управляющей системе – навигационно посадочном комплексе с контролем целостности истинной высоты полета ЛА. Структурная схема, представленная на рис. 4, включает канал обработки информации по сигналам СРНС, ИНС и БВ; канал обработки информации по сигналам РВ, ИНС и БВ; канал обработки информации по сигналам ИНС и БВ; схему контроля целостности.
Рис. 4. Структурная схема обработки информации в информационно-измерительной и управляющей системе – НПК с контролем целостности истинной высоты полета ЛА
Алгоритм работы схемы контроля целостности следующий:
- – определение значения модуля абсолютнойошибки оценивания истинной высоты (первая компонента вектора состояния) между значением, вычисленным в канале обработки информации по сигналам СРНС, ИНС и БВ, и значением, вычисленным в канале обработки информации по сигналам ИНС и БВ. Сравнение этого значения в пороговом устройстве (ПУ) с допустимым значением ΔСЗРС и в случае, если модуль абсолютного значения ошибки превышает пороговое значение, исключение оценки вектора состояния , полученной в канале обработки информации по сигналам СРНС, ИНС и БВ, из дальнейшей обработки;
- – определение значения модуля абсолютной ошибки оценивания истинной высоты (первая компонента вектора состояния) между значением, вычисленным в канале обработки информации по сигналам РВ, ИНС и БВ, и значением, вычисленным в канале обработки информации по сигналам ИНС и БВ. Сравнение этого значения в ПУ с допустимым значением и в случае, если модуль абсолютного значения ошибки превышает пороговое значение, исключение оценки вектора состояния , полученной в канале обработки информации по сигналам РВ, ИНС и БВ, из дальнейшей обработки;
- – вычисление в схеме принятия решения (СПР) оценки вектора состояния на выходе навигационно-посадочного комплекса. Оценка вычисляется как среднее арифметическое из всех оценок, поступающих на ее вход.
Отличительной особенностью схемы является то, что полученная на выходе оценка вектора состояния в качестве обратной связи поступает в канал обработки информации по сигналам ИНС и БВ. Это позволяет производить коррекцию медленно нарастающих во времени ошибок ИНС по сигналам РВ и СРНС.
Заключение
Методами марковской теории оценивания случайных процессов проведен синтез оптимальных алгоритмов обработки информации для навигационно-посадочного комплекса с контролем целостности истинной высоты полета ЛА. Для обеспечения контроля целостности синтезированы три независимых канала обработки информации: канал обработки выходных сигналов СРНС, БВ и ИНС; канал обработки выходных сигналов РВ, БВ и ИНС; канал обработки выходных сигналов БВ и ИНС. Разработана структурная схема обработки информации в навигационно-посадочном комплексе.
About the authors
A. V. Ivanov
TSTU
Author for correspondence.
Email: aleksandr-ivanov68@yandex.ru
Department of Radio Engineering
Russian Federation, TambovS. P. Moskvitin
TSTU
Email: aleksandr-ivanov68@yandex.ru
Department of Radio Engineering
Russian Federation, TambovA. A. Ivanov
TSTU
Email: aleksandr-ivanov68@yandex.ru
Department of Radio Engineering
Russian Federation, TambovN. A. Lezhneva
TSTU
Email: aleksandr-ivanov68@yandex.ru
Department of Radio Engineering
Russian Federation, TambovReferences
- Perov A.I., Kharisov V.N. (Eds.) GLONASS. Printsipy postroyeniya i funktsionirovaniya [GLONASS. Principles of Design and Operation], Moscow: Radiotekhnika, 2005, 688 p. (In Russ.)
- Veremeyko K.K., Tikhonov V.A. [Navigation and Landing Complex Based on a Satellite Radio Navigation System], Radiotekhnika [Radio Engineering], 1996, no. 1, pp. 94-107. (In Russ., abstract in Eng.)
- Yarlykov M.S. Statisticheskaya teoriya radionavigatsii [Statistical Theory of Radio Navigation], Moscow: Radio i svyaz', 1985, 344 p. (In Russ.)
- Yarlykov M.S., Mironov M.A. Markovskaya teoriya otsenivaniya sluchaynykh protsessov [Markov Theory of Estimation of Random Processes], Moscow: Radio i svyaz', 1993, 464 p. (In Russ.)
- Ivanov A.V. Obrabotka mnogomernykh signalov. Nelineynaya mnogomernaya obrabotka signalov sputnikovykh radionavigatsionnykh sistem v kompleksakh samoletovozhdeniya [Processing of multidimensional signals. Nonlinear multidimensional processing of signals of satellite radio navigation systems in aircraft navigation systems], Moscow: Radiotekhnika, 2012, 176 p. (In Russ.)
- Ivanov A.V., Shishkin V.Yu., Boykov D.V., Lezhneva N.A., Ivanov A.A. [Adaptive algorithms for information processing in navigation systems of mobile ground objects], Radiotekhnika i elektronika [Radio Engineering and Electronics], 2021, no. 8(66), pp. 1-12. (In Russ., abstract in Eng.)
- Yarlykov M.S., Prigonyuk N.D. [Approach and landing of aircraft using signals from satellite radio navigation systems], Radiotekhnika [Radio engineering], 2001, no. 1, pp. 30-43. (In Russ., abstract in Eng.)
- Ivanov A.V., Moskvitin S.P., Lezhneva N.A., Ivanov A.A. [Determination of anomalous measurements of radio signals by a satellite radio navigation system using the method of statistical processing of measurement residuals], Transactions of the Tambov State Technical University, 2023, vol. 29, no. 1, pp. 27-40. doi: 10.17277/ vestnik.2023.01.pp.027-040 (In Russ., abstract in Eng.)
- Ivanov A.V. [Joint multi-alternative detection and evaluation of signals of satellite radio navigation systems], Radiotekhnika [Radio Engineering], 2004, no. 7, pp. 29-36. (In Russ., abstract in Eng.)
- Babich O.A. Obrabotka informatsii v navigatsionnykh kompleksakh [Information processing in navigation systems], Moscow: Mashinostroyeniye, 1991, 512 p. (In Russ.)
- Ivanov A.V. [Complex optimal algorithms for information processing in navigation systems of mobile ground-based objects with integrity monitoring of navigation support], Radiotekhnika [Radio Engineering], 2010, no. 5, pp. 12-17. (In Russ., abstract in Eng.)
Supplementary files






