Temperature Regimes of a Kamaz-5320 Vehicle Gearbox Bearing Unit to Ensure Testability
- Authors: Timashov E.P.1, Pastukhov A.G.1
-
Affiliations:
- Gorin Belgorod State Agrarian University
- Issue: No 4 (2023)
- Pages: 45-51
- Section: НАДЕЖНОСТЬ, ПРОЧНОСТЬ, ИЗНОСОСТОЙКОСТЬ МАШИН И КОНСТРУКЦИЙ
- URL: https://medbiosci.ru/0235-7119/article/view/137599
- DOI: https://doi.org/10.31857/S023571192304017X
- EDN: https://elibrary.ru/XXFHBS
- ID: 137599
Cite item
Full Text
Abstract
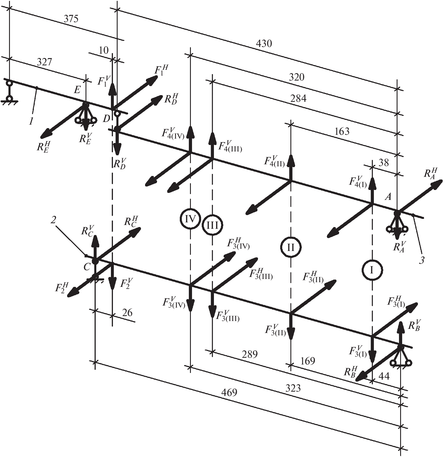
The results of analytical study on the temperature regimes of the gearbox bearing units are given, and their diagnostic criteria are substantiated. We prove experimentally the possibility of practical application of the automatic thermal diagnostics based on the study of the thermal regimes of the bearing unit.
About the authors
E. P. Timashov
Gorin Belgorod State Agrarian University
Email: pastukhov_ag@mail.ru
308503, Belgorod, Russia
A. G. Pastukhov
Gorin Belgorod State Agrarian University
Author for correspondence.
Email: pastukhov_ag@mail.ru
308503, Belgorod, Russia
References
- Костомахин М.Н., Катаев Ю.В., Петрищев Н.А. и др. Система дистанционного мониторинга технического состояния с функцией контроля соблюдения режимов мобильных энергосредств // Вестник машиностроения. 2022. № 1. С. 67.
- Катаев Ю.В., Герасимов В.С., Тишанинов И.А. Использование систем бесконтактной диагностики при техническом обслуживании энергонасыщенной сельскохозяйственной техники // Технический сервис машин. 2022. № 2 (147). С. 60.
- Щукина В.Н., Девянин С.Н., Казанцев С.П., Матвеев А.И. Проектирование интеллектуальной системы контроля технического состояния парка мобильных машин // Агроинженерия. 2022. Т. 24. № 5. С. 52.
- Пастухов А.Г., Тимашов Е.П. Проектирование контролепригодных узлов механических трансмиссий // Вестник машиностроения. 2021. № 7. С. 22.
- Лянденбурский В.В., Тарасов А.И., Нефедов М.В., Боровков В.Н. Анализ неисправностей коробок перемены передач автомобилей КамАЗ // Интернет-журнал Науковедение. 2014. № 5 (24). С. 153.
- Кулаков О.А. Обоснование новой методики диагностирования опорных подшипников коробки передач автомобиля КамАЗ в эксплуатации // Научно-технический вестник Поволжья. 2018. № 2. С. 25.
- Албагачиев А.Ю., Михеев А.Н., Тананов М.А., Тохметова А.Б. Определение температуры нагрева смазочного слоя при трении // Проблемы машиностроения и надежности машин. 2022. № 5. С. 93.
- Габитов И.И., Неговора А.В., Разяпов М.М. Оперативный мониторинг и управление температурными режимами ресурснозначимых агрегатов автотракторной техники // Технический сервис машин. 2021. № 1 (142). С. 89.
- Методика ускоренных испытаний карданных передач сельскохозяйственных машин. Руководящий технический материал РТМ 23.2.74-79. М.: ВИСХОМ, 1980. 40 с.
- Гриценко А.Е., Серегин А.А. Силовой анализ главной передачи ведущего моста трактора “Кировец” // Активная честолюбивая интеллектуальная молодежь сельскому хозяйству. 2022. № 1 (12). С. 42.
- Проектирование трансмиссий автомобилей. Справочник / Под общ. ред. А.И. Гришкевича. М.: Машиностроение, 1984. 272 с.
Supplementary files





