Physical Properties of a Low-Power Helicon Source Operating on a High-Frequency Discharge with a Capacitive Component
- Authors: Zadiriev I.I.1, Vavilin K.V.1, Kral’kina E.A.1, Nikonov A.M.1, Shvydkii G.V.1
-
Affiliations:
- Moscow State University
- Issue: Vol 49, No 7 (2023)
- Pages: 671-682
- Section: ION AND PLASMA SOURCES
- URL: https://medbiosci.ru/0367-2921/article/view/139587
- DOI: https://doi.org/10.31857/S0367292123600309
- EDN: https://elibrary.ru/VXNAMU
- ID: 139587
Cite item
Full Text
Abstract
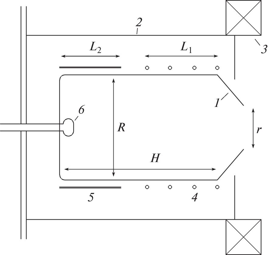
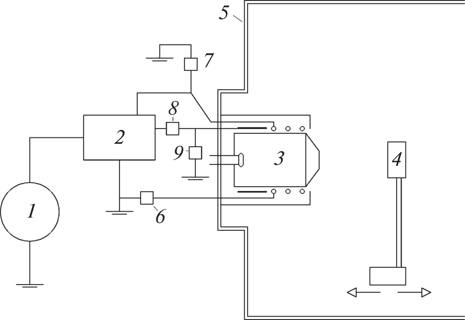
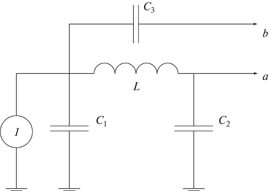
The results of an experimental study of a low-power RF plasma source placed in a longitudinal magnetic field (helicon thruster), when it operates on a capacitive RF discharge and inductive RF discharges with a capacitive component, are presented. A significant dependence of the characteristics of the ion and electron fluxes of the source on the induction of a constant magnetic field is shown. The fundamental applicability of capacitive RF discharge as a working process in the studied plasma source is demonstrated. It is shown that the increase in the average energy of ions in the flow at the outlet of the source with the appearance of the capacitive component of the discharge is slight.
About the authors
I. I. Zadiriev
Moscow State University
Email: iizadiriev@yandex.ru
119991, Moscow, Russia
K. V. Vavilin
Moscow State University
Email: iizadiriev@yandex.ru
119991, Moscow, Russia
E. A. Kral’kina
Moscow State University
Email: iizadiriev@yandex.ru
119991, Moscow, Russia
A. M. Nikonov
Moscow State University
Email: iizadiriev@yandex.ru
119991, Moscow, Russia
G. V. Shvydkii
Moscow State University
Author for correspondence.
Email: iizadiriev@yandex.ru
119991, Moscow, Russia
References
- Manente M., Walker M., Carlsson J., Bramanti C., Rocca S., Curreli D., Guclu Y., Pavarin D. // Proc. 5th International Spacecraft Propulsion Conf., Crete, Greece 2008. https://www.esa.int/gsp/ACT/doc/PRO/ACT-RPR-PRO-2008-ISPC-Feasibility-study-low-power-helicon-thruster.pdf
- Boswell R.W., Chen F.F. // IEEE Transactions on Plasma Science. 1997. V. 25. I. 6. P. 1229. https://doi.org/10.1109/27.650898
- Chen F.F., Boswell R.W. // IEEE Transactions on Plasma Science. 1997. V. 25. I. 6. P. 1245. https://doi.org/10.1109/27.650899
- Charles C. // J. Phys. D: Appl. Phys. 2009. V. 42. № 16. 163001. https://doi.org/10.1088/0022-3727/42/16/163001
- Charles C. // Plasma Sources Sci. Technol. 2007. V. 16. № 4. R1. https://doi.org/10.1088/0963-0252/16/4/R01
- Takahashi K. // Scientific Reports. 2021. V. 11. 2768. https://doi.org/10.1038/s41598-021-82471-2
- Takahashi K. // Reviews of Modern Plasma Physics. 2019. V. 3. 3. https://doi.org/10.1007/s41614-019-0024-2
- Charles C., Boswell R.W., Lieberman M.A. // Appl. Phys. Lett. 2006. V. 89. 261503. https://doi.org/10.1063/1.2426881
- Charles C., Cox W., Boswell R.W., Lainé R., Perren M. // Plasma Sources Sci. Technol. 2010. V. 19. 045003.
- Corr C.S., Zanger J., Boswell R.W. // Appl. Phys. Lett. 2007. V. 91. 241501. https://doi.org/10.1063/1.2823575
- Harle T., Pottinger S.J., Lappas V.J. // Plasma Sources Sci. Technol. 2013. V. 22. 015015. https://doi.org/10.1088/0963-0252/22/1/015015
- Charles C., Boswell R.W. // Phys. Plasmas. 2004. V. 11. P. 1706. https://doi.org/10.1063/1.1652058
- Corr C.S., Boswell R.W., Charles C., Zanger J. // Appl. Phys. Lett. 2008. V. 92. 221508. https://doi.org/10.1063/1.2938720
- Charles C., Boswell R.W. // Appl. Phys. Lett. 2003. V. 82. P. 1356. https://doi.org/10.1063/1.1557319
- Charles C., Boswell R.W. // Appl. Phys. Lett. 2007. V. 91. 201505. https://doi.org/10.1063/1.2814877
- Takahashi K., Charles C., Boswell R., Ando A. // Plasma Sources Sci. Technol. 2014. V. 23. 044004. https://doi.org/10.1088/0963-0252/23/4/044004
- Райзер Ю.П., Шнейдер М.Н., Яценко Н.А. Высокочастотный емкостный разряд: Физика. Техника эксперимента. Приложения. М.: изд. МФТИ: Наука, Физматлит, 1995.
- Задириев И.И., Вавилин К.В., Кралькина Е.А., Никонов А.М., Швыдкий Г.В. // Физика плазмы. 2022. Т. 48. № 9. С. 823–835. https://doi.org/10.31857/S0367292122600388
- Kralkina E.A., Rukhadze A.A., Nekliudova P.A., Pav-lov V.B., Petrov A.K., Vavilin K.V. // AIP Advances. 2018. V. 8. 035217. https://doi.org/10.1063/1.5023631
- Shamrai K.P., Taranov V.B. // Plasma Source Science and Technology. 1996. V. 5. P. 475–490. https://doi.org/10.1088/0963-0252/5/3/015
- Chen F.F. // Phys. Plasmas. 1996. V. 3. P. 1783. https://doi.org/10.1063/1.871697
- Blackwell D.D., Madziwa T.G., Arnushv, Chen F.F. // Physical Review Letters. 2002. V. 88. 145002. https://doi.org/10.1103/PhysRevLett.88.145002
- Chen F.F., Jiang X., Evans J.D., Tynan G., Arnush D. // Plasma. Phys. Control. Fusion. 1997. V. 39. A411. https://doi.org/10.1088/0741-3335/39/5A/038
- Arnush D. // Phys. Plasmas. 2000. V. 7. 3042. https://doi.org/10.1063/1.874157
- Chen F.F. // Phys. Plasmas. 2003. V. 10. 2586. https://doi.org/ 10.1063/1.1575755.
- Chen F.F. Helicon Plasma Sources / Ed. by O.A. Popov. High Density Plasma Sources. N.Y.: Noyes publications, 1996. P. 1–75.
- Chen F.F. // Plasma Sources Sci. Technol. 2015. V. 24. 014001. https://doi.org/10.1088/0963-0252/24/1/014001
- Shinohara Sh. // Advances in Physics: X. 2018. V. 3. 1420424. https://doi.org/10.1080/23746149.2017.1420424
- Isayama S., Hada T., Shinohara Sh. // Plasma and Fusion Research. 2018. V. 13. 1101014. https://doi.org/10.1585/pfr.13.1101014
- Boswell R.W. // Physics Letters A. 1970. V. 33. P. 457–458. https://doi.org/10.1016/0375-9601(70)90606-7
- Chen F.F., Chevalier Gs. // Journal of Vacuum Science and Technology A. 1992. V. 10. P. 1389. https://doi.org/10.1116/1.578256
Supplementary files


















