MEMS SWITCH BASED ON CANTILEVER WITH INCREASED CONTACT FORCE
- Authors: Belozerov I.A.1, Uvarov I.V.1
-
Affiliations:
- Yaroslavl Branch of the Institute of Physics and Technology named after K.A. Valieva Russian Academy of Sciences
- Issue: Vol 52, No 6 (2023)
- Pages: 449-458
- Section: МЭМС-УСТРОЙСТВА
- URL: https://medbiosci.ru/0544-1269/article/view/231896
- DOI: https://doi.org/10.31857/S0544126923600288
- EDN: https://elibrary.ru/JUGWJB
- ID: 231896
Cite item
Full Text
Abstract
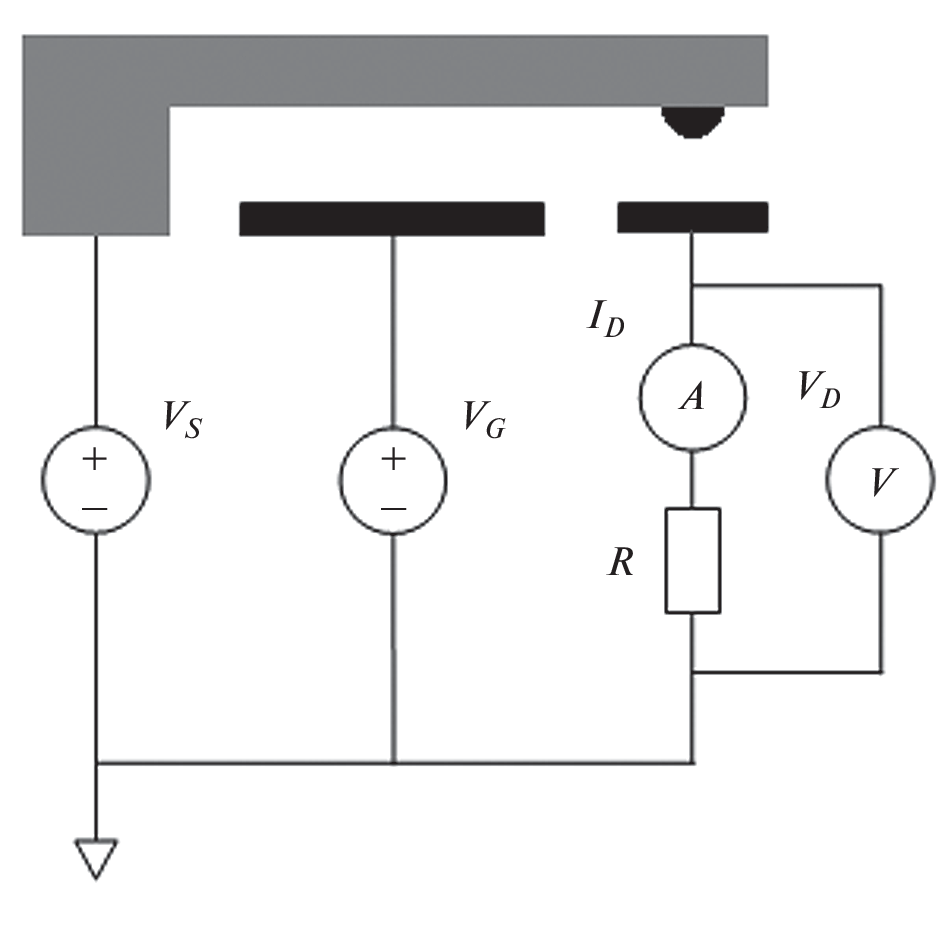
MEMS switches are of significant interest for promising radio-electronic systems, but have not yet found widespread use due to the low reliability of microcontacts. The switch develops low contact force, which results in high and unstable contact resistance. The force is usually increased by using electrodes with complex shapes and large areas, but a simple and compact configuration is preferable. This work presents a key based on a 50 µm long cantilever. For the first time, a method for selecting the vertical dimensions of a product is described, increasing the clamping force to values in excess of 100 μN, necessary for reliable operation of the contacts. Test samples were manufactured and tested, and the performance characteristics were compared with the calculation results.
About the authors
I. A. Belozerov
Yaroslavl Branch of the Institute of Physics and Technology named after K.A. Valieva Russian Academy of Sciences
Email: igas2580@yandex.ru
st. Universitetskaya, 21, Yaroslavl, 150007 Russia
I. V. Uvarov
Yaroslavl Branch of the Institute of Physics and Technology named after K.A. Valieva Russian Academy of Sciences
Author for correspondence.
Email: i.v.uvarov@bk.ru
st. Universitetskaya, 21, Yaroslavl, 150007 Russia
References
- Rebeiz G.M., Patel C.D., Han S.K., Ko C.-H., Ho K.M.J. The search for a reliable MEMS switch // IEEE Microw. Mag. 2013. V. 14. № 1. P. 57–67. https://doi.org/10.1109/MMM.2012.2226540
- Shekhar S., Vinoy K.J., Ananthasuresh G.K. Low-voltage high reliability MEMS switch for millimeter wave 5G applications // J. Micromech Microeng. 2018. V. 28. № 7. P. 075012. https://doi.org/10.1088/1361-6439/aaba3e
- Haider N., Caratelli D., Yarovoy A.G. Recent developments in reconfigurable and multiband antenna technology // Int. J. Antennas Propag. 2013. V. 2013. P. 869170. https://doi.org/10.1155/2013/869170
- Daneshmand M., Mansour R.R. RF MEMS satellite switch matrices // IEEE Microw. Mag. 2011. V. 12. № 5. P. 92–109. https://doi.org/10.1109/MMM.2011.941417
- Kurmendra, Kumar R. A review on RF micro-electro-mechanical-systems (MEMS) switch for radio frequency applications // Microsyst. Technol. 2021. V. 27. P. 2525–2542. https://doi.org/10.1007/s00542-020-05025-y
- Petersen K.E. Dynamic micromechanics on silicon: Techniques and devices // IEEE Transactions on electron devices. 1978. V. 25. № 10. P. 1241–1250. https://doi.org/10.1109/T-ED.1978.19259
- Dey S., Koul S.K., Poddar A.K., Rohde U.L. Ku to V-band 4-bit MEMS phase shifter bank using high isolation SP4T switches and DMTL structures // J. Micromech. Microeng. 2017. V. 27. P. 105010. https://doi.org/10.1088/1361-6439/aa8071
- Park J.-H., Lee S., Kim J.-M., Kim H.-T., Kwon Y., Kim Y.-K. Reconfigurable millimeter-wave filters using CPW-based periodic structures with novel multiple-contact MEMS switches //J. Microelectromech. Syst. 2005. V. 14. P. 456–463. https://doi.org/10.1109/JMEMS.2005.844849
- Li M., Zhang Y., Zhao Y., Xue P., Wu Q. Design and fabrication of a 4-bit RF MEMS attenuator with a high attenuation accuracy // Analog Integr. Circ. Sig. Process. 2020. V. 102. P. 617–624. https://doi.org/10.1007/s10470-020-01608-x
- Heredia J., Ribó M., Pradell L., Wipf S.T., Göritz A., Wietstruck M., Wipf C., Kaynak M. A 125–143-GHz frequency-reconfigurable BiCMOS compact LNA using a single RF-MEMS switch // IEEE Microw. Compon. Lett. 2019. V. 29. P. 339–341. https://doi.org/10.1109/LMWC.2019.2906595
- Saleem M.M., Nawaz H. A systematic review of reliability issues in RF-MEMS switches // Micro Nanosyst. 2019. V. 11. P. 11–33. https://doi.org/10.2174/1876402911666190204113856
- Huang Y., Vasan A.S.S., Doraiswami R., Osterman M., Pecht M. MEMS reliability review // IEEE Trans. Device Mater. Rel. 2012. V. 12. P. 482–493. https://doi.org/10.1109/TDMR.2012.2191291
- Basu A., Adams G.G., McGruer N.E. A review of micro-contact physics, materials, and failure mechanisms in direct-contact RF MEMS switches // J. Micromech. Microeng. 2016. V. 26. P. 104004. https://doi.org/10.1088/0960-1317/26/10/104004
- Ma Q., Tran Q., Chou T.-K.A., Heck J., Bar H., Kant R., Rao V. RF Metal contact reliability of RF MEMS switches // Proc. SPIE. 2007. V. 6463. P. 646305. https://doi.org/10.1117/12.702177
- Chen L., Guo Z.J., Joshi N., Eid H., Adams G.G., McGruer N.E. An improved SPM-based contact tester for the study of microcontacts // J. Micromech. Microeng. 2012. V. 22. P. 045017. https://doi.org/10.1088/0960-1317/22/4/045017
- Coutu R.A., Tomer D. Micro-contacts testing using a micro-force sensor compatible with biological systems // Int. J. Biosens. Bioelectron. 2017. V. 3. P. 00052. https://doi.org/10.15406/ijbsbe.2017.03.00052
- Blondy P., Pothier A., Stefanini R., Gauvin J., Passerieux D., Vendier O., Courtade F. Development of an all-metal large contact force reliable RF-MEMS relay for space applications // In Proceedings of the 42nd European Microwave Conference, Amsterdam, Netherlands, 29 October–1 November. 2012. https://doi.org/10.23919/EuMC.2012.6459332
- Patel C.D., Rebeiz G.M. A high-reliability high-linearity high-power RF MEMS metal-contact switch for DC-40-GHz applications // IEEE Trans. Microw. Theory Techn. 2012. V. 60. P. 3096–3112. https://doi.org/10.1109/TMTT.2012.2211888
- Sedaghat-Pisheh H., Rebeiz G.M. Variable spring constant, high contact force RF MEMS switch // In Proceedings of the 2010 IEEE MTT-S International Microwave Symposium, Anaheim, CA, USA, 23–28 May 2010. https://doi.org/10.1109/MWSYM.2010.5517083
- Stefanini R., Chatras M., Blondy P., Rebeiz G.M. Miniature MEMS switches for RF applications // J. Microelectromech. Syst. 2011. V. 20. P. 1324–1335. https://doi.org/10.1109/JMEMS.2011.2170822
- Liu B., Lv Z., He X., Liu M., Hao Y., Li Z. Improving performance of the metal-to-metal contact RF MEMS switch with a Pt-Au microspring contact design // J. Micromech. Microeng. 2011. V. 21. P. 065038. https://doi.org/10.1088/0960-1317/21/6/065038
- Belozerov I.A., Uvarov I.V. Performance optimization of the cantilever-based MEMS switch // St. Petersburg State Polytechnical University J. Physics and Mathematics. 2022. V. 15. № 3.2. P. 140–144. https://doi.org/10.18721/JPM.153.226
- Rebeiz G.M. RF MEMS: theory, design, and technology. John Wiley & Sons, 2004.
- Uvarov I.V., Kupriyanov A.N. Investigation of Characteristics of Electrostatically Actuated MEMS Switch with an Active Contact Breaking Mechanism // Russ. Microelectron. 2018. V. 47. № 5. P. 307–316. https://doi.org/10.1134/S1063739718050086
- Uvarov I.V., Kupriyanov A.N. Stiction-protected MEMS switch with low actuation voltage // Microsystem Technologies. 2019. V. 25. № 8. P. 3243–3251. https://doi.org/10.1007/s00542-018-4188-4
- Uvarov I.V., Marukhin N.V., Naumov V.V. Contact resistance and lifecycle of a single- and multiple-contact MEMS switch // Microsyst. Technol. 2019. V. 25. P. 4135–4141. https://doi.org/10.1007/s00542-018-4279-2
- Do C., Lishchynska M., Delane K., Fitzgerald P., Goggin R., Hill M. Model-based analysis of switch degradation effects during lifetime testing // 2012 IEEE 25th International Conference on Micro Electro Mechanical Systems (MEMS). 2012. P. 460–463. https://doi.org/10.1109/MEMSYS.2012.6170169
- Бабичев А.П. Физические величины: справочник // А.П. Бабичев, Н.А. Бабушкина, А.М. Братковский и др., Под ред. Григорьева И.С., Мейлихова Е.З. // М.: Энергоатомиздат. 1991.
- Uvarov I.V., Naumov V.V., Kupriyanov A.N., Izyumov M.O., Amirov I.I. A seesaw-type MEMS switch with Pt and Ru contacts // St. Petersburg State Polytechnical University J. Physics and Mathematics. 2022. V. 15. № 3.3. P. 335–339. https://doi.org/10.18721/JPM.153.366
- Czaplewski D.A., Nordquist C.D., Dyck C.W., Patrizi G.A., Kraus G.M., Cowan W.D. Lifetime limitations of ohmic, contacting RF MEMS switches with Au, Pt and Ir contact materials due to accumulation of ‘friction polymer’ on the contacts // J. Micromech. and Microengin. 2012. V. 22. № 10. P. 105005. https://doi.org/10.1088/0960-1317/22/10/105005
Supplementary files










