Проектирование интегральных умножителей напряжения по типовым КМОП-технологиям
- Авторы: Синюкин А.С.1, Коноплев Б.Г.1, Ковалев А.В.1
-
Учреждения:
- Дизайн-центр микроэлектронной компонентной базы для систем искусственного интеллекта Южного федерального университета
- Выпуск: Том 52, № 6 (2023)
- Страницы: 508-517
- Раздел: ПРИБОРЫ
- URL: https://medbiosci.ru/0544-1269/article/view/231921
- DOI: https://doi.org/10.31857/S0544126923600203
- EDN: https://elibrary.ru/HPMCNY
- ID: 231921
Цитировать
Полный текст
Аннотация
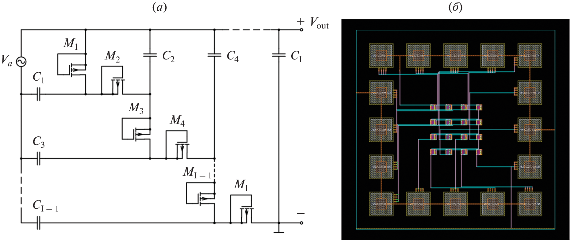
Представлены результаты проектирования интегральных многокаскадных умножителей напряжения как компонентов модулей питания беспроводных пассивных микроустройств. Рассмотрены значимые для построения умножителей параметры транзисторов, представленных в трех типовых КМОП-технологиях: CM018G 180 нм, HCMOS8D 180 нм и C250G 250 нм. Результаты моделирования в САПР Cadence показали, что при реализации восьмикаскадного умножителя по технологии CM018G минимально необходимый для работы микросхемы уровень выходного напряжения достигается при входной амплитуде 250 мВ, а при реализации аналогичного устройства по технологии HCMOS8D – при амплитуде 375 мВ. На примере построенного шестнадцатикаскадного умножителя показано, что значения эффективности умножения напряжения составляют от 20 до 54% для широкого диапазона входного напряжения, причем эффективность снижается всего на 1–3% по сравнению с восьмикаскадной реализацией. Предложенные рекомендации по проектированию интегральных выпрямителей-умножителей напряжения могут найти применение при разработке пассивных модулей питания микроэлектронных устройств.
Об авторах
А. С. Синюкин
Дизайн-центр микроэлектронной компонентной базы для систем искусственного интеллекта Южного федерального университета
Email: sinyukin@sfedu.ru
Россия, 347922, Таганрог, ул. Шевченко, 2
Б. Г. Коноплев
Дизайн-центр микроэлектронной компонентной базы для систем искусственного интеллекта Южного федерального университета
Email: kbg@sfedu.ru
Россия, 347922, Таганрог, ул. Шевченко, 2
А. В. Ковалев
Дизайн-центр микроэлектронной компонентной базы для систем искусственного интеллекта Южного федерального университета
Автор, ответственный за переписку.
Email: avkovalev@sfedu.ru
Россия, 347922, Таганрог, ул. Шевченко, 2
Список литературы
- Guler U., Jia Y., Ghovanloo M. A Reconfigurable Passive Voltage Multiplier for Wireless Mobile IoT Applications // IEEE Transactions on Circuits and Systems – II: Express Briefs. 2020. V. 67. № 4. P. 615–619.
- Chun A.C.C., Ramiah H., Mekhilef S. Wide Power Dynamic Range CMOS RF-DC Rectifier for RF Energy Harvesting System: A Review // IEEE Access. 2022. V. 10. P. 23948–23963.
- Li P. et al. RF Energy Harvesting for Batteryless and Maintenance-Free Condition Monitoring of Railway Tracks // IEEE Internet of Things J. 2021. V. 8. № 5. P. 3512–3523.
- Charthad J. et al. mm-Sized Wireless Implantable Device for Electrical Stimulation of Peripheral Nerves // IEEE Transactions on Biomedical Circuits and Systems. 2019. V. 12. № 2. P. 257–270.
- Takacs A. et al. Recent Advances in Electromagnetic Energy Harvesting and Wireless Power Transfer for IoT and SHM Applications // 2017 IEEE International Workshop of Electronics, Control, Measurement, Signals and their Application to Mechatronics (ECMSM), Donostia. 2017. P. 1–4.
- Dickson J.F. On-Chip High-Voltage Generation in MNOS Integrated Circuits Using an Improved Multiplier Technique // IEEE J. Solid-state Circuits. 1976. V. SC-11. № 3. P. 374–378.
- Curty J.-P. et al. Remotely Powered Addressable UHF RFID Integrated System // IEEE Journal of Solid-State Circuits. 2005. V. 40. № 11. P. 2193–2202.
- Hong Y. et al. Design of Passive UHF RFID Tag in 130 nm CMOS Technology // 2008 IEEE Asia Pacific Conference on Circuits and Systems (APCCAS 2008), Macao. 2008. P. 1371–1374.
- Teh Y.-K. et al. Design and Analysis of UHF Micropower CMOS DTMOST Rectifiers // IEEE Transactions on Circuits and Systems – II: Express Briefs. 2009. V. 56. № 2. P. 122–126.
- Yao Y. et al. A Fully Integrated 900-MHz Passive RFID Transponder Front End With Novel Zero-Threshold RF-DC Rectifier // IEEE Transactions on Industrial Electronics. 2009. V. 56. № 7. P. 2317–2325.
- Fahsyar P.N.A., Soin N. A Proposed Low Power Voltage Multiplier for Passive UHF RFID Transponder // 2010 IEEE International Conference on Semiconductor Electronics (ICSE2010), Malacca. 2010. P. 334–337.
- Yao W. et al. Design of a passive UHF RFID tag for the ISO18000-6C protocol // J. Semiconductors. 2011. V. 32. № 5. Article 055009. P. 1–6.
- Mabrouki A., Latrach M., Lorrain V. High Efficiency Low Power Rectifier Design using Zero Bias Schottky Diodes // 2014 IEEE Faible Tension Faible Consommation, Monaco. 2014. P. 1–4.
- Nicot J., Taris T. Remote RF Powering of Ambient Sensors // 2016 IEEE International Conference on Electronics, Circuits and Systems (ICECS), Monte Carlo. 2016. 760–763.
- Wang X., Abdelatty O., Mortazawi A. Design of a Wide Dynamic Range Rectifier Array with an Adaptive Power Distribution Technique // 2016 46th European Microwave Conference (EuMC), London. 2016. P. 922–925.
- Sinyukin A.S., Kovalev A.V. Method for the Iterative Refinement of Parameter Values in Analytical Models of Microelectronic Devices Based on Integrated MOS Transistors // Russian Microelectronics. 2022. V. 51. № 6. Р. 398–403.
- Технологии [Электронный ресурс]: https://www. mikron.ru/capabilities/technology // Сайт группы компаний “Микрон” (дата обращения 02.06.2023).
- 18-micron Technology [Электронный ресурс]: https://www.tsmc.com/english/dedicatedFoundry/technology/logic/l_018micron // TSCM Official Website (дата обращения 02.06.2023).
- Новые микроэлектронные технологии [Электронный ресурс]: https://nm-tech.org // Сайт производителя микроэлектронных компонентов “НМ-Тех” (дата обращения 02.06.2023).
- Weste N.H.E., Harris D.M. CMOS VLSI Design. A Circuits and Systems Perspective / N.H.E. Weste, D.M. Harris // Boston, Addison-Wesley, 2011. 839 p.
- Sinyukin A.S., Konoplev B.G. Integrated CMOS Microwave Power Converter for Passive Wireless Devices // Russian Microelectronics. 2021. V. 50. № 3. P. 219–227.
- Fang S., McVittie J.P. Thin-Oxide Damage from Gate Charging During Plasma Processing // IEEE Electron Device Letters. 1992. V. 13. № 5. P. 288–290.
- Синюкин А.С., Коноплев Б.Г., Ковалев А.В. Преобразователь радиочастотной энергии на наноразмерных МОП-транзисторах для пассивных беспроводных приложений // Проблемы разработки перспективных микро- и наноэлектронных систем (МЭС), Москва. 2020. С. 218–223.
- Baker R.J. CMOS: circuit design, layout, and simulation / R.J. Baker // Hoboken, Wiley, 2010. 1177 p.
- Dabhi C.K. BSIM4 4.8.1 MOSFET Model / C.K. Dabhi, S.S. Parihar, H. Agrawal, N. Paydavosi., T.H. Morshed, D.D. Lu, W. Yang, M.V. Dunga, X. Xi, J. He, W. Liu, Kanyu, M. Cao, X. Jin, J.J. Ou, M. Chan // Berkeley, University of California, 2017, 185 p.
- Коноплев Б.Г., Синюкин А.С. Умножитель напряжения для маломощных приложений. Патент РФ № 199930 от 29.09.2020.
Дополнительные файлы







