Reference Section of the Сampanian Stage of the Southwestern Crimea: Problems of Substage Subdivision and Global Correlation
- Authors: Baraboshkin E.Y.1,2, Guzhikov A.Y.3, Aleksandrova G.N.1,2, Akinin V.V.4, Ryabov I.P.3, Ustinova M.A.1,2, Rtischev N.A.1,2, Vishnevskaya V.S.3
-
Affiliations:
- Moscow State University
- Geological Institute, Russian Academy of Sciences
- Saratov State University
- North-Eastern Complex Research Institute, Far East Branch, Russian Academy of Sciences
- Issue: Vol 32, No 2 (2024)
- Pages: 48-103
- Section: Articles
- URL: https://medbiosci.ru/0869-592X/article/view/259759
- DOI: https://doi.org/10.31857/S0869592X24020031
- EDN: https://elibrary.ru/DEDUNN
- ID: 259759
Cite item
Full Text
Abstract
This paper is devoted to new data on the stratigraphy of Campanian deposits in the stratotype of the Kudrinskaya Formation of South-Western Crimea. For the first time, integrated sedimentological, biostratigraphical (ichnofossils, cephalopods, inoceramids, foraminifera, dinocysts, nannoplankton, gilianellids), isotope-geochemical, palaeo- and petromagnetic characteristics of the section were obtained. The boundary of the lower and upper Campanian is determined, confirmed by U–Pb dating of zircons from the well-known keel (bentonite) clay layer in the interval of 77–80 Ma. It is proposed to accept the Campanian substages boundary of the General Stratigraphic Chart of Russia (with a two-fold subdivision) at the top of the C33r Magnetic Chron, located near the δ13C isotopic excursion “MCaE” — Mid-Campanian Event, near the first occurrence of the benthic foraminifer Brotzenella monterelensis and a number of other traditional biomarkers.
Full Text
ВВЕДЕНИЕ
Кампан-маастрихтские отложения Юго-Западного Крыма хорошо известны в литературе благодаря своей стратиграфической полноте и схожести с разрезами Западной Европы. Хотя этот район исследовался многими поколениями геологов, разрезы требуют переизучения в связи с утверждением границ ярусов и обоснованием подъярусных границ. Ранее был комплексно (седиментология, ихнофоссилии, макро- и микрофауна, палинология, наннопланктон, изотопия, палео- и петромагнитный методы) изучен ряд разрезов, охватывающих пограничный интервал сантонского и кампанского ярусов и нижнюю часть кампанского яруса в районе оврага Аксу-Дере и северной окраины с. Кудрино (Гужиков и др., 2020, 2021а, 2021б) (рис. 1, 3). По своей охарактеризованности они не уступают кандидату еще не утвержденного глобального стратотипа (GSSP) кампана и рассматриваются в качестве дополнительного (auxiliary) разреза (Gale et al., 2023, p. 26).
Рис. 1. Расположение разрезов Кудрино-1, -2, -3 и Аксу-Дере (по Гужиков и др., 2020, 2021а, 2021б). На рис. 1в линии разной толщины — дороги от шоссейной (толстые линии) до грунтовых (тонкие линии)
Рис. 2. Фотографии изученных разрезов
(а) — общий вид разреза Кудрино-1, примерный трек отбора образцов и положение заброшенного карьера (стрелка); (б) — фото заброшенного карьера, вскрывающего киловые глины (пачка XVII, ниже и левее стрелки), и место находки аммонита (стрелка)
Рис. 3. Корреляция нижнекампанских отложений в районе с. Кудрино и оврага Аксу-Дере (по Гужиков и др., 2020, 2021а, 2021б). В скобках у названий разрезов — номера точек
В 2021 г., вслед за (Hancock, Gale, 1996), мы предложили проводить границу сантонского и кампанского ярусов по смене магнитной полярности в подошве хрона C33r (Гужиков и др., 2021б). На этом же уровне данная граница была показана в работах предшественников (Gradstein et al., 2012, 2020 и др.), и в настоящее время именно этот признак принят в качестве первичного маркера для выбора GSSP в разрезе Боттачионе (Губбио, Италия; Gale et al., 2023). В настоящей статье мы принимаем упомянутую (но еще не утвержденную) границу сантонского и кампанского ярусов в подошве хрона C33r разреза Кудрино-2 (рис. 2).
Разделение кампанского яруса на два или три подъяруса находится в стадии обсуждения (Hancock, Gale, 1996; Gradstein et al., 2012, 2020; Барабошкин и др., 2013), и каких-либо общепринятых критериев и предложений на этот счет пока не существует. Поэтому за основу нами принято двучленное деление кампана в соответствии с действующей Общей стратиграфической шкалой России (Олферьев, Алексеев, 2002).
В Крыму более высокие части кампанского разреза и кампан-маастрихтский пограничный интервал были комплексно изучены в разрезах Бешкош (Барабошкин и др., 2020), Чахмахлы и других (Гужикова, 2019). Наименее охарактеризован пограничный интервал нижнего и верхнего кампана, поскольку он, как правило, очень плохо обнажен. Поэтому целью настоящей работы являлось комплексное исследование стратотипа кудринской свиты кампана (Плотникова и др., 1984) у с. Кудрино (разрез Кудрино-1, рис. 1, 2а) для обоснования границы подъярусов.
Полевое изучение и опробование разреза производилось несколько раз. Материал, собранный нами в 2002 г. (точка наблюдения 2414), не был опубликован, за исключением данных по фораминиферам, преимущественно планктонным (данные Л.Ф. Копаевич (МГУ) в Копаевич, Хотылев, 2014; Kopaevich, Vishnevskaya, 2016). Повторное опробование проведено в 2018 г. Е.Ю. Барабошкиным, А.Ю. Гужиковым, А.Г. Маникиным, В.А. Грищенко (точка наблюдения 3169). Ориентированные штуфы для различных типов анализа взяты со 102 стратиграфических уровней по системе “образец в образец”, при мощности разреза 94 м. Дополнительно был изучен небольшой выход пород в заброшенном карьере рядом с основным разрезом (рис. 2б), где помимо находок макрофауны и ихнофоссилий был отобран образец киловых (бентонитовых) глин для последующего выделения и датировки цирконов U–Pb методом (SHRIMP-II).
Описание разреза, седиментологические, петрографические, ихнологические исследования, а также изучение остатков макрофауны проведены Е.Ю. Барабошкиным (МГУ), магнитостратиграфические данные получены А.Ю. Гужиковым, В.А. Грищенко (СГУ), анализ изотопных датировок выполнен В.В. Акининым (СВКНИИ ДВО РАН), палинологический анализ проведен Г.Н. Александровой (ГИН РАН), бентосные фораминиферы изучались И.П. Рябовым (СГУ), на-нопланктон — М.А. Устиновой (ГИН РАН), жилианеллы — В.С. Вишневской (ГИН РАН), а данные по геохимии стабильных изотопов получены Н.А. Ртищевым (МГУ, ГИН РАН) под руководством Б.Г. Покровского (ГИН РАН) в Лаборатории геохимии изотопов и геохронологии ГИН РАН.
Образцы макрофауны и ихнофоссилий хранятся в Музее землеведения МГУ (коллекции 149 и 140 соответственно), препараты микрофоссилий — в лабораториях ГИН РАН, а бентосные фораминиферы — в коллекции И.П. Рябова.
ОПИСАНИЕ РАЗРЕЗА
Разрез Кудрино-1 расположен в Бахчисарайском районе Республики Крым, к юго-западу от города Бахчисарай, на правом борту р. Кача (рис. 1а–1в). Слои залегают согласно и наклонены на северо-запад, азимуты падения варьируют от 250° до 290°, а углы падения от 7° до 10°. Разрез кудринской свиты изучался вдоль одной из промоин, прорезающих склон водораздела на юго-западной окраине с. Кудрино; его начало имеет координаты 44°42'16.5'' с.ш., 33°56'25.9'' в.д.; координаты заброшенного карьера: 44°42′20.4″ с.ш., 33°56′29.4″ в.д.
Нижняя часть разреза (пачки XVI–XVIII по (Алексеев, 1989) верхнемеловой последовательности) изучена в разрезе Кудрино-2 (рис. 3), данные по которому опубликованы ранее (Гужиков и др., 2021а) и здесь не повторяются. Корреляция с разрезом Аксу-Дере проведена по подошве зоны Bolivinoides pustulata и кровле зоны Pseudogavelinella clementiana clementiana по бентосным фораминиферам (БФ), а корреляция с разрезом Кудрино-1 — опосредованно через разрез Аксу-Дере (рис. 3). По литологическим признакам и в условиях существующей обнаженности другими методами надстроить разрезы не удается. Между разрезами Кудрино-1 и Кудрино-2 имеется перерыв в обнаженности, мощность которого оценивается в 57 м (см. раздел “Магнитостратиграфия”). На основе корреляции индексация верхней пачки разрезов Аксу-Дере и Кудрино-2 изменена по сравнению с таковой в (Гужиков и др., 2021а, 2021б). Выходы пород в заброшенном карьере дублируют основной разрез Кудрино-1 и легко с ним сопоставляются по наиболее мощному прослою киловых глин, поэтому описание этого обнажения отдельно не приводится. Изученный разрез представлен следующей последовательностью (снизу вверх, рис. 3):
Подпачка XVId1 (надстраивает подпачку XVId: см. Гужиков и др., 2021а). Светло-серые и зеленоватые глинистые мергели (0.1–0.6 м), чередующиеся с более глинистыми мергелями и известковыми глинами (0.1–0.15 м). Мощности всех прослоев несколько возрастают вверх по разрезу. В шлифах породы представлены фораминиферовыми вакстоунами. В подпачке встречаются редкие остатки губок и ихнофоссилии Planolites isp., Chondrites ispp., Zoophycos isp., редкие Thalassinoides isp. Видимая мощность 6.4 м.
Подпачка XVId2. Чередование биотурбированных мергелей (0.3–0.6 м) и глинистых мергелей (0.15–0.25 м) с редкими прослоями известковых глин. Подпачка начинается с мощного (~1 м) слоя фораминиферовых вакстоунов (табл. I, фиг. а), содержащего в средней части удлиненные конкреции светло-серых кремней (до 0.15 × 0.25 м). В кровле расположен мощный (0.7 м) прослой глинистых известняков, образующих небольшой карниз, ниже которого наблюдается несколько поверхностей твердого дна (ТД) и горизонт выветрелых пиритовых конкреций. В пачке встречены норы Thalassinoides isp. и Chondrites isp. Мощность 6.9 м, а полная мощность пачки XVI, с учетом пропуска, составляет, предположительно, около 77–80 м.
Таблица I. Петрографическая характеристика разреза
(а) — обр. 3169/10, фораминиферовый вакстоун, подпачка XVId2; (б) — обр. 3169/20, фораминиферово-кальцисферовый пак-вакстоун, пачка XVII; (в) — обр. 3169/30, кальцисферово-фораминиферовый вакстоун, пачка XVIIIa, краевая часть норы Planolites isp. (Pln); (г) — обр. Кр18–4, фораминиферовый вакстоун, основание пачки XVIIIa, в месте находки аммонита; (д) — обр. 3169/82, алевритистый биокластовый пакстоун с зернами глауконита и фосфатизированными фораминиферами, средняя часть подпачки XIXa; (е) — обр. 3169/100, фораминиферовый пакстоун — фрагмент копролита (?) в фораминиферовом вакстоуне, верхняя часть подпачки XIXa. Сокращения: биокласты: b — двустворки; e — иглокожие, фораминиферы: bf — бентосные, pf — планктонные: G — глоботрунканы, Gb — глобигерины, H — гетерохелициды; cs — кальцисферы, ph — фосфатизированные фораминиферы; pl — фрагменты призматического слоя раковин иноцерамов; другие зерна: q — кварц; gl — глауконит. Все фото сделаны в неполяризованном свете на микроскопе Olympus-BX43 камерой Olympus-DP71 ЦКП МГУ. Масштабная линейка 200 мкм
Пачка XVII. Чередование глин, зеленоватых киловых (бентонитовых) глин и светло-серых мергелей, микроскопически представленных фораминиферово-кальцисферовыми пак-вакстоунами и мадстоунами (табл. I, фиг. б). Пачка начинается тонким (0.1 м) прослоем кила с мелкими лимонитизированными конкрециями пирита, а завершается мощным (0.3–0.4 м) прослоем кила, который разрабатывался в ныне заброшенном карьере. Кровля этого прослоя несет следы размыва. В верхней части подпачки присутствует несколько поверхностей ТД, а в мергелях встречены остатки губок и биотурбации Chondrites isp. Мощность 6.7 м.
Пачка XVIII. Пачка разделена на две подпачки.
Подпачка XVIIIa. Глинистые известняки и мергели с тонкими (0.02–0.05 м) прослоями серых глин или сильноглинистых мергелей. В основании расположено два мощных (~1 м) прослоя фораминиферовых вакстоунов с единичными зернами глауконита (табл. I, фиг. г), в нижнем из которых найден Pachydiscus (Pachydiscus) launayi (De Grossouvre) (табл. II, фиг. 3; Барабошкин, 2023). Выше по разрезу мощность известняков уменьшается, они представлены кальцисферово-фораминиферовыми вакстоунами (табл. I, фиг. в). В отвалах карьера из пород данной подпачки собран богатый комплекс ихнофоссилий: Zoophycos villae Massalongo, Chondrites caespitosus (Fisch.-Oost.), Palaeophycus tubularis Hall, P. heberti (de Saporta) (Барабошкин, 2020; Гужиков и др., 2021а), Planolites isp., Chondrites isp. Здесь же найдены Sphaeroceramus cf. sarumensis (Woods) (табл. II, фиг. 4) и Cataceramus sp. ex gr. C. dariensis (Dobrov et Pavlova) (табл. II, фиг. 5). Мощность 9 м.
Таблица II. Находки макрофауны и следы биоэрозии
1, 2 — Belemnitella mucronata (v. Schlotheim): 1 — экз. МЗ МГУ № 149-4, 2 — экз. МЗ МГУ № 149-5; а — вид со спинной стороны, б — вид сбоку, в-вид с брюшной стороны, г — вид спинно-брюшного раскола; 3 — Pachydiscus (Pachydiscus) launayi (De Grossouvre), экз. № МЗ МГУ 149-1, сбоку; 4 — Sphaeroceramus cf. sarumensis (Woods, 1912), экз. МЗ МГУ № 149-2: а — правая створка, б — ее вид со стороны переднего края; 5 — Cataceramus sp. ex gr. dariensis (Dobrov et Pavlova), экз. МЗ МГУ № 149-3, сверху; 6 — Dendrina dendrina (Morris, 1851) на ростре Belemnitella mucronata, экз. МЗ МГУ № 149-4; 7 — Talpina ramosa von Hagenow, 1840 на ростре Belemnitella sp., экз. МЗ МГУ № 149-6; 8 — Calcideletrix flexuosa Mägdefrau, 1937, экз. МЗ МГУ № 149-6. Находки происходят из осыпи на подпачках XVIIc (фиг. 1, 2, 6–8, верхний кампан, разрез Кудрино-3) и XVIIIa (фиг. 3–5, нижний кампан, разрез Кудрино-1)
Подпачка XVIIIb. Тонкоритмичное чередование (0.15–0.2 м) биотурбированных мергелей и рыхлых глинистых мергелей (0.05 м) с норками Chondrites. Мощность подпачки 6 м, а всей пачки XVIII — 15 м.
Пачка XIX. В пачке выделяется несколько подпачек, из которых в изученном разрезе присутствует только нижняя.
Подпачка XIXa. Толсторитмичное чередование (0.25–0.3 м) биотурбированных и рыхлых глинистых мергелей примерно равной мощности с норками Chondrites. Микроскопически это фораминиферовые мад-вакстоуны, иногда с включениями фораминиферовых пакстоунов (с поломанными раковинами бентосных и планктонных фораминифер), представляющих собой, вероятно, копролиты, с фрагментами призматического слоя раковин иноцерамов, криноидей и единичными алевритовыми зернами кварца (табл. I, фиг. е). Часто наблюдается замещение раковин фораминифер кремнеземом. Микроскопически проба 3169/82 представляет собой алевритистый биокластовый пакстоун с фрагментами фораминифер, двустворок, небольшими (0.05–0.07 мм) сферическими образованиями, сложенными тонкокристаллическим карбонатом (возможно, продукт замещения кальцисфер, камер фораминифер и радиолярий), неопределимыми биокластами, фосфатизированными фораминиферами, зернами глауконита и сравнительно многочисленными алевритовыми зернами кварца (табл. I, фиг. д). Последнее указывает на наличие небольшого перерыва, в разрезе визуально не определяемого. В подпачке встречены остатки двустворчатых моллюсков Spondylus sp. indet., а в осыпи вблизи кровли найдены фрагменты ростров Belemnitella sp. indet. Видимая мощность 29 м.
Верхняя часть этой подпачки мощностью около 11 м обнажена в 350 м западнее, на соседнем водоразделе (разрез Кудрино-3), где она надстраивается неправильно-плитчатой подпачкой XIXb глинистых известняков, на нижних 6 метрах которой в осыпи встречены ростры Belemnitella mucronata (v. Schlotheim) (табл. II, фиг. 1, 2). Таким образом, общая мощность подпачки XIXa в районе Кудрино составляет около 40 м.
УСЛОВИЯ ОСАДКОНАКОПЛЕНИЯ
Петрографическая характеристика
Микроскопическое строение пород и смена комплексов ихнофоссилий (Барабошкин, 2020; Гужиков и др., 2021а) подтверждают общую тенденцию углубления бассейна в первой половине кампана (Алексеев, 1989; Alekseev, Kopaevich, 1997 и др.). Как было показано при изучении разрезов Аксу-Дере и Кудрино-2 (Гужиков и др., 2021а), состав пород основания кампана отвечает стандартной микрофации 3 “пелагический мад-, вак-, пакстоун с планктонными микрофоссилиями”, характеризующей бассейновые фации или глубокий шельф (Flügel, 2010). Вместе с тем наблюдается отчетливый тренд от фораминиферовых пакстоунов подошвы кампана к вак-мадстоунам более высокой части разреза. При этом сравнительно богатые комплексы фораминифер вверх сменяются обедненными комплексами с редкими глобигериноподобными формами; сами раковины уменьшаются в размерах, а часть из них замещается кремнеземом. Этот тренд в целом отражен и в разрезе Кудрино-1, где преобладают фораминиферовые вакстоуны. В нижней части разреза местами зафиксировано значительное количество кальцисфер (подпачка XVII; табл. I, фиг. б), указывающих на стрессовые условия в водной массе. Отдельные уровни, связанные с небольшими перерывами, содержат единичные зерна глауконита (основание подпачки XVIIIa; табл. I, фиг. г). Мелкоалевритовые зерна кварца, предположительно имеющие эоловое происхождение, крайне редки (подпачка XIXa; табл. I, фиг. е). Названные признаки однозначно указывают на углубление бассейна и развитие условий глубокого шельфа с глинисто-карбонатным осадконакоплением. В интервале образцов 3169/85–3169/90 фиксируются признаки некоторого обмеления: увеличивается насыщенность пород крупными биокластами, в том числе раковинами бентосных фораминифер и фрагментами скелета иглокожих.
Специфичной чертой изученного интервала кудринской свиты является присутствие киловых глин (подпачка XVII), образование которых происходило в условиях подводного выветривания прослоев вулканических пеплов андезитового состава (Лебединский и др., 1974). Их формирование связывалось В.И. Лебединским с вулканизмом, имевшим место в Равнинном Крыму, однако позже был установлен позднеальбский возраст вулканов Каркинитского прогиба, и в настоящее время появление киловых глин объясняется привносом вулканического материала из расположенных южнее Понтид (Никишин и др., 2013). Если последнее верно, то источники пеплов, переносившихся ветром, располагались на расстоянии не менее 400–600 км к югу от района исследований.
Ихнологическая характеристика
Ихнофоссилии были кратко описаны и изображены ранее (Барабошкин, 2020; Гужиков и др., 2021а). В заброшенном карьере (пачка XVII–подпачка XVIIIa) встречены Zoophycos villae Massalongo, Chondrites caespitosus (Fisch.-Oost.), Chondrites caespitosus (Fisch.-Oost.), Palaeophycus tubularis Hall, P. heberti (de Saporta), а в основном разрезе установлены Thalassinoides suevicus (Reith), Chondrites isp., Planolites isp. Этот ихнокомплекс характеризует ихнофацию Zoophycos (Барабошкин, 2020; Гужиков и др., 2021а), сменяющую относительно мелководную ихнофацию Cruziana верхнего сантона, что, вместе с изменением петрографического состава пород, указывает на трансгрессивный тренд и углубление бассейна.
Биостратиграфическая характеристика
Макрофауна
Макрофаунистических остатков в изученном интервале встречено крайне мало.
В заброшенном карьере в 20 см над верхним киловым прослоем найден раннекампанский аммонит Pachydiscus (Pachydiscus) launayi (De Grossouvre)(рис. 2б), а в мергелях вскрыши карьера (3–4 м выше килового прослоя, подпачка XVIIIa) встречены иноцерамиды: раннекампанские Sphaeroceramus cf. sarumensis (Woods) и Cataceramus sp. ex gr. C. dariensis (Dobrov et Pavlova) (табл. II, фиг. 4, 5). Эти находки уточняют существующие датировки по планктонным (Kopaevich, Vishnevskaya, 2016) и бентосным (настоящая статья) фораминиферам о стратиграфическом положении киловых глин и подпачки XVIIIa.
Pachydiscus (Pachydiscus) launayi (табл. II, фиг. 3; Барабошкин, 2023) представлен ядром крупного фрагмокона диаметром 170 мм с самым началом жилой камеры, сильно и несколько асимметрично сплющенным с боков. Несмотря на такую сохранность, видовые признаки вполне отчетливы, и поэтому экземпляр определен не в открытой номенклатуре.
Вид P. (P.) launayi характеризует нижний кампан, о чем свидетельствуют его находки в разрезах на территориях Западной Европы, Аравийского полуострова и Мадагаскара. Сведения о его присутствии в кампане Кавказа и Русской плиты представляются проблематичными по причине плохой сохранности материала (Барабошкин, 2023).
Находки P. (P.) cf. launayi уже указывались в Крыму из Куйбышевского района (р. Бельбек) из “неяснослоистых мергелей” c Belemnitella mucronata и из Бахчисарайского района (Михайлов, 1951, с. 61), но без изображения. Поэтому о степени достоверности этих определений судить сложно.
Иноцерамид Sphaeroceramus cf. sarumensis (табл. II, фиг. 4) представлен деформированной правой створкой с сохранившимся раковинным слоем. Вид S. sarumensis является индексом иноцерамовой зоны Sphaeroceramus sarumensis–Cataceramus dariensis нижнего кампана (а при трехчленном делении — верхней части нижнего–нижней части среднего кампана) (Walaszczyk, 1997). Он распространен в разрезах кампана Западной Европы, Северного Кавказа и Северной Америки (Walaszczyk et al., 2001).
Cataceramus sp. ex gr. C. dariensis (табл. II, фиг. 5) представлен ядром правой створки с фрагментами раковинного слоя. Макушечная область характеризуется коленообразным ростом и вращением по часовой стрелке, что отличает данный экземпляр от типичного представителя. Вид С. dariensis является индексом той же самой иноцерамовой зоны, что и в предыдущем случае: Sphaeroceramus sarumensis–Cataceramus dariensis, и имеет аналогичное стратиграфическое распространение (Walaszczyk, 1997).
Таким образом, находки Sphaeroceramus cf. sarumensis и Cataceramus sp. ex gr. C. dariensis характеризуют зону Sphaeroceramus sarumensis–Cataceramus dariensis, в кровле которой проводится граница нижнего и верхнего кампана (Walaszczyk et al., 2016). Зона коррелируется с двумя фораминиферовыми зонами Bolivinoides granulatus [= B. pustulata]–Stensioeina gracilis и Bolivinoides decoratus (Walaszczyk et al., 2016), аналоги которых установлены и в рассматриваемом разрезе (см. ниже), или с интервалом между серединой зоны Offaster pilula (середина нижнего кампана) и зоной Gonioteuthis quadrata gracilis/Belemnitella mucronata (верхняя часть нижнего кампана) (Jagt et al., 2004). К сожалению, мы не знаем точного положения указанных экземпляров в разрезе, но даже если бы знали, то все равно было бы невозможно наметить положение кровли названной иноцерамовой зоны и надежно зафиксировать границу нижнего и верхнего кампана.
Остальные макрофоссилии из разреза Кудрино-1 характеризуют широкий стратиграфический интервал и не уточняют возраста отложений, однако в близкорасположенном разрезе Кудрино-3 найдены белемниты.
Существенными для биостратиграфии являются ростры Belemnitella mucronata (v. Schlotheim), встреченные в нижних 6 метрах подпачки XIXb соседнего разреза Кудрино-3 (табл. II, фиг. 1, 2). Это ростры среднего размера (постальвеолярное расстояние 55 мм (экз. 149/4) и 49.2 мм (экз. 149/5), коэффициент удлинения 3.9 (экз. 149/4) и 3.05 (экз. 149/5)); индекс Шатского 12 мм (экз. 149/4) и 8 мм (экз. 149/5); щелевой угол 10 (экз. 149/4) и 13 (экз. 149/5) (с терминологией можно ознакомиться в (Москвин, 1959; Аркадьев, Богданова, 1997)). На выветрелой поверхности ростров видны слаборельефные отпечатки сосудов. Ввиду ограниченного количества экземпляров определить подвид затруднительно. Тем не менее эти находки имеют важное значение, поскольку вид B. mucronata является зональным для нижней части верхнего кампана Западной Европы (Keutgen, 2011).
Похожие ростры описаны из верхнекампанских отложений долины р. Бельбек как Belemnitella mucronata senior (Nowak) (определения Г.Я. Крымгольц в Аркадьев, Богданова, 1997). Этот подвид в свое время был включен в синонимику вида Belemnitella mucronata s. str. (Christensen, 1986). Хотя с таким объединением не был согласен Д.П. Найдин, в его списках белемнитов из крымских разрезов подвид B. mucronata senior не фигурирует (Йолкичев, Найдин, 1999), в отличие от B. mucronata mucronata. Найденные нами ростры Belemnitella mucronata происходят из нижней части верхнего кампана, что вполне соответствует представлениям Д.П. Найдина (Йолкичев, Найдин, 1999).
Все ростры белемнитов покрыты сверлениями разной интенсивности, интерпретируемыми как каналы, образованные (?) водорослями или фораминиферами Dendrina (Morris) (табл. II, фиг. 6), (?) форонидами Talpina ramosa von Hagenow (табл. II, фиг. 7), (?) грибами или губками Calcideletrix flexuosa Mägdefrau (табл. II, фиг. 8). Примечательно, что Dendrina характеризуют условия слабой или отсутствующей освещенности (Bromley, 2004). Факт того, что сверления покрывают всю поверхность некоторых ростров, указывает на продолжительное нахождение последних на поверхности дна и, видимо, снижение темпов седиментации в интервале, соответствующем подпачке XIXb.
Фораминиферы
Сведения о бентосных фораминиферах для разреза Кудрино-1 (т.н. 3169) публикуются впервые. Данные по планктонным фораминиферам были получены Л.Ф. Копаевич (МГУ) по отобранным нами 17 образцам из нижних 24 м разреза (т.н. 2414) и опубликованы в (Копаевич, Хотылев, 2014; Kopaevich, Vishnevskaya, 2016); они и положены в основу написания соответствующего раздела с некоторыми изменениями и дополнениями. Необходимо обратить внимание, что положение образцов точки 2414 (рис. 3, 4) уточнено по сравнению с приведенным в работе (Kopaevich, Vishnevskaya, 2016).
Планктонные фораминиферы (ПФ). Пограничные отложения нижнего и верхнего кампана в Крыму еще недостаточно изучены на предмет распространения ПФ, поэтому существуют разные точки зрения на зональную биостратиграфию по ПФ в данном интервале. В качестве основы зональной последовательности мы приняли “стандартную” средиземноморскую шкалу (Robaszynski, Caron, 1995), дополнив ее данными по крымским разрезам, о чем сказано ниже.
На основе многолетних исследований Н.И. Маслакова (1977) установила в кампане Крыма две зоны: Globotruncanita elevata в нижнем кампане и Globotruncana morozovae в верхнем. Зона Globotruncanita elevata выделялась по виду-индексу, “распространенному в данной зоне и известному в вышележащих отложениях”, а зона Globotruncana morozovae — по виду-индексу, “распространение которого, соответствующее стадиям становления и расцвета его, ограничивалось данной зоной” (т.е. появлялся он раньше) (Маслакова, 1977, с. 87).
А.С. Алексеев (1989), вслед Н.И. Маслаковой (1977), отнес пачки XVI–XVIII нижнего кампана к зоне Globotruncanita elevata, а пачку XIX верхнего кампана — к зоне Globotruncana morozovae (= Contusotruncana morozovae (Vasilenko) в современной номенклатуре).
Л.Ф. Копаевич (2010) выделяла в кампане Крымско-Кавказского региона зону частичного распространения Globotruncanita elevata в нижнем кампане и две интервал-зоны в верхнем кампане: Globlgerinelloides multispinus и Contusotruncana morozovae.
Подошва зоны G. elevata фиксируется Л.Ф. Копаевич по присутствию зонального вида (без Dicarinella asymetrica (Sigal)) и по появлению Globotruncana arca (Cushman). Сам же вид Globotruncanita elevata (Brotzen) появляется несколько раньше и распространен совместно с последними D. asymetrica. Первые G. elevata в разрезе Кудрино-2 встречены совместно с G. arca в интервале образцов 3184/20–3184/40 (середина подпачки XVIa3–подпачка XVId) (Гужиков и др., 2021а), а в разрезе Аксу-Дере (т.н. 3168) вид-индекс не встречен, и зона Globotruncana arca/Globotruncanita elevata установлена по распространению вида G. arca. В разрезе Кудрино-1 нами выделяется зона Globotruncanita elevata (пробы 2414/1–2414/11, подпачка XVId1–нижняя половина пачки XVII; рис. 4). Подошва зоны в данном разрезе неизвестна, но, возможно, должна быть намечена по образцу 3184/40 в разрезе Кудрино-2 (см. выше). Кровля устанавливается по появлению Globotruncana ventricosa (см. ниже).
Рис. 4. Распределение планктонных фораминифер в изученном разрезе, точка наблюдения 2414 (2002 г.) (по Kopaevich, Vishnevskaya, 2016, с изменениями и скорректированным положением образцов). Условные обозначения см. на рис. 1
Подошва зон Globlgerinelloides multispinus и Contusotruncana morozovae проводится Л.Ф. Копаевич по появлению зональных видов, хотя сами виды-индексы встречаются и в более молодых отложениях. В оригинальной трактовке в разрезах р. Висла (Польша) подошва зоны G. multispinus определяется появлением самого вида-индекса с основания верхнего кампана, а кровля — появлением раннемаастрихтского вида-индекса Rugoglobigerina pennyi Bronnimann (Peryt, 1980).
Зона G. multispinus помещена Л.Ф. Копаевич (2010) в зональную последовательность взамен зоны Globotruncana ventricosa (авторы — Robaszynski, Caron, 1995) на том основании, что последний вид-индекс не обладает хорошо выраженными морфологическими признаками и его появление является диахронным в различных регионах (Petrizzo et al., 2011). Уровень появления Globlgerinelloides multispinus (Lalicker) установлен в разрезе Кудрино-1, где он приходится на середину пачки XVII (обр. 2414/11; Kopaevich, Vishnevskaya, 2016) нижнего кампана, а вот точный уровень появления Contusotruncana morozovae и вертикальное распространение G. multispinus в разрезах Кудрино–Аксу-Дере остаются недостаточно изученными. Стоит подчеркнуть, что вид G. multispinus появляется здесь в нижнем, а не в верхнем кампане. Этот же вид зафиксирован в одном образце разреза Алан-Кыр, в зоне Globotruncanella havanensis верхнего кампана (Ovechkina et al., 2021). Отсюда очевидно, что стратиграфический объем зоны G. multispinus в Крыму (в понимании Л.Ф. Копаевич) хотя точно и не определен, но заведомо отличается от разрезов из стратотипической местности этой зоны в Польше. По этой причине тезис о меньшей диахронности вида G. multispinus явно преувеличен.
В верхней части разреза Аксу-Дере (пачка XVII, интервал проб 3168/60–3168/66) выше зоны Globotruncana arca/Globotruncanita elevata Л.Ф. Копаевич была установлена зона Globotruncana ventricosa (в Гужиков и др., 2021а, с. 36), хотя первые находки G. ventricosa более древние и происходят из обр. 3168/55. По данным Н.И. Маслаковой (1977), вид Globotruncana ventricosa White распространен в Крыму от верхнего сантона до верхнего кампана. Последние исследования сантон-кампанского интервала свидетельствуют о распространении G. ventricosa только в кампане Крыма (Ovechkina et al., 2021; Гужиков и др., 2021а), в том числе в разрезе Алан-Кыр, где зона Globotruncana plummerae/Globotruncanita ventricosa, отнесенная к нижнему кампану, находится внутри интервала прямой полярности C33n (согласно настоящей работе, это уже верхний кампан). В разрезе Алан-Кыр присутствует и Contusotruncana morozovae, появляющаяся в 2 м выше подошвы зоны G. plummerae/G. ventricosa, практически на границе нижнего и верхнего кампана по наннопланктону (Ovechkina et al., 2021).
Из сказанного следует, что Globotruncana ventricosa встречается гораздо чаще в крымских разрезах, чем G. multispinus, а диахронность ее границ сопоставима с диахронностью границ других фораминиферовых зон. Принимая во внимание, что зона G. ventricosa присутствует в стратиграфической шкале верхнего мела Восточно-Европейской платформы (ВЕП) (Олферьев, Алексеев, 2003) и в Общей стратиграфической шкале (Олферьев, Алексеев, 2002), Globotruncana ventricosa является предпочтительным видом-индексом по сравнению с G. multispinus, хотя и уступает ей по надежности идентификации. По этим причинам в разрезе Кудрино-1 мы выделяем зону Globotruncana ventricosa, а не зону G. multispinus (как в работе Kopaevich, Vishnevskaya, 2016). Она устанавливается в интервале образцов 2414/12–2414/17 (верхняя половина пачки XVII–нижняя половина подпачки XVIIIa нижнего кампана) по первому присутствию зональной формы, но, возможно, распространяется и выше.
Комплексы ПФ более высокого интервала верхнего кампана, начинающегося с основания подпачки XIXа, не изучались, и мы, с долей условности, вcлед за Н.И. Маслаковой (1977) и А.С. Алексеевым (1989) относим этот интервал к зоне Contusotruncana morozovae верхнего кампана.
Бентосные фораминиферы (БФ). Раковины бентосных фораминифер разреза Кудрино-1 были выделены из 25 образцов по методике ацетолиза с ледяной уксусной кислотой. Изучение морфологии раковин фораминифер и их отбор для коллекции производились с помощью оптического микроскопа Bresser Advance ICD. Фотографии фораминифер получены на автоэмиссионном сканирующем электронном микроскопе MIRA 2 LMU фирмы Tescan в Лаборатории диагностики наноматериалов и структур СГУ им. Н.Г. Чернышевского.
Определения производились с использованием базы данных по систематике БФ, представленной на платформе World Register of Marine Species https://www.marinespecies.org/foraminifera (Hayward et al., 2022), основанной на работах А. Леблика и Х. Тэппен (Loeblich, Tappan, 1987, 1992). Корреляция биособытий по БФ различных регионов Европейской палеобиогеографической области (ЕПО) проведена с учетом местных зональных схем (Koch, 1977; King et al., 1989; Hart et al., 1989; Schönfeld, 1990; Gawor-Biedowa, 1992; Беньямовский, 2008; Walaszczyk et al., 2016; Вишневская и др., 2018) и монографического изучения представителей семейства Bolivinoididae Loeblich et Tappan (Georgesсu, 2018).
Первые данные о составе сообществ БФ для разреза Кудрино-1 представлены в работах (Никишин и др., 2013; Копаевич, Хотылев, 2014), где в его нижней части были определены Gavelinella stelligera (Marie), G. clementiana (d’Orb.), Cibicides voltzianus (d’Orb.), что позволило этим авторам установить подзону LC14b (Беньямовский, 2008) и предположить среднекампанский возраст вмещающих отложений при трехчленном делении кампана.
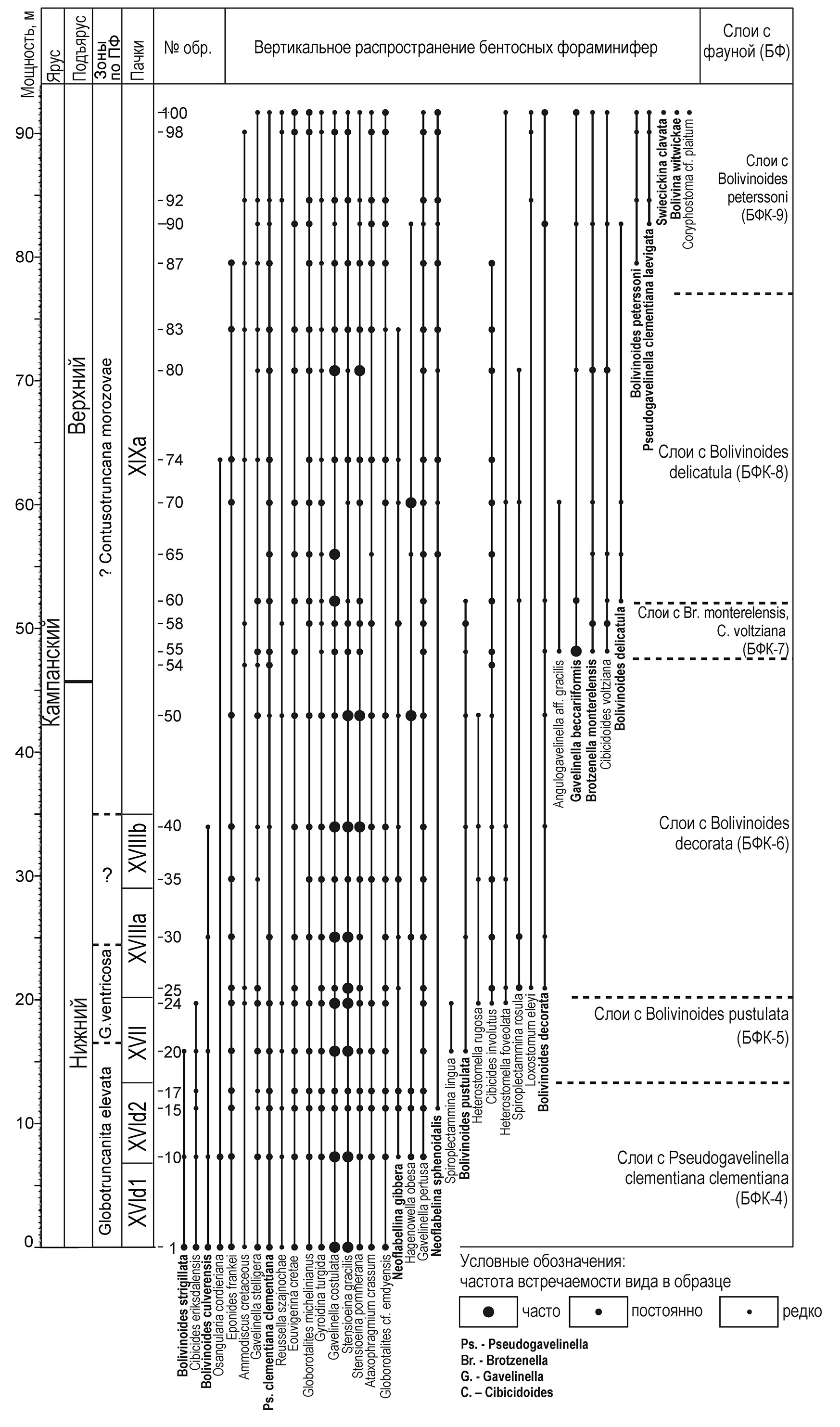
В настоящей работе определено 39 видов БФ и на основе их вертикального распространения выделено шесть подразделений в ранге слоев с фауной (рис. 5). Им присвоены индексы БФК (Бентосные Фораминиферы Кудрино), по аналогии с ранее выделенными индексами подразделений в разрезе Кудрино-2 (Гужиков и др., 2021а, 2021б), нумерация которых продолжена, а сами разрезы скоррелированы как между собой, так и с разрезом Аксу-Дере (рис. 6). Таким образом, в разрезе Кудрино-1 идентифицированы слои с БФК-4 и БФК-5, установленные ранее, а слои с БФК-6, БФК-7, БФК-8 и БФК-9 предложены впервые. Руководящие формы БФ изображены в табл. III и IV.
Рис. 5. Распределение видов бентосных фораминифер в разрезе Кудрино-1
Рис. 6. Схема корреляции биособытий в сообществах бентосных фораминифер в разрезах Кудрино-1, Кудрино-2, Аксу-Дере (Гужиков и др., 2021а, 2021б) и зональной схемы, составленной на основе распространения представителей семейства Bolivinoididae Loeblich et Tappan
Таблица III. Бентосные фораминиферы из разреза Кудрино-1
1 — Bolivinoides strigillata (Chapman), обр. 3169/20, экз. SSU IPR № 263/3169-20-14; 2 — Bolivinoides strigillata (Chapman), обр. 3169/10, экз. SSU IPR № 263/3169-10-26; 3 — Bolivinoides culverensis Barr, обр. 3169/10, экз. SSU IPR № 263/3169-10-25; 4 — Bolivinoides pustulata Reuss, обр. 3169/20, экз. SSU IPR № 263/3169-20-15; 5 — Bolivinoides pustulata Reuss, обр. 3169/20, экз. SSU IPR № 263/3169-20-27; 6 — Trachelinella watersi (Cushman), обр. 3169/60, экз. SSU IPR № 263/3169-60-45; 7 — Bolivinoides decorata (Jones), обр. 3169/30, экз. SSU IPR № 263/3169-30-33; 8 — Bolivinoides decorata (Jones), обр. 3169/55, экз. SSU IPR № 263/3169–55–41; 9 — Bolivinoides delicatula Cushman, обр. 3169/60, экз. SSU IPR № 263/3169-60-46; 10 — Bolivinoides peterssoni Brotzen, обр. 3169/87, экз. SSU IPR № 263/3169-87-96; 11 — Bolivinoides peterssoni Brotzen, обр. 3169/92, экз. SSU IPR № 263/3169-92-93; 12 — Bolivinoides peterssoni Brotzen, обр. 3169/100, экз. SSU IPR № 263/3169-100-12; 13 — Swiecickina clavata (Plotnikova), обр. 3169/100, экз. SSU IPR № 263/3169-100-65; 14 — Bolivina witwickae Gawor-Biedowa, обр. 3169/100, экз. SSU IPR № 263/3169-100-67; 15 — Reussella szajnochae (Grzybowski), обр. 3169/55, экз. SSU IPR № 263/3169-55-24; 16 — Loxostomum eleyi (Cushman), обр. 3169/20, экз. SSU IPR № 263/3169-20-16; 17 — Spiroplectammina lingua Akimetz, обр. 3169/20, экз. SSU IPR № 263/3169-20-28; 18 — Spiroplectoides rosula (Ehrenberg), обр. 3169/25, экз. SSU IPR № 263/3169-25-29; 19 — Heterostomella foveolata (Marsson), обр. 3169/25, экз. SSU IPR № 263/3169-25-31; 20 — Eouvigerina cretae (Ehrenberg), обр. 3169/55, экз. SSU IPR № 263/3169-55-99; 21 — Neoflabellina sphenoidalis (Wedekind), обр. 3169/83, экз. SSU IPR № 263/3169-83-78; 22 — Neoflabellina gibbera (Wedekind), обр. 3169/30, экз. SSU IPR № 263/3169-30-32; 23 — Spiroplectoides rosula (Ehrenberg), обр. 3169/30, экз. SSU IPR № 263/3169-30-34; 24 — Hagenowella obesa (Reuss), обр. 3169/50, экз. SSU IPR № 263/3169–50–38; 25 — Coryphostoma cf. plaitum (Carsey), обр. 3169/100, экз. SSU IPR № 263/3169-100-68. a — вид с брюшной стороны, б — вид с периферического края, в — вид со спинной стороны. Длина масштабной линейки 100 мкм
Таблица IV. Бентосные фораминиферы из разреза Кудрино-1
1 — Stensioeina pommerana Brotzen), обр. 3169/1, экз. SSU IPR № 263/3169-1-1; 2 — Stensioeina gracilis Brotzen, обр. 3169/1, экз. SSU IPR № 263/3169-1-2; 3 — Osangularia cordieriana (d’Orbigny), обр. 3169/1, экз. SSU IPR № 263/3169-1-4; 4 — Pseudogavelinella clementiana clementiana (d’Orbigny), обр. 3169/25, экз. SSU IPR № 263/3169–25–19; 5 — Cibicidoides aktulagayensis Vasilenko, обр. 3169/25, экз. SSU IPR № 263/3169-25-20; 6 — Cibicidoides eriksdalensis (Brotzen), обр. 3169/24, экз. SSU IPR № 263/3169-24-81; 7 — Eponides frankei Brotzen, обр. 3169/1, экз. SSU IPR № 263/3169-35-76; 8 — Gavelinella pertusa (Marsson), обр. 3169/65, экз. SSU IPR № 263/3169-65-50; 9 — Cibicides voltziana (d’Orbigny), обр. 3169/55, экз. SSU IPR № 263/3169-55-23; 10 — Brotzenella monterelensis (Marie), обр. 3169/55, экз. SSU IPR № 263/3169-55-86; 11 — Stensioeina beccariiformis (White), обр. 3169/55, экз. SSU IPR № 263/3169-55-40; 12 — Stensioeina beccariiformis (White), обр. 90, экз. SSU IPR № 263/3169-90-60; 13 — Globorotalites cf. emdyensis Vasilenko, обр. 3169/70, экз. SSU IPR № 263/3169-70-74; 14 — Globorotalites cf. emdyensis Vasilenko, обр. 3169/70, экз. SSU IPR № 263/3169–70–72; 15 — Globorotalites cf. emdyensis Vasilenko, обр. 3169/70, экз. SSU IPR № 263/3169-70-73; 16 — Angulogavelinella aff. gracilis (Marsson), обр. 3169/55, экз. SSU IPR № 263/3169-55-42; 17 — Angulogavelinella aff. gracilis (Marsson), обр. 3169/70, экз. SSU IPR № 263/3169-70-53; 18 — Stensioeina pommerana Brotzen), обр. 3169/65, экз. SSU IPR № 263/3169-65-89; 19 — Globorotalites michelinianus (d’Orbigny), обр. 3169/65, экз. SSU IPR № 263/3169-65-52; 20 — Pseudogavelinella clementiana laevigata (Marie), обр. 3169/92, экз. SSU IPR № 263/3169-92-92; 21 — Pseudogavelinella clementiana laevigata (Marie), обр. 3169/90, экз. SSU IPR № 263/3169-90-63; 22 — Pseudogavelinella clementiana laevigata (Marie), экз. SSU IPR № 263/3169-90-63. a — вид с брюшной стороны, б — вид с периферического края, в — вид со спинной стороны. Длина масштабной линейки 100 мкм
Слои с Pseudogavelinella clementiana clementiana (БФК-4) установлены в интервале проб 3169/1–3169/10 (подпачки XVId1–XVId2) по постоянному присутствию подвида-индекса Pseudogavelinella clementiana clementiana (d’Orbigny) и содержанию характерного комплекса из Hagenowella obesa (Reuss), Ammodiscus cretaceous (Reuss), Ataxophragmium crassum (d’Orbigny), Globorotalites michelinianus (d’Orbigny), Globorotalites cf. emdyensis Vassilenko, Gavelinella costulata (Marie), Stensioeina pommerana Brotzen, S. gracilis (Marsson), Gyroidina turgida (Hagenow), Eponides frankei Brotzen, Neoflabellina gibbera (Wedekind), Gavelinella pertusa (Marsson), Osangularia cordieriana (d’Orbigny), Cibicides ribbingae Brotzen, C. eriksdalensis (Brotzen), Eouvigerina cretae (Ehrenberg), Bolivinoides culverensis Barr, B. strigillata (Chapman), Gavelinella stelligera (Marie), Reussella szajnochae (Grzybowski), единичных Neoflabelina sphenoidalis (Wedekind).
Подвид P. clementiana clementiana широко распространен в кампане Европейской палеобиогеографической области (ЕПО), однако его первое появление фиксируется как в нижнем кампане (Schönfeld, 1990; Беньямовский, 2008; Walaszczyk et al., 2016), так и в терминальном сантоне (Маслакова, 1959; Gawor-Biedowa, 1992; Magniez-Jannin, 1995). В.Н. Беньямовский в схеме зонального расчленения верхнемеловых отложений ВЕП по бентосным фораминиферам связывает уровень появления P. clementiana clementiana с началом “псевдогавелинеллового” этапа развития БФ и сопоставляет это событие с основанием кампанского яруса (Беньямовский, 2008). Предложенная в этой схеме зона Pseudogavelinella clementiana clementiana LC12 по результатам корреляции зональных схем ВЕП (Вишневская и др., 2018) отвечает верхней (кампанской) части зоны CC17 по наннопланктону, занимающей в Международной стратиграфической шкале (МСШ) пограничное положение между сантоном и кампаном (Gradstein et al., 2020). В целом, несмотря на дискуссионность уровня первого появления вида-индекса, выявленный в подпачках XVId1–XVId2 комплекс БФ позволяет датировать отложения ранним кампаном. Аналогичный комплекс БФ был определен в разрезе Аксу-Дере (Гужиков и др., 2021а) под аббревиатурой БФАД-5, БФАД-6.
Слои с Bolivinoides pustulata (БФК-5) установлены в интервале проб 3169/20–3169/24 (пачка XVII) по первому присутствию вида-индекса Bolivinoides pustulata Reiss. В составе комплекса присутствуют единичные Spiroplectammina lingua Akimetz, в кровле пачки в обр. 3169/24 встречены Heterostomella foveolata (Marsson), H. rugosa (d’Orbigny), Cibicides involutus (Reuss). В верхней части слоев (пробы 3169/20, 3169/24) отмечается высокое содержание кальцисфер и исчезновение B. strigillata и C. eriksdalensis.
Первое появление вида B. pustulata, который ранее определялся как B. granulatus (Hofker) (Гужиков и др., 2021а), фиксируется в средней–верхней частях нижнего кампана ЕПО (Gawor-Biedowa, 1992; Magniez-Jannin, 1995). В разрезах Англии и в Северо-Западной Германии его появление отмечено внутри зоны Galeola senonensis (Swiecicki, 1980; Schönfeld, 1990), а в Прикарпатье — в основании иноцерамовой зоны Sphaeroceramus sarumensis–Cataceramus dariensis (Walaszczyk et al., 2016), аналоги которой присутствуют и в разрезе Кудрино-1 (см. выше). Согласно данным глубоководного бурения (Georgesсu, 2018), первое появление B. pustulata выявлено в верхней части зоны Heterohelix reussi, что соответствует нижней части белемнитовой зоны Gonioteuthis quadrata (Ogg et al., 2004). Поэтому возраст пачки XVII определен как вторая половина раннего кампана. Ранее аналогичный комплекс БФ был выявлен в разрезе Аксу-Дере (Гужиков и др., 2021а) с аббревиатурой БФАД-7.
Слои с Bolivinoides decorata (БФК-6) установлены в интервале проб 3169/25–3169/54 (подпачка XVIIIa–нижняя часть подпачки XIXa) по первому присутствию вида-индекса Bolivinoides decorata (Jones). Здесь состав комплекса БФ обновляется за счет появления Spiroplectammina rosula (Ehrenberg), Heterostomella foveolata, H. rugosa, Loxostomum eleyi (Cushman), Cibicides involutus. В кровле слоев отмечается исчезновение Bolivinoides culverensis.
Первое появление B. decorata прослеживается на всей территории ЕПО в нижнем кампане (Koch, 1977; Gawor-Biedowa, 1992) и отражает начало ламино-волошиновелло-цибисидоидесового этапа развития БФ на ВЕП (Беньямовский, 2008). Корреляция с наннопланктонной зональной схемой позволила увязать это событие в пределах ВЕП с верхней частью зоны CC17 (Вишневская и др., 2018). Однако присутствие вида Cibicides involutus [=C. aktulagayensis Vasilenko] дает основания сопоставлять слои БФК-6 с верхней частью зоны LC13 (Беньямовский, 2008), которая коррелируется с зоной CC18 и основанием зоны CC19 по наннопланктону (Вишневская и др., 2018).
По данным М. Д. Георгеску (Georgesсu, 2018), B. decorata появляется в основании белемнитовой зоны Belemnitella mucronata, с которой связывали ранее подошву среднего кампана (Ogg et al., 2004). Схожее распространение вида было установлено в Южной Англии (Hart et al., 1989). В то же время в работе И. Валащика с соавторами по Прикарпатью (Walaszczyk et al., 2016) появление decorata отмечается ниже зоны “Inoceramus” azerbaydjanensis–“Inoceramus” vorhelmensis, которая коррелируется с зоной ‘Inoceramus’ azerbaydjanensis МСШ (Gradstein et al., 2020), внутри которой проводится граница нижнего и среднего кампана американской шкалы (Gradstein et al., 2012). Поэтому данный интервал предлагается относить к верхней части нижнего кампана.
Слои с Brotzenella monterelensis, Cibicides voltziana (БФК-7) установлены в интервале проб 3169/55–3169/58 (нижняя часть подпачки XIXa) по одновременному появлению видов-индексов Brotzenella monterelensis (Marie), Cibicides voltziana (d’Orbigny), что соответствует наступлению бротценеллового этапа развития БФ (Беньямовский, 2008). С этого же уровня отмечается появление и постоянное присутствие Gavelinella beccariiformis (White) и Angulogavelinella aff. gracilis (Marsson), больше характерного для терминального кампана. В верхней части слоев исчезает B. pustulata; продолжают встречаться виды, установленные ниже. Следует отметить, что в отмывках (но не в шлифах) пробы 3169/55 отмечается повышенное содержание кремнистого материала, что связано с частичным или полным замещением камер фораминифер кремнеземом.
Появление видов Br. monterelensis и C. voltziana в зональной схеме В.Н. Беньямовского по БФ для ВЕП (Беньямовский, 2008) указывает на основание как зоны LC14, так и ее верхней подзоны LC14b, положение которой соответствует нижней части верхнего кампана ОСШ (Вишневская и др., 2018). Одновременное появление в разрезе Кудрино-1 этих видов-индексов может указывать на вероятность перерыва в объеме подзоны LC14а, но это нуждается в проверке по другим данным.
Известно, что уровень появления B. monterelensis коррелируется с основанием зоны Hoplitoplanceticeras coesfeldiensis–Belemnitella mucronata mucronata, подошва которой отвечает нижней границе среднего кампана (Kopaevich et al., 1999; Беньямовский, Копаевич, 2001; Барабошкин и др., 2013). В Южной Англии подошва зоны Gavelinella monterelensis/G. usakensis UKB.17 тоже соответствует основанию зоны B. mucronata (Hart et al., 1989). Детальное изучение характера распределения белемнитов и иглокожих на границе нижнего и верхнего кампана на юге Польши и севере Германии (Jagt et al., 2004) показало, что основание верхнего кампана (при двучленном делении яруса) находится выше уровня появления B. mucronata (рис. 6, 7). И именно к этой границе приурочено совместное появление C. voltziana и Br. monterelensis в Прикарпатье (Walaszczyk et al., 2016).
Вышесказанное позволяет сделать вывод о том, что слои БФК-7 можно относить к основанию верхнего кампана.
Слои с Bolivinoides delicatula (БФК-8) выделяются в интервале проб 3169/60–3169/83 (средняя часть подпачки XIXa) по появлению вида-индекса Bolivinoides delicatula (Cushman). Выше по разрезу отмечается постоянное присутствие Neoflabelina suturalis suturalis (Cushman).
Вид B. delicatula в Крыму ранее был описан Н.И. Маслаковой (1959) из маастрихт-датских отложений как Bolivinoides delicatulus (Cushman). Согласно результатам ревизии объема и стратиграфического распространения вида (Georgesсu, 2018), уровень его появления отвечает верхней части зоны В. mucronata (верхняя часть среднего кампана–нижняя часть верхнего кампана). М.Д. Георгеску использует B. delicatula в качестве вида-индекса одноименной зоны, верхняя граница которой устанавливается по появлению Bolivinoides miliaris Hiltermann et Koch. Последний в разрезе Кудрино-1 не обнаружен, что может указывать на отсутствие в нем верхней части верхнекампанского подъяруса. В Прикарпатье в верхней части среднего кампана (зоны B. langei и “Inoceramus” tenuilineatus) отмечается присутствие Bolivinoides sidestrandendis Barr (Walaszczyk et al., 2016), переопределенного как B. delicatula (Georgesсu, 2018). В изученных разрезах в районе с. Кудрино ростры Belemnitella mucronata встречены несколько выше по разрезу. Это заставляет предполагать некоторую диахронность рассматриваемых уровней БФ. В пределах ВЕП В.Н. Беньямовский отмечает характерное присутствие вида B. delicatula для зоны LC18 (Беньямовский, 2008), что соответствует верхней части наннопланктонной зоны CC22b (Вишневская и др., 2018), отвечающей верхнему подъярусу кампана (Gradstein et al., 2012). Уровень исчезновения вида B. pustulata в основании слоев БФК-8 прослеживается в ЕПО в верхней части кампана (Magniez-Jannin, 1995).
Таким образом, слои с БФК-8 относятся к нижней части верхнего кампана.
Гиатус небольшого перерыва, установленного на уровне образца 3169/82 (табл. I, фиг. д) по резкому обогащению мергелей терригенной примесью, определить невозможно.
Слои с Bolivinoides peterssoni (БФК-9) выделяются в интервале проб 3169/87–3169/100 (верхняя часть подпачки XIXa) по появлению вида-индекса Bolivinoides peterssoni Brotzen. Комплекс обновляется также за счет Pseudogavelinella clementiana laevigata (Marie) (=Gavelinella annae (Pozaryzska)?), Swiecickina clavata (Plotnikova), Bolivina witwickae Gawor-Biedowa и Coryphostoma cf. plaitum (Carsey), хотя продолжают доминировать виды, встреченные ниже. На уровне пробы 3169/90 установлена последняя находка B. delicatula.
Наиболее стратиграфически значимым видом является B. peterssoni — вид-индекс зональных схем различных регионов ЕПО. В Северо-Западной Германии появление B. peterssoni отвечает верхней части зоны grimmensis/granulosus (верхний кампан) (Schönfeld, 1990), а в Южной Англии — основанию зоны lanceolata (Hart et al., 1989), что при современном понимании границы кампана–маастрихта (Odin, Lamaurelle, 2001) также соответствует верхнему кампану. Эти и другие данные были использованы при ревизии семейства Bolivinoididae Loeblich et Tappan, опубликованной М.Д. Георгеску (Georgescu, 2018). Согласно выявленной последовательности смены видов, уровень появления B. peterssoni находится внутри зоны Belemnitella lanceolata, а уровень появления другого вида-индекса — Swiecickina clavata — совпадает с основанием зоны lanceolata. Вид B. witwickae, впервые установленный в Крыму, ранее был известен лишь из верхнего кампана и маастрихта (Lublin chalk) Восточной Польши (Gawor-Biedowa, 1992).
Из этого следует, что слои БФК-9 относятся к верхнему кампану. При этом, согласно последовательности видов рода Bolivinoides, обоснованной Георгеску (Georgescu, 2018), следует отметить отсутствие терминальной части кампанского яруса в разрезе Кудрино-1, так как событие первого появления Bolivinoides australis Edg. установлено не было, а зона B. miliaris определена лишь по косвенным признакам (появление B. peterssoni) и не подтверждается присутствием вида-индекса (рис. 7). К тому же не выявлено присутствие важного маркера верхней части верхнекампанского подъяруса — Coryphostoma incrassata (Reuss) — вида-индекса зоны LC16 схемы Беньямовского (2008), отвечающей нижней части зоны CC22b по наннопланктону (Вишневская и др., 2018). Эти противоречия можно объяснить только диахронностью: появление B. peterssoni, S. clavata и Bolivina witwickae в Юго-Западном Крыму происходит раньше, чем в других регионах ЕПО, тем более что первые Belemnitella mucronata встречены в более высокой части разреза.
Рис. 7. Биособытия в сообществах бентосных фораминифер в разрезе Кудрино-1, зональных схемах Прикарпатья (Walaszczyk et al., 2016) и ВЕП (Беньямовский, 2008; Вишневская и др., 2018)
Таким образом, в разрезе Кудрино-1 по бентосным фораминиферам выделяются слои, содержащие комплексы, характерные для нижнего (БФК-3–БФК-6) и верхнего (БФК-7–БФК-9) кампана. Комплекс БФ, характерный для среднего кампана американской шкалы, в соответствии с данными по Прикарпатью (Walaszczyk et al., 2016) предлагается выделять по уровню появления вида Gavelinella annae (Pozayzska), который, вероятно, является синонимом подвида Pseudogavelinella clementiana laevigata (Marie), уровень появления которого в разрезе Кудрино-1 отмечается в верхней части подпачки XIXa в пробе 3169/92 (рис. 7).
Наннопланктон
На наннопланктон было проанализировано 22 образца, включая образец из киловых глин. Препараты изготавливались по стандартной методике (Bown, Young, 1998) и изучались под световым поляризационным микроскопом БиОптик200 в проходящем свете и скрещенных николях при увеличении 1000х. Фотографии сделаны при помощи цифрового фотоаппарата Canon EOS550D и фотонасадки Canon. Для оценки относительного количества определенных видов производился подсчет в 100 полях зрения подряд на произвольно выбранной площади препарата. Видовое разнообразие оценивалось по всему препарату, площадь предметного стекла которого составляет 24 × 24 мм. Сохранность наннофоссилий средняя, с незначительной вторичной перекристаллизацией, основные диагностические признаки сохранены. Микроостатки присутствуют во всех образцах. Комплекс известкового наннопланктона из кампана разреза Кудрино-1 насчитывает 46 видов, относимых к 25 родам (рис. 8).
Рис. 8. Распределение наннопланктона в разрезе Кудрино-1
Известковый наннопланктон кампанского яруса Горного и Равнинного Крыма изучался С.И. Шуменко и В.П. Стеценко (1978) и А.В. Матвеевым (2015). Новые сведения по этому интервалу в Юго-Западном Крыму были получены в 2021 г. при изучении разрезов Аксу-Дере и Кудрино-2 (Гужиков и др., 2021а).
В настоящее время для верхнего мела используются две биостратиграфические шкалы по наннопланктону. Одна из них разработана Дж. Барнетт (Burnett, 1998), другая — У. Сиссинхом (Sissingh, 1977) и усовершенствована К.К. Перч-Нильсен (Perch-Nielsen, 1985). Эти шкалы хорошо сопоставляются друг с другом (Gradstein et al., 2020). Для биостратиграфического расчленения кампана Кудрино-1 использована шкала Дж. Барнетт, как более дробная.
В сравнении с одновозрастными комплексами разреза с. Малое Садовое (южные и юго-западные склоны горы Арман-Кая (Матвеев, 2015)) отмечается снижение видового разнообразия. По присутствию в разрезе таких таксонов, как Reinhardtites levis Prins et Sissingh in Sissingh, 1977, Reinhardtites anthophorus (Deflandre, 1959) Perch-Nielsen, 1968, Broinsonia parca parca (Stradner, 1963) Bukry, 1969, Broinsonia parca constrica Hattner et Wise, 1980 (табл. V, фиг. 26), выделены нерасчлененные зоны UC14d–UC15d (Burnett, 1998). Reinhardtites levis (табл. V, фиг. 4) распространен в интервале нижний кампан–маастрихт (зоны UC14d–UC18 по шкале (Burnett, 1998)), Broinsonia parca parca (табл. V, фиг. 27) характерна только для кампана (зоны UC14–UC15d шкалы (Burnett, 1998)). Граница между зонами UC14–UC15 не определена, потому что она проводится по появлению Misceomarginatus pleniporus Wind et Wise in Wise et Wind, 1977, а этот вид в разрезе Кудрино-1 не встречен.
Таблица V. Наннопланктон из разреза Кудрино-1
1 — Ahmuellerella octoradiata (Górka, 1957) Reinhardt, 1966, обр. 3169/1; 2 — Staurolithites laffittei Caratini, 1963, обр. 3169/90; 3 — Tranolithus orionatus (Reinhardt, 1966a) Reinhardt, 1966b, обр. 3169/90; 4 — Reinhardtites levis Prins et Sissingh in Sissingh, 1977, обр. 3169/85; 5 — Zeugrhabdotus embergeri (Noël, 1959) Perch-Nielsen, 1984, обр. 3169/90; 6 — Zeugrhabdotus bicrescenticus (Stover, 1966) Burnett in Gale et al., 1996, обр. 3169/55; 7 — Zeugrhabdotus diplogrammus (Deflandre in Deflandre et Fert, 1954) Burnett in Gale et al., 1996, обр. 3169/55; 8 — Chiastozygus amphipons (Bramlette et Martini, 1964) Gartner, 1968, обр. 3169/90; 9 — Chiastozygus litterarius (Górka, 1957) Manivit, 1971, обр. 3169/85; 10 — Eiffellithus gorkae Reinhardt, 1965, обр. 3169/90; 11 — Eiffellithus eximius (Stover, 1966) Perch-Nielsen, 1968, обр. 3169/90; 12 — Placozygus fibuliformis (Reinhardt, 1964) Hoffmann, 1970, обр. 3169/85; 13 — Cylindralithus serratus Bramlette et Martini, 1964, обр. 3169/55; 14 — Cribrosphaerella ehrenbergii (Arkhangelsky, 1912) Deflandre in Piveteau, 1952, обр. 3169/90; 15 — Biscutum ellipticum (Górka, 1957) Grün in Grün et Allemann, 1975, обр. 3169/90; 16 — Petrarhabdus copulatus (Deflandre, 1959) Wind et Wise in Wise, 1983, обр. 3169/18; 17 — Prediscosphaera cretacea (Arkhangelsky, 1912) Gartner, 1968, обр. 3169/85; 18 — Retecapsa angustiforata Black, 1971, обр. 3169/85; 19 — Retecapsa ficula (Stover, 1966) Burnett, 1997, обр. 3169/85; 20 — Cyclagelosphaera reinhardtii (Perch-Nielsen, 1968) Romein, 1977, обр. 3169/85; 21 — Watznaueria biporta Bukry, 1969, обр. 3169/90; 22 — Watznaueria barnesiae (Black in Black et Barnes, 1959) Perch-Nielsen, 1968, обр. 3169/100; 23 — Watznaueria manivitiae Bukry 1973, обр. 3169/10; 24 — Arkhangelskiella cymbiformis Vekshina, 1959, обр. 3169/90; 25 — Broinsonia parca expansa Wise et Watkins in Wise, 1983, обр. 3169/10; 26 — Broinsonia parca constricta Hattner et al., 1980, обр. 3169/55; 27 — Broinsonia parca (Stradner, 1963) Bukry, 1969, обр. 3169/85; 28 — Kamptnerius magnificus Deflandre, 1959, обр. 3169/85; 29 — Lucianorhabdus cayeuxii Deflandre, 1959, обр. 3169/90; 30 — Lucianorhabdus maleformis Reinhardt, 1966, обр. 3169/90; 31 — Calculites obscurus (Deflandre, 1959) Prins et Sissingh in Sissingh, 1977, обр. 3169/85; 32 — Micula staurophora (Gardet, 1955) Stradner, 1963, обр. 3169/90. Фотографии сделаны в световом микроскопе при скрещенных николях. Длина масштабных линеек 2 мкм
Если использовать данные только по наннопланктону, то возраст вмещающих отложений должен интерпретироваться как раннекампанский, поскольку не обнаружены появляющиеся в верхнем кампане Ceratolithoides aculeus (Stradner, 1961) Prins et Sissingh in Sissingh, 1977, Eiffellithus parallelus Perch-Nielsen, 1973, Uniplanarius sissinghii (Perch-Nielsen, 1986) Farhan 1987, U. trifidus (Stradner in Stradner et Papp, 1961) Hattner et Wise in Wind et Wise, 1983. Вид Reinhardtites anthophorus, распространенный c турона до подзоны UC15d (основание верхнего кампана), встречен в разрезе в единственном экземпляре (рис. 8). Этот вывод не подтверждается по остальным группам микрофоссилий и другим данным. Очевидно, что общая бедность комплекса и растворение наннопланктона при диагенезе не позволяют сделать корректный вывод о возрасте комплекса.
В образце киловых глин обнаружен только 1 экземпляр Petrarhabdus copulatus (Deflandre, 1959) Wind et Wise in Wise, 1983 (табл. V, фиг. 16), распространенный с кампана до нижнего маастрихта.
Что касается относительного количества наннофоссилий в каждом образце (рис. 8), то оно наиболее вариативно у таких таксонов, как Watznaueria barnesiae (табл. V, фиг. 22), Watznaueria fossacincta, Lucianorhabdus cayeuxii (табл. V, фиг. 29) и, в меньшей степени, Micula staurophora (табл. V, фиг. 32). Количество экземпляров видов наннопланктона увеличивается в прослоях известняка в видимом основании подпачки XVId1, в подпачке XVId2 и пачке XVII. В мергелистых прослоях этих стратонов оно, напротив, убывает. В подпачке XIXa наблюдается рост количества экземпляров в прослоях мергелей и убывание его в прослоях глинистых мергелей. В самой верхней части разреза (проба 100, рис. 8) количество наннофоссилий резко увеличивается в прослое глинистых мергелей. Увеличение количества Watznaueria spp. свидетельствует об относительном повышении температуры поверхностных вод и олиготрофных условиях (Farouk et al., 2019). На низкий приток питательных веществ указывает присутствие представителей родов Eiffellithus, Prediscosphaera, Lithraphidites (Mandur, 2016), а на колебание глубин и температур — соотношение холодноводной Micula staurophora и тепловодной Watznaueria barnesiae (Ovechkina, Alekseev, 2004). Количество первой растет с увеличением глубины, а количество второй, напротив, увеличивается с уменьшением глубины (Sanjary et al., 2019). Впрочем, представители холодноводных родов Arkhangelskiella, Broinsonia, Prediscosphaera и виды Calculites obscurus (Deflandre, 1959) Prins et Sissingh in Sissingh, 1977 (табл. V, фиг. 31), Cribrosphaerella ehrenbergii (Arkhangelsky, 1912) Deflandre in Piveteau, 1952 (табл. V, фиг. 14), Eiffellithus eximius (Stover, 1966) Perch-Nielsen, 1968 (табл. V, фиг. 11) встречаются по всему разрезу в единичных экземплярах (рис. 8).
В целом же изменение численности наннофоссилий по разрезу отражает нестабильность водных масс кампана в данной части бассейна, охарактеризованных изменением мезотрофного/эвтрофного режима с олиготрофными эпизодами, что установлено и по фораминиферам (Kopaevich, Vishnevskaya, 2016).
Известковые микропроблематики
В двух образцах (3169/20 и 3169/24) из верхней части (мощностью 5 м) пачки XVII в разрезе Кудрино-1 впервые установлены жилианеллы (известковые микропроблематики), характеризующиеся отчетливой осевой симметрией и относимые условно к известковым диноцистам (Odin, 2008а, 2008b, 2011). Название известковых микропроблематик “жилианеллы” происходит от мужского имени Gilles, автора этой группы, описавшего 60 видов этих микропроблематик из кампан-маастрихтских отложений Франции и Испании (Odin, 2009, 2011).
Для извлечения известковых микропроблематик использовался метод, примененный для отмывки раковин бентосных фораминифер.
В образце 3169/20 установлен 41 экземпляр известковых микропроблематик, среди которых до вида определены позднекампанско-маастрихтские Aturella angulata Odin (табл. VI, фиг. 8, 9) и Scutellella crassa Odin, кампанская Azymella cannabinata Odin (табл. VI, фиг. 11, 12), позднекампанские Cimicellus nudatus Odin (табл. VI, фиг. 6) и Corniculum sinuosum Odin (табл. VI, фиг. 7) (Odin, 2008а, 2008b).
Таблица VI. Известковые микропроблематики
1–5 — Tubellus hunzikeri (Odin, 2008), обр. 3169/24: 1 — экз. 2022-4/14, на ножке воронки наблюдается продольная структура; 2 — экз. 2022-4/13, воронка затянута сетчатой тканью, по периметру воронки видны продольные ряды пор по направлению к центру; 3 — экз. 2022-4/19, на стыке колоколовидного конуса воронки и орального устья наблюдается щель в виде трещины; 4 — экз. 2022-4/9, оральная поверхность круглого очертания слегка вогнутая, конусовидная стенка воронки имеет струйчатое строение, которое продолжается на ножке; 5 — экз. 2022-4/31, в центре орального устья хорошо видна сеточка внутреннего слоя, составляющая треть диаметра воронки; 6 — Cimicellus nudatus Odin, экз. 2022-4/44, обр. 3169/20; обращает на себя внимание вогнутость боков конуса воронки; 7 — Corniculum sinuosum Odin, 2008, обр. 3169/20, экз. 2022-4/42; в центре воронки наблюдается круглое отверстие, составляющее четверть ее диаметра; 8–10 — Aturella angulata Odin: 8, 9 — экз. 2022-4/43, обр. 3169/20; 10 — экз. 2022-4/10, обр. 3169/24: 8, 9 — вид сверху, 10 — вид сбоку; 11, 12 — Azymella cannabinata Odin, обр. 3169/20: 11 — экз. 2022-4/38, 12 — экз. 2022-4/57; наблюдается структура линий, пересекающихся в двух перпендикулярных направлениях, как у холста; 13 — Numismella tarbellica Odin, экз. 2022-4/24, обр. 3169/24, хорошо видна радиально-лучистая структура. Масштабная линейка: левая — 100 мкм для фиг. 1, 7–10, правая — 100 мкм для остальных
Выше по разрезу в образце 3169/24 установлено 57 экземпляров известковых микропроблематик, среди которых продолжают присутствовать все вышеназванные виды, включая Aturella angulata Odin (табл. VI, фиг. 10). Появляется Numismella tarbellica Odin (табл. VI, фиг. 13), распространенная в позднем кампане и маастрихте (Odin, 2008а, 2008b), и наблюдается расцвет Tubellus hunzikeri (Odin) (табл. VI, фиг. 1–5), формы, характерной для позднего кампана (Odin, 2008b).
Таким образом, все встреченные виды очень близки к формам, описанным из узкого стратиграфического интервала верхнего кампана в разрезе Терси на юго-западе Франции (Odin, 2008а, 2009) и из кампанской зоны Radotruncana calcarata разреза Наварра на севере Испании, где маркирующими видами планктонных фораминифер являются Globotruncana elevata и G. ventricosa (Odin, 2008b, 2011), присутствующие и в разрезе Кудрино-1.
Сходные формы известны из верхнекампанской зоны Bostrychoceras polyplocum района Лагердорф в Северо-Западной Германии (Bison et al., 2004; Wendler, Willems, 2004; Versteegh et al., 2009).
В разрезе Кудрино-1 эти микропроблематики найдены в пачке XVII, в самом основании зоны Globotruncana ventricosa по ПФ и внутри слоев с Bolivinoides pustulata по БФ верхней части нижнего кампана.
Палинологический анализ
Методы и материал исследований. Из разреза Кудрино-1 (точка наблюдения 3169) был изучен 21 образец (рис. 9). Из них в 16 образцах содержались палиноморфы удовлетворительной и плохой сохранности. Представительные спектры выявлены в интервале образцов с 3169/20 по 3169/95, где палиноморфы представлены многочисленными диноцистами, празинофитами, на некоторых уровнях совместно со спорами и пыльцой высших растений, и таксонами неясной систематической принадлежности.
Рис. 9. Распределение палиноморф в разрезе Кудрино-1
Рис. 9. Продолжение
Рис. 9. Окончание
Сравнение комплексов диноцист из разреза Кудрино-1 проводилось с зональными комплексами, установленными в разрезах верхнего мела Англии и Бельгии, поскольку комплексы диноцист Западной Сибири (Lebedeva, 2006), Гренландии (Nøhr-Hansen, 1996; Nøhr-Hansen et al., 2019), Норвежского и Баренцева морей (Radmacher et al., 2014, 2015) показывают либо существенные различия в их систематическом составе, либо наличие перерывов, что делает невозможным их прямое сопоставление.
Изменения в составе ассоциаций диноцист позволили выделить последовательность из четырех диноцистовых комплексов (ДК — диноцисты Кудрино), установленных по присутствию/появлению стратиграфически важных таксонов и/или по определенным количественным характеристикам комплексов палиноморф. Их номера продолжают нумерацию комплексов, установленных ранее в разрезе Кудрино-2 (Гужиков и др., 2021а).
Стратиграфическое распределение диноцист показано на рис. 9, 10, а изображения руководящих форм приведены на табл. VII.
Рис. 10. Биостратиграфическая корреляция комплексов диноцист разреза Кудрино-1 с разрезами Trunch (Pearce, 2010; Pearce et al., 2020), Hallembaye и Turnhout (Slimani, 2001) и Кудрино-2 (с учетом корреляции на рис. 3)
Таблица VII. Диноцисты и акритархи разреза Кудрино-1. Все фигуры в одном увеличении
1, 2 — Eatonicysta mutabilireta Pearce, 2010, 1 — обр. 3169/20, 2 — обр. 3169/35; 3, 4 — Odontochitina porifera Cookson, 1956, обр. 3169/45; 5 — Rhynchodiniopsis saliorum Louwye, 1997, обр. 3169/50; 6 — Nelsoniella aceras Cookson et Eisenack, 1960a, обр. 3169/40; 7 — Tarsisphaeridium geminiporatum Riegel, 1975, обр. 3169/65; 8 — Exochosphaeridium? masureae Slimani, 1996, обр. 3169/65; 9 — cf. Biconidinium reductum (May, 1980) Kirsch, 1991, обр. 3169/90; 10 — Acanthaulax wilsonii Yun Hyesu, 1981, обр. 3169/65; 11 — Isabelidinium bakeri (Deflandre et Cookson, 1955) Lentin et Williams, 1977a, обр. 3169/85; 12 — Dinogymnium muticum (Vozzhennikova, 1967) Lentin et Williams, 1973, обр. 3169/85; 13 — Membranigonyaulax wilsonii Slimani, 1994, обр. 3169/65; 14 — Membranilarnacia polycladiata Cookson et Eisenack in Eisenack, 1963a, обр. 3169/50; 15 — Xenascus ceratioides (Deflandre, 1937b) Lentin et Williams, 1973, обр. 3169/65; 16 — Raetiaedinium truncigerum (Deflandre, 1937) Kirsch, 1991, обр. 3169/85; 17 — Xenascus wetzelii Slimani, 1996, обр. 3169/90; 18 — Pervosphaeridium intervelum Kirsch, 1991, обр. 3169/70; 19 — Whitecliffia spinosa (Clarke et Verdier, 1967) Pearce, 2010, обр. 3169/95
Комплекс c Eatonicysta? mutabilireta (ДК-2) (пачка XVII–низы подпачки XVIIIb, интервал образцов 3169/20–3169/35). Чрезвычайно бедный комплекс (рис. 9). Наиболее полная количественная характеристика получена в образце 3169/20, в котором присутствуют Eatonicysta? mutabilireta Pearce, 2010, Lanternosphaeridium lanosum Morgenroth, 1966, Isabelidinium cf. magnum (Davey, 1970) Stover et Evitt, 1978, Membranilarnacia polycladiata Cookson et Eisenack in Eisenack, 1963, Batiacasphaera cf. euteiches (Davey, 1969) Davey, 1979, Heterosphaeridium verdieri Yun Hyesu, 1981, Circulodinium distinctum (Deflandre et Cookson, 1955) Jansonius, 1986. В более высокой части разреза (т.н. 3169) палиноморфы представлены единичными экземплярами.
На основании присутствия Eatonicysta? mutabilireta Pearce, 2010, впервые описанной из нерасчлененной толщи мела Бернхем-Флемборо (Burnham–Flamborough Chalk) в разрезе скважины Trunch (юго-восток Англии (Pearce, 2010)) и имеющей узкий стратиграфический диапазон распространения внутри зоны Gonioteuthis quadrata (рис. 10), интервал ДК-2 сопоставляется со средней–верхней частями нижнего кампана.
Комплекс c Odontochitina porifera–Nelsoniella aceras (ДК-3) (подпачка XVIIIb–нижняя часть подпачки XIXa, интервал образцов 3169/40–3169/60). Состав комплекса диноцист снизу вверх по разрезу обогащается, в основном за счет таксонов широкого стратиграфического распространения, а также Turnhosphaera hypoflata (Yun Hyesu, 1981) Slimani, 1994, Membranigonyaulax wilsonii Slimani, 1994, Hystrichosphaeropsis obscura Habib, 1972 и др. (рис. 9). В интервале разреза, охарактеризованного ДК-3, снизу вверх увеличивается как количество таксонов, так и различных видов Spiniferites, вплоть до доминирования последних (рис. 9). Только на этом уровне встречены Isabelidinium cretaceum (Cookson, 1956) Lentin et Williams, 1977a, Odontochitina porifera Cookson, 1956, Nelsoniella aceras Cookson et Eisenack, 1960, широкое распространение которых присуще разрезам кампана и маастрихта Южного полушария.
Присутствие в ДК-3 Turnhosphaera hypoflata (Yun Hyesu, 1981) Slimani, 1994, Palaeohystrichophora infusorioides Deflandre, 1935, Rhynchodiniopsis saliorum Louwye, 1997, Acanthaulax wilsonii Yun Hyesu, 1981, Membranigonyaulax wilsonii Slimani, 1994, совместная встречаемость которых указывается для диноцистовой зоны “А”, установленной на уровне зоны Gonioteuthis quadrata Бельгии (Slimani, 2001), свидетельствует о раннекампанском возрасте пород (рис. 10).
В разрезах гельветских и ультрагельветских покровов Германии Odontochitina porifera Cookson, 1956 и Apteodinium deflandrei (Clarke et Verdier, 1967) Lucas-Clark, 1987 установлены внутри зоны “4 Areoligera coronata”, которая охватывает большую часть кампана — от середины зоны Globotruncanita elevata до зоны Radotruncana calcаrata по планктонным фораминиферам (Kirsch, 1991). В разрезах верхнего мела Англии первое появление единичных экземпляров Odontochitina porifera Cookson, 1956 выявлено в середине коньяка, а постоянное присутствие фиксируется с зоны Uintacrinus socialis верхнего сантона (Pearce et al., 2020). В австрийских и венгерских разрезах данный таксон отмечается на уровне подзоны Apteodinium deflandrei зоны Odontochitina operculata по диноцистам и зон СС18–CC19 (нижняя половина) по наннопланктону (Siegl-Farkas, 1997; Siegl-Farkas, Wagreich, 1996). Появление Odontochitina porifera Cookson, 1956 в Полярном Предуралье установлено в нижнем кампане в основании слоев с Chatangiella niiga (Лебедева, 2005, 2006).
По распространению руководящего вида эта часть разреза может быть сопоставлена со слоями с Odontochitina porifera по диноцистам, установленными в пудовкинской свите Нижнего Поволжья в пределах зоны Cibicidoides temirensis/Bolivinoides decoratus (LC13) по БФ и слоев c Prunobrachium crassum–Archaeospongoprunum salumi по радиоляриям нижнего кампана (Александрова и др., 2012а).
Состав диноцист не позволяет точно судить о возрасте вмещающих пород в этой части разреза. По своему положению и на основании комплексов фораминифер и магнитостратиграфических данных интервал ДК-3 отвечает пограничным частям нижнего и верхнего кампана (рис. 10).
Комплекс c Exochosphaeridium? masureae–Tarsisphaeridium geminiporatum (ДК-4) (средняя часть подпачки XIXa, интервал образцов 3169/65–3169/85). Ассоциация диноцист очень разнообразна — определено более 80 таксонов (рис. 9). Состав диноцист на этом уровне значительно обогащается за счет новых таксонов в дополнение к уже упомянутым. Впервые отмечаются в основании этого интервала (образец 3169/65) Exochosphaeridium? masureae Slimani, 1996, Exochosphaeridium cf. muelleri Yun Hyesu, 1981, Gillinia hymenophora Cookson et Eisenack, 1960a, Trithyrodinium suspectum (Manum et Cookson, 1964) Davey, 1969, cf. Renidinium vitilare (Cookson, 1965) Stover et Evitt, 1978, Pervosphaeridium intervelum Kirsch, 1991, cf. Dapsilidinium ambiguum (Deflandre, 1937) Wheeler et Sarjeant, 1990, Xenascus ceratioides (Deflandre, 1937) Lentin et Williams, 1973, Cometodinium whitei (Deflandre et Courteville, 1939) Stover et Evitt, 1978, Trigonopyxidia ginella (Cookson et Eisenack, 1960) Downie et Sarjeant, 1965 и празинофиты Tarsisphaeridium geminiporatum Riegel, 1975, в средней и верхней частях — Fromea chytra (Drugg, 1967) Stover et Evitt, 1978, различные виды Dinogymnium, Cleistosphaeridium aciculare Davey, 1969 и др. Комплекс диноцист характеризуется преобладанием Spiniferites spp., частой постоянной встречаемостью cf. Renidinium vitilare (Cookson, 1965) Stover et Evitt, 1978, Trithyrodinium suspectum (Manum et Cookson, 1964) Davey, 1969, Cometodinium whitei (Deflandre et Courteville, 1939) Stover et Evitt, 1978, Xenascus ceratioides (Deflandre, 1937) Lentin et Williams, 1973 и празинофитов Tarsisphaeridium geminiporatum Riegel, 1975, а также обильными и разнообразными представителями рода Dinogymnium.
Комплекс диноцист ДК-4 на основании присутствия Exochosphaeridium? masureae Slimani, 1996, Acantaulax wilsonii Yun Hyesu, 1981, Rhynchodiniopsis saliorum Louwye, 1997, Whitecliffia spinosa (Clarke et Verdier, 1967) Pearce, 2010, Fromea chytra (Drugg, 1967) Stover et Evitt, 1978 уверенно коррелируется с подзоной “а” зоны Exochosphaeridium? masureae Бельгии, установленной в нижней части зоны Belemnitella mucronata (Slimani, 2001; Slimani et al., 2011), что свидетельствует о позднекампанском (при двучленном делении кампана) возрасте пород (рис. 10).
Частая встречаемость празинофитов Tarsisphaeridium geminiporatum Riegel, 1975 зафиксирована в венгерских и австрийских разрезах в подзоне Tarsisphaeridium geminiporatum зоны Odontochitina operculata по диноцистам на уровне зон СС19 (C. ovalis, вторая половина)–CC20 (C. aculeus) по наннопланктону (Siegl-Farkas, Wagreich, 1996; Siegl-Farkas, 1997). Вышесказанное позволяет датировать интервал с комплексом диноцист ДК-4 первой половиной позднего кампана.
Высокое разнообразие диноцист в ДК-4, а также частая встречаемость празинофитов Tarsisphaeridium geminiporatum Riegel, 1975, относимых к семейству Tasmanitaceae (Tappan, 1980), свидетельствуют о теплых, близких к тропическим условиях накопления осадков. Вероятно, эта часть разреза отвечает так называемому “Mid-Campanian event” — положительному изотопному экскурсу δ13С, установленному в основании зоны Belemnitella mucronata (Jenkyns et al., 1994; Jarvis et al., 2002, 2006; Voigt et al., 2010) и связываемому с крупной “мукронатовой” трансгрессией (“mucronata-transgression”).
Комплекс c Xenascus wetzelii–cf. Biconidinium reductum (ДК-5) (верхняя часть подпачки XIXa, интервал образцов 3169/90–3169/95). В ДК-5 отмечается плохая сохранность диноцист и много разрушенных форм. Присутствует большая часть встреченных ниже по разрезу таксонов. Впервые появляются Xenascus wetzelii Slimani, 1996; Neosphaerodictyon filosum Slimani, 2003; cf. Biconidinium reductum (May, 1980) Kirsch, 1991; Chatangiella? robusta (Benson, 1976) Stover et Evitt, 1978; Hystrichosphaeridium proprium Slimani, 2003; Dinogymnium nelsonense (Cookson, 1956) Evitt et al., 1967; Dinogymnium microgranulosum Clarke et Verdier, 1967; Dinogymnium longicorne (Vozzhennikova, 1967) Harland, 1973; Coronifera oceanica subsp. hebospina Yun Hyesu, 1981; Tanyosphaeridium variecalamum Davey et Williams, 1966; Hystrichostrogylon sp., Ithnacysta elongata Slimani, 1994; Montanarocysta aemiliana Corradini, 1973; Exochosphaeridium striolatum (Deflandre, 1937) Davey, 1969; Fromea fragilis (Cookson et Eisenack, 1962) Stover et Evitt, 1978 и др. (рис. 9).
Для комплекса характерно доминирование Spiniferites spp. и частая встречаемость Fromea chytra (Drugg, 1967) Stover et Evitt, 1978; Trithyrodinium suspectum (Manum et Cookson, 1964) Davey, 1969; Xenascus wetzelii Slimani, 1996; Palaeohystrichophora infusorioides Deflandre, 1935; Gillinia hymenophora Cookson et Eisenack, 1960; cf. Biconidinium reductum (May, 1980) Kirsch, 1991; Tarsisphaeridium geminiporatum Riegel, 1975.
Первое появление Xenascus wetzelii Slimani, 1996, cf. Biconidinium reductum (May, 1980) Kirsch, 1991 и их совместное распространение с Exochosphaeridium? masureae Slimani, 1996; Rhynchodiniopsis saliorum Louwye, 1997; Acanthaulax wilsonii Yun Hyesu, 1981; Whitecliffia spinosa (Clarke et Verdier, 1967) Pearce, 2010 позволяют коррелировать данную часть разреза с подзоной “b” зоны Exochosphaeridium? masureae Бельгии, установленной в верхней части зоны Belemnitella mucronata (Slimani, 2001; Slimani et al., 2011), что свидетельствует о ее позднекампанском возрасте (рис. 10). Однако таксонов, характерных для второй половины позднего кампана, не встречено.
В результате анализа данных по диноцистам показано, что в разрезе Кудрино-1 достоверно присутствует уровень средней части нижнего кампана–основания верхнего кампана при его двучленном делении, а граница нижнего и верхнего подъярусов проходит внутри интервала с комплексом диноцист ДК-3 между образцами 3169/50 и 3169/55.
МАГНИТОСТРАТИГРАФИЯ
Петромагнитные и магнито-минералогические исследования
Методика исследований. В разрезе Кудрино-1 с помощью шанцевого инструмента отобраны ориентированные штуфы для палео- и петромагнитных исследований со 102 уровней. Для лабораторных измерений из каждого штуфа выпиливались 3–4 образца кубической формы размером 2 × 2 × 2 см.
Массовые петромагнитные исследования включали измерения следующих параметров: К — магнитная восприимчивость и ее анизотропия (АМВ); Kt (термокаппа) — магнитная восприимчивость после прогрева пород при температуре 500oC в течение часа (прирост dK = Kt — K при этом отражает содержание тонкодисперсного пирита в образце, благодаря фазовому переходу немагнитного FeS2 в сильномагнитный Fe3O4 при температуре свыше 400oC); Jn — естественная остаточная намагниченность; Jrs — остаточная намагниченность насыщения (максимально возможная остаточная намагниченность в образце, создаваемая искусственным магнитным полем); Bcr — поле, соответствующее остаточной коэрцитивной силе, которую нужно приложить, чтобы полностью разрушить Jrs образца. Помимо характеристик, установленных опытным путем, рассчитывались параметры: фактор Q (параметр Кенигсбергера), равный отношению Jn к индуктивной намагниченности; параметр магнитной жесткости S = –Jr(–300)/Jrs (где Jr(–300) — остаточная намагниченность после воздействия полем 300 мТл, обратным направлению поля насыщения) и отношение K/Jrs. Фактор Q ≥ 1 указывает на высокую степень упорядоченности магнитных моментов частиц. Величины параметра S, близкие к нулю, свидетельствуют о доминировании в образце магнитожесткой фазы, а близкие к единице — о преобладании магнитомягких минералов. Отношение K/Jrs пропорционально среднему размеру ферромагнитных зерен, при условии постоянства вида минерала — носителя Jn.
Измерения K велись на каппабридже MFK1-FB, Jn — на спин-магнитометре JR-6. Гистерезисные характеристики (Jrs, Bcr) получены с помощью регулируемого электромагнита с максимальной интенсивностью поля 700 мТл (поэтому в данной работе за Jrs условно принята остаточная намагниченность после воздействия полем интенсивностью 700 мТл, заведомо достаточным для насыщения магнитомягких образцов). Величина dK измерялась после нагрева образцов в печи СНОЛ-6/11-В. Анализ данных АМВ проводился с помощью программы Anisoft 5.1.03 (agico.com).
Выборочные образцы подвергались термомагнитному анализу (ТМА) на термоанализаторе фракций ТАФ-2 (“магнитные весы”) и изучались на коэрцитивном спектрометре J_meter в Казанском федеральном университете.
Палеомагнитные исследования проводились по стандартной методике (Молостовский, Храмов, 1997), заключавшейся в измерениях Jn ориентированных образцов на спин-магнитометре JR-6 после магнитных чисток переменным полем (H~) или температурой (T°). Возможные фазовые превращения минералов при нагревании контролировались путем измерения K образцов после каждой термочистки. Для проведения H~-чисток использовалась установка LDA-3AF, для терморазмагничивания — печь конструкции Апарина. Палеомагнитные исследования образцов с 33 различных уровней продублированы на криогенном магнитометре (SQUID) 2G-Enterprices в ИФЗ РАН (Москва). Для компонентного анализа использовалась программа Remasoft 3.0 (Chadima, Hrouda, 2006).
Магнитная минералогия и петромагнетизм. Носителем намагниченности в исследуемых отложениях являются магнитомягкие минералы. Близкие к единице значения параметра S поля, соответствующие значениям остаточной коэрцитивной силы 35–55 мТл, и поля насыщения (Bs) < 300 мТл (рис. 11, 12а) характерны для тонкодисперсного магнетита и/или титаномагнетитов, близких по составу к Fe3O4. Единичное повышение Bcr до 114 мТл (рис. 11), скорее всего, связано с магнитожесткими гидроксидами железа — продуктами окисления магнетита (титаномагнетитов) и/или пирита.
Рис. 11. Магнитостратиграфический разрез Кудрино-1
На петромагнитных графиках заливкой показаны интервалы, в которых величины параметров превышают медианные значения параметров по всему разрезу. Затемнения в нижней части палеомагнитной колонки “Магнитозона (хрон)” означают участки, на которые определения обратной полярности интерполированы или экстраполированы. Условные обозначения: I — полярность прямая; II — полярность обратная; III — отсутствие данных о полярности; 1, 2 — ChRM; 3, 4, 5 — Jst; 6, 7 — большие круги по результатам H~-чисток на SQUID (1, 3, 6), JR-6 (2, 4, 6) и T°-чисток на JR-6 (5); 8 — уровень границы петромагнитных комплексов (ПК), 9 — границы петромагнитных интервалов (ПИ)
Рис. 12. Результаты магнито-минералогических исследований
(а) — кривые магнитного насыщения и разрушения; (б) — диаграмма Дея (SD, PSD и MD — области однодоменных, псевдооднодоменных и многодоменных частиц соответственно); (в) — данные по анизотропии магнитной восприимчивости: стереограммы проекций длинных (K1), средних (K2) и коротких (K3) осей АМВ в палеогеографической системе координат (изолинии отражают концентрацию K3) и диаграммы P–T (P — показатель анизотропии, положительные и отрицательные значения T указывают на уплощенные и удлиненные формы ферромагнитных частиц соответственно). I — данные АМВ для всего разреза, II — данные АМВ для низов разреза (ниже уровня обр. 3169/53), III — данные АМВ для верхов разреза (выше уровня обр. 3169/52). n — число образцов в выборке. Условные обозначения: 1, 2, 3 — средние направления с овалами доверия K1, K2 и K3 соответственно
По термомагнитным кривым магнетит (как и другие магнитные фазы) диагностировать не удалось, ввиду крайне малой концентрации ферромагнетиков. Однако в соседнем разрезе Кудрино-2, в котором вскрываются низы подпачки XVIa, на некоторых кривых ТМА были зафиксированы малозаметные перегибы в районе температуры Кюри Fe3O4 — 578°C, а также термомагнитные эффекты, характерные для титаномагнетитов из вулканических пеплов (Гужиков и др., 2021б).
Коэрцитометрические характеристики образцов на диаграмме Дея (рис. 12б) располагаются вблизи участка теоретической кривой, соответствующей псевдооднодоменному магнетиту (Dunlop, 2002).
Магнитная текстура изученных отложений соответствует первичной текстуре осадков с аллотигенными ферромагнетиками (короткие оси магнитных эллипсоидов (K3) группируются в центре, а длинные и средние оси (K1 и K2 соответственно) равномерно распределены по краю стереопроекции; рис. 12в-I), что является благоприятной предпосылкой для сохранности первичной намагниченности. Показатель магнитной анизотропии P, за редкими исключениями, варьирует от 1 до 1.4, указывая на близкую к изометричной форму ферромагнитных частиц (рис. 12в-I). На первый взгляд может показаться, что значительные отклонения K3 от вертикали и повышенные P свойственны только низам разреза, в то время как для верхов характерны почти идеальная первичная магнитная текстура и практически изометричная форма магнитных частиц (P < 1.1). Однако сопоставление данных АМВ с величиной магнитной восприимчивости не оставляет сомнений в том, что разброс K3 и увеличение P обусловлены в основном погрешностью измерений, потому что фиксируются только в самых слабомагнитных образцах (рис. 12в-II) и отсутствуют в выборке с относительно высокой магнитной восприимчивостью (рис. 12в-III).
Изученные породы очень слабомагнитны: магнитная восприимчивость варьирует от (–0.1) до 2 × 10–5 ед. СИ (при этом более 75% образцов характеризуются K < 1 × 10–5 ед. СИ), а естественная остаточная намагниченность изменяется от 0.01 до 0.3 × 10–3А/м (свыше 80% образцов имеют Jn < 0.05 × 10–3А/м) (рис. 11). Несмотря на это, разрез Кудрино-1 дифференцирован в петромагнитном отношении: верхи разреза (обр. 3169/41–3169/102) отличаются от нижележащих отложений повышенными относительно медианы значениями K, K/Jrs и (не столь явно) dK (рис. 11). Началу устойчивого превышения медианных значений K и K/Jrs предшествуют аномальные пики Q и Jn (обр. 3169/40), наиболее четко определяющие уровень границы между нижним и верхним петромагнитными комплексами (ПК-1 и ПК-2 соответственно). Приуроченность рубежа между ПК-1 и ПК-2 к подошве пачки XIX (рис. 11) закономерна, потому что и литологические особенности, и магнитные свойства пород обусловлены перестройкой режима осадконакопления. Поэтому уровень обр. 3169/40 (точнее, между образцами 3169/40 и 3169/41) мы помещаем в основание подпачки XIXa, отвечающей верхнему кампану по (Алексеев, 1989). Низкие, даже по меркам осадочных пород, значения Q (в основном порядка 0.01–0.1) типичны для детритной природы намагниченности, что согласуется с предположением о преимущественно аллотигенном происхождении ферромагнетиков, основанном на материалах АМВ. В этом случае повышенную магнитную восприимчивость верхов разреза можно связать с замедлением скорости поставки карбонатного микрита, вследствие чего аллотигенные компоненты в ПК-2 разубожены в меньшей степени, чем в ПК-1, а вариации K по разрезу следует рассматривать как обратное отражение скорости седиментации (Гужиков, Суринский, 2017).
Нижние границы подпачки XVId2, пачки XVII, подпачек XVIIIa и XVIIIb в целом не находят прямого отражения в петромагнетизме, но петромагнитная ритмичность в этой части разреза хорошо проявлена на графиках Q и Jn (рис. 11). Особенностью ПК-1 является наличие отдельных уровней с максимальными значениями Q (несколько единиц), в сочетании, как правило, с повышенными величинами Jn (> 0.1 × 10–3А/м) (рис. 11). Эти петромагнитные аномалии не сопровождаются существенными изменениями других магнитных свойств, что позволяет исключить их связь с увеличением концентраций или появлением новых видов ферромагнитных минералов. Оставшиеся варианты интерпретации природы всплесков Q допускают либо резкое увеличение напряженности геомагнитного поля во время формирования пород, либо химический генезис намагниченности. В случае справедливости последней версии, носителем химической намагниченности может быть аутигенный магнетит, возможно биогенного происхождения, продуцированный во время замедления скорости седиментации или кратковременных перерывов в осадконакоплении. При таких обстоятельствах аномалии Q фиксируют естественные границы дробных литологических подразделений (рис. 11), а приуроченность трех из пяти петромагнитных границ, намеченных в пределах ПК-1, к подошвам подпачки XVId2, пачки XVII, подпачек XVIIIa и XVIIIb (рис. 11) не случайна.
Верхи разреза (в пределах ПК-2) также дополнительно могут быть расчленены по особенностям вертикального распределения петромагнитных параметров. Вариации графика Jrs образуют три петромагнитных интервала (ПИ-2.1, ПИ-2.2 и ПИ-2.3), средний из которых выделяется повышенными значениями этого параметра (рис. 11). Подошва ПИ-2.2 отмечена возрастанием Jrs. Подошва ПИ-2.3, фиксируемая по уменьшению параметра, менее выразительна, но этот интервал дополнительно индивидуализирован заметным убыванием Bcr и возрастанием S. Вероятно, снижение магнитной жесткости связано с менее интенсивным окислением магнетитовых зерен.
Палеомагнетизм. Палеомагнитное качество изученных пород нельзя признать хорошим, но всесторонний анализ полученных данных позволяет дать магнитополярную характеристику разреза, пригодную для использования в магнитостратиграфических целях.
H~-чистки, в которых были задействованы спин-магнитометр JR-6 и установка LDA-3AF, проводились до 20 мТл (в редких случаях до 30–40 мТл), с шагом в 2 мТл. Дальнейшее размагничивание было невозможно, потому что при воздействии более высоких полей величина намагниченности становилась сопоставимой с измерительной погрешностью прибора, и направления Jn изменялись хаотично. H~-чистки с помощью криогенного магнитометра позволяли прослеживать изменения вектора намагниченности до 50 мТл (редко до 60 мТл), с шагом 1–4 мТл в диапазоне до 20 мТл и с шагом 4–5 мТл в диапазоне свыше 20 мТл. Результаты размагничивания переменным полем, полученные на разных приборах в независимых лабораториях, обнаружили хорошую сходимость (рис. 13а), что позволяет с доверием относиться к результатам измерений на спин-магнитометре, несмотря на ограниченный верхний диапазон разрушающего поля.
Рис. 13. Типичные результаты компонентного анализа (полярные стереопроекции, диаграммы Зийдервельда, графики размагничивания)
(а) — сопоставление результатов H~-чисток образцов-дублей на JR-6 и SQUID; (б–г) –результаты по образцам, в которых выделены ChRM, соответствующие прямой полярности (б), обратной полярности (в) и большие круги (г). Все данные приведены в стратиграфической системе координат. Условные обозначения: 1–4 — проекции Jn на нижнюю (1) и верхнюю (2) полусферы, на горизонтальную (3) и вертикальную (4) плоскости; 5, 6 — отрезки, аппроксимирующие ChRM (5) и “низкокоэрцитивную” компоненту Jn (6)
Малые величины Jn (зачастую <0.000015 × 10–3А/м уже после самых слабых воздействий переменным полем или температурой) являются причиной невысокого качества диаграмм Зийдервельда, построенных по результатам измерений как на JR-6, так и на SQUID (рис. 13б, 13в). Тем не менее на большинстве диаграмм удается выделить участки, при аппроксимации которых прямолинейными отрезками максимальный угол отклонения (MAD) менее 15° (в противном случае компоненты Jn не выделялись). В образцах с 26 уровней выделены характеристические компоненты намагниченности (ChRM), при расчете которых центр координат учитывался в качестве конечной точки (рис. 13б, в). Если аппроксимирующая интервал диаграммы прямая существенно отклонялась от направления к началу координат, то дополнительные точки в расчеты не включались, а выделенные компоненты намагниченности условно назывались “стабильными” (Jst). В образцах с 22 уровней никаких компонент Jn выделить не удалось. Термочистки, выполненные в диапазоне от 100 до 400°C, с шагом 50°C, оказались безрезультатными (за исключением 3 уровней, на которых все же удалось выделить Jst). В образцах с 13 уровней в нижней части разреза проекции Jn в процессе размагничивания смещаются вдоль дуг большого круга (GC) (рис. 13г).
Верхам разреза (обр. 3169/53–3169/102) свойственны компоненты намагниченности, группирующиеся в северных румбах нижней полусферы (рис. 11, 13б, 14а). Такие направления типичны для прямой полярности (N, n) геомагнитного поля.
Рис. 14. Полярные стереопроекции компонент Jn (в стратиграфической системе координат)
(а) — в верхах разреза (выше уровня обр. 3169/52), (б) — в низах разреза (ниже уровня обр. 3169/53), (в) — в интервале между обр. 3169/17-23. n — число образцов в выборке, D, I — склонение и наклонение среднего палеомагнитного вектора соответственно, k — межпластовая кучность, α95 — радиус доверия. Условные обозначения: 1–4 — проекции компонент Jn с кругами доверия (радиусом которых является MAD) на нижнюю (1, 2) и верхнюю (3, 4) полусферы (компоненты определены по данным измерений на JR-6 (1, 3) и SQUID (2, 4), круги доверия показаны только для ChRM); 5, 6 — проекции средних палеомагнитных направлений с кругами доверия (α95) для них на нижнюю (5) и верхнюю (6) полусферы. Остальные условные обозначения см. на рис. 13
Низы разреза (обр. 3169/1–3169/52) отмечены хаотичным распределением компонент Jn на сфере и наличием GC (рис. 11, 13в, 14б). Одни компоненты проецируются на южные румбы верхней полусферы, что характерно для обратной полярности (R, r) поля, другие соответствуют прямой полярности. Значительная часть Jst (реже ChRM) имеет южные склонения (D) при положительных (нередко пологих) наклонениях (I) или северные склонения при отрицательных наклонениях. В практике магнитостратиграфических исследований подобные аномальные направления встречаются часто. Как правило, они представляют собой стабилизированные суммы двух антипараллельных компонент — первичной, соответствующей обратной полярности, и вторичной, связанной с современным полем. Разная степень “загрязнения” суммарной намагниченности вязкой компонентой приводит к очень большому разбросу Jst в случае обратного знака древней намагниченности и меньше сказывается на палеомагнитной статистике по изначально нормально намагниченным образцам ввиду того, что направления современного и позднемелового нормального поля близки. Наличие разнонаправленных компонент намагниченности является также причиной смещения палеомагнитных векторов по дугам больших кругов (Гужиков и др., 2010, 2021а; Karpuk et al., 2018 и др.). Поэтому в палеомагнитной колонке на уровнях, где зафиксированы GC или аномальные компоненты Jn с отрицательными и пологими положительными (< 20°) наклонениями, показан знак обратной полярности (рис. 11).
Обсуждая структуру палеомагнитной колонки, необходимо отметить, что уровни с прямой полярностью встречаются повсеместно, а с обратной — только в нижней половине разреза, не выше интервала между обр. 3169/52 и 3169/53 (рис. 11). Из 12 n-интервалов, зафиксированных в низах разреза, 10 обоснованы образцами с одного, а 2 — с двух уровней, в то время как для выделения магнитозоны необходимо документировать один и тот же знак полярности минимум на трех соседних уровнях (Храмов, Шолпо, 1967). Между тем на ряде участков r-интервалы группируются в разрезе на трех (обр. 3169/12–3169/15, обр. 3169/30–3169/33), на четырех (обр. 3169/25–3169/29, обр. 3169/37–3169/40), даже на семи (обр. 3169/17–3169/23) уровнях подряд (рис. 11, 14в). Поскольку, в соответствии с формальными требованиями (Храмов, Шолпо, 1967), единичные n-интервалы не должны учитываться при выделении магнитостратиграфических подразделений, низы разреза (обр. 3169/1–3169/52) остаются охарактеризованными только R-зонами, которые объединяются в одну крупную зону обратной полярности (R1). Выделение зоны прямой полярности (N1) в верхах разреза (обр. 3169/53–3169/102) в дополнительной аргументации не нуждается (рис. 11).
К полученным материалам невозможно применить стандартные полевые тесты, потому что данные, по которым обоснована зона R1 (рис. 13б, 14в), непригодны для расчета палеомагнитной статистики, а предпосылки для проведения тестов складки и конгломератов отсутствуют. Однако о первичности Jn можно судить по ряду косвенных признаков, совокупность которых свидетельствует в пользу того, что зафиксированная нами последовательность магнитозон отражает режим кампанского геомагнитного поля:
- Интервалы одного знака полярности, определенного по направлениям ChRM, закономерно группируются по разрезу, образуя две крупные магнитозоны — R1 и N1 (рис. 11).
- Независимость знака полярности от вещественного состава и физических свойств пород является признаком древней природы Jn, в то время как приуроченность той или иной полярности к определенному типу отложений наводит на мысль о возможном перемагничивании. Явной связи выделенных магнитозон с литологическими и петромагнитными подразделениями не наблюдается, но приуроченность участков разреза с более надежно обоснованной обратной полярностью к слабомагнитному ПК-1 и совпадение кровли зоны R1 с подошвой петромагнитного ритма ПИ-2.2, на первый взгляд, кажутся подозрительными. Однако наличие R-зоны в разрезе Кудрино-2 (сопоставимой по качеству палеомагнитных определений с зоной R1 в Кудрино-1) в “сильномагнитных” (K = 1–2 × 10–5 ед. СИ и более) низах подпачки XVIa (Гужиков и др., 2021а) опровергает предположение о корреляции обратного знака полярности с минимальными значениями магнитной восприимчивости. Скачкообразные изменения петромагнитных параметров, как правило, соответствуют перерывам в осадконакоплении (Гужиков, 2013), и резкий рост величин Jrs в основании ПИ-2.2, скорее всего, фиксирует кратковременное прекращение или замедление седиментации. Совпадение же палеомагнитной и петромагнитной границ на уровне перерыва не является редкостью.
- Среднее палеомагнитное направление, определенное по N-зоне (рис. 14а), статистически совпадает со средним направлением в верхнекампанских–маастрихтских отложениях разреза Бешкош (примерно в 4.5 км к С–СЗ от разреза Кудрино-1) (Барабошкин и др., 2020), но значимо отличается он направления современного поля в стратиграфической системе координат. В первом случае угол между векторами (4.7°) меньше ошибки (±6.7°), определяемой согласно (Debiche, Watson, 1995), во втором, напротив, больше: 9.8° ± 9.5°. (При статистической проверке за α95 для современного поля была принята максимальная амплитуда вековой вариации — 10° (Бахмутов, 2006).)
- Полученные палеомагнитные данные соответствуют критерию внешней сходимости, то есть согласуются с известными представлениями о магнитополярной структуре кампана (Gradstein et al., 2020). С учетом полученных палеонтологических данных о кампанском (ранне- и позднекампанском) возрасте отложений в выделенных магнитозонах R1 и N1 легко опознаются аналоги хронов 33r и 33n соответственно (рис. 11).
Очевидно, что в разрезе Кудрино-1 обнаружены верхи хрона 33r, низы которого зарегистрированы ранее в соседнем разрезе Кудрино-2 и, вероятно, в Аксу-Дере (Гужиков и др., 2021а, 2021б). Благодаря выдержанному залеганию пластов (падение к З–СЗ под углами от 9° до 19°), можно оценить истинную мощность аналога хрона 33r в районе с. Кудрино. Она составляет приблизительно 120 м (при расчете использованы горизонтальное проложение 500 м, взятое между подошвой 33r в разрезе Кудрино-2 (Гужиков и др., 2021а, 2021б) и предполагаемой кровлей этого хрона в разрезе Кудрино-1, средний азимут падения 310° и угол падения 14°). Средняя скорость седиментации (sedimentation rate) определяется как отношение мощности пород к продолжительности временного интервала, за который они образовались. С учетом данных о длительности 33r (~3 млн лет; Gradstein et al., 2020), средняя скорость формирования отложений в разрезах Кудрино-1 и Кудрино-2 в течение хрона обратной полярности равнялась примерно 4 см/тыс. лет.
ИЗОТОПНО-ГЕОХИМИЧЕСКИЙ АНАЛИЗ
Измерение изотопного состава углерода (С) и кислорода (О) в образцах проведены на масс-спектрометре Delta V Advantage с приставкой GasBench II (Лаборатория геохимии изотопов и геохронологии, ГИН РАН). Разложение карбонатов проводилось в 100%-ной ортофосфорной кислоте при температуре 50°C. Значения δ13С и δ18О даны в промилле относительно стандарта VPDB. При калибровке использованы международные стандарты IAEA C-O-1. Через каждые 10 образцов для контроля точности измерений использовалась сверочная проба. Ошибка определения δ13С и δ18О составляет ±0.1‰ для δ13С и ±0.2‰ для δ18О. Содержания Ca, Mg, Mn, Fe и Sr не определялись.
Значения δ18О в изученных известняках варьируют от –4.5 до –2.2‰ (рис. 15). Это ниже, чем в мезозойских морских карбонатах тетических палеобассейнов (от –2 до 0‰). Как и в разрезе Кудрино-2 (Гужиков и др., 2021б), значения δ18О и δ13C не обнаруживают зависимостей друг от друга, что свидетельствует об отсутствии эпигенетической перекристаллизации при участии атмосферных вод (Покровский и др., 2020).
Рис. 15. Изотопные данные δ¹³Ccarb, ‰ VPDB и δ¹⁸Ocarb, ‰ VPDB для кампанских отложений разреза Кудрино-1 и характерные интервалы δ¹³C (римские цифры). LCaE — Late Campanian Event
Значения δ13C варьируют от 2.3 до 3.2‰ (рис. 15) и близки к аналогичным значениям в мезозойских морских карбонатах тетических и перитетических палеобассейнов (Thibault et al., 2016; Pearce et al., 2022; Jarvis et al., 2023). По значениям δ13C можно выделить несколько интервалов, которые частично согласуются с выделенными литологическими интервалами. В интервале I (подпачки XVId1–XVId2) значения δ13C варьируют от 2.0 до 2.9‰ (рис. 15). В интервале II (пачка XVII–нижняя часть подпачки XIXa, немного выше кровле хрона C33r) значения повышенные при небольшом разбросе: от 2.4 до 2.9‰. В интервале III (подпачка XIXa, обр. 3169/54–3169/75) значения δ13C максимальны и варьируют от 2.8 до 3.2‰. Представляется, что этот интервал, приходящийся на нижнюю часть верхнего кампана, может быть сопоставлен с положительной аномалией (или ее частью) “BUCE” — Base Upper Campanian Event (Voigt et al., 2010, 2012; Wendler, 2013) или “MCaE” — Mid-Campanian Event (Pearce et al., 2022). Вышележащий интервал IV (подпачка XIXa, обр. 3169/76–3169/90) характеризуется устойчивым снижением значений δ13C от 3.0 до 2.6‰. Интервал V (подпачка XIXa, обр. 3169/91–3169/101) начинается одиночным максимумом δ13C в 3.1‰, но выше значения снова уменьшаются до 2.8–2.6‰. Наконец, самый верхний интервал VI отвечает единичному минимальному значению 2.3‰ (подпачка XIXa, образец 3169/102). Возможно, это аналог события “LCE” — Late Campanian Event (Wendler, 2013), но для уверенности в этом выводе нужны дополнительные данные, которые могут быть получены по соседним разрезам. Корреляция выделенных интервалов с палеомагнитными и биособытиями рассмотрена ниже.
U–Pb ДАТИРОВАНИЕ ЦИРКОНОВ
Методика исследований. Образец киловых глин (обр. 1-2018) был помещен в дистиллированную воду, и с помощью ультразвукового диспергирования была подготовлена суспензия, которая позволила при последующем удалении глинистой взвеси в воде предварительно отделить минеральные фракции высокой плотности от глин. Затем были выделены цирконы с использованием стандартной техники, включающей разделение в тяжелых жидкостях и электромагнитную сепарацию. 25 кристаллов циркона поместили в шашку из особо чистой эпоксидной смолы (диск диаметром 25 мм и толщиной около 4 мм) вместе с зернами стандартного циркона TEMORA. Затем шашка была отполирована, и таким образом была обнажена внутренняя часть кристаллов циркона. Наблюдения под микроскопом в проходящем и отраженном свете помогли наметить чистые, без трещин и микровключений, участки кристаллов, пригодные для ионного микроанализа. Перед анализом были получены изображения кристаллов в катодолюминесцентном излучении и обратнорассеяных электронах на сканирующем электронном микроскопе, что позволило выявить характер зональности и внутреннюю структуру циркона (рис. 16).
Рис. 16. Диаграмма с конкордией результатов U–Pb датирования циркона из киловых пеплов Крыма (а) и изображение кристаллов датированных цирконов в катодолюминисцентном излучении (б). Номера соответствуют точкам в табл. 1
U–Pb датирование цирконов выполнено на ионном микрозонде SHRIMP-II (вторично-ионная масс-спектрометрия с высоким пространственным разрешением) в ЦИИ ВСЕГЕИ с использованием стандартных процедур (Williams, 1998). Обработку результатов измерений осуществляли с помощью программы Isoplot (Ludwig, 2012). Традиционно для относительно молодых меловых цирконов опирались только на возраст, рассчитанный по отношению 206Pb/238U, так как для таких кристаллов, учитывая низкое количество накопленного радиогенного 207Pb и большую погрешность определения 207Pb/206Pb, существует проблематичность оценки дискордантности возрастов по двум независимым изотопным системам. В нашем случае 206Pb/238U возрасты скорректированы на 207Pb (Williams, 1998), при допущении, что небольшая дискордантность цирконов является следствием простого смешения обыкновенного и радиогенного Pb. Воспроизводимость SHRIMP-анализа для изотопного отношения 238U/206Pb в стандарте составляет порядка 1–2% (Black et al., 2004), что эквивалентно погрешности в датировании для фанерозойских цирконов на 1–3 млн лет и меньше.
Результаты U–Pb датирования цирконов. Практически все извлеченные кристаллы циркона размером около 130–300 мкм хорошо ограненные, прозрачные и удлиненные, с отношением толщина/длина от 1 : 3 до 1 : 8 (в большинстве случаев 1 : 5). Это указывает на их инситный генезис, характерный для вулканических пеплов, вероятно, риолитового или дацитового состава. В катодолюминесцентном излучении в кристаллах наблюдается осцилляционная и секториальная зональность, обычная для магматического циркона (рис. 16). Отношения Th/U в 12 измеренных кристаллах варьируют от 0.9 до 1.6 (табл. 1), что также характерно для циркона магматического генезиса. Средневзвешенное значение конкордантного возраста для двенадцати кристаллов циркона составило 77 ± 1 млн лет (СКВО = 0.08, p = 0.77, N = 12/12, рис. 16), при этом в большинстве кристаллов возраст варьирует от 77 до 80 млн лет, что соответствует раннему кампану.
Таблица 1. Результаты U–Pb (SHRIMP) датирования циркона из киловых (бентонитовых) глин из заброшенного карьера около разреза Кудрино-1 (обр. 1-2018, координаты: 44°42′20.4″ с.ш., 33°56′29.4″ в.д., h = 248 м)
Spot | % 206Pbc | мкг/г U | мкг/г Th | 232Th /238U | мкг/г 206Pb* | (1) 206Pb/238U возраст ± 1ó | (1) 238U/ 206Pb* | ±% | (1) 207Pb*/ 206Pb* | ±% | (1) 207Pb*/ 235U | ±% | (1) 206Pb*/ 238U | ±% | err corr | |
1 | 0.00 | 762 | 672 | 0.91 | 7.89 | 77.2 | ±1.2 | 83 | 1.6 | 0.0473 | 2.8 | 0.0787 | 3.2 | 0.01205 | 1.6 | 0.508 |
2 | 1.04 | 225 | 216 | 0.99 | 2.36 | 77.4 | ±1.5 | 82.8 | 1.9 | 0.047 | 12 | 0.0783 | 12 | 0.01208 | 1.9 | 0.164 |
3 | 0.82 | 120 | 112 | 0.96 | 1.31 | 80.5 | ±1.7 | 79.6 | 2.2 | 0.0459 | 12 | 0.0795 | 12 | 0.01257 | 2.2 | 0.183 |
4 | 0.70 | 148 | 123 | 0.86 | 1.55 | 77.8 | ±1.6 | 82.4 | 2.1 | 0.0438 | 11 | 0.0734 | 11 | 0.01214 | 2.1 | 0.193 |
5 | 0.38 | 284 | 361 | 1.32 | 2.94 | 76.8 | ±1.4 | 83.4 | 1.8 | 0.0495 | 6.1 | 0.0818 | 6.3 | 0.01199 | 1.8 | 0.284 |
6 | 0.39 | 258 | 363 | 1.46 | 2.77 | 80 | ±1.4 | 80.1 | 1.8 | 0.0458 | 6.5 | 0.0789 | 6.8 | 0.01249 | 1.8 | 0.267 |
7 | 0.35 | 294 | 341 | 1.20 | 3.17 | 80 | ±1.4 | 80.1 | 1.8 | 0.0472 | 5.9 | 0.0813 | 6.1 | 0.01249 | 1.8 | 0.288 |
8 | 0.51 | 209 | 232 | 1.15 | 2.21 | 78.4 | ±1.5 | 81.7 | 1.9 | 0.0464 | 7.9 | 0.0782 | 8.1 | 0.01224 | 1.9 | 0.235 |
9 | 0.50 | 493 | 753 | 1.58 | 5 | 75.4 | ±1.3 | 85 | 1.7 | 0.0476 | 6.1 | 0.0773 | 6.3 | 0.01176 | 1.7 | 0.266 |
10 | 0.59 | 190 | 236 | 1.28 | 1.91 | 74.4 | ±1.4 | 86.2 | 2 | 0.0495 | 9.3 | 0.0791 | 9.5 | 0.01161 | 2 | 0.206 |
11 | 2.08 | 113 | 124 | 1.14 | 1.18 | 76.7 | ±1.9 | 83.5 | 2.5 | 0.042 | 25 | 0.07 | 25 | 0.01197 | 2.5 | 0.099 |
12 | 0.00 | 357 | 359 | 1.04 | 3.56 | 74.5 | ±1.3 | 86 | 1.8 | 0.0479 | 6.5 | 0.0768 | 6.7 | 0.01163 | 1.8 | 0.266 |
Примечание. Spot – номер кристалла и точки анализа (рис. 2). 206Pbc и 206Pb* – обыкновенный и радиогенный свинец. Погрешности единичных анализов – 1σ. (1) – скорректировано с учетом содержания на обыкновенный свинец, используя измеренный 204Pb. “err corr” – корреляция ошибок. Погрешность калибровки стандарта TEMORA – 0.42% (не включено в погрешности единичных анализов).
По оценкам (Gradstein et al., 2020), уровень смены геомагнитной полярности C33r–C33n имеет возраст 79.9 млн лет. Отобранные образцы цирконов происходят из интервала обратной полярности C33r, ниже уровня смены полярности. Учитывая разброс полученных абсолютных значений, они в целом согласуются с указанной цифрой.
Датировки несколько отличаются от существующих оценок возраста биостратиграфических зон. Согласно (Walaszczyk, 1997), кровля иноцерамовой зоны Sphaeroceramus sarumensis–Cataceramus dariensis примерно совпадает с кровлей нижнего кампана североамериканской шкалы и может быть датирована примерно в 80.5 млн лет (Walaszczyk et al., 2008), тогда как в разрезе Кудрино-1 этот уровень, хотя и более молодой по датировкам, расположен ниже уровня находок Sphaeroceramus cf. sarumensis.
Согласно датировкам туфов из разрезов на территории США, граница нижнего и верхнего кампана европейской шкалы, отвечающая подошве зоны Baculites obtusus (подошва среднего кампана североамериканской шкалы), имеет возраст 80.58 ± 0.55 млн лет (Cobban et al., 2006, 2008). Этот уровень попадает внутрь интервала обратной полярности C33r (Leahy, Lerbekmo, 1995), подобно образцу из разреза Кудрино-1, и, как мы видим, близок к нему по возрасту.
Учитывая недостаточную прецизионность инструмента SHRIMP в части измерений содержания 207Pb и связанную с этим проблематичность корректной оценки конкордантности, можно принять, что с наибольшей вероятностью возраст килового прослоя находится в интервале от 77 до 80 млн лет, и в этом случае наши результаты согласуются с существующими оценками возраста по другим данным.
ОБСУЖДЕНИЕ РЕЗУЛЬТАТОВ
О подъярусном делении кампана
Существуют представления о двух-, трех- и четырехчленном делении кампанского яруса на подъярусы (Стратиграфия…, 1986–1987). После обсуждения этой проблемы и голосования на Международном меловом симпозиуме в Брюсселе в 1995 г. было рекомендовано разделение кампана на три подъяруса примерно равного объема (Hancock, Gale, 1996), но официальных предложений по определению подъярусов или их GSSP пока нет (Gradstein et al., 2020).
В Европе кампан традиционно имеет двучленное строение, предложенное А. Де Гроссувром (De Grossouvre, 1901). При этом делении граница подъярусов маркируется вымиранием белемнитов Gonioteuthis quadrata (Blainville) и появлением белемнитов группы Belemnitella mucronata, с некоторым перекрытием их вертикального распространения (зона Gonioteuthis quadrata gracilis/Belemnitella mucronata senior; Ernst et al., 1979; Schulz et al., 1984), а за подъярусную границу принимается уровень исчезновения рода Gonioteuthis (Christensen, 1997). По бентосным фораминиферам подошва европейского верхнего кампана проводится в основании зоны Gavelinella monterelensis–Gavelinella costulata с почти одновременным появлением Brotzenella monterelensis и C. voltzianus (Walaszczyk et al., 2016).
В североамериканской шкале кампан подразделяется на три подъяруса примерно равной продолжительности, которые начинаются по первому появлению эндемичных аммонитов Scaphites leei III Cobban, Baculites obtusus Meek и Didymoceras nebrascense (Meek et Hayden) соответственно (Cobban et al., 2006). Подошва аналогов североамериканского среднего кампана по аммонитам недавно была установлена в разрезе р. Северная Сосьва на восточном склоне Урала (Барабошкин и др., 2022), однако проследить ее на территории Восточно-Европейской платформы и южнее пока не удается.
При двучленном разделении подошва верхнего кампана примерно соответствует подошве зоны “Baculites sp. (smooth)” У. Коббана и др. (Cobban et al., 2006), что основано на распространении Scaphites hippocrepis III в обоих регионах (Kennedy, 2019; Ernst et al., 1979). При этом поздний кампан имеет существенно большую продолжительность, чем ранний. По иноцерамам это сопоставление представляется несколько иначе (Walaszczyk et al., 2016): основание североамериканского среднего кампана находится в пределах нижней части зоны “I.” azerbaydjanensis–vorhelmensis, что отвечает зоне Pachydiscus stobaei/Galeola papillosa basiplana–Galerites vulgaris/Galeola papillosa basiplana. Поэтому подошва зоны Baculites obtusus должна соответствовать основанию европейской зоны stobaei/basiplana или более высокому уровню, т.е. она должна быть проведена несколько выше подошвы традиционного европейского верхнего кампана. По белемнитам корреляцию провести невозможно, а по бентосным фораминиферам эта граница в Европе совпадает с основанием зоны Gavelinella annae (Walaszczyk et al., 2016).
Положение подошвы североамериканского верхнего кампана в европейских разрезах может быть определено по иноцерамидам (Walaszczyk et al., 2016). Она располагается в верхней части зоны “Inoceramus” tenuilineatus, что соответствует средней части аммонитовой зоны Didymoceras donezianum. По бентосным фораминиферам эта граница должна проходить примерно в пределах зоны Bolivina incrassata–Globorotalites michelinianus.
В Общей стратиграфической шкале России кампанский ярус традиционно разделялся на два подъяруса (Стратиграфия…, 1986–1987). В ее действующем варианте нижний кампан начинается аммонитовой зоной Placenticeras bidorsatum, а верхний — зоной Hoplitoplacenticeras marroti (Олферьев, Алексеев, 2002). Эти формы, однако, не встречены ни на Русской плите, ни в разрезах на ее южном обрамлении. Границы зоны ПФ Globotruncanita elevata и зоны по наннопланктону Broinsonia parca, помещенных в ОСШ, также не совпадают с подъярусными границами кампана и, аналогично другим палеонтологическим границам, отличаются диахронностью.
Трехчленное разделение кампанского яруса ранее предлагалось для разрезов Мангышлака на основе бентосных фораминифер (Kopaevich et al., 1999) и для разрезов кампана Русской плиты на основе бентосных и планктонных фораминифер, диноцист и радиолярий (Александрова и др., 2012a, 2012б; Гужиков и др., 2017). К сожалению, это разделение почти никак не соотносится с трехчленным разделением кампана североамериканских разрезов, а ссылка на их привязку к “Секвентной стратиграфии позднего мела Западной Европы” в работе (Наrdenbol et al., 1998) в действительности переадресует нас именно к североамериканскому разделению, обозначенному как “неформальное”. Представления авторов (Александрова и др., 2012б) о трехчленном делении кампана по белемнитам на нижний (“этап” Belemnitella mucronata alpha (s.l.)), средний (B. mucronata mucronata) и верхний (B. langei (s.l.)) кампан также не совсем точное, принимая во внимание зону Belemnella licharewi и то, что граница кампана и маастрихта проводится теперь на Русской плите внутри зоны Belemnella lanceolata (Барабошкин и др., 2019). Зональные виды-индексы бентосных фораминифер для установления трех ярусов кампана предлагались разные (сравни Kopaevich et al., 1999 и Александрова и др., 2012а, 2021б), а стратоны на базе планктонных фораминифер, диноцист и радиолярий в разрезах на территории Поволжья пока выделены только в ранге слоев с фауной (Александрова и др., 2012а, 2012б).
Предложение о выделении в кампане трех подъярусов обсуждалось на совещании по совершенствованию ОСШ (Барабошкин и др., 2013), что нашло свое развитие в небольшой статье В.Б. Сельцера и В.Н. Беньямовского (2014). В ней, помимо трехчленного деления кампана на основе БФ, предлагалось его разделение по встречающимся на Русской плите аммонитам, увязанное с границами белемнитовых зон этого региона. Нижнюю границу среднего кампана предлагалось проводить в подошве зон Hoplitoplacenticeras coesfeldiense и Belemnitella mucronata, а нижнюю границу верхнего кампана — по подошве зон Didymoceras donezianum и Belemnitella langei. При этом подошва и кровля кампана по аммонитам авторами не были обозначены, а по белемнитам совпадали с принятыми для ВЕП границами — подошвой зоны Belemnitella praecursor mucronatiformis и кровлей зоны Belemnella licharewi соответственно (Олферьев, Алексеев, 2005). Это предложение лишь частично отвечает представлениям о корреляции одноименных (и эквивалентных) зон и границ кампана Северной Европы и Северной Америки (Наrdenbol et al., 1998; Walaszczyk et al., 2016), что, впрочем, признавали и сами авторы (Сельцер, Беньямовский, 2014).
Перечисленные проблемы заставляют пока с осторожностью относиться к предложениям о трехчленном разделении кампанского яруса, хотя и заслуживают внимания и дальнейшего анализа.
Полученные нами результаты (Гужиков и др., 2021а, 2021б и настоящая статья) позволяют несколько иначе подойти к подъярусному делению кампана. Как было обозначено в начале статьи, мы (1) придерживаемся здесь традиционного двучленного разделения кампанского яруса и (2) поддерживаем предложения рабочей группы по границе сантона и кампана о проведении подошвы кампана по основанию магнитного хрона, практически совпадающего с положением изотопной аномалии SCBE (Gale et al., 2023). В такой трактовке граница сантона и кампана является глобальной и изохронной для разнофациальных (включая морские и континентальные) отложений в силу природы магнитного поля. Поэтому ее принятие вносит больше определенности в межрегиональную корреляцию границы сантонского и кампанского ярусов. Используя тот же самый подход, мы предлагаем проводить границу нижнего и верхнего подъярусов кампана по границе магнитных хронов C33r и C33n, что обсуждается ниже.
Корреляция пограничных отложений нижнего и верхнего кампана по палеомагнитным и изотопно-геохимическим данным
В настоящее время в кампанском интервале, отвечающем по стратиграфическому объему разрезам Кудрино-1 и Кудрино-2, выделяют до 10 изотопных событий (Jarvis et al., 2006; Thibault et al., 2016; Pearce et al., 2022). Наиболее крупными из них являются SCaBE (Santonian–Campanian Boundary Event), MCaE (Mid-Campanian Boundary Event) и LCaE (Late Campanian Boundary Event) (Pearce et al., 2022), аналоги которых установлены в изученных разрезах. Согласно (Thibault et al., 2016, fig. 8), изотопное событие на границе хронов C33r и C33n — это событие “Papillosa”, которое в разрезе Губбио отвечает максимальным значениям δ13С в кровле хрона прямой полярности C34n (рис. 17). По данным (Thibault et al., 2016), “Papillosa” прослеживается в разрезе Сифорд Хед в Англии, но приходится на интервал обратной полярности (согласно Montgomery et al., 1998), отождествление которого с хроном 33r в работе (Gale et al., 2023) признается недостаточно обоснованным. На наш взгляд, идентификация изотопного события “Papillosa” в разрезе Сифорд Хед не менее спорная, поскольку сведения о положении границы хронов C33r и C33n для него отсутствуют.
Рис. 17. Палеомагнитная и изотопно-геохимическая корреляция разреза и биособытий Кудрино-1 с разрезами Губбио (Боттачионе) (по Thibault et al., 2016, с изменениями), Сифорд Хед (по Thibault et al., 2016; Jarvis et al., 2023, с изменениями), Пуаньи (по Pearce et al., 2022; Robaszynski et al., 2005, с изменениями), Транч и Лагердорф (по Pearce et al., 2022, с изменениями). Сокращения. К разрезу Губбио: D.con. = Dicarinella concavata, Rc = Radotruncana calcarata. К разрезу Кудрино-1: B.p. = Bolivinoides pustulata, B. incr. = Bolivina incrassata, Bolivin. decorat. = Bolivinoides decorata, R. szajn. praecurs. = Reussella szajnochae praecursor; B.pt = Bolivinoides peterssoni. К разрезу Пуаньи: B.incr. = Bolivina incrassata. К разрезу Лагердорф: s/gr = Uintacrinus westfalicus / Gonioteuthis granulata, M/gr = Marsupites testudinarius / Goniteuthis granulata, gq = Gonioteuthis granulataquadrata, li/q = Sphenoceramus lingua/ Gonioteuthis quadrataquadrata, pilula = Offaster pilula, pi/se = Offaster pilula/Galeola senonensis, senon = Galeola senonensis, papil = Galeola papillosa, co/gr = Echinocorys conica/Goniteuthis quadrata gracilis, gr = Goniteuthis quadrata gracilis, sc = Belemnitella mucronata senior, co/m = Echinocorys conica/Belemnitella mucronata, bas/spin = Galerites papillosa basiplana/ Trachyscaphites spiniger, vulgaris = Galerites vulgaris, polypl = Bostrychoceras polyplocum, langei = Belemnitella langei. Изотопные события, скоррелированные по данным (Thibault et al., 2016; Pearce et al., 2022): Langei, Laegerdorf, Pre-LCaE, Vulgaris, Basiplana, Trunch, Papillosa, Senonensis, Mid-Campanian Event. Изотопные события, скоррелированные в данной работе, с учетом корреляции (Thibault et al., 2016; Pearce et al., 2022): SCBE — сантон-кампанское, MCaE — середины кампана, LCaE — позднего кампана. Пунктир — корреляция на основе палеомагнитных данных
В разрезе Губбио событие “Papillosa” (по Thibault et al., 2016) расположено несколько ниже кровли зоны Globotruncanita elevat по ПФ. Кровля зоны G. elevata в разрезе Кудрино-1 находится в пачке XVII и в верхней части хрона C33r (т.е. ниже, чем в Губбио), а также в слоях с Bolivinoides pustulata по БФ, надстраивающих зону Pseudogavelinella clementiana clementiana и перекрываемых слоями с Bolivinoides decorata БФ. В разрезе Пуаньи во Франции граница нижнего и верхнего кампана и изотопное событие “MCaE” — Mid-Campanian event (Pearce et al., 2022) располагаются в зоне Bolivinoides decorata. Событие “Papillosa” в том же разрезе интерпретируется в середине зоны P. clementiana clementiana по БФ, то есть существенно ниже, чем в Кудрино-1. Даже если коррелировать уровень появления B. decorata в разрезах Кудрино-1 и Пуаньи, все равно ближайшим значимым изотопным событием будет MCaE, что подтверждается и положением уровня последнего присутствия диноцист Eatonicysta? mutabilireta в верхней части хрона C33r в разрезах Кудрино-1, Пуаньи и Транч (Pearce et al., 2020, 2022). Исходя из сказанного, мы считаем, что изотопный максимум “Papillosa” разреза Губбио (по Thibault et al., 2016) и MCaE разреза Пуаньи (Pearce et al., 2022) — это одно и то же событие. Граница нижнего и верхнего кампана при такой корреляции должна быть проведена существенно ниже, чем в (Thibault et al., 2016). Это подтверждается и сравнением положения MCaE в разрезе Губбио, где оно обозначено вблизи кровли зоны UC15а наннопланктона, т.е. относительно высоко в верхнем кампане (Thibault et al., 2016), и в разрезе Лагердорф, где это событие расположено выше кровли зоны UC15а.
Если следовать изотопной корреляции, предложенной в работе (Pearce et al., 2022), то событие MCaE, прослеживающееся в разрезе Транч, отвечает одноименному событию по (Thibault et al., 2016) и уровню последнего присутствия Gonioteuthis quadrata gracilis (Stolley) в разрезе Лагердорф, что выглядит вполне правдоподобно с учетом данных по польским разрезам и корреляций по бентосным фораминиферам (Walaszczyk et al., 2016). В разрезах Крыма находки Gonioteuthis крайне редки (Йолкичев, Найдин, 1999), а их точное положение в кампанской последовательности, к сожалению, неизвестно.
Еще один потенциальный уровень изотопной корреляции расположен в кровле изученного разреза (интервал VI, рис. 15). Он отвечает самым низким значениям δ13С и может быть сопоставлен с изотопным событием LCaE (Late Campanian Event). Хотя на схеме корреляции этот уровень приходится на слои с Bolivinoides peterssoni (БФК-9), он попадает в интервал, где продолжают совместно встречаться B. monterelensis и B. decorata, аналогично разрезу Пуаньи, в котором зона Brotzenella monterelensis, ограниченная сверху по появлению “Bolivina” (=Coryphostoma) incrassata (Robaszinsky et al., 2005), имеет больший объем. Кроме того, последнее нахождение диноцист Palaeohystrichophora infusorioides и Exochosphaeridium? masureae в разрезах Пуаньи и Транч почти аналогично по отношению к изотопному уровню LCaE и приходится на его основание (Pearce et al., 2022). В разрезе Кудрино-1 это событие фиксируется по единичному уровню немного ниже основания негативного изотопного экскурса в интервале VI, что очень близко к таковому в упомянутых разрезах. К сожалению, этот негативный экскурс δ13С пока не подтвержден в других разрезах на территории Крыма, а учитывая, что он установлен на основании единственного образца, то, безусловно, нуждается в дополнительном обосновании.
Остальные менее выразительные изотопные экскурсы коррелировать достаточно проблематично и чревато ошибочными выводами, во всяком случае до получения надежных изотопных данных для полного разреза кампана Крыма.
Из проведенной корреляции (рис. 17) следует, что биостратиграфические события, если их сопоставлять с хорошо опознаваемыми изохронными уровнями, проведенными по смене магнитной полярности или изотопным экскурсам, являются в разной степени диахронными. Хотя это хорошо известно (Гужиков, Барабошкин, 2006; Гужиков и др., 2021б; Jarvis et al., 2023), первичными маркерами (“событиями”) для большинства меловых GSSP являются биостратиграфические (Kennedy et al., 2004, 2005; Walaszczyk et al., 2021 и др.). В этой связи мы предлагаем изменить подход к установлению границ ярусов и подъярусов и проводить их по наиболее заметным палеомагнитным или изотопным событиям, вблизи соответствующих биотических событий, по которым эти границы изначально и были намечены. Де-факто этот подход уже в какой-то мере реализован при выборе ряда меловых GSSP (например, Odin, Lamaurelle, 2001; Kennedy et al., 2005, 2017), в том смысле, что положение первичного биостратиграфического маркера находится вблизи или на уровне какого-либо изотопного события.
Предложения по проведению границы нижнего и верхнего кампана
Как уже отмечалось, граница нижнего и верхнего кампана в российской шкале принята в основании аммонитовой зоны Hoplitoplacenticeras marroti (Олферьев, Алексеев, 2003). Находки этого аммонита неизвестны на территории России и, более того, крайне редки в Европе, включая стратотипическую местность кампана (Kennedy, 1986). Несмотря на встречаемость вида в Европе (Франция, Испания, Португалия, Бельгия, Германия), в Израиле, Таджикистане, в США, Анголе и на Мадагаскаре трассировать подошву верхнего кампана по находкам Hoplitoplacenticeras marroti весьма затруднительно.
Из ядер аммонитов зоны Marroti (включая сам вид-индекс) типового района верхнего кампана Аквитании (департамент Арьеж) был изучен наннопланктон, показавший ее принадлежность к подзоне CC18B (Kennedy et al., 1992), отвечающей подзоне UC14c середины нижнего кампана (Burnett, 1998). Зона CC18 — это зона совместного распространения, устанавливаемая как интервал между появлением Broinsonia parca parca (Stradner) Bukry и исчезновением Marthasterites furcatus (Deflandre in Deflandre et Fert) Deflandre (Sissingh, 1977).
Сочетание находок Hoplitoplacenticeras spp. (но не H. marroti) и наннопланктона подзоны CC18с приводится для разреза Мезино-Лапшиновка в Поволжье (Олферьев и др., 2004). Хотя комплекс наннопланктона справедливо интерпретируется как раннекампанский, стоит отметить его общую бедность.
В крымских разрезах Кудрино-2 и Аксу-Дере подвид Broinsonia parca parca появляется уже в верхней части сантона, в интервале прямой полярности хрона C34n, где встречены представители Marsupites (Гужиков и др., 2021а, 2021б), а вид Marthasterites furcatus вообще не встречен. Таким образом, если использовать наннопланктон как косвенный критерий для прослеживания аммонитовой зоны Hoplitoplacenticeras marroti, мы зайдем в тупик, поскольку тогда в разрезах Кудрино и Аксу-Дере эта зона должна начинать кампан.
В работе (Олферьев, Алексеев, 2002), вслед за (Hardenbol et al., 1998), зона Marroti coпоставлена с зоной СС19 тетической шкалы по наннопланктону, относимой к “позднему раннему кампану” (Perch-Nielsen, 1985, p. 346). Согласно этой работе, верхний кампан начинается с зоны СС21 (Perch-Nielsen, 1985, p. 346), что отвечает середине верхнего кампана ОСШ (Олферьев, Алексеев, 2002).
Из сказанного понятно, что границы зон наннопланктона могут обладать значительной диахронностью и, к сожалению, их сложно использовать для определения подошвы нижнего кампана.
Важные сведения о находках Hoplitoplacenticeras marroti в нескольких метрах выше основания хрона нормальной полярности C33n приводятся для разреза Laño в Испании (Corral et al., 2016), что подтверждает близость подошвы этого хрона к подошве верхнего кампана. В разрезах Северной Испании появление Hoplitoplacenticeras marroti сопровождается находками морских ежей Offaster pilula (Küchler, 2000), однако в других регионах появление этих ежей (“событие Pilula”) происходит существенно раньше (рис. 17).
Hoplitoplacenticeras marroti были найдены в Техасе и Вайоминге (США) (Young, 1963; Cobban, Kennedy, 1992; Kennedy, Cobban, 2001 и др.). Находки из Вайоминга происходят из зоны Baculites obtusus среднего кампана североамериканской шкалы (Cobban, Kennedy, 1992, p. 445) и, согласно данным (Leahy, Lerbekmo, 1995), должны быть отнесены к средней части интервала обратной полярности C33r. В той же самой работе (Leahy, Lerbekmo, 1995, fig. 11) указывается, что смена полярности C33r/C33n происходит стратиграфически выше — в середине зоны Baculites asperiformis. На основе совместного нахождения Baculites obtusus и Hoplitoplacenticeras marroti кампанский ярус североамериканской шкалы был скоррелирован с европейской шкалой и разделен на две части (Cobban et al., 2006, 2008), а подъярусная граница была совмещена с подошвой зоны Baculites obtusus и датирована в 80.58 ± 0.55 млн лет назад.
Планктонные фораминиферы также не позволяют точно фиксировать положение подошвы верхнего кампана, если ее принимать в основании зоны Marroti. Согласно (Hardenbol et al., 1998; Олферьев, Алексеев, 2002), эта граница приходится на верхнюю часть зоны Globotruncanita elevata, но не совпадает с ее кровлей. При этом она попадает внутрь хрона обратной полярности C33r. В разрезе Губбио кровля зоны G. elevata проводится в нижней части хрона C33n (Coccioni, Premoli Silva, 2015), т.е. она моложе, чем в разрезах Центральной Европы (см. рис. 17). Разрез Кудрино-1 в таком случае ближе именно к центральноевропейским разрезам.
Про бентосные фораминиферы уже было сказано выше, в соответствующем разделе. Здесь можно добавить, что в разрезах Нидерландов (Robaszynski et al., 1985) граница подъярусов кампана проводится по появлению белемнитов Belemnitella mucronata и БФ Brotzenella monterelensis, правда, после небольшого перерыва и при отсутствии Hoplitoplacenticeras. В скважине Пуаньи в Парижском бассейне (Robaszynski et al., 2005; Pearce et al., 2022) эта же граница (в оригинале — граница между нижней и верхней частями кампана) намечена в подошве зоны Brotzenella monterelensis. В разрезах на Русской плите граница нижнего и верхнего кампана проводится вблизи основания или в основании зоны B. monterelensis (Олферьев, Алексеев, 2003, 2005; Олферьев и др., 2004; Беньямовский, 2008 и др.) и сопровождается появлением Belemnitella mucronata mucronata (v. Schlotheim), Belemnitella mucronata senior (Nowak), Hoplitoplacenticeras coesfeldiense и H. vari (Олферьев, Алексеев, 2005). Если обратиться к конкретным разрезам на ВЕП, то Belemnitella mucronata mucronata и B. mucronata senior указываются и из нижнего кампана (Олферьев и др., 2004, 2007а, 2007б). При этом надо отметить, что существование подвида Belemnitella mucronata senior вообще подвергается сомнению (Christensen, 1995).
В Крыму находки белемнитов редки, и в большинстве случаев их точная привязка неизвестна. В разрезе Кудрино-1, как уже было сказано, по появлению Brotzenella monterelensis биостратиграфически установлена подошва верхнего кампана, а B. mucronata по нашим данным появляется значительно выше (в Кудрино-3, см. описание разреза). Несмотря на то что белемниты широко применяются для деления кампана в Северной Европе (Ernst et al., 1979; Schulz et al., 1984; Christensen, 1995, 1997 и др.), использовать их в качестве надежного маркера подъярусной границы довольно сложно не только из-за диахронности их появления, но и из-за дискуссионности видовых признаков позднемеловых белемнитов и проблем идентификации.
Разрезов, в которых встречаются те или иные биостратиграфические маркеры, претендующие на использование для установления границы нижнего и верхнего кампана, довольно много, но, как следует даже из приведенной информации, все эти маркеры в разной степени диахронны. Поэтому мы предлагаем проводить границу нижнего и верхнего подъярусов кампана по изохронному уровню — границе магнитных хронов C33r и C33n. Этот уровень, расположенный между обр. 3169/52 и 3169/53 в разрезе Кудрино-1, лежит в пределах слоев с БФ Bolivinoides decorata (БФК-6) и слоев с Brotzenella monterelensis, Cibicides voltziana (БФК-7), находится на 0.5 м ниже начала изотопного события δ13С MCaE и на 2.4 м выше подошвы зоны Globotruncana ventricosa по ПФ, приходится на середину интервала с комплексом диноцист с Odontochitina porifera–Nelsoniella aceras (ДК-3) и занимает положение внутри интервала подзон UC14d–UC15d по наннопланктону. Очевидно, что разрез Кудрино-1 по комплексности обоснования может быть потенциальным кандидатом в лимитотипы границы нижнего и верхнего подъярусов кампана или, по крайней мере, дополнительным разрезом к лимитотипу.
В дальнейшем, если возникнет необходимость в более дробном разделении кампанского яруса, существует достаточное количество изохронных уровней и в более высокой части кампанской последовательности. К ним, в частности, относится негативный изотопный экскурс LCaE, который, возможно, присутствует и в разрезе Кудрино-1, или хрон C32r, пока не выявленный в кампане Крыма.
ВЫВОДЫ
Подводя итог, можно сделать следующие выводы.
- Получены новые данные по нижней части стратотипа кудринской свиты Кудрино-1, которые дополняют опубликованные ранее сведения по разрезам Кудрино-2 и Аксу-Дере (Гужиков и др., 2021а, 2021б). По своему комплексному охвату (аммониты, белемниты, иноцерамы, бентосные и планктонные фораминиферы, наннопланктон, диноцисты, жилианеллы, стабильные изотопы, палеомагнетизм и радиоизотопные датирование) они не уступают данным по наиболее хорошо изученным разрезам кампанского яруса — Губбио, Сифорд Хед, Пуаньи, Транч, Лагердорф, с которыми проведена корреляция. В дальнейшем результаты по разрезу Кудрино могут быть дополнены и детализированы.
- В разрезе установлен уровень границы нижнего и верхнего кампана ОСШ и европейской шкалы, подтверждаемый разными группами биоты и другими методами. Биостратиграфически наиболее убедительно этот уровень определяется по смене комплексов бентосных фораминифер и проводится по появлению Brotzenella monterelensis, аналогично разрезам, расположенным на Русской плите (Олферьев, Алексеев, 2003, 2005; Беньямовский, 2008 и др.), в Западной Европе (разрез Пуаньи) (Pearce et al., 2022; Robaszynski et al., 2005) и других регионах.
- Подошва слоев с Brotzenella monterelensis, Cibicides voltziana (БФК-7) в разрезе Кудрино-1 почти совпадает с границей магнитных хронов C33r и C33n и с началом изотопного события δ13С MCaE. Поэтому мы предлагаем проводить границу нижнего и верхнего подъярусов кампана по подошве магнитного хрона C33n. Сам разрез Кудрино-1 в случае принятия такого предложения можно рассматривать как лимитотип границы нижнего и верхнего кампана в ОСШ при его двучленном делении или как дополнительный к лимитотипу МСШ разрез.
- Палеомагнитная и изотопно-геохимическая корреляция позволила проследить и уточнить границу нижнего и верхнего кампана в других хорошо изученных разрезах и, в частности, исправить неточности изотопной корреляции с разрезом Губбио (Thibault et al., 2016). Стоит отметить, что, несмотря на все плюсы корреляции на основе изотопно-геохимических данных, в ряде случаев возникают заметные сложности в идентификации изотопных экскурсов. В этом смысле корреляция на основе палеомагнитных данных (при условии их хорошей сохранности) выглядит более однозначно, хотя, разумеется, и здесь могут быть проблемы. Использование не палеонтологических методов, наряду с биостратиграфическими, позволяет делать их взаимодополняющими и в целом повышает надежность корреляций, особенно в удаленных друг от друга регионах.
- Получены первые результаты U–Pb датирования цирконов из слоя киловых глин вблизи интервала находок важных биостратиграфических маркеров — аммонита Pachydiscus (Pachydiscus) launayi и иноцерамов, характеризующих нижнекампанскую зону Sphaeroceramus sarumensis–Cataceramus dariensis. Датировка относится примерно к средней части зоны БФ Bolivinoides pustulata (БФК-5) и диноцистового комплекса ДК-2, а также к пограничному интервалу зон Globotruncanita elevata и Globotruncana ventricosa ПФ. Средневзвешенное значение конкордантного возраста для двенадцати кристаллов циркона составило 77 ± 1 млн лет, при этом в большинстве кристаллов возраст варьирует от 77 до 80 млн лет, что дополнительно подтверждает раннекампанский возраст килового прослоя.
Благодарности. Авторы признательны А.Г. Маникину и Е.В. Наумову (СГУ) за участие в полевых работах, В.А. Грищенко (СГУ) за помощь в отборе образцов и лабораторных исследованиях, И. Валащику (Варшавский университет, Республика Польша) за определения иноцерамов, Н. Кетгену (Университет природных ресурсов и естественных наук, Австрия) за обсуждение находок белемнитов, Б.Г. Покровскому (ГИН РАН) за консультации по геохимии изотопов, А.М. Захаревичу (СГУ) за проведение съемки раковин БФ на сканирующем микроскопе.
Мы благодарим рецензентов за большую работу с рукописью, способствовавшую существенному улучшению статьи.
Источники финансирования. Исследование выполнено за счет гранта Российского научного фонда № 22-17-00091, https://rscf.ru/project/22-17-00091/.
About the authors
E. Yu. Baraboshkin
Moscow State University; Geological Institute, Russian Academy of Sciences
Author for correspondence.
Email: barabosh@geol.msu.ru
Russian Federation, Moscow; Moscow
A. Yu. Guzhikov
Saratov State University
Email: barabosh@geol.msu.ru
Russian Federation, Saratov
G. N. Aleksandrova
Moscow State University; Geological Institute, Russian Academy of Sciences
Email: barabosh@geol.msu.ru
Russian Federation, Moscow; Moscow
V. V. Akinin
North-Eastern Complex Research Institute, Far East Branch, Russian Academy of Sciences
Email: barabosh@geol.msu.ru
Russian Federation, Magadan
I. P. Ryabov
Saratov State University
Email: barabosh@geol.msu.ru
Russian Federation, Saratov
M. A. Ustinova
Moscow State University; Geological Institute, Russian Academy of Sciences
Email: barabosh@geol.msu.ru
Russian Federation, Moscow; Moscow
N. A. Rtischev
Moscow State University; Geological Institute, Russian Academy of Sciences
Email: barabosh@geol.msu.ru
Russian Federation, Moscow; Moscow
V. S. Vishnevskaya
Saratov State University
Email: barabosh@geol.msu.ru
Russian Federation, Saratov
References
- Александрова Г.Н., Беньямовский В.Н., Вишневская В.С., Застрожнов А.С. Новые данные по биостратиграфии верхнего мела Нижнего Поволжья // Стратиграфия. Геол. корреляция. 2012а. Т. 20. № 5. С. 25–64.
- Александрова Г.Н., Беньямовский В.Н., Вишневская В.С., Копаевич Л.Ф. К вопросу о среднем кампане и нижней границе маастрихта на Восточно-Европейской платформе // Меловая система России и ближнего зарубежья: проблемы стратиграфии и палеогеографии. Материалы VI Всеросс. совещ., Геленджик, 10–15 сентября 2012 г. Ред. Барабошкин Е.Ю., Барабошкин К.Е., Бондаренко Н.А. Краснодар: Изд-во Кубанского гос. ун-та, 2012б. С. 8–11.
- Алексеев А.С. Верхний мел // Геологическое строение Качинского поднятия Горного Крыма. Стратиграфия мезозоя. Ред. Мазарович О.А., Милеев В.С. М.: Изд-во Моск. ун-та, 1989. С. 123–157.
- Аркадьев В.В., Богданова Т.Н. (Ред.). Атлас меловой фауны Юго-Западного Крыма. СПб.: Пангея, 1997. 357 с.
- Барабошкин Е.Ю. Ихнокомплексы сантон-кампанских отложений (верхний мел) Юго-Западного Крыма // Меловая система России и ближнего зарубежья: проблемы стратиграфии и палеогеографии. Материалы X Всеросс. совещ., Магадан, 20–25 сентября 2020 г. Ред. Барабошкин Е.Ю., Гужиков А.Ю. Магадан: ОАО “МАОБТИ”, 2020. С. 24–27.
- Барабошкин Е.Ю. Первая находка Pachydiscus launayi (De Grossouvre) в нижнекампанских отложениях (верхний мел) Юго-Западного Крыма // Вестн. Моск. ун-та. Сер. 4. Геол. 2023. № 1. С. 31–34.
- Барабошкин Е.Ю., Аркадьев В.В., Беньямовский В.Н., Гужиков А.Ю., Копаевич Л.Ф., Яхт-Языкова Е.А. Стратиграфическая шкала мела России: состояние дел, основные проблемы, пути совершенствования // Общая стратиграфическая шкала России: состояние и перспективы обустройства. Сборник статей Всеросс. конф., Москва, 23–25 мая 2013 г. Ред. Федонкин М.А. М.: ГИН РАН, 2013. С. 289–297.
- Барабошкин Е.Ю., Беньямовский В.Н., Гужиков А.Ю., Александрова Г.Н., Первушов Е.М., Сельцер В.Б., Овечкина М.Н., Калякин Е.А., Копаевич Л.Ф., Гужикова А.А., Покровский Б.Г., Барабошкин Е.Е., Яковишина Е.В. Комплексное изучение пограничного интервала кампана/маастрихта в Поволжье (Россия) и на плато Актолагай (Западный Казахстан) Русской плиты // Проблемы геологии и расширение минерально-сырьевой базы стран Евразии. Материалы Международной научной конференции. Ред. Жолтаев Г.Ж. Алматы: ТОО “Институт геологических наук К.И. Сатпаева”, 2019. С. 69–79.
- Барабошкин Е.Ю., Гужиков А.Ю., Александрова Г.Н., Фомин В.А., Покровский Б.Г., Грищенко В.А., Маникин А.Г., Наумов Е.В. Новые седиментологические, магнитостратиграфические и биостратиграфические данные по разрезу кампана–маастрихта горы Бешкош, Юго-Западный Крым // Стратиграфия. Геол. корреляция. 2020. Т. 28. № 6. С. 125–170.
- Барабошкин Е.Ю., Маринов В.А., Семаков Н.Н., Мирзабаев Д.А., Барабошкина Т.А. Новые данные о кампанских отложениях р. Северная Сосьва (Северный Урал). Предварительные результаты // Меловая система России и ближнего зарубежья: проблемы стратиграфии и палеогеографии. Ред. Барабошкин Е.Ю. Материалы XI Всеросс. совещ., Томск, 19–24 сентября 2022 г. Томск: Изд-во Томского гос. ун-та, 2022. С. 45–49.
- Бахмутов В.Г. Палеовековые геомагнитные вариации. Киев: Наукова думка, 2006. 295 с.
- Беньямовский В.Н. Схема инфразонального биостратиграфического расчленения верхнего мела Восточно-Европейской провинции по бентосным фораминиферам. Статья 2. Сантон–маастрихт // Стратиграфия. Геол. корреляция. 2008. Т. 16. № 5. С. 62–74.
- Беньямовский В.Н., Копаевич Л.Ф. Детальная схема зонального деления кампана–маастрихта Европейской палеобиогеографической области // Стратиграфия. Геол. корреляция. 2001. Т. 9. № 6. С. 65–79.
- Вишневская В.С., Копаевич Л.Ф., Беньямовский В.Н., Овечкина М.Н. Корреляция верхнемеловых зональных схем Восточно-Европейской платформы по фораминиферам, радиоляриям и наннопланктону // Вестн. МГУ. Сер. геол. 2018. № 1. С. 26–35.
- Гужиков А.Ю. Геологическая информативность магнетизма керна и шлама осадочных пород, полученных при бурении разведочных скважин // Приборы и системы разведочной геофизики. 2013. № 4 (46). С. 51–61.
- Гужиков А.Ю., Барабошкин Е.Ю. Оценка диахронности биостратиграфических границ путем магнитохронологической калибровки зональных шкал нижнего мела тетического и бореального поясов // Докл. АН. 2006. Т. 409. № 3. С. 365–368.
- Гужиков А.Ю., Суринский А.М. Способ оценки скорости осадконакопления. Патент на изобретение № 2633659. Дата государственной регистрации в Государственном реестре изобретений РФ 16.10.2017.
- Гужиков А.Ю., Пименов М.В., Маленкина С.Ю., Маникин А.Г., Астаркин С.В. Результаты палеомагнитных, петромагнитных и терригенно-минералогических исследований верхнебатских–нижнекелловейских отложений разреза Просек (Нижегородская область) // Стратиграфия. Геол. корреляция. 2010. Т. 18. № 1. С. 45–66.
- Гужиков А.Ю., Барабошкин Е.Ю., Беньямовский В.Н., Вишневская В.С., Копаевич Л.Ф., Первушов Е.М., Гужикова А.А. Новые био- и магнитостратиграфические данные по кампанским–маастрихтским отложениям классического разреза Нижняя Банновка (юг Саратовского Правобережья) // Стратиграфия. Геол. корреляция. 2017. Т. 25. № 1. С. 24–61.
- Гужиков А.Ю., Александрова Г.Н., Барабошкин Е.Ю., Рябов И.П., Устинова М.А. Новые данные по био- и магнитостратиграфии пограничного интервала сантона–кампана ЮЗ Крыма // Меловая система России и ближнего зарубежья: проблемы стратиграфии и палеогеографии. Материалы X Всеросс. совещ., Магадан, 20–25 сентября 2020 г. Ред. Барабошкин Е.Ю., Гужиков А.Ю. Магадан: ОАО “МАОБТИ”, 2020. С. 76–80.
- Гужиков А.Ю., Барабошкин Е.Ю., Александрова Г.Н., Рябов И.П., Устинова М.А., Копаевич Л.Ф., Миранцев Г.В., Кузнецов А.Б., Фокин П.А., Косоруков В.Л. Био-, хемо- и магнитостратиграфия пограничного интервала сантона–кампана разрезов Кудрино и Аксу-Дере (Юго-Западный Крым): проблемы глобальной корреляции и выбора лимитотипа нижней границы кампанского яруса. Статья 1. Геологическое описание, седиментология, биостратиграфия // Стратиграфия. Геол. корреляция. 2021а. Т. 29. № 4. С. 71–117.
- Гужиков А.Ю., Барабошкин Е.Ю., Александрова Г.Н., Рябов И.П., Устинова М.А., Копаевич Л.Ф., Миранцев Г.В., Кузнецов А.Б., Фокин П.А., Косоруков В.Л. Био-, хемо- и магнитостратиграфия пограничного интервала сантона–кампана разрезов Кудрино и Аксу-Дере (Юго-Западный Крым): проблемы глобальной корреляции и выбора лимитотипа нижней границы кампанского яруса. Статья 2. Магнито- и хемостратиграфия, обсуждение данных // Стратиграфия. Геол. корреляция. 2021б. Т. 29. № 5. С. 27–58.
- Гужикова А.А. Первые магнитостратиграфические данные по маастрихту Горного Крыма (Бахчисарайский район) // Изв. Саратовского ун-та. Нов. сер. Сер.: Науки о Земле. 2019. Т. 18. Вып. 1. С. 41–49.
- Гужикова А.А., Рябов И.П., Копаевич Л.Ф. Новые палеомагнитные и микрофаунистические данные по турону-сантону разреза Аксу-Дере (ЮЗ Крым) // Меловая система России и ближнего зарубежья: проблемы стратиграфии и палеогеографии. Материалы X Всеросс. совещ., Магадан, 20–25 сентября 2020 г. Ред. Барабошкин Е.Ю., Гужиков А.Ю. Магадан: ОАО “МАОБТИ”, 2020. С. 24–27.
- Йолкичев Н.А., Найдин Д.П. Верхний мел северной Болгарии, Крыма и Мангышлака. Статья 2. Стратиграфия верхнего мела юго-западной части Горного Крыма // Бюлл. МОИП. Отд. геол. 1999. Т. 75. Вып. 5. С. 48–59.
- Копаевич Л.Ф. Зональная схема для верхнемеловых отложений Крымско-Кавказского региона по глоботрунканидам (планктонные фораминиферы) // Бюлл. МОИП. Отд. геол. 2010. Т. 85. Вып. 5. С. 40–52.
- Копаевич Л.Ф., Хотылев А.О. Стратиграфическое положение меловых вулканитов в Крыму и на Северном Кавказе // Вестн. МГУ. Сер. геол. 2014. № 6. С. 59–69.
- Лебедева Н.К. Биостратиграфия верхнемеловых отложений в бассейне на р. Уса (Полярное Предуралье) по диноцистам // Стратиграфия. Геол. корреляция. 2005. Т. 13. № 3. С. 114–131.
- Лебедева Н.К. Первая находка цист динофлагеллат в верхнемеловых отложениях Полярного Предуралья // Новости палеонтологии и стратиграфии. 2006. № 8. С. 107–123.
- Лебединский В.И., Кириченко Л.Н., Ладан А.Н. Новые данные о бентонитовых глинах Горного Крыма // Докл. АН СССР. 1974. Т. 218. № 6. С. 1442–1445.
- Маслакова Н.И. Крым // Атлас верхнемеловой фауны Северного Кавказа и Крыма. Ред. Москвин М.М. М.: Гостоптехиздат, 1959. С. 60–84.
- Маслакова Н.И. Зональная схема верхнего мела юга СССР по глоботрунканидам и методы ее разработки // Вопр. микропалеонтологии. 1977. Вып. 19. С. 77‒98.
- Матвеев A.В. Палеогеографический анализ распространения известкового наннопланктона в позднем мелу юга Украины // Вестн. Харьковского нац. ун-та. Сер. геол.–геогр.–экол. 2015. № 42 (1157). С. 31–36.
- Михайлов Н.П. Верхнемеловые аммониты юга Европейской части СССР и их значение для зональной стратиграфии (кампан, маастрихт) // Тр. ИГН. 1951. Вып. 129. Геол. сер. № 50. 142 с.
- Молостовский Э.А., Храмов А.Н. Магнитостратиграфия и ее значение в геологии. Саратов: Изд-во Саратовского ун-та, 1997. 180 с.
- Москвин М.М. Атлас верхнемеловой фауны Северного Кавказа и Крыма. М.: Гостоптехиздат, 1959. 503 с.
- Никишин А.М., Хотылев А.О., Бычков А.Ю., Копаевич Л.Ф., Петров Е.И., Япаскурт В.О. Меловые вулканические пояса и история формирования Черноморского бассейна // Вестн. МГУ. Сер. геол. 2013. № 3. С. 6–18.
- Олферьев А.Г., Алексеев А.С. Общая шкала верхнего отдела меловой системы // Стратиграфия. Геол. корреляция. 2002. Т. 10. № 3. С. 66–80.
- Олферьев А.Г., Алексеев А.С. Зональная стратиграфическая шкала верхнего мела Восточно-Европейской платформы // Стратиграфия. Геол. корреляция. 2003. Т. 11. № 2. С. 75–101.
- Олферьев А.Г., Алексеев А.С. Стратиграфическая схема верхнемеловых отложений Восточно-Европейской платформы. Объяснительная записка. М.: ПИН РАН, 2005. 203 с.
- Олферьев А.Г., Алексеев А.С., Беньямовский В.Н., Вишневская Г.С., Иванов А.В., Первушов Е.М., Сельцер В.Б., Харитонов В.М., Щербинина Е.А. Опорный разрез верхнего мела у села Мезино-Лапшиновка и проблемы границ сантона и кампана в Саратовском Поволжье // Стратиграфия. Геол. корреляция. 2004. Т. 12. № 6. С. 69–102.
- Олферьев А.Г., Беньямовский В.Н., Вишневская В.С., Иванов А.В., Копаевич Л.Ф., Первушов Е.М., Сельцер В.Б., Тесакова Е.М., Харитонов В.М., Щербинина Е.А. Верхнемеловые отложения СЗ Саратовской области. Статья 1. Разрез у д. Вишневое. Лито- и биостратиграфический анализ // Стратиграфия. Геол. корреляция. 2007а. Т. 15. № 6. С. 62–109.
- Олферьев А.Г., Беньямовский В.Н., Вишневская В.С., Иванов А.В., Копаевич Л.Ф., Овечкина М.Н., Первушов Е.М., Сельцер В.Б., Тесакова Е.М., Харитонов В.М., Щербинина Е.А. Верхнемеловые отложения СЗ Саратовской области. Статья 2. Проблемы хроностратиграфической корреляции и геологической истории региона // Стратиграфия. Геол. корреляция. 2007б. Т. 16. № 3. С. 47–74.
- Плотникова Л.Ф., Богаец А.Т., Бондаренко В.Г., Корбут Е.Б. Меловая система. Верхний отдел // Геология шельфа УССР. Стратиграфия (шельф и побережье Черного моря). Ред. Тесленко Ю.В. Киев: Наукова думка, 1984. C. 74–84.
- Покровский Б.Г., Буякайте М.И., Петров О.Л., Колесникова А.А. С-, О-, Sr- изотопная хемостратиграфия переходных толщ от венда (эдиакария) к кембрию на западном склоне Алданского щита (р. Олекма) // Стратиграфия. Геол. корреляция. 2020. Т. 28. № 5. С. 26–40.
- Сельцер В.Б., Беньямовский В.Н. Этапность эволюции головоногих моллюсков и бентосных фораминифер как основа деления кампана Восточно-Европейской платформы на три подъяруса // Диверсификация и этапность эволюции органического мира в свете палеонтологической летописи. Материалы LX сессии Палеонтологического о-ва при РАН. Ред. Богданова Т.Н. СПб.: Палеонт. о-во при РАН, 2014. С. 117–120.
- Стратиграфия СССР. Меловая система. Ред. Москвин М.М. М.: Недра, 1986–1987. Полутом I. 340 с.; Полутом II. 326 с.
- Храмов А.Н., Шолпо Л.Е. Палеомагнетизм. Принципы, методы и геологические приложения палеомагнитологии. Л.: Недра, 1967. 251 с.
- Шуменко С.И., Стеценко В.П. Известковые наннофоссилии в верхнемеловых отложениях Крыма // Бюлл. МОИП. Отд. геол. 1978. Т. 53. Вып. 1. С. 130–137.
- agico.com — AGICO (Advanced Geoscience Instruments Company) [Электронный ресурс]. https://www.agico.com/text/software/anisoft/anisoft.php
- Alekseev A.S., Kopaevich L.F. Foraminiferal biostratigraphy of the uppermost Campanian–Maastrichtian in SW Crimea (Bakhchisaray and Chakhmakhly sections) // Bull. l’Institut Royal des Sciences Naturelles de Belgique, Sciences de la Terre. 1997. V. 67. P. 103–118.
- Bison K.-M., Wendler J., Versteegh G.J.M., Willems H. Tetratropis terrina sp. nov., a new calcareous dinoflagellate cyst from the Upper Campanian polyplocum zone of Lägerdorf (NW Germany) // J. Micropalaeontol. 2004. V. 23. P. 127–132.
- Black L.P., Kamo S.L., Allen C.M., Davis D.W., Aleinikoff J.N., Valley J.W., Mundil R., Campbell I.H., Korsch R.J., Williams I.S., Foudoulis C. Improved 206Pb/238U microprobe geochronology by the monitoring of a trace-element-related matrix effect; SHRIMP, ID-TIMS, ELA-ICP-MS and oxygen isotope documentation for a series of zircon standards // Chem. Geol. 2004. V. 205. P. 115–140.
- Błaszkiewicz A. Campanian and Maastrichtian ammonites of the Middle Vistula River valley, Poland: a stratigraphic and paleontological study // Prace Inst. 1980. Geol. V. 92. 63 p.
- Bown P.R., Young J.R. Techniques // Calcareous nannofossil biostratigraphy (British Micropalaeontol. Soc. Ser.). Ed. Bown P.R. London: Chapman and Hall, 1998. P. 16–28.
- Bromley R.G. A stratigraphy of marine bioerosion // The Application of Ichnology to Palaeoenvironmental and Stratigraphic Analysis. Ed. McIlroy D. Geol. Soc. London Spec. Publ. 2004. V. 228. P. 455–481.
- Burnett J. Upper Cretaceous // Calcareous Nannofossil Biostratigraphy. Ed. Bown P.R. London: Chapman and Hall/Kluwer Academic Publ., 1998. P. 132–199.
- Chadima M., Hrouda F. Remasoft 3.0 a user-friendly paleomagnetic data browser and analyzer // Travaux Géophysiques. 2006. V. XXVII. P. 20–21.
- Christensen W.K. Upper Cretaceous belemnites from the Vomb Trough in Scania, Sweden // Sveriges Geologiska Undersökning, Ser. Ca. 1986. № 57. P. 1–57.
- Christensen W.K. Belemnitella from the Upper Campanian and Lower Maastrichtian Chalk of Norfolk, England // Spec. Pap. Palaeontol. 1995. V. 51. 84 p.
- Christensen W.K. Palaeobiogeography and migration in the Late Cretaceous belemnite family Belemnitellidae // Acta Palaeontol. Polon. 1997. V. 42. № 4. P. 457–495.
- Christensen W.K. Upper Campanian and Lower Maastrichtian belemnites from the Mons Basin, Belgium // Bull. l’Institut Royal des Sciences Naturelles de Belgique, Sciences de la Terre. 1999. V. 69. P. 97–131.
- Cobban W.A., Kennedy W.J. Campanian Ammonites from the Upper Cretaceous Gober Chalk of Lamar County, Texas // J. Paleont. 1992. V. 66. № 3. P. 440–454.
- Cobban W.A., Walaszczyk I., Obradovich J.D., Mckinney K.C. A USGS Zonal table for the Upper Cretaceous middle Cenomanian–Maastrichtian of the Western Interior of the United States based on ammonites, inoceramids, and radiometric ages // U. S. Geol. Surv. Open-File Report 2006–1250, 2006. 46 p.
- Cobban W.A., Hook S.C., McKinney K.C. Upper Cretaceous molluscan record along a transect from Virden, New Mexico, to Del Rio, Texas // New Mexico Geol. 2008. V. 30. № 3. P. 75–92.
- Coccioni R., Premoli Silva I. Revised Upper Albian–Maastrichtian planktonic foraminiferal biostratigraphy and magnetostratigraphy of the classical Tethyan Gubbio section (Italy) // Newslett. Stratigr. 2015. V. 48/1. P. 47–90.
- Corral J.-C., Pueyo E.L., Berreteaga A., Rodríguez-Pintó A., Sánchez E., Pereda-Suberbiola X. Magnetostratigraphy and lithostratigraphy of the Laño vertebrate-site: implications in the uppermost Cretaceous chronostratigraphy of the Basque-Cantabrian Region // Cretaceous Res. 2016. V. 57. P. 473–489.
- De Grossouvre A. Recherches sur la craie supérieure. 1: Stratigraphie Générale. Mé´moires pour servir à l’explication de la carte géologique détaillée de la France. Paris: Imprimerie Nationale, 1901. 1013 p.
- Debiche M.G., Watson G.S. Confidence limits and bias correction for estimating angles between directions with applications to paleomagnetism // J. Geophys. Res. 1995. V. 100. № B12. P. 24405–24430.
- Dunlop D. Theory and application of the Day plot (Mrs/Ms versus Hcr/Hc) 1. Theoretical curves and tests using titanomagnetite data // J. Geophys. Res. 2002. V. 107. № B3. 2056. https://doi.org/10.1029/2001JB000487
- Ernst G., Schmid F., Klischies G. Multistratigraphische Untersuchungen in der Oberkreide des Raumes Braunschweig-Hannover // Aspekte der Kreide Europas. Ed. Wiedmann J. IUGS Ser. A. 1979. V. 6. S. 11–46.
- Farouk S., Jain S., Faris M., Elarmi Z., Ahmad F. Campanian carbon isotope calibrated paleofertility estimates from north western Tunisia: inferences from calcareous nannofossils // Marine Micropaleont. 2019. V. 148. P. 78–102. https://doi.org/10.1016/j.macmicro.2019.03.009
- Flügel E. Microfacies Analysis of Limestones. Analysis, Interpretation and Application. Berlin: Springer, 2010. 894 p.
- Gale A.S., Batenburg S., Coccioni R., Dubicka Z., Erba E., Falzoni F., Haggart J., Hasegawa T., Ifrim Ch., Jarvis I., Jenkyns H., Jurowska A., Kennedy J.W., Maron M., Muttoni G., Pearce M., Petrizzo M.R., Premoli-Silva I., Thibault N., Voigt S., Wagreich M., Walaszczyk I. The Global Boundary Stratotype Section and Point (GSSP) of the Campanian Stage at Bottaccione (Gubbio, Italy) and its Auxiliary Sections: Seaford Head (UK), Bocieniec (Poland), Postalm (Austria), Smoky Hill, Kansas (U.S.A), Tepayac (Mexico) // Episodes. 2023. № 2. https://doi.org/10.18814/epiiugs/2022/022048
- Gawor-Biedowa E. Campanian and Maastrichtian foraminifera from the Lublin Upland, eastern Poland // Palaeont. Polon. 1992. V. 52. 187 p.
- Georgescu M.D. Upper Cretaceous planktic foraminiferal biostratigraphy // Studia UBB Geologia. 2017. V. 61. P. 5–20.
- Georgescu M.D. Monographic study of the Late Cretaceous representatives of the bolivinoidid benthic foraminifera // Studia UBB Geologia. 2018. V. 62. № 1. P. 5–57.
- Gradstein F.M., Ogg J.G., Schmitz M.D., Ogg G.M. (Eds.). The Geologic Time Scale 2012. V. 1–2. Amsterdam: Elsevier, 2012. 1144 p.
- Gradstein F.M., Ogg J.G., Schmitz M.B., Ogg G.M. (Eds.). Geologic Time Scale 2020. Vol. 2. Amsterdam, Oxford, Cambridge: Elsevier, 2020. 1357 p.
- Hancock J.M., Gale A.S. (Coord.). The Campanian Stage // Proc. Second Int. Sympos. on Cretaceous Stage Boundaries, Brussels, September 8–16, 1995. Eds. Rawson P.F., Dhondt A.V., Hancock J.M., Kennedy W.J. Bull. l’Institut Royal des Sciences Naturelles de Belgique, Sciences de la Terre. 1996. 66-Suppl. P. 103–109.
- Hardenbol J., Thierry J., Farley M.B., Jacquin T., de Graciansky P.C., Vail P. Mesozoic and Cenozoic sequence chronostratigraphic framework of European basins // SEPM Spec. Publ. 1998. № 60. Charts 1, 4.
- Hart M.B., Bailey H.W., Crittenden S., Fletcher B.N., Price R.J., Swiecicki A. Cretaceous // Stratigraphical Atlas of Fossil Foraminifera. 2nd Edition. Eds. Jenkins D.G., Murray J.W. New York/Chichester: John Wiley & Sons, 1989. P. 273–371.
- Hayward B.W., Le Coze F., Vachard D., Gross O. World Foraminifera Database. 2022. Accessed at https://www.marinespecies.org/foraminifera on 2022–08–08. https://doi.org/10.14284/305
- Jagt J.W.M., Walaszczyk I., Yazykova E.A., Zatoń M. Linking southern Poland and Northern Germany: Campanian cephalopods, inoceramid bivalves and echinoids // Acta Geol. Polon. 2004. V. 54. P. 573–586.
- Jarvis I., Mabrouk A., Moody R.T.J., de Cabrera S. Late Cretaceous (Campanian) carbon isotope events, sealevel change and correlation of the Tethys and Boreal realms // Palaeogeogr. Palaeoclimatol. Palaeoecol. 2002. V. 188. P. 215–248.
- Jarvis I., Gale A.S., Jenkyns H.C., Pearce M. Secular variations in Late Cretaceous carbon isotopes: a new 13С carbonate reference curve for the Cenomanian–Campanian (99.6–70.6 Ma) // Geol. Mag. 2006. V. 143. P. 561–608.
- Jarvis I., Pearce M.A., Monkenbusch J., Jurkowska A., Ullmann C.V., Dubicka Z., Thibault N. Carbon isotopes, palynology and stratigraphy of the Santonian–Campanian boundary: The GSSP auxiliary sections, Seaford Head (England) and Bocieniec (Poland), and correlation between the Boreal and Tethyan realms // Cretaceous Res. 2023. V. 143. P. 105415.
- Jenkyns H.C., Gale A.S., Corfield R.M. Carbon and oxygen isotope stratigraphy of the English chalk and Italian Scaglia and its paleoclimatic significance // Geol. Mag. 1994. V. 131. P. 1–34.
- Karpuk M.S., Shcherbinina E.A., Brovina E.A., Aleksandrova G.N., Guzhikov A. Yu., Shchepetova E.V., Tesakova E.M. Integrated stratigraphy of the Upper Barremian–Aptian sediments from the south-eastern Crimea // Geol. Carpathica. 2018. V. 69. № 5. P. 498–511.
- Kennedy W.J. Campanian and Maastrichtian ammonites from northern Aquitaine, France // Spec. Pap. Palaeontol. 1986. V. 36. 145 p.
- Kennedy W.J. The Ammonoidea of the Upper Chalk. Part 1 // Palaeontogr. Soc. Monographs. 2019. V. 173. 112 p.
- Kennedy W.J., Cobban W.A. Campanian (Late Cretaceous) ammonites from the upper part of the Anacacho limestone in South-Central Texas // Acta Geol. Polon. 2001. V. 51. № 1. P. 15–30.
- Kennedy W.J., Hansotte M., Bilotte M., Burnett J.A. Ammonites and nannofossils from the Campanian of Nalzen (Ariège, France) // Géobios. 1992. V. 25. P. 263–278.
- Kennedy W.J., Gale A.S., Lees J.A., Caron M. The Global Boundary Stratotype Section and Point (GSSP) for the base of the Cenomanian Stage, Mont Risou, Hautes-Alpes, France // Episodes. 2004. V. 27. № 1. P. 21–32.
- Kennedy W.J., Walaszczyk I., Cobban W.A. The Global boundary Stratotype Section and Point for the base of the Turonian Stage of the Cretaceous: Pueblo, Colorado, U.S.A. // Episodes. 2005. V. 28. № 2. P. 93–104.
- Kennedy W.J., Gale A.S., Huber B.T., Petrizzo M.R., Bown P., Jenkyns H.C. The Global Boundary Stratotype Section and Point (GSSP) for the base of the Albian Stage, of the Cretaceous, the Col de Pré-Guittard section, Arnayon, Drôme, France // Episodes. 2017. V. 40. № 3. P. 177–188.
- Keutgen N. The belemnite zonation of the uppermost Cretaceous in the Maastricht-Aachen-Liège, Brabant-Méhaigne and Mons areas (Belgium, southeast Netherlands) // Netherlands J. Geosciences. 2011. V. 90. № 2/3. P. 165–178.
- King C., Bailey H.W., Burton C.A., King A.D. Cretaceous of the North Sea // Stratigraphical Atlas of Fossil Foraminifera. 2nd Edition. Eds. Jenkins D.G., Murray J.W. New York/Chichester: John Wiley & Sons, 1989. P. 372–417.
- Kirsch K.-H. Dinoflagellatenzysten aus der Oberkreide des Helvetikums und Nordultrahelvetikums von Oberbayern // Munchener Geowiss. Abh. Reihe A Geol. Paläeont. 1991. V. 22. P. 1–306.
- Koch W. Stratigraphie der Oberkreide in Nordwestdeutchland (Pompeckjsche Scholle). Teil 2. Biostratigraphie in der Oberkreide und Taxonomie von Foraminiferen // Geol. Jahrb. 1977. A. 38. P. 11–123.
- Kopaevich L.F., Vishnevskaya V.S. Cenomanian–Campanian (Late Cretaceous) planktonic assemblages of the Crimea-Caucasus area: palaeoceanography, palaeoclimate and sea level changes // Palaeogeogr. Palaeoclimatol. Palaeoecol. 2016. Spec. Iss. V. 441. P. 493–515.
- Kopaevich L.F., Alekseev A.S., Baraboshkin E.Yu., Beniamovskii V.N. Cretaceous sedimentary units of Mangyshlak peninsula (Western Kazakhstan) // Geodivers. 1999. V. 21. № 3. P. 407–418.
- Küchler T. Upper Cretaceous of the Barranca (Navarra, northern Spain); integrated litho-, bio- and event stratigraphy. Part II: Campanian and Maastrichtian // Acta Geol. Polon. 2000. V. 50. № 4. P. 441–499.
- Leahy G.D., Lerbekmo J.F. Macrofossil magnetobiostratigraphy for the upper Santonian–lower Campanian interval in the Western Interior of North America: comparisons with European stage boundaries and planctonic foraminiferal zonal boundaries // Can. J. Earth Sci. 1995. V. 32. P. 247–260.
- Lebedeva N.K. Dinocyst biostratigraphy of the Upper Cretaceous of Northern Siberia // Paleont. J. 2006. V. 40. Suppl. 5. P. S604–S621.
- Loeblich A.R., Tappan H. Foraminiferal genera and their classification. New York: Van Nostrand Reinhold, 1987. 2031 p.
- Loeblich A.R., Tappan H. Present status of foraminiferal classification // Studies in Benthic foraminifera. Proc. of the Fourth Symposium on benthic foraminifera, Sendai, 1990. Eds. Takayanagi Y., Saito T. Tokyo: Tokai University Press, 1992. P. 93–102.
- Ludwig K.R. User’s Manual for Isoplot Version 3.75–4.15: a Geochronological Toolkit for Microsoft Excel // Berkeley Geochronological Center Spec. Publ. 2012. V. 5. P. 1–75.
- Magniez-Jannin F. Cretaceous stratigraphic scales based on benthic foraminifera in West Europe (biochronohorizons) // Bull. Soc. Geol. France. 1995. № 166. P. 565–572.
- Mandur M.M.M. Late Cretaceous nannofossil biostratigraphy and paleoecology in the NorthWestern Desert, Egypt // Arabian J. for Science and Engineering. 2016. V. 41. № 6. P. 2271–2284.
- Montgomery P., Hailwood E.A., Gale A.S., Burnett J.A. The magnetostratigraphy of Coniacian-Late Campanian chalk sequences in southern England // Earth Planet. Sci. Lett. 1998. V. 156. P. 209–224.
- Nøhr-Hansen H. Upper Cretaceous dinoflagellate cyst stratigraphy, onshore West Greenland // Bull. Grønlands Geol. Undersøgelse. 1996. V. 170. 104 p.
- Nøhr-Hansen H., Piasecki S., Alsen P.A. Cretaceous dinoflagellate cyst zonation for NE Greenland // Geol. Mag. 2019. https://doi.org/10.1017/S0016756819001043
- Odin G.S. Description et illustration de quarante-quatre gilianelles (microproblematica) et dix autres microproblematica du Cretacé de la section stratotypique de Tercis (limite Campanien–Maastrichtien), Sud-Ouest France // Notebooks on Geology. Mem. 82. 2008a. http://paleopolis.rediris.es/cg/CG2008–M01/
- Odin G.S. Biostratigraphie de Radotruncana calcarata (foraminifere), des gilianelles et autres microproblematica dans le Campanien–Maastrichtien du domaine péri-pyrénéen occidental // Comptes Rendus Palevol. 2008b. № 7. P. 195–203.
- Odin G.S. Description de nouvelles Gilianelles (microproblematica) et de leurs expansions; identité, classification, évolution, distribution, biologie au Cretacé Supérieur // Revue de Paleobiol. 2009. V. 28. P. 175–209. URL: http://www.ville-ge.ch/mhng/paleo/paleo-pdf/28–1/pal-28–1–10.pdf.
- Odin G.S. Gilianelles: Late Cretaceous microproblematica from Europe and Central America // Palaeontology. 2011. V. 54. Pt. 1. P. 133–144.
- Odin G.S., Lamaurelle M.A. The global Campanian–Maastrichtian stage boundary // Episodes. 2001. V. 24. № 4. P. 229–238.
- Ogg J.G., Agterberg F.P., Gradstein F.M. The Cretaceous Period // The Geologic Time Scale 2004. Eds. Gradstein F.M., Ogg J.G., Smith A.G. Cambridge: Cambridge Univ. Press, 2004. P. 344–383.
- Ovechkina M.N., Alekseev A.S. Quantitative changes of calcareous nannoflora in the Saratov region (Russian Platform) during the late Maastrichtian warming event // J. Iberian Geol. 2004. V. 31. P. 149–165.
- Ovechkina M.N., Kopaevich L.F., Aleksandrova G.N., Proshina P.A., Ryabov I.A., Baraboshkin E. Yu., Guzhikov A. Yu., Mostovski M.B. Calcareous nannofossils and other proxies define the Santonian–Campanian boundary in the Central Crimean Mountains (Alan-Kyr section) // Cretaceous Res. 2021. V. 119. 104706.
- Pearce M.A. New genera and species of organic-walled dinoflagellate cysts from the Cenomanian to lower Campanian of the Trunch borehole, southeast England // J. Micropalaeontol. 2010. V. 29. P. 51–72.
- Pearce M.A., Jarvis I., Ball P.J., Laurin J. Palynology of the Cenomanian to lowermost Campanian (Upper Cretaceous) Chalk of the Trunch Borehole (Norfolk, UK) and a new dinoflagellate cyst bioevent stratigraphy for NW Europe // Rev. Palaeobot. Palynol. 2020. https://doi.org/10.1016/j.revpalbo.2020.104188
- Pearce M.A., Jarvis I., Monkenbusch J., Thibault N., Ullmann C.V., Martinez M. Coniacian–Campanian palynology, carbon isotopes and clay mineralogy of the Poigny borehole (Paris Basin) and its correlation in NW Europe // Comptes Rendus. Geoscience — Sciences de la Planete. 2022. V. 354. Spec. Iss. S3. P. 45–65.
- Perch-Nielsen K. Mezozoic calcareous nannofossils // Plankton Stratigraphy. Ed. Bolli H.M., Saunders J.B., Perch-Nielsen K. Cambridge: Cambridge Univ. Press, 1985. P. 329–426.
- Peryt D. Planktic Foraminifera zonation of the Upper Cretaceous in the Middle Vistula River valIey, Poland // Palaeont. Polon. 1980. V. 41. P. 3–101.
- Petrizzo M.R., Falzoni F., Premoli Silva I. Identification of the base of the lower-to-middle Campanian Globotruncana ventricosa Zone: comments on reliability and global correlations // Cretaceous Res. 2011. V. 32. № 3. P. 387–405.
- Radmacher W., Perez-Rodríguez I., Arz J.A., Pearce M.A. Dinoflagellate biostratigraphy at the Campanian–Maastrichtian boundary in Zumaia, northern Spain // Cretaceous Res. 2014. V. 51. P. 309–320.
- Radmacher W., Mangerud G., Tyszka J. Dinoflagellate cyst biostratigraphy of Upper Cretaceous strata from two wells in the Norwegian Sea // Rev. Palaeobot. Palynol. 2015. V. 216. P. 18–32.
- Remin Z. The Belemnella stratigraphy of the Campanian–Maastrichtian boundary; a new methodological and taxonomic approach // Acta Geol. Polon. 2012. V. 62. P. 495–533.
- Remin Z. The Belemnitella stratigraphy of the Upper Campanian–basal Maastrichtian of the Middle Vistula section, central Poland // Geol. Quart. 2015. V. 59. P. 783–813.
- Robaszynski F., Caron M. Foraminifères planctoniques du Cretacé: commentaire de la zonation Europe-Meditérranée // Bull. Soc. geol. France. 1995. V. 166. № 6. P. 681–692.
- Robaszynski F., Bless M.J.M., Felder P.J., Foucher J.-C., Legoux O., Manivit H., Meessen J.P.M. Th., Van Der Tuuk L.A. The Campanian–Maastrichtian boundary in the chalky facies close to the type-Maastrichtian аrеа // Bull. Centres Rech. Explor.–Prod. Elf-Aquitaine. 1985. V. 9/1. 113 p.
- Robaszynski F., Pomerol B., Masure E., Bellier J.-P., Deconinck J.-F. Stratigraphy and stage boundaries in reference sections of the Upper Cretaceous Chalk in the east of the Paris Basin: the “Craie 700” Provins boreholes // Cretaceous Res. 2005. V. 26. № 2. P. 157–169.
- Sanjary S., Hadavi F., Notghi-Moghaddam M., Allameh M. Calcareous nannofossils from chalky limestone interval of the Abderas formation in the Kopet Dagh range, NE Iran // Iranian J. Earth Sci. 2019. V. 11. P. 47–55.
- Schönfeld J. Zur Stratigraphie und Őkologie benthischer Foraminiferen im Schreibkreide-Richtprofil von Lägerdorf/Holstein // Geol. Jb. (A). 1990. V. 117. P. 3–151.
- Schulz M.-G., Ernst G., Ernst H., Schmid F. Coniacian to Maastrichtian stage boundaries in the standard section of the Upper Cretaceous White Chalk of NW Germany (Lägerdorf-Kronsmoor-Hemmoor): definition and proposals // Bull. Geol. Soc. Denmark. 1984. V. 33. P. 203–215.
- Siegl-Farkas Á. Dinoflagellate stratigraphy of the Senonian formations of the Transdanubian Range // Acta Geol. Hungarica. 1997. V. 40/1. P. 73–100.
- Siegl-Farkas Á., Wagreich M. Correlation of palyno- (spores, pollen, dinoflagellates) and calcareous nannofossil zones in the Late Cretaceous of the Northern Calcareous Alps (Austria) and the Transdanubian Central Range (Hungary) // Advances in Austrian-Hungarian Joint Geological Research. 1000 years Austria & 1100 years Hungary. Budapest: MÁFI (Geological Institute of Hungary), 1996. P. 127–135.
- Sissingh W. Biostratigraphy of Cretaceous calcareous nannoplankton // Geologie en Mijnbouw. 1977. V. 56. P. 37–65.
- Slimani H. Les kystes de dinoflagellés du Campanien au Danien dans la région de Maastricht (Belgique, Pays-Bas) et de Turnhout (Belgique): biozonation et correlation avec d’autres régions en Europe occidentale // Geol. Palaeontol. 2001. V. 35. P. 161–201.
- Slimani H., Louwye S., Dusar M., Lagrou D. Connecting the Chalk group of the Campine Basin to the dinoflagellate cyst biostratigraphy of the Campanian to Danian in Borehole Meer (northern Belgium) // Netherlands J. Geosci. 2011. № 90. P. 129–164.
- Swiecicki A. A foraminiferal biostratigraphy of the Campanian and Maastrichtian chalks of the United Kingdom. Unpublished C. N.A.A PhD Thesis. Plymouth Polytechnic University, 1980. V. 1. 358 p.; V. 2. 156 p.
- Tappan H. The Paleobiologi of Plant Protist. San Francisco: Freeman, 1980. 1028 p.
- Thibault N., Jarvis I., Voigt S., Gale A.S., Attree K., Jenkyns H.C. Astronomical calibration and global correlation of the Santonian (Cretaceous) based on the marine carbon isotope record // Paleoceanography. 2016. V. 31. P. 847–865.
- Versteegh G.J.M., Servais T., Streng M., Munneckes A., Vachard D. A discussion and proposal concerning the use of the term Calcispheres // Palaeontology. 2009. V. 52. P. 343–348.
- Voigt S., Friedrich O., Norris R.D., Schönfeld J. Campanian–Maastrichtian carbon isotope stratigraphy: shelf-ocean correlation between the European shelf sea and the tropical Pacific Ocean // Newslett. Stratigr. 2010. V. 44. № 1. P. 57–72.
- Voigt S., Gale A.S., Jung C., Jenkyns H.C. Global correlation of Upper Campanian–Maastrichtian successions using carbon-isotope stratigraphy: development of a new Maastrichtian timescale // Newslett. Stratigr. 2012. V. 45. № 1. P. 25–53.
- Walaszczyk I. Biostratigraphie und Inoceramen des oberen Unter-Campan und unteren Ober-Campan Norddeutschlands // Geol. Paläont. Westfalen. 1997. Hf. 49. 111 S.
- Walaszczyk I. Inoceramids and inoceramid biostratigraphy of the Upper Campanian to basal Maastrichtian of the Middle Vistula River section, central Poland // Acta Geol. Polon. 2004. V. 54. P. 95–168.
- Walaszczyk I., Cobban W.A. Palaeontology and biostratigraphy of the Middle-Upper Coniacian and Santonian of the US Western Interior // Acta Geol. Polon. 2006. V. 56. P. 241–348.
- Walaszczyk I., Cobban W.A., Harries P.J. Inoceramids and inoceramid biostratigraphy of the Campanian and Maastrichtian of the United States Western Interior Basin // Rev. Paléobiol. 2001. V. 20. № 1. P. 117–234.
- Walaszczyk I., Cobban W.A., Wood C.J., Kin A. The ‘Inoceramus’ azerbaydjanensis fauna (Bivalvia) and its value for chronostratigraphic calibration of the European Campanian (Upper Cretaceous) // Bull. l’Institut Royal des Sciences Naturelles de Belgique, Sciences de la Terre. 2008. V. 78. P. 229–238.
- Walaszczyk I., Jagt J.W.M., Keutgen N. The youngest Maastrichtian ‘true’ inoceramids from the Vijlen Member (Gulpen Formation) in northeast Belgium and the Aachen area (Germany) // Netherlands Journ. Geosci.–Geol. en Mijnbouw. 2010. V. 89. P. 147–167.
- Walaszczyk I., Dubicka Z., Olszewska-Nejbert D., Remin Z. Integrated biostratigraphy of the Santonian through Maastrichtian (Upper Cretaceous) of extra-Carpathian Poland // Acta Geol. Polon. 2016. V. 66. № 3. P. 313–350.
- Walaszczyk I., Čech S., Crampton J.S., Dubicka Z., Ifrim C., Jarvis I., Kennedy W.J., Lees J.A., Lodowski D., Pearce M., Peryt D., Sageman B.B., Schioler P., Todes J., Uličný D., Voigt S., Wiese F., Linnert Ch., Püttmann T., Toshimitsu S. The Global Boundary Stratotype Section and Point (GSSP) for the base of the Coniacian Stage (Salzgitter-Salder, Germany) and its auxiliary sections (Słupia Nadbrzeżna, central Poland; Střeleč, Czech Republic; and El Rosario, NE Mexico) // Episodes. 2021. https://doi.org/10.18814/epiiugs/2021/021022
- Wendler I. A critical evaluation of carbon isotope stratigraphy and biostratigraphic implications for Late Cretaceous global correlation // Earth Sci. Rev. 2013. V. 126. P. 116–146.
- Wendler J., Willems H. Pithonelloid wall-type of the Late Cretaceous calcareous dinoflagellate cyst genus Tetratropis // Rev. Palaeobot. Palynol. 2004. V. 129. P. 133–140.
- Williams I.S. U–Th–Pb geochronology by ion microprobe: applications of microanalytical techniques to understanding mineralizing processes // Rev. Econ. Geol. 1998. V. 7. P. 1–35.
- Young K. Upper Cretaceous ammonites from the Gulf Coast of the United States // Univ. of Texas. 1963. № 6304. VIII+373 p.
Supplementary files




























