Optimization of the Processes of Attenuation of Transverse Movements of a Trailer Following a Tractor
- Authors: Smirnov A.S.1,2, Muravyov A.S.3
-
Affiliations:
- Peter the Great St.Petersburg Polytechnic University
- Institute for Problems in Mechanical Engineering of the Russian Academy of Sciences
- Gazprom Orgenergogaz JSC
- Issue: No 4 (2023)
- Pages: 138-151
- Section: Articles
- URL: https://medbiosci.ru/1026-3519/article/view/137539
- DOI: https://doi.org/10.31857/S0572329922600244
- EDN: https://elibrary.ru/QVZVKO
- ID: 137539
Cite item
Full Text
Abstract
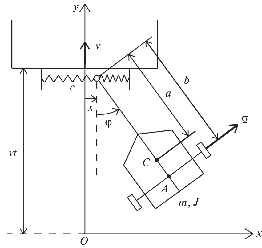
The article considers the issues of optimizing the processes of attenuation of the transverse movements of the trailer, which is attached to a tractor moving at a constant speed with the help of a hinge and taking into account the compliant clutch. As an optimization criterion characterizing the efficiency of this attenuation, the maximization of the degree of system stability is taken. In this case, the distance from the center of mass of the trailer to the point of its adhesion to the tractor acts as an optimized parameter. A detailed analytical solution of the problem is carried out, during which the optimal curve on the plane of dimensionless parameters is determined, which consists of several sections and is located in the region of motion stability. Visual graphic illustrations are given, explaining the meaning of the found solution and its main features. In addition, the obtained results are compared with the variant of the location of the center of mass of the trailer exactly in the middle between the point of its coupling with the tractor and the axle of the wheelset, and an assessment is made of the effectiveness of the obtained optimal solution. The conclusions made in the work are not only of theoretical interest, but can also find some practical application.
About the authors
A. S. Smirnov
Peter the Great St.Petersburg Polytechnic University; Institute for Problems in Mechanical Engineering of the Russian Academy of Sciences
Email: smirnov.alexey.1994@gmail.com
St. Petersburg, 195251 Russia; St. Petersburg, 199178 Russia
A. S. Muravyov
Gazprom Orgenergogaz JSC
Author for correspondence.
Email: Muravyoff97@mail.ru
St. Petersburg, Russia
References
- Рокар И. Неустойчивость в механике. М.: изд-во иностранной литературы, 1959. 287 с. Rokard Y. L’instabilité en mècanique. Automobiles. Avions. Ponts suspendus. Paris, Masson, 1954.
- Закин Я.Х. Прикладная теория движения автопоезда. М.: Транспорт, 1967. 255 с.
- Nastasoiu M., Ispas N. Comparative analysis into the tractor-trailer braking dynamics: tractor with single axle brakes, tractor with all wheel brakes // Cent. Eur. J. Eng. 2014. V. 4 (2). P. 142–147. https://doi.org/10.2478/s13531-013-0155-0
- Astolfi A., Bolzern P., Locatelli A. Path-Tracking of a Tractor-Trailer Vehicle Along Rectilinear and Circular Paths: A Lyapunov-Based Approach // IEEE Trans. Rob. Autom. 2004. V. 20. № 1. P. 154–160. https://doi.org/10.1109/TRA.2003.820928
- Lin J.J.-C., Yang C.-E., Hung W.-H., Kang S.-C. Accessibility evaluation system for site layout planning – a tractor trailer example // Vis. Eng. 2013. V. 1 (1). P. 12. https://doi.org/10.1186/2213-7459-1-12
- Rouchon P., Fliess M., Levine J., Martin P. Flatness and motion planning: The car with n trailers // Proc. European Control Conf., Groningen, The Netherlands, 1993. IEEE, 1993. P. 1518–1522.
- Tanaka K., Kosaki T. Design of a stable fuzzy controller for an articulated vehicle // IEEE Trans. Syst. Man. Cybern. Part B. 1997. V. 27. № 3. P. 552–558. https://doi.org/10.1109/3477.584963
- Смирнов А.С., Смольников Б.А., Леонтьев В.А. Принципы неголономной механики в управлении движением группы транспортных роботов // Научно-технические ведомости СПбПУ. Информатика. Телекоммуникации. Управление. 2017. № 3. С. 83–91. https://doi.org/10.18721/JCSTCS.10307
- Циглер Г. Основы теории устойчивости конструкций. М.: Мир, 1971. 192 с. Ziegler H. Principles of Structural Stability. Waltham, Massachusetts, Toronto, London: Blaisdell Publishing Company, 1968.
- Муравьев А.С., Смирнов А.С. Динамика и устойчивость движения тягача с прицепом // Неделя науки СПбПУ. Материалы научной конференции с международным участием. 18–23 ноября 2019 года, Санкт-Петербург. СПб.: Политех Пресс, 2019. С. 92–95.
- Муравьев А.С., Смирнов А.С. Устойчивость движения тягача с прицепом с учетом сил сопротивления // Труды семинара “Компьютерные методы в механике сплошной среды” 2020–2021. СПб.: Наука, 2021. С. 29–40.
- Меркин Д.Р., Смольников Б.А. Прикладные задачи динамики твердого тела. СПб.: СПбГУ, 2003. 534 с.
- Маркеев А.П. Теоретическая механика. М., Ижевск: Регулярная и хаотическая динамика, 2007. 591 с.
- Андронов А.А., Витт А.А., Хайкин С.Э. Теория колебаний. Изд. 2-е. М.: Физматгиз, 1959. 918 с.
- Блехман И.И., Мышкис А.Д., Пановко Я.Г. Механика и прикладная математика. Логика и особенности приложений математики. М.: Наука, 1983. 328 с.
- Пановко Я.Г., Губанова И.И. Устойчивость и колебания упругих систем. М.: Наука, 1987. 352 с.
- Трегубов В.П. Системы с нецелым числом степеней свободы // Вiсник Харкiвського нацiонального унiверситету iменi В.Н. Каразiна. Серiя “Математика, прикладна математика i механiка”. 2009. № 850. С. 83–90.
- Смирнов А.С., Муравьев А.С. Оптимизация демпфирования колебаний в системах с нецелым числом степеней свободы // Вестн. СПбГУ. Мат. Мех. Астрон. 2022. Т. 9 (67). № 1. С. 164–175. https://doi.org/10.21638/spbu01.2022.116
- Теория автоматического управления. Ч. 1. Теория линейных систем автоматического регулирования / Под ред. А.А. Воронова. Изд. 2-е, перераб. и доп. М.: Высшая школа, 1986. 367 с.
- Меркин Д.Р., Бауэр С.М., Смольников Б.А., Смирнов А.Л. Теория устойчивости в примерах и задачах. М., Ижевск: Регулярная и хаотическая динамка, 2007. 208 с.
- Болотник Н.Н. Оптимизация амортизационных систем. М.: Наука, 1983. 256 с.
- Смольников Б.А. Проблемы механики и оптимизации роботов. М.: Наука, 1991. 232 с.
- Муравьев А.С., Смирнов А.С. Оптимизация демпфирования колебаний маятника с упруго-подвижной точкой подвеса // IX Поляховские чтения. Материалы международной научной конференции по механике. СПб.: Издательство ВВМ, 2021. С. 115–117.
- Нагаев Р.Ф., Степанов А.В. Об оптимизации коэффициента затухания свободных колебаний двухмассовой системы // Изв. АН СССР. МТТ. 1979. № 4. С. 24–28.
- Мирер С.А., Прилепский И.В. Оптимальные параметры гравитационной системы спутник–стабилизатор // Космические исследования. 2010. № 48 (2). С. 198–208.
- Леонтьев В.А., Смирнов А.С., Смольников Б.А. Оптимальное демпфирование колебаний двухзвенного манипулятора // Робототехника и техническая кибернетика. 2018. № 2 (19). С. 52–59.
- Кумакшев С.А. Активное гашение колебаний несущих конструкций перемещением внутренней массы // Устойчивость и колебания нелинейных систем управления (конференция Пятницкого). Материалы XV Международной научной конференции / Под общ. ред. В.Н. Тхай. М.: ИПУ РАН, 2020. С. 250–252.
- Бесекерский В.А., Попов Е.П. Теория систем автоматического регулирования. М.: Наука, 1972. 768 с.
Supplementary files







