On the criterion of strength of single-lap plate joints

Cover Page

Cite item

Full Text

Abstract

On the basis of experimental data on the fracture of an adhesive layer mating two plates along a given section and the known analytical solution corresponding to the calculation scheme, variants of the fracture criterion that take into account hydrostatic pressure and invariant components of elastic energy are considered. One- and two-parameter criteria are investigated, in which the products of volume and shape deformation energy per layer thickness form the critical flow of elastic energy density. It is shown that the loosening of a thin adhesive layer under a two-parameter criterion quasilinear with respect to the volume strain energy most accurately describes the critical state.

Full Text

1. Введение. Прогнозирование прочности адгезионных соединений внахлест (single-lap joints (SLJ)) связано с определенной моделью представления адгезионного слоя и его взаимодействия с сопрягаемыми материалами. Как правило адгезионные слои имеют реальные толщины при существенных различиях в механических свойствах с несущими слоями композита. В этом случае по границам сопряжения в рамках решения дву- и трехмерных задач линейной теории упругости возможны сингулярные напряжения [1-3]. Одним из подходов решения соответствующих задач, наряду с методами механики квазихрупкого разрушения [4-6], является метод конечных элементов [7], который может быть рассмотрен в совокупности с когезионными элементами [8, 9], использующими билинейный закон распределения взаимодействия в когезионной зоне. Отмечено, что различные законы когезионного взаимодействия существенно влияют на распределение напряженно-деформированного состояния [10].

Наряду с решениями дву- и трехмерных задач для оценки напряженного состояния в адгезионных слоях применяются аналитические решения, построенные на упрощающих гипотезах теории пластин. Аналитические решения нахождения напряженного состояния в адгезионном слое конечной толщины рассмотрены в работах [11-13]. Сравнение ряда моделей приведено в [14]. Отличительной особенностью данных решений является регулярное распределение поля напряжений по длине адгезива при его конечной толщине. Отмечено хорошее соответствие решения [12] конечно-элементному решению двумерной задачи [15], где в адгезионном слое наряду со сдвиговыми напряжениями присутствуют и отрывные напряжения.

В работе [16] для нахождения критического состояния упругого адгезионного слоя при смешанной моде нагружения I+II предложено учитывать влияние гидростатического давления и инвариантных составляющих упругой энергии в критическом состоянии. Отмечено, что влияние гидростатического давления на переход в пластическое состояние рассматривалось в рамках различных критериев [17-21], связанных со вторым инвариантом тензора напряжений или максимальными касательными напряжениями, и исследовалось экспериментально [22]. Критерий работы [16] основывался на представлении J-интеграла при хрупком разрушении слоя конечной толщины в виде произведения толщины слоя и накопленной упругой энергии [23] и включал в себя один параметр разупрочнения. При малой толщине адгезионного слоя, относительно толщин сопрягаемых несущих материалов, предполагалось совпадение критического значения J-интеграла в виде [23] экспериментально найденным значениям J-интегралов для мод нагружения I (GIC) и II (GIIC), по которым рассчитывался параметр разупрочнения для состояния нормального разрыва адгезива. В этом случае критические значения J-интегралов для смешанных мод нагружения I+II (GI+IIC) лежат в диапазоне от GIC до GIIC. Однако для ряда случаев экспериментальные значения GI+IIC могут быть меньше значения GIC [24]. В данной работе предполагается рассмотреть двухпараметрические критерии разрушения тонкого адгезионного слоя при смешанной моде нагружения, где параметры определяются из анализа критического состояния нормального разрыва и смешанной моды нагружения адгезионного слоя, а также значений GIC и GIIC. Смешанная мода нагружения рассматривалась в рамках четырех SLJ соединений согласно экспериментальным данным работы [25]. При этом данные одного эксперимента использовались для нахождения параметров конкретного адгезива, а для других экспериментов проверялась корректность критериев. Для нахождения напряженного состоя ния в слое использовалось аналитическое решение [15], полученное в рамках теории изгиба пластин для сопрягаемых слоем материалов.

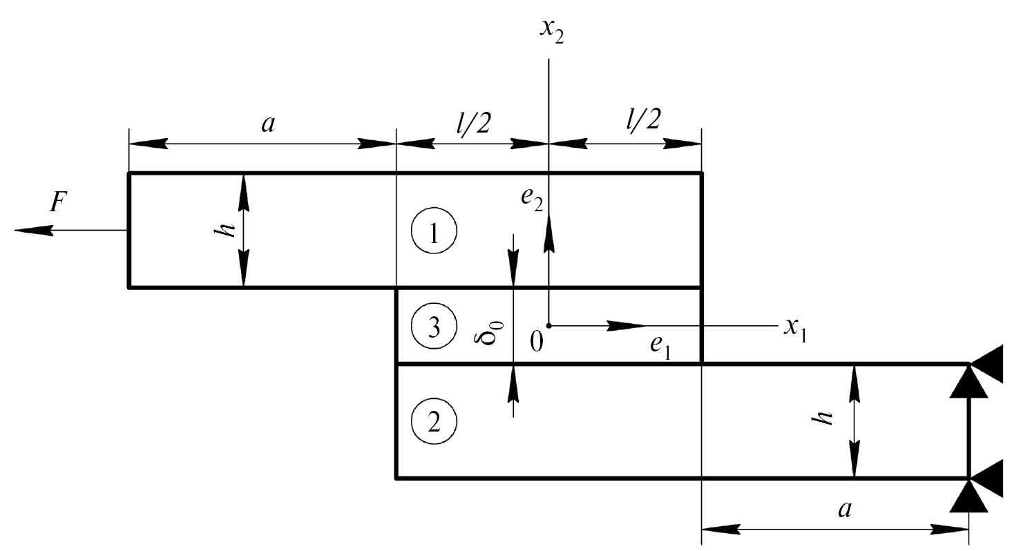
2. Постановка задачи. На рис. 1 две одинаковых пластины 1 и 2 сопрягаются адгезивом 3 на участке длиной l. Правый торец пластины 2 жестко закреплен от перемещений, а на левый действует горизонтальная сила F= -Fe1.

 

Рис. 1. Схема нагружения SLJ соединения.

 

Решение [15] для средних по толщине слоя напряжений, предполагая слой изотропным, запишем в следующем виде:

σ ¯ 12 = Q 1 8c βc h 1+3K cosh βX/h sinh βc/h +3 1K . MathType@MTEF@5@5@+= feaahGart1ev3aaatCvAUfeBSjuyZL2yd9gzLbvyNv2Caerbov2D09 MBdbqedmvETj2BSbqefm0B1jxALjhiov2DaerbuLwBLnhiov2DGi1B TfMBaebbnrfifHhDYfgasaacH8Wrpu0dbbf9q8qqaqpepec8Eeeu0x Xdbba9frFj0=OqFfea0dXdd9vqaq=JfrVkFHe9pgea0dXdar=Jb9hs 0dXdbPYxe9vr0=vr0=vqpWqaaeaabiGaaiaacaqabeaadaabauaaaO qaaiqbeo8aZzaaraWaaSbaaSqaaiaaigdacaaIYaaabeaakiabg2da 9iabgkHiTmaalaaabaGaamyuamaaBaaaleaacaaIXaaabeaaaOqaai aaiIdacaWGJbaaamaadmaabaWaaSaaaeaacqaHYoGycaWGJbaabaGa amiAaaaadaqadaqaaiaaigdacqGHRaWkcaaIZaGaam4saaGaayjkai aawMcaamaalaaabaGaci4yaiaac+gacaGGZbGaaiiAamaabmaabaWa aSGbaeaacqaHYoGycaWGybaabaGaamiAaaaaaiaawIcacaGLPaaaae aaciGGZbGaaiyAaiaac6gacaGGObWaaeWaaeaadaWcgaqaaiabek7a IjaadogaaeaacaWGObaaaaGaayjkaiaawMcaaaaacqGHRaWkcaaIZa WaaeWaaeaacaaIXaGaeyOeI0Iaam4saaGaayjkaiaawMcaaaGaay5w aiaaw2faaiaaysW7caGGUaaaaa@64E5@  (2.1)

σ¯22=Q1hc2ΔR2λ2K2+λK'coshλcosλcoshλXccosλXc++R1λ2K2+λK'sinhλsinλsinhλXcsinλXc, (2.2)

где

X[0.5l;0.5l], MathType@MTEF@5@5@+= feaahGart1ev3aaatCvAUfeBSjuyZL2yd9gzLbvyNv2Caerbov2D09 MBdbqedmvETj2BSbqefm0B1jxALjhiov2DaerbuLwBLnhiov2DGi1B TfMBaebbnrfifHhDYfgasaacH8Wrpu0dbbf9q8qqaqpepec8Eeeu0x Xdbba9frFj0=OqFfea0dXdd9vqaq=JfrVkFHe9pgea0dXdar=Jb9hs 0dXdbPYxe9vr0=vr0=vqpWqaaeaabiGaaiaacaqabeaadaabauaaaO qaaiaadIfacqGHiiIZcaaMe8UaaGjbVlaacUfacqGHsislcaaIWaGa aiOlaiaaiwdacaWGSbGaai4oaiaaykW7caaIWaGaaiOlaiaaiwdaca WGSbGaaiyxaiaacYcaaaa@4987@ w= E 3 l 2 Eh δ 0 , MathType@MTEF@5@5@+= feaahGart1ev3aaatCvAUfeBSjuyZL2yd9gzLbvyNv2Caerbov2D09 MBdbqedmvETj2BSbqefm0B1jxALjhiov2DaerbuLwBLnhiov2DGi1B TfMBaebbnrfifHhDYfgasaacH8Wrpu0dbbf9q8qqaqpepec8Eeeu0x Xdbba9frFj0=OqFfea0dXdd9vqaq=JfrVkFHe9pgea0dXdar=Jb9hs 0dXdbPYxe9vr0=vr0=vqpWqaaeaabiGaaiaacaqabeaadaabauaaaO qaaiaadEhacaaMe8Uaeyypa0ZaaOaaaeaadaWcaaqaaiaadweadaWg aaWcbaGaaG4maaqabaGccaWGSbWaaWbaaSqabeaacaaIYaaaaaGcba GaamyraiaadIgacqaH0oazdaWgaaWcbaGaaGimaaqabaaaaaqabaGc caGGSaaaaa@4479@ c=0.5l. MathType@MTEF@5@5@+= feaahGart1ev3aaatCvAUfeBSjuyZL2yd9gzLbvyNv2Caerbov2D09 MBdbqedmvETj2BSbqefm0B1jxALjhiov2DaerbuLwBLnhiov2DGi1B TfMBaebbnrfifHhDYfgasaacH8Wrpu0dbbf9q8qqaqpepec8Eeeu0x Xdbba9frFj0=OqFfea0dXdd9vqaq=JfrVkFHe9pgea0dXdar=Jb9hs 0dXdbPYxe9vr0=vr0=vqpWqaaeaabiGaaiaacaqabeaadaabauaaaO qaaiaadogacqGH9aqpcaaIWaGaaiOlaiaaiwdacaWGSbGaaiOlaaaa @3DE9@

K= cosh( U 2 c)sinh( U 1 a) sinh( U 1 a)cosh( U 2 c)+2 2 cosh( U 1 a)sinh( U 2 c) , MathType@MTEF@5@5@+= feaahGart1ev3aaatCvAUfeBSjuyZL2yd9gzLbvyNv2Caerbov2D09 MBdbqedmvETj2BSbqefm0B1jxALjhiov2DaerbuLwBLnhiov2DGi1B TfMBaebbnrfifHhDYfgasaacH8Wrpu0dbbf9q8qqaqpepec8Eeeu0x Xdbba9frFj0=OqFfea0dXdd9vqaq=JfrVkFHe9pgea0dXdar=Jb9hs 0dXdbPYxe9vr0=vr0=vqpWqaaeaabiGaaiaacaqabeaadaabauaaaO qaaiaadUeacqGH9aqpdaWcaaqaaiGacogacaGGVbGaai4CaiaacIga caGGOaGaamyvamaaBaaaleaacaaIYaaabeaakiaadogacaGGPaGaci 4CaiaacMgacaGGUbGaaiiAaiaacIcacaWGvbWaaSbaaSqaaiaaigda aeqaaOGaamyyaiaacMcaaeaaciGGZbGaaiyAaiaac6gacaGGObGaai ikaiaadwfadaWgaaWcbaGaaGymaaqabaGccaWGHbGaaiykaiGacoga caGGVbGaai4CaiaacIgacaGGOaGaamyvamaaBaaaleaacaaIYaaabe aakiaadogacaGGPaGaey4kaSIaaGOmamaakaaabaGaaGOmaaWcbeaa kiGacogacaGGVbGaai4CaiaacIgacaGGOaGaamyvamaaBaaaleaaca aIXaaabeaakiaadggacaGGPaGaci4CaiaacMgacaGGUbGaaiiAaiaa cIcacaWGvbWaaSbaaSqaaiaaikdaaeqaaOGaam4yaiaacMcaaaGaai ilaaaa@6C10@

U 1 = 2 h 1 ν 2 3F EhB , MathType@MTEF@5@5@+= feaahGart1ev3aaatCvAUfeBSjuyZL2yd9gzLbvyNv2Caerbov2D09 MBdbqedmvETj2BSbqefm0B1jxALjhiov2DaerbuLwBLnhiov2DGi1B TfMBaebbnrfifHhDYfgasaacH8Wrpu0dbbf9q8qqaqpepec8Eeeu0x Xdbba9frFj0=OqFfea0dXdd9vqaq=JfrVkFHe9pgea0dXdar=Jb9hs 0dXdbPYxe9vr0=vr0=vqpWqaaeaabiGaaiaacaqabeaadaabauaaaO qaaiaadwfadaWgaaWcbaGaaGymaaqabaGccaaMc8Uaeyypa0JaaGjb VpaalaaabaGaaGOmaaqaaiaadIgaaaWaaOaaaeaadaqadaqaaiaaig dacqGHsislcqaH9oGBdaahaaWcbeqaaiaaikdaaaaakiaawIcacaGL PaaadaWcaaqaaiaaiodacaWGgbaabaGaamyraiaadIgacaWGcbaaaa WcbeaakiaacYcaaaa@4A96@ U 2 = 2 U 1 4 , MathType@MTEF@5@5@+= feaahGart1ev3aaatCvAUfeBSjuyZL2yd9gzLbvyNv2Caerbov2D09 MBdbqedmvETj2BSbqefm0B1jxALjhiov2DaerbuLwBLnhiov2DGi1B TfMBaebbnrfifHhDYfgasaacH8Wrpu0dbbf9q8qqaqpepec8Eeeu0x Xdbba9frFj0=OqFfea0dXdd9vqaq=JfrVkFHe9pgea0dXdar=Jb9hs 0dXdbPYxe9vr0=vr0=vqpWqaaeaabiGaaiaacaqabeaadaabauaaaO qaaiaadwfadaWgaaWcbaGaaGOmaaqabaGccqGH9aqpdaWcaaqaamaa kaaabaGaaGOmaaWcbeaakiaadwfadaWgaaWcbaGaaGymaaqabaaake aacaaI0aaaaiaacYcaaaa@3F29@ K =Kc U 1 , MathType@MTEF@5@5@+= feaahGart1ev3aaatCvAUfeBSjuyZL2yd9gzLbvyNv2Caerbov2D09 MBdbqedmvETj2BSbqefm0B1jxALjhiov2DaerbuLwBLnhiov2DGi1B TfMBaebbnrfifHhDYfgasaacH8Wrpu0dbbf9q8qqaqpepec8Eeeu0x Xdbba9frFj0=OqFfea0dXdd9vqaq=JfrVkFHe9pgea0dXdar=Jb9hs 0dXdbPYxe9vr0=vr0=vqpWqaaeaabiGaaiaacaqabeaadaabauaaaO qaaiqadUeagaqbaiaaykW7cqGH9aqpcaWGlbGaam4yaiaadwfadaWg aaWcbaGaaGymaaqabaGccaGGSaaaaa@3FCD@ β=2 E 3 h E δ 0 , MathType@MTEF@5@5@+= feaahGart1ev3aaatCvAUfeBSjuyZL2yd9gzLbvyNv2Caerbov2D09 MBdbqedmvETj2BSbqefm0B1jxALjhiov2DaerbuLwBLnhiov2DGi1B TfMBaebbnrfifHhDYfgasaacH8Wrpu0dbbf9q8qqaqpepec8Eeeu0x Xdbba9frFj0=OqFfea0dXdd9vqaq=JfrVkFHe9pgea0dXdar=Jb9hs 0dXdbPYxe9vr0=vr0=vqpWqaaeaabiGaaiaacaqabeaadaabauaaaO qaaiabek7aIjabg2da9iaaikdadaGcaaqaamaalaaabaGaamyramaa BaaaleaacaaIZaaabeaakiaadIgaaeaacaWGfbGaeqiTdq2aaSbaaS qaaiaaicdaaeqaaaaaaeqaaOGaaiilaaaa@4269@ γ= 6 E 3 h E δ 0 1/4 , MathType@MTEF@5@5@+= feaahGart1ev3aaatCvAUfeBSjuyZL2yd9gzLbvyNv2Caerbov2D09 MBdbqedmvETj2BSbqefm0B1jxALjhiov2DaerbuLwBLnhiov2DGi1B TfMBaebbnrfifHhDYfgasaacH8Wrpu0dbbf9q8qqaqpepec8Eeeu0x Xdbba9frFj0=OqFfea0dXdd9vqaq=JfrVkFHe9pgea0dXdar=Jb9hs 0dXdbPYxe9vr0=vr0=vqpWqaaeaabiGaaiaacaqabeaadaabauaaaO qaaiabeo7aNjabg2da9maabmaabaWaaSaaaeaacaaI2aGaamyramaa BaaaleaacaaIZaaabeaakiaadIgaaeaacaWGfbGaeqiTdq2aaSbaaS qaaiaaicdaaeqaaaaaaOGaayjkaiaawMcaamaaCaaaleqabaWaaSGb aeaacaaIXaaabaGaaGinaaaaaaGccaGGSaaaaa@45B2@

...,

R 1 =coshλsinλ+sinhλcosλ, MathType@MTEF@5@5@+= feaahGart1ev3aaatCvAUfeBSjuyZL2yd9gzLbvyNv2Caerbov2D09 MBdbqedmvETj2BSbqefm0B1jxALjhiov2DaerbuLwBLnhiov2DGi1B TfMBaebbnrfifHhDYfgasaacH8Wrpu0dbbf9q8qqaqpepec8Eeeu0x Xdbba9frFj0=OqFfea0dXdd9vqaq=JfrVkFHe9pgea0dXdar=Jb9hs 0dXdbPYxe9vr0=vr0=vqpWqaaeaabiGaaiaacaqabeaadaabauaaaO qaaiaadkfadaWgaaWcbaGaaGjcVlaaigdaaeqaaOGaaGPaVlabg2da 9iGacogacaGGVbGaai4CaiaacIgacqaH7oaBciGGZbGaaiyAaiaac6 gacqaH7oaBcqGHRaWkciGGZbGaaiyAaiaac6gacaGGObGaeq4UdWMa ci4yaiaac+gacaGGZbGaeq4UdWMaaiilaaaa@53A7@ R 2 =sinhλcosλcoshλsinλ, MathType@MTEF@5@5@+= feaahGart1ev3aaatCvAUfeBSjuyZL2yd9gzLbvyNv2Caerbov2D09 MBdbqedmvETj2BSbqefm0B1jxALjhiov2DaerbuLwBLnhiov2DGi1B TfMBaebbnrfifHhDYfgasaacH8Wrpu0dbbf9q8qqaqpepec8Eeeu0x Xdbba9frFj0=OqFfea0dXdd9vqaq=JfrVkFHe9pgea0dXdar=Jb9hs 0dXdbPYxe9vr0=vr0=vqpWqaaeaabiGaaiaacaqabeaadaabauaaaO qaaiaadkfadaWgaaWcbaGaaGjcVlaaikdaaeqaaOGaeyypa0Jaci4C aiaacMgacaGGUbGaaiiAaiabeU7aSjGacogacaGGVbGaai4CaiabeU 7aSjabgkHiTiGacogacaGGVbGaai4CaiaacIgacqaH7oaBciGGZbGa aiyAaiaac6gacqaH7oaBcaGGSaaaaa@5228@

Δ=0.5sinh2λ+sin2λ, Q 1 =F/B , MathType@MTEF@5@5@+= feaahGart1ev3aaatCvAUfeBSjuyZL2yd9gzLbvyNv2Caerbov2D09 MBdbqedmvETj2BSbqefm0B1jxALjhiov2DaerbuLwBLnhiov2DGi1B TfMBaebbnrfifHhDYfgasaacH8Wrpu0dbbf9q8qqaqpepec8Eeeu0x Xdbba9frFj0=OqFfea0dXdd9vqaq=JfrVkFHe9pgea0dXdar=Jb9hs 0dXdbPYxe9vr0=vr0=vqpWqaaeaabiGaaiaacaqabeaadaabauaaaO qaaiaadgfadaWgaaWcbaGaaeymaaqabaGccqGH9aqpdaWcgaqaaiaa dAeaaeaacaWGcbaaaiaacYcaaaa@3D4B@

где E, n - модуль упругости и коэффициент Пуассона пластин; E3 - модуль упругости адгезионного слоя; B - ширина пластины в направлении, ортогональном плоскости х1Ох2.

Согласно работе [25], для материала пластин 1 и 2 использовался алюминиевый сплав Al6082-T651 со следующими механическими характеристиками E = 70 ГПа, n = 0.3. Для материала адгезива была выбрана смола Araldite AV138 с механическими свойствами из работы [26] E3 = 4.89 ГПа. Критические значения для J-интегралов смолы рассматриваются согласно заявленным производителем и экспериментальным данным работы [24] GIC = 200(140) Н/м до GIIC = 380(352) Н/м, где значения в скобках брались из статьи [24]. Общая длина образца 2a + l бралась постоянной, равной 180 мм, B = 25 мм, длина сопрягаемого адгезивом участка изменялась от l = 12.5 мм до l = 50 мм с приращением Δl = 12.5 мм, толщина пластин h = 3 мм, толщина слоя d0 = 0.2 мм. Значения внешней критической нагрузки при рассматриваемых длинах сопряжения равнялись соответственно: F1 = 5900 H, F2 = 7100 H, F3 = 8500 H, F4 = 9300 H, где индекс определяет порядковый номер эксперимента для определенной длины сопрягаемого адгезивом участка.

3. Формулировка двухпараметрического критерия. Предельное состояние адгезионного слоя рассмотрено в рамках следующих критериев:

1+sign σ ¯ β φ ^ ^ σ + φ ^ ^ τ +γsign σ ¯ φ ^ ^ σ φ ^ ^ τ = G IIC , MathType@MTEF@5@5@+= feaahGart1ev3aaatCvAUfeBSjuyZL2yd9gzLbvyNv2Caerbov2D09 MBdbqedmvETj2BSbqefm0B1jxALjhiov2DaerbuLwBLnhiov2DGi1B TfMBaebbnrfifHhDYfgasaacH8Wrpu0dbbf9q8qqaqpepec8Eeeu0x Xdbba9frFj0=OqFfea0dXdd9vqaq=JfrVkFHe9pgea0dXdar=Jb9hs 0dXdbPYxe9vr0=vr0=vqpWqaaeaabiGaaiaacaqabeaadaabauaaaO qaamaabmaabaGaaGymaiabgUcaRiaabohacaqGPbGaae4zaiaab6ga daqadaqaaiqbeo8aZzaaraaacaGLOaGaayzkaaGaeqOSdigacaGLOa GaayzkaaWaaCbiaeaacuaHgpGAgaqcaaWcbeqaaOGaiaiGaaa5aiOx aaaadGaGacaaSeahaaWcbKaGacaaSeqaiaiGaaalbiadaciaaWsaeo 8aZbaakiabgUcaRmaaxacabaGafqOXdOMbaKaaaSqabeaakiacacia aqoac6faaaWaiaiGaaarbWbaaSqajaiGaaarbeacaciaaquacWaGac aaefaHepaDaaGccqGHRaWkcqaHZoWzcaqGZbGaaeyAaiaabEgacaqG UbWaaeWaaeaacuaHdpWCgaqeaaGaayjkaiaawMcaamaaxacabaGafq OXdOMbaKaaaSqabeaakiacaciaaqoac6faaaWaiaiGaaalbWbaaSqa jaiGaaalbeacaciaaWsacWaGacaaSeaHdpWCaaGcdaWfGaqaaiqbeA 8aQzaajaaaleqabaGccGaGacaaKdGGEbaaamacaciaaquaCaaaleqc aciaaquabGaGacaaefGamaiGaaarbqiXdqhaaOGaeyypa0Jaam4ram aaBaaaleaacaqGjbGaaeysaiaaboeaaeqaaOGaaiilaaaa@836B@  (3.1)

1+sign σ ¯ β 1 φ ^ ^ σ + φ ^ ^ τ + γ 1 sign σ ¯ ( φ ^ ^ σ ) 2 = G IIC , MathType@MTEF@5@5@+= feaahGart1ev3aaatCvAUfeBSjuyZL2yd9gzLbvyNv2Caerbov2D09 MBdbqedmvETj2BSbqefm0B1jxALjhiov2DaerbuLwBLnhiov2DGi1B TfMBaebbnrfifHhDYfgasaacH8Wrpu0dbbf9q8qqaqpepec8Eeeu0x Xdbba9frFj0=OqFfea0dXdd9vqaq=JfrVkFHe9pgea0dXdar=Jb9hs 0dXdbPYxe9vr0=vr0=vqpWqaaeaabiGaaiaacaqabeaadaabauaaaO qaamaabmaabaGaaGymaiabgUcaRiaabohacaqGPbGaae4zaiaab6ga daqadaqaaiqaKp8agaqeaaGaayjkaiaawMcaaiaaKl7adaWgaaWcba GaaGymaaqabaaakiaawIcacaGLPaaadaWfGaqaaiqbeA8aQzaajaaa leqabaGccGaGacaaKdGGEbaaamacaciaaquaCaaaleqcaciaaquabG aGacaaefGamaiGaaarbq4WdmhaaOGaey4kaSYaaCbiaeaacuaHgpGA gaqcaaWcbeqaaOGaiaiGaaa5aiOxaaaadGaGacaaefahaaWcbKaGac aaefqaiaiGaaarbiadaciaaquaes8a0baakiabgUcaRiaaKp7adaWg aaWcbaGaaGymaaqabaGccaqGZbGaaeyAaiaabEgacaqGUbWaaeWaae aacea5dpGbaebaaiaawIcacaGLPaaacaqGOaWaaCbiaeaacuaHgpGA gaqcaaWcbeqaaOGaiaiGaaa5aiOxaaaadGaGacaaefahaaWcbKaGac aaefqaiaiGaaarbiadaciaaquaeo8aZbaakiaacMcadaahaaWcbeqa aiaaikdaaaGccaaMc8Uaeyypa0Jaam4ramaaBaaaleaacaqGjbGaae ysaiaaboeaaeqaaOGaaiilaaaa@7D86@  (3.2)

где φ ¯ = φ ¯ σ + φ ¯ τ = (3 σ ¯ 2 + τ ¯ 2 )/ (2 E 3 ) MathType@MTEF@5@5@+= feaahGart1ev3aaatCvAUfeBSjuyZL2yd9gzLbvyNv2Caerbov2D09 MBdbqedmvETj2BSbqefm0B1jxALjhiov2DaerbuLwBLnhiov2DGi1B TfMBaebbnrfifHhDYfgasaacH8Wrpu0dbbf9q8qqaqpepec8Eeeu0x Xdbba9frFj0=OqFfea0dXdd9vqaq=JfrVkFHe9pgea0dXdar=Jb9hs 0dXdbPYxe9vr0=vr0=vqpWqaaeaabiGaaiaacaqabeaadaabauaaaO qaaiqbeA8aQzaaraGaeyypa0JafqOXdOMbaebadaahaaWcbeqaaiab eo8aZbaakiabgUcaRiqbeA8aQzaaraWaaWbaaSqabeaacqaHepaDaa GccqGH9aqpdaWcgaqaaiaacIcacaaIZaGafq4WdmNbaebadaahaaWc beqaaiaaikdaaaGccqGHRaWkcuaHepaDgaqeamaaCaaaleqabaGaaG OmaaaakiaacMcaaeaacaGGOaGaaGOmaiaadweadaWgaaWcbaGaaG4m aaqabaGccaGGPaaaaaaa@510E@  - представление средней по толщине адгезива плотности упругой энергии через инвариантные составляющие плотности энергии объема и формы при нулевом коэффициенте Пуассона; σ ¯ = ( σ ¯ 11 + σ ¯ 22 + σ ¯ 33 )/3 MathType@MTEF@5@5@+= feaahGart1ev3aaatCvAUfeBSjuyZL2yd9gzLbvyNv2Caerbov2D09 MBdbqedmvETj2BSbqefm0B1jxALjhiov2DaerbuLwBLnhiov2DGi1B TfMBaebbnrfifHhDYfgasaacH8Wrpu0dbbf9q8qqaqpepec8Eeeu0x Xdbba9frFj0=OqFfea0dXdd9vqaq=JfrVkFHe9pgea0dXdar=Jb9hs 0dXdbPYxe9vr0=vr0=vqpWqaaeaabiGaaiaacaqabeaadaabauaaaO qaaiqbeo8aZzaaraGaeyypa0ZaaSGbaeaacaGGOaGafq4WdmNbaeba daWgaaWcbaGaaGymaiaaigdaaeqaaOGaaGPaVlabgUcaRiaaysW7cu aHdpWCgaqeamaaBaaaleaacaaIYaGaaGOmaaqabaGccaaMc8Uaey4k aSIaaGjbVlqbeo8aZzaaraWaaSbaaSqaaiaaiodacaaIZaaabeaaki aacMcaaeaacaaIZaaaaaaa@4FC9@  - гидростатическое давление; τ ¯ 2 = s ˜ s ˜ MathType@MTEF@5@5@+= feaahGart1ev3aaatCvAUfeBSjuyZL2yd9gzLbvyNv2Caerbov2D09 MBdbqedmvETj2BSbqefm0B1jxALjhiov2DaerbuLwBLnhiov2DGi1B TfMBaebbnrfifHhDYfgasaacH8Wrpu0dbbf9q8qqaqpepec8Eeeu0x Xdbba9frFj0=OqFfea0dXdd9vqaq=JfrVkFHe9pgea0dXdar=Jb9hs 0dXdbPYxe9vr0=vr0=vqpWqaaeaabiGaaiaacaqabeaadaabauaaaO qaaiqbes8a0zaaraWaaWbaaSqabeaacaqGYaaaaOGaeyypa0dcdaGa b83CayaaiaGaeyyXICTaaGjbVlqa=nhagaacaaaa@41E4@  - свертка девиаторных составляющих тензора средних напряжений в слое;

φ ^ ^ σ = lim δ 0 0 ( δ 0 φ ¯ σ ) MathType@MTEF@5@5@+= feaahGart1ev3aaatCvAUfeBSjuyZL2yd9gzLbvyNv2Caerbov2D09 MBdbqedmvETj2BSbqefm0B1jxALjhiov2DaerbuLwBLnhiov2DGi1B TfMBaebbnrfifHhDYfgasaacH8Wrpu0dbbf9q8qqaqpepec8Eeeu0x Xdbba9frFj0=OqFfea0dXdd9vqaq=JfrVkFHe9pgea0dXdar=Jb9hs 0dXdbPYxe9vr0=vr0=vqpWqaaeaabiGaaiaacaqabeaadaabauaaaO qaamaaxacabaGafqOXdOMbaKaaaSqabOqaaiacaciaaGqac6faaaWa iaiGaaaGbWbaaSqajaiGaaaGbeacaciaaayacWaGacaaagaHdpWCaa GccaaMc8Uaeyypa0ZaaCbeaeaaciGGSbGaaiyAaiaac2gaaSqaaiab es7aKnaaBaaameaacaaIWaaabeaaliabgkziUkaaysW7caaIWaaabe aakiaacIcacqaH0oazdaWgaaWcbaGaaGimaaqabaGccuaHgpGAgaqe amaaCaaaleqabaGaeq4WdmhaaOGaaiykaaaa@588A@ , ^ φ ^ τ = lim δ 0 0 ( δ 0 φ ¯ τ ) MathType@MTEF@5@5@+= feaahGart1ev3aaatCvAUfeBSjuyZL2yd9gzLbvyNv2Caerbov2D09 MBdbqedmvETj2BSbqefm0B1jxALjhiov2DaerbuLwBLnhiov2DGi1B TfMBaebbnrfifHhDYfgasaacH8Wrpu0dbbf9q8qqaqpepec8Eeeu0x Xdbba9frFj0=OqFfea0dXdd9vqaq=JfrVkFHe9pgea0dXdar=Jb9hs 0dXdbPYxe9vr0=vr0=vqpWqaaeaabiGaaiaacaqabeaadaabauaaaO qaaiacaciQaq8=c6facuaHgpGAgaqcamaaCaaaleqabaGaeqiXdqha aOGaeyypa0ZaaCbeaeaaciGGSbGaaiyAaiaac2gaaSqaaiabes7aKn aaBaaameaacaaIWaaabeaaliabgkziUkaaykW7caaIWaaabeaakiaa cIcacqaH0oazdaWgaaWcbaGaaGimaaqabaGccuaHgpGAgaqeamaaCa aaleqabaGaeqiXdqhaaOGaaiykaaaa@52EC@  -

предельные значения энергетических произведений объема и формы, которые будем предполагать независимыми величинами от параметра d0; b, b1, g, g1 - параметры, учитывающие “разрыхление” адгезива.

Критерий (3.1) является квазилинейным, а критерий (3.2) предполагает квадратичную зависимость относительно энергетического произведения объема.

В критическом состоянии моды II, когда φ ¯ IIC σ =0, MathType@MTEF@5@5@+= feaahGart1ev3aaatCvAUfeBSjuyZL2yd9gzLbvyNv2Caerbov2D09 MBdbqedmvETj2BSbqefm0B1jxALjhiov2DaerbuLwBLnhiov2DGi1B TfMBaebbnrfifHhDYfgasaacH8Wrpu0dbbf9q8qqaqpepec8Eeeu0x Xdbba9frFj0=OqFfea0dXdd9vqaq=JfrVkFHe9pgea0dXdar=Jb9hs 0dXdbPYxe9vr0=vr0=vqpWqaaeaabiGaaiaacaqabeaadaabauaaaO qaaiqbeA8aQzaaraWaa0baaSqaaiaabMeacaqGjbGaae4qaaqaaiab eo8aZbaakiaaykW7cqGH9aqpcaaIWaGaaiilaaaa@4255@  из (3.1) и (3.2) приходим к тождеству: ^ φ ^ IIC τ = G IIC . MathType@MTEF@5@5@+= feaahGart1ev3aaatCvAUfeBSjuyZL2yd9gzLbvyNv2Caerbov2D09 MBdbqedmvETj2BSbqefm0B1jxALjhiov2DaerbuLwBLnhiov2DGi1B TfMBaebbnrfifHhDYfgasaacH8Wrpu0dbbf9q8qqaqpepec8Eeeu0x Xdbba9frFj0=OqFfea0dXdd9vqaq=JfrVkFHe9pgea0dXdar=Jb9hs 0dXdbPYxe9vr0=vr0=vqpWqaaeaabiGaaiaacaqabeaadaabauaaaO qaaiacaciQaq8=c6facuaHgpGAgaqcamaaDaaaleaacaqGjbGaaeys aiaaboeaaeaacqaHepaDaaGccqGH9aqpcaWGhbWaaSbaaSqaaiaabM eacaqGjbGaae4qaaqabaGccaGGUaaaaa@47C1@  Для критического состояния моды I из (3.1) имеем:

1+sign( σ ¯ )β ^ φ ^ IC σ + φ ^ IC τ +γsign( σ ¯ )^ φ ^ IC σ ^ φ ^ IC τ = G IIC , MathType@MTEF@5@5@+= feaahGart1ev3aaatCvAUfeBSjuyZL2yd9gzLbvyNv2Caerbov2D09 MBdbqedmvETj2BSbqefm0B1jxALjhiov2DaerbuLwBLnhiov2DGi1B TfMBaebbnrfifHhDYfgasaacH8Wrpu0dbbf9q8qqaqpepec8Eeeu0x Xdbba9frFj0=OqFfea0dXdd9vqaq=JfrVkFHe9pgea0dXdar=Jb9hs 0dXdbPYxe9vr0=vr0=vqpWqaaeaabiGaaiaacaqabeaadaabauaaaO qaamacaciZaaaabmaabGaGaYmaaaGaiaiGmdaaaGymaiadaciZaaaa gUcaRiacaciZaaaabohacGaGaYmaaaqGPbGaiaiGmdaaae4zaiacac iZaaaab6gacGaGaYmaaaaMc8UaiaiGmdaaaiikaiqdaciZaaaaeo8a ZzacaciZaaaaraGaiaiGmdaaaiykaiacaciZaaaaykW7cWaGaYmaaa aHYoGyaiacaciZaaaawIcacGaGaYmaaaGLPaaacGaGaInae=VGEbGa fqOXdOMbaKaadaqhaaWcbaGaaeysaiaaboeaaeaacqaHdpWCaaGccq GHRaWkcuaHgpGAgaqcamaaDaaaleaacaqGjbGaae4qaaqaaiabes8a 0baakiabgUcaRiabeo7aNjaaykW7caqGZbGaaeyAaiaabEgacaqGUb GaaGPaVlaacIcacuaHdpWCgaqeaiaacMcacGaJejOxaiqdacin=daa eA8aQzacacin=daajaWaiaiG08paa0baaSqaiaiG08paaiacacin=d aabMeacGaGasZ=aaqGdbaabGaGasZ=aaGamaiG08paaq4WdmhaaOGa iaiGC8pX=lOxaiqdacir+daaeA8aQzacacir+daajaWaiaiGe5paa0 baaSqaiaiGe5paaiacacir+daabMeacGaGasK=aaqGdbaabGaGasK= aaGamaiGe5paaqiXdqhaaOGamaiGe5paayypa0JaiaiGe5paam4ram acacir+daaBaaaleacacir+daacGaGasK=aaqGjbGaiaiGe5paaeys aiacacir+daaboeaaeqcacir+daaaOGaiaiGe5paaiilaaaa@D1C8@  (3.3)

а для критического состояния смешанной моды I+II:

1+sign σ ¯ β ^ φ ^ I+II,C σ +^ φ ^ I+II,C τ +γsign σ ¯ ^ φ ^ I+II,C σ ^ φ ^ I+II,C τ = G IIC . MathType@MTEF@5@5@+= feaahGart1ev3aaatCvAUfeBSjuyZL2yd9gzLbvyNv2Caerbov2D09 MBdbqedmvETj2BSbqefm0B1jxALjhiov2DaerbuLwBLnhiov2DGi1B TfMBaebbnrfifHhDYfgasaacH8Wrpu0dbbf9q8qqaqpepec8Eeeu0x Xdbba9frFj0=OqFfea0dXdd9vqaq=JfrVkFHe9pgea0dXdar=Jb9hs 0dXdbPYxe9vr0=vr0=vqpWqaaeaabiGaaiaacaqabeaadaabauaaaO qaamaabmaabaGaaGymaiabgUcaRiaabohacaqGPbGaae4zaiaab6ga daqadaqaaiqbeo8aZzaaraaacaGLOaGaayzkaaGaeqOSdigacaGLOa GaayzkaaGaiqkuc6fac0aGaY0=aaaHgpGAgGaGaY0=aaqcamacacit =daaDaaaleacacit=daacGaGaY0=aaqGjbGaiaiGm9paae4kaiacac it=daabMeacGaGaY0=aaqGjbGaiaiGm9paaeilaiacacit=daaboea aeacacit=daacWaGaY0=aaaHdpWCaaGccWaGaY0=aaGHRaWkcGacqj Oxaiqdaci4+daaeA8aQzacaci4+daajaWaiaiGG7paa0baaSqaiaiG G7paaiacaci4+daabMeacGaGacU=aaqGRaGaiaiGG7paaeysaiacac i4+daabMeacGaGacU=aaqGSaGaiaiGG7paae4qaaqaiaiGG7paaiad aci4+daaes8a0baakiadaci4+daagUcaRiadaci4+daaeo7aNjacac i4+daaykW7cGaGacU=aaqGZbGaiaiGG7paaeyAaiacaci4+daabEga cGaGacU=aaqGUbWaiaiGG7paaeWaaeacaci4+daac0aGacU=aaaHdp WCgGaGacU=aaqeaaGaiaiGG7paayjkaiacaci4+daawMcaaiacaci7 +d9=c6fac0aGacI=aaaHgpGAgGaGacI=aaqcamacacii+daaDaaale acacii+daacGaGacI=aaqGjbGaiaiGG4paae4kaiacacii+daabMea cGaGacI=aaqGjbGaiaiGG4paaeilaiacacii+daaboeaaeacacii+d aacWaGacI=aaaHdpWCaaGccGaGaIG=q=VGEbGanaiGi1paaqOXdOMb iaiGi1paaKaadGaGaIu=aaqhaaWcbGaGaIu=aaGaiaiGi1paaeysai acacis9daabUcacGaGaIu=aaqGjbGaiaiGi1paaeysaiacacis9daa bYcacGaGaIu=aaqGdbaabGaGaIu=aaGamaiGi1paaqiXdqhaaOGama iGi1paayypa0JaiaiGi1paam4ramacacis9daaBaaaleacacis9daa cGaGaIu=aaqGjbGaiaiGi1paaeysaiacacis9daaboeaaeqcacis9d aaaOGaiaiGi1paaiOlaaaa@34C8@  (3.4)

Приняв во внимание, что при нагружении по моде I и смешанной моде I+II гидростатическое напряжение положительно, а ^ φ ^ IC σ +^ φ ^ IC τ = G IC , MathType@MTEF@5@5@+= feaahGart1ev3aaatCvAUfeBSjuyZL2yd9gzLbvyNv2Caerbov2D09 MBdbqedmvETj2BSbqefm0B1jxALjhiov2DaerbuLwBLnhiov2DGi1B TfMBaebbnrfifHhDYfgasaacH8Wrpu0dbbf9q8qqaqpepec8Eeeu0x Xdbba9frFj0=OqFfea0dXdd9vqaq=JfrVkFHe9pgea0dXdar=Jb9hs 0dXdbPYxe9vr0=vr0=vqpWqaaeaabiGaaiaacaqabeaadaabauaaaO qaaiacaciQaq8=c6facuaHgpGAgaqcamaaDaaaleaacaqGjbGaae4q aaqaaiabeo8aZbaakiabgUcaRiac8sKGEbGanqbGeA8aQzacuaycam acuayhaaWcbGafakacuayGjbGaiqbGboeaaeacuaOamqbGes8a0baa kiaduaOH9aqpcGafao4ramacua4gaaWcbGafakacuayGjbGaiqbGbo eaaeqcuaiakiacuaOGSaaaaa@580C@   ^ φ ^ I+II,C σ +^ φ ^ I+II,C τ = G I+IIC MathType@MTEF@5@5@+= feaahGart1ev3aaatCvAUfeBSjuyZL2yd9gzLbvyNv2Caerbov2D09 MBdbqedmvETj2BSbqefm0B1jxALjhiov2DaerbuLwBLnhiov2DGi1B TfMBaebbnrfifHhDYfgasaacH8Wrpu0dbbf9q8qqaqpepec8Eeeu0x Xdbba9frFj0=OqFfea0dXdd9vqaq=JfrVkFHe9pgea0dXdar=Jb9hs 0dXdbPYxe9vr0=vr0=vqpWqaaeaabiGaaiaacaqabeaadaabauaaaO qaaiacaciQaq8=c6facuaHgpGAgaqcamaaDaaaleaacaqGjbGaae4k aiaabMeacaqGjbGaaeilaiaaboeaaeaacqaHdpWCaaGccqGHRaWkcG aSejOxaiqdiaiHgpGAgGacaMaadGaca2baaSqaiGaGcGacagysaiac iayGRaGaiGaGbMeacGacagysaiaciayGSaGaiGaGboeaaeaciaOamG aGes8a0baakiadiaOH9aqpcGacao4ramacia4gaaWcbGacakaciayG jbGaiGaGbUcacGacagysaiaciayGjbGaiGaGboeaaeqciaiaaaa@6216@  из (3.3) и (3.4) приходим к системе линейных уравнений относительно параметров “разрыхления”:

β φ ^ IC σ +γ φ ^ IC σ φ ^ IC τ = G IIC G IC , MathType@MTEF@5@5@+= feaahGart1ev3aaatCvAUfeBSjuyZL2yd9gzLbvyNv2Caerbov2D09 MBdbqefqvATv2CG4uz3bIuV1wyUbqedmvETj2BSbqefm0B1jxALjhi ov2DaebbnrfifHhDYfgasaacH8Wrpu0dbbf9q8qqaqpepec8Eeeu0x Xdbba9frFj0=OqFfea0dXdd9vqaq=JfrVkFHe9pgea0dXdar=Jb9hs 0dXdbPYxe9vr0=vr0=vqpWqaaiaabiWaamaadaqabeaaeaGaauaaaO qaaiabek7aIjqbeA8aQzaajaWaa0baaSqaaiaabMeacaqGdbaabaGa eq4WdmhaaOGaey4kaSIaeq4SdCMafqOXdOMbaKaadaqhaaWcbaGaae ysaiaaboeaaeaacqaHdpWCaaGccuaHgpGAgaqcamaaDaaaleaacaqG jbGaae4qaaqaaiabes8a0baakiabg2da9iaadEeadaWgaaWcbaGaae ysaiaabMeacaqGdbaabeaakiabgkHiTiaadEeadaWgaaWcbaGaaeys aiaaboeaaeqaaOGaaiilaaaa@54FE@  (3.5)

β φ ^ I+II,C σ +γ φ ^ I+II,C σ φ ^ I+II,C τ = G IIC G I+II,C . MathType@MTEF@5@5@+= feaahGart1ev3aaatCvAUfeBSjuyZL2yd9gzLbvyNv2Caerbov2D09 MBdbqefqvATv2CG4uz3bIuV1wyUbqedmvETj2BSbqefm0B1jxALjhi ov2DaebbnrfifHhDYfgasaacH8Wrpu0dbbf9q8qqaqpepec8Eeeu0x Xdbba9frFj0=OqFfea0dXdd9vqaq=JfrVkFHe9pgea0dXdar=Jb9hs 0dXdbPYxe9vr0=vr0=vqpWqaaiaabiWaamaadaqabeaaeaGaauaaaO qaaiabek7aIjqbeA8aQzaajaWaa0baaSqaaiaabMeacaqGRaGaaeys aiaabMeacaqGSaGaae4qaaqaaiabeo8aZbaakiabgUcaRiabeo7aNj qbeA8aQzaajaWaa0baaSqaaiaabMeacaqGRaGaaeysaiaabMeacaqG SaGaae4qaaqaaiabeo8aZbaakiqbeA8aQzaajaWaa0baaSqaaiaabM eacaqGRaGaaeysaiaabMeacaqGSaGaae4qaaqaaiabes8a0baakiab g2da9iaadEeadaWgaaWcbaGaaeysaiaabMeacaqGdbaabeaakiabgk HiTiaadEeadaWgaaWcbaGaaeysaiaabUcacaqGjbGaaeysaiaabYca caqGdbaabeaakiaac6caaaa@60D4@  (3.6)

Решение системы (3.5) и (3.6) запишем в виде:

β= φ ^ I+II,C σ φ ^ I+II,C τ ( G IIC G IC ) φ ^ IC σ φ ^ IC τ ( G IIC G I+II,C ) φ ^ IC σ φ ^ I+II,C σ ( φ ^ I+II,C τ φ ^ IC τ ) , MathType@MTEF@5@5@+= feaahGart1ev3aaatCvAUfeBSjuyZL2yd9gzLbvyNv2Caerbov2D09 MBdbqefqvATv2CG4uz3bIuV1wyUbqedmvETj2BSbqefm0B1jxALjhi ov2DaebbnrfifHhDYfgasaacH8Wrpu0dbbf9q8qqaqpepec8Eeeu0x Xdbba9frFj0=OqFfea0dXdd9vqaq=JfrVkFHe9pgea0dXdar=Jb9hs 0dXdbPYxe9vr0=vr0=vqpWqaaiaabiWaamaadaqabeaaeaGaauaaaO qaaiabek7aIjabg2da9maalaaabaGafqOXdOMbaKaadaqhaaWcbaGa aeysaiaabUcacaqGjbGaaeysaiaabYcacaqGdbaabaGaeq4WdmhaaO GafqOXdOMbaKaadaqhaaWcbaGaaeysaiaabUcacaqGjbGaaeysaiaa bYcacaqGdbaabaGaeqiXdqhaaOGaaiikaiaadEeadaWgaaWcbaGaae ysaiaabMeacaqGdbaabeaakiabgkHiTiaadEeadaWgaaWcbaGaaeys aiaaboeaaeqaaOGaaiykaiabgkHiTiqbeA8aQzaajaWaa0baaSqaai aabMeacaqGdbaabaGaeq4WdmhaaOGafqOXdOMbaKaadaqhaaWcbaGa aeysaiaaboeaaeaacqaHepaDaaGccaGGOaGaam4ramaaBaaaleaaca qGjbGaaeysaiaaboeaaeqaaOGaeyOeI0Iaam4ramaaBaaaleaacaqG jbGaae4kaiaabMeacaqGjbGaaeilaiaaboeaaeqaaOGaaiykaaqaai qbeA8aQzaajaWaa0baaSqaaiaabMeacaqGdbaabaGaeq4WdmhaaOGa fqOXdOMbaKaadaqhaaWcbaGaaeysaiaabUcacaqGjbGaaeysaiaabY cacaqGdbaabaGaeq4WdmhaaOGaaiikaiqbeA8aQzaajaWaa0baaSqa aiaabMeacaqGRaGaaeysaiaabMeacaqGSaGaae4qaaqaaiabes8a0b aakiabgkHiTiqbeA8aQzaajaWaa0baaSqaaiaabMeacaqGdbaabaGa eqiXdqhaaOGaaiykaaaacaGGSaaaaa@88D7@  (3.7)

γ= φ ^ IC σ ( G IIC G I+II,C ) φ ^ I+II,C σ ( G IIC G IC ) φ ^ IC σ φ ^ I+II,C σ ( φ ^ I+II,C τ φ ^ IC τ ) . MathType@MTEF@5@5@+= feaahGart1ev3aaatCvAUfeBSjuyZL2yd9gzLbvyNv2Caerbov2D09 MBdbqefqvATv2CG4uz3bIuV1wyUbqedmvETj2BSbqefm0B1jxALjhi ov2DaebbnrfifHhDYfgasaacH8Wrpu0dbbf9q8qqaqpepec8Eeeu0x Xdbba9frFj0=OqFfea0dXdd9vqaq=JfrVkFHe9pgea0dXdar=Jb9hs 0dXdbPYxe9vr0=vr0=vqpWqaaiaabiWaamaadaqabeaaeaGaauaaaO qaaiabeo7aNjabg2da9maalaaabaGafqOXdOMbaKaadaqhaaWcbaGa aeysaiaaboeaaeaacqaHdpWCaaGccaGGOaGaam4ramaaBaaaleaaca qGjbGaaeysaiaaboeaaeqaaOGaeyOeI0Iaam4ramaaBaaaleaacaqG jbGaae4kaiaabMeacaqGjbGaaeilaiaaboeaaeqaaOGaaiykaiabgk HiTiqbeA8aQzaajaWaa0baaSqaaiaabMeacaqGRaGaaeysaiaabMea caqGSaGaae4qaaqaaiabeo8aZbaakiaacIcacaWGhbWaaSbaaSqaai aabMeacaqGjbGaae4qaaqabaGccqGHsislcaWGhbWaaSbaaSqaaiaa bMeacaqGdbaabeaakiaacMcaaeaacuaHgpGAgaqcamaaDaaaleaaca qGjbGaae4qaaqaaiabeo8aZbaakiqbeA8aQzaajaWaa0baaSqaaiaa bMeacaqGRaGaaeysaiaabMeacaqGSaGaae4qaaqaaiabeo8aZbaaki aacIcacuaHgpGAgaqcamaaDaaaleaacaqGjbGaae4kaiaabMeacaqG jbGaaeilaiaaboeaaeaacqaHepaDaaGccqGHsislcuaHgpGAgaqcam aaDaaaleaacaqGjbGaae4qaaqaaiabes8a0baakiaacMcaaaGaaiOl aaaa@7B34@  (3.8)

Аналогичным образом определяем постоянные в критерии (3.2):

β 1 = φ ^ I+II,C σ φ ^ I+II,C σ ( G IIC G IC ) φ ^ IC σ φ ^ IC τ ( G IIC G I+II,C ) φ ^ IC σ φ ^ I+II,C σ ( φ ^ I+II,C σ φ ^ IC τ ) , MathType@MTEF@5@5@+= feaahGart1ev3aaatCvAUfeBSjuyZL2yd9gzLbvyNv2Caerbov2D09 MBdbqefqvATv2CG4uz3bIuV1wyUbqedmvETj2BSbqefm0B1jxALjhi ov2DaebbnrfifHhDYfgasaacH8Wrpu0dbbf9q8qqaqpepec8Eeeu0x Xdbba9frFj0=OqFfea0dXdd9vqaq=JfrVkFHe9pgea0dXdar=Jb9hs 0dXdbPYxe9vr0=vr0=vqpWqaaiaabiWaamaadaqabeaaeaGaauaaaO qaaiabek7aInaaBaaaleaacaaIXaaabeaakiabg2da9maalaaabaGa fqOXdOMbaKaadaqhaaWcbaGaaeysaiaabUcacaqGjbGaaeysaiaabY cacaqGdbaabaGaeq4WdmhaaOGafqOXdOMbaKaadaqhaaWcbaGaaeys aiaabUcacaqGjbGaaeysaiaabYcacaqGdbaabaGaeq4WdmhaaOGaai ikaiaadEeadaWgaaWcbaGaaeysaiaabMeacaqGdbaabeaakiabgkHi TiaadEeadaWgaaWcbaGaaeysaiaaboeaaeqaaOGaaiykaiabgkHiTi qbeA8aQzaajaWaa0baaSqaaiaabMeacaqGdbaabaGaeq4WdmhaaOGa fqOXdOMbaKaadaqhaaWcbaGaaeysaiaaboeaaeaacqaHepaDaaGcca GGOaGaam4ramaaBaaaleaacaqGjbGaaeysaiaaboeaaeqaaOGaeyOe I0Iaam4ramaaBaaaleaacaqGjbGaae4kaiaabMeacaqGjbGaaeilai aaboeaaeqaaOGaaiykaaqaaiqbeA8aQzaajaWaa0baaSqaaiaabMea caqGdbaabaGaeq4WdmhaaOGafqOXdOMbaKaadaqhaaWcbaGaaeysai aabUcacaqGjbGaaeysaiaabYcacaqGdbaabaGaeq4WdmhaaOGaaiik aiqbeA8aQzaajaWaa0baaSqaaiaabMeacaqGRaGaaeysaiaabMeaca qGSaGaae4qaaqaaiabeo8aZbaakiabgkHiTiqbeA8aQzaajaWaa0ba aSqaaiaabMeacaqGdbaabaGaeqiXdqhaaOGaaiykaaaacaGGSaaaaa@89C4@  (3.9)

γ 1 = φ ^ IC σ ( G IIC G I+II,C ) φ ^ I+II,C σ ( G IIC G IC ) φ ^ IC σ φ ^ I+II,C σ ( φ ^ I+II,C σ φ ^ IC τ ) . MathType@MTEF@5@5@+= feaahGart1ev3aaatCvAUfeBSjuyZL2yd9gzLbvyNv2Caerbov2D09 MBdbqefqvATv2CG4uz3bIuV1wyUbqedmvETj2BSbqefm0B1jxALjhi ov2DaebbnrfifHhDYfgasaacH8Wrpu0dbbf9q8qqaqpepec8Eeeu0x Xdbba9frFj0=OqFfea0dXdd9vqaq=JfrVkFHe9pgea0dXdar=Jb9hs 0dXdbPYxe9vr0=vr0=vqpWqaaiaabiWaamaadaqabeaaeaGaauaaaO qaaiabeo7aNnaaBaaaleaacaaIXaaabeaakiabg2da9maalaaabaGa fqOXdOMbaKaadaqhaaWcbaGaaeysaiaaboeaaeaacqaHdpWCaaGcca GGOaGaam4ramaaBaaaleaacaqGjbGaaeysaiaaboeaaeqaaOGaeyOe I0Iaam4ramaaBaaaleaacaqGjbGaae4kaiaabMeacaqGjbGaaeilai aaboeaaeqaaOGaaiykaiabgkHiTiqbeA8aQzaajaWaa0baaSqaaiaa bMeacaqGRaGaaeysaiaabMeacaqGSaGaae4qaaqaaiabeo8aZbaaki aacIcacaWGhbWaaSbaaSqaaiaabMeacaqGjbGaae4qaaqabaGccqGH sislcaWGhbWaaSbaaSqaaiaabMeacaqGdbaabeaakiaacMcaaeaacu aHgpGAgaqcamaaDaaaleaacaqGjbGaae4qaaqaaiabeo8aZbaakiqb eA8aQzaajaWaa0baaSqaaiaabMeacaqGRaGaaeysaiaabMeacaqGSa Gaae4qaaqaaiabeo8aZbaakiaacIcacuaHgpGAgaqcamaaDaaaleaa caqGjbGaae4kaiaabMeacaqGjbGaaeilaiaaboeaaeaacqaHdpWCaa GccqGHsislcuaHgpGAgaqcamaaDaaaleaacaqGjbGaae4qaaqaaiab es8a0baakiaacMcaaaGaaiOlaaaa@7C23@  (3.10)

Наряду с критериями (3.1) и (3.2) из работы [16] приведен однопараметрический критерий разрушения адгезионного слоя:

1+sign σ ¯ β φ ^ σ + φ ^ τ = G IIC , MathType@MTEF@5@5@+= feaahGart1ev3aaatCvAUfeBSjuyZL2yd9gzLbvyNv2Caerbov2D09 MBdbqefqvATv2CG4uz3bIuV1wyUbqedmvETj2BSbqefm0B1jxALjhi ov2DaebbnrfifHhDYfgasaacH8Wrpu0dbbf9q8qqaqpepec8Eeeu0x Xdbba9frFj0=OqFfea0dXdd9vqaq=JfrVkFHe9pgea0dXdar=Jb9hs 0dXdbPYxe9vr0=vr0=vqpWqaaiaabiWaamaadaqabeaaeaGaauaaaO qaamaabmaabaGaaGymaiabgUcaRiaabohacaqGPbGaae4zaiaab6ga daqadaqaaiqbeo8aZzaaraaacaGLOaGaayzkaaGafqOSdiMbauaaai aawIcacaGLPaaacuaHgpGAgaqcamaaCaaaleqabaGaeq4WdmhaaOGa ey4kaSIafqOXdOMbaKaadaahaaWcbeqaaiabes8a0baakiabg2da9i aadEeadaWgaaWcbaGaaeysaiaabMeacaqGdbaabeaakiaacYcaaaa@51AC@  (3.11)

где β = ( G IIC G IC )/ φ ^ IC σ MathType@MTEF@5@5@+= feaahGart1ev3aaatCvAUfeBSjuyZL2yd9gzLbvyNv2Caerbov2D09 MBdbqefqvATv2CG4uz3bIuV1wyUbqedmvETj2BSbqefm0B1jxALjhi ov2DaebbnrfifHhDYfgasaacH8Wrpu0dbbf9q8qqaqpepec8Eeeu0x Xdbba9frFj0=OqFfea0dXdd9vqaq=JfrVkFHe9pgea0dXdar=Jb9hs 0dXdbPYxe9vr0=vr0=vqpWqaaiaabiWaamaadaqabeaaeaGaauaaaO qaaiqbek7aIzaafaGaeyypa0ZaaSGbaeaacaGGOaGaam4ramaaBaaa leaacaqGjbGaaeysaiaaboeaaeqaaOGaaGPaVlabgkHiTiaaysW7ca WGhbWaaSbaaSqaaiaabMeacaqGdbaabeaakiaacMcaaeaacuaHgpGA gaqcamaaDaaaleaacaqGjbGaae4qaaqaaiabeo8aZbaaaaaaaa@4B9A@  - параметр, характеризующий “разрыхление” адгезива.

Для нахождения постоянных β, β 1 ,γ, γ 1 ,β' MathType@MTEF@5@5@+= feaahGart1ev3aaatCvAUfeBSjuyZL2yd9gzLbvyNv2Caerbov2D09 MBdbqefqvATv2CG4uz3bIuV1wyUbqedmvETj2BSbqefm0B1jxALjhi ov2DaebbnrfifHhDYfgasaacH8Wrpu0dbbf9q8qqaqpepec8Eeeu0x Xdbba9frFj0=OqFfea0dXdd9vqaq=JfrVkFHe9pgea0dXdar=Jb9hs 0dXdbPYxe9vr0=vr0=vqpWqaaiaabiWaamaadaqabeaaeaGaauaaaO qaaiabek7aIjaacYcacaaMc8UaeqOSdi2aaSbaaSqaaiaaigdaaeqa aOGaaiilaiaaykW7cqaHZoWzcaGGSaGaaGPaVlabeo7aNnaaBaaale aacaaIXaaabeaakiaacYcacaaMc8UaeqOSdiMaai4jaaaa@4BDA@  необходимы данные критических значений J-интегралов для мод нагружения I, II. Кроме того, при нахождении β, β 1 ,γ, γ 1 MathType@MTEF@5@5@+= feaahGart1ev3aaatCvAUfeBSjuyZL2yd9gzLbvyNv2Caerbov2D09 MBdbqefqvATv2CG4uz3bIuV1wyUbqedmvETj2BSbqefm0B1jxALjhi ov2DaebbnrfifHhDYfgasaacH8Wrpu0dbbf9q8qqaqpepec8Eeeu0x Xdbba9frFj0=OqFfea0dXdd9vqaq=JfrVkFHe9pgea0dXdar=Jb9hs 0dXdbPYxe9vr0=vr0=vqpWqaaiaabiWaamaadaqabeaaeaGaauaaaO qaaiabek7aIjaacYcacaaMc8UaeqOSdi2aaSbaaSqaaiaaigdaaeqa aOGaaiilaiaaykW7cqaHZoWzcaGGSaGaaGPaVlabeo7aNnaaBaaale aacaaIXaaabeaaaaa@4749@  необходимы значения предельных энергетических произведений энергий объема и формы для критической внешней нагрузки при нагружении по моде I и смешанной моды I+II. Для постоянной b¢ наряду с характеристиками GIC и GIIC достаточно знание предельного значения энергетического произведения энергии объема для критической внешней нагрузки при нагружении адгезива по моде I.

4. Нахождение критических состояний. Для нахождения напряженного состояния в тонком адгезионном слое при его смешанной моде нагружения воспользуемся решением [12] (2.1), (2.2). При определении энергетических произведений при нормальном разрыве адгезива принимаем решение в рамках теории пластин, полученное в работе [27] на основе деформирования ДКБ-образца, консоли которого сопрягаются адгезивом толщиной d0. В силу того, что в решении [12] отсутствуют напряжения вдоль оси Ox1, напряженное состояние в адгезиве при нормальном разрыве будет определяться одной компонентой тензора напряжений. Значение напряжения в вершине адгезионного слоя будет равно:

σ ¯ 22 = 2 Q 2 6 1+ν δ 0 h E 3 E a 1 h 1ν + 1 5 , MathType@MTEF@5@5@+= feaahGart1ev3aaatCvAUfeBSjuyZL2yd9gzLbvyNv2Caerbov2D09 MBdbqefqvATv2CG4uz3bIuV1wyUbqedmvETj2BSbqefm0B1jxALjhi ov2DaebbnrfifHhDYfgasaacH8Wrpu0dbbf9q8qqaqpepec8Eeeu0x Xdbba9frFj0=OqFfea0dXdd9vqaq=JfrVkFHe9pgea0dXdar=Jb9hs 0dXdbPYxe9vr0=vr0=vqpWqaaiaabiWaamaadaqabeaaeaGaauaaaO qaaiqbeo8aZzaaraWaaSbaaSqaaiaaikdacaaIYaaabeaakiabg2da 9maalaaabaGaaGOmamaabmaabaGaamyuamaaBaaaleaacaaIYaaabe aaaOGaayjkaiaawMcaamaakaaabaGaaGOnamaabmaabaGaaGymaiab gUcaRiabe27aUbGaayjkaiaawMcaaaWcbeaaaOqaamaakaaabaGaeq iTdq2aaSbaaSqaaiaaicdaaeqaaOGaamiAaaWcbeaaaaGcdaGcaaqa amaalaaabaGaamyramaaBaaaleaacaaIZaaabeaaaOqaaiaadweaaa aaleqaaOWaaeWaaeaadaWcaaqaaiaadggadaWgaaWcbaGaaGymaaqa baaakeaacaWGObaaamaakaaabaWaaeWaaeaacaaIXaGaeyOeI0Iaeq yVd4gacaGLOaGaayzkaaaaleqaaOGaey4kaSYaaSaaaeaacaaIXaaa baWaaOaaaeaacaaI1aaaleqaaaaaaOGaayjkaiaawMcaaiaacYcaaa a@59AE@  (4.1)

где a1, h - длина свободной консоли и ее толщина в ДКБ-образце.

Решение (4.1) получено при допущении d0/h << 1 и приводит к следующему значению для J-интеграла:

G I = σ ¯ 22 2 2 E 3 δ 0 = 12 Q 2 2 (1 ν 1 2 ) h E 1 a h 2 1+ 1 5(1 ν 1 ) h a 2 , MathType@MTEF@5@5@+= feaahGart1ev3aaatCvAUfeBSjuyZL2yd9gzLbvyNv2Caerbov2D09 MBdbqefqvATv2CG4uz3bIuV1wyUbqedmvETj2BSbqefm0B1jxALjhi ov2DaebbnrfifHhDYfgasaacH8Wrpu0dbbf9q8qqaqpepec8Eeeu0x Xdbba9frFj0=OqFfea0dXdd9vqaq=JfrVkFHe9pgea0dXdar=Jb9hs 0dXdbPYxe9vr0=vr0=vqpWqaaiaabiWaamaadaqabeaaeaGaauaaaO qaaiaadEeadaWgaaWcbaGaamysaaqabaGccqGH9aqpdaWcaaqaaiqb eo8aZzaaraWaa0baaSqaaiaaikdacaaIYaaabaGaaGOmaaaaaOqaai aaikdacaWGfbWaaSbaaSqaaiaaiodaaeqaaaaakiabes7aKnaaBaaa leaacaaIWaaabeaakiabg2da9maalaaabaGaaGymaiaaikdacaWGrb Waa0baaSqaaiaaikdaaeaacaaIYaaaaOGaaiikaiaaigdacqGHsisl cqaH9oGBdaqhaaWcbaGaaGymaaqaaiaaikdaaaGccaGGPaaabaGaam iAaiaadweadaWgaaWcbaGaaGymaaqabaaaaOWaaeWaaeaadaWcaaqa aiaadggaaeaacaWGObaaaaGaayjkaiaawMcaamaaCaaaleqabaGaaG OmaaaakmaabmqabaGaaGymaiabgUcaRmaalaaabaGaaGymaaqaamaa kaaabaGaaGynaiaacIcacaaIXaGaeyOeI0IaeqyVd42aaSbaaSqaai aaigdaaeqaaOGaaiykaaWcbeaaaaGcdaqadaqaamaalaaabaGaamiA aaqaaiaadggaaaaacaGLOaGaayzkaaaacaGLOaGaayzkaaWaaWbaaS qabeaacaaIYaaaaOGaaGzaVlaacYcaaaa@6803@  (4.2)

которое совпадает с выражением, полученным в работах [28, 29], и предполагает существование относительно малого значения толщины слоя, при котором значения энергетических произведений не зависят от толщины слоя. Для случая рассматриваемого диапазона малых значений относительных толщин слоя напряжение на его торце в критическом состоянии при нормальном разрыве может быть найдено в виде:

σ ¯ 22 = 2 G E 3 δ 0 . MathType@MTEF@5@5@+= feaahGart1ev3aaatCvAUfeBSjuyZL2yd9gzLbvyNv2Caerbov2D09 MBdbqefqvATv2CG4uz3bIuV1wyUbqedmvETj2BSbqefm0B1jxALjhi ov2DaebbnrfifHhDYfgasaacH8Wrpu0dbbf9q8qqaqpepec8Eeeu0x Xdbba9frFj0=OqFfea0dXdd9vqaq=JfrVkFHe9pgea0dXdar=Jb9hs 0dXdbPYxe9vr0=vr0=vqpWqaaiaabiWaamaadaqabeaaeaGaauaaaO qaaiqbeo8aZzaaraWaaSbaaSqaaiaaikdacaaIYaaabeaakiabg2da 9maakaaabaWaaSaaaeaacaaIYaGaam4ramaaBaaaleaacaqGjbGaae y0aaqabaGccaWGfbWaaSbaaSqaaiaaiodaaeqaaaGcbaGaeqiTdq2a aSbaaSqaaiaaicdaaeqaaaaaaeqaaOGaaiOlaaaa@45C1@  (4.3)

Из (4.3) приходим к выражениям для энергетических произведений при нормальном разрыве слоя: φ ^ IC σ = G IC /3 , MathType@MTEF@5@5@+= feaahGart1ev3aaatCvAUfeBSjuyZL2yd9gzLbvyNv2Caerbov2D09 MBdbqefqvATv2CG4uz3bIuV1wyUbqedmvETj2BSbqefm0B1jxALjhi ov2DaebbnrfifHhDYfgasaacH8Wrpu0dbbf9q8qqaqpepec8Eeeu0x Xdbba9frFj0=OqFfea0dXdd9vqaq=JfrVkFHe9pgea0dXdar=Jb9hs 0dXdbPYxe9vr0=vr0=vqpWqaaiaabiWaamaadaqabeaaeaGaauaaaO qaaiqbeA8aQzaajaWaa0baaSqaaiaabMeacaqGdbaabaGaeq4Wdmha aOGaeyypa0ZaaSGbaeaacaWGhbWaaSbaaSqaaiaabMeacaqGdbaabe aaaOqaaiaaiodaaaGaaiilaaaa@42A6@   φ ^ IC τ = 2 G IC /3 . MathType@MTEF@5@5@+= feaahGart1ev3aaatCvAUfeBSjuyZL2yd9gzLbvyNv2Caerbov2D09 MBdbqefqvATv2CG4uz3bIuV1wyUbqedmvETj2BSbqefm0B1jxALjhi ov2DaebbnrfifHhDYfgasaacH8Wrpu0dbbf9q8qqaqpepec8Eeeu0x Xdbba9frFj0=OqFfea0dXdd9vqaq=JfrVkFHe9pgea0dXdar=Jb9hs 0dXdbPYxe9vr0=vr0=vqpWqaaiaabiWaamaadaqabeaaeaGaauaaaO qaaiqbeA8aQzaajaWaa0baaSqaaiaadMeacaWGdbaabaGaeqiXdqha aOGaeyypa0ZaaSGbaeaacaaIYaGaam4ramaaBaaaleaacaqGjbGaae 4qaaqabaaakeaacaaIZaaaaiaac6caaaa@436A@  В этом случае параметр разупрочнения в (3.11) будет равен β =3 ( G IIC / G IC 1). MathType@MTEF@5@5@+= feaahGart1ev3aaatCvAUfeBSjuyZL2yd9gzLbvyNv2Caerbov2D09 MBdbqefqvATv2CG4uz3bIuV1wyUbqedmvETj2BSbqefm0B1jxALjhi ov2DaebbnrfifHhDYfgasaacH8Wrpu0dbbf9q8qqaqpepec8Eeeu0x Xdbba9frFj0=OqFfea0dXdd9vqaq=JfrVkFHe9pgea0dXdar=Jb9hs 0dXdbPYxe9vr0=vr0=vqpWqaaiaabiWaamaadaqabeaaeaGaauaaaO qaaiqbek7aIzaafaGaeyypa0JaaG4mamaalyaabaGaaiikaiaadEea daWgaaWcbaGaaeysaiaabMeacaqGdbaabeaaaOqaaiaadEeadaWgaa WcbaGaaeysaiaaboeaaeqaaaaakiabgkHiTiaaigdacaGGPaGaaiOl aaaa@455D@

Для нахождения значений (3.7)-(3.10) воспользуемся решениями (2.1), (2.2) для нахождения величин φ ^ I+II,C σ , φ ^ I+II,C τ MathType@MTEF@5@5@+= feaahGart1ev3aaatCvAUfeBSjuyZL2yd9gzLbvyNv2Caerbov2D09 MBdbqefqvATv2CG4uz3bIuV1wyUbqedmvETj2BSbqefm0B1jxALjhi ov2DaebbnrfifHhDYfgasaacH8Wrpu0dbbf9q8qqaqpepec8Eeeu0x Xdbba9frFj0=OqFfea0dXdd9vqaq=JfrVkFHe9pgea0dXdar=Jb9hs 0dXdbPYxe9vr0=vr0=vqpWqaaiaabiWaamaadaqabeaaeaGaauaaaO qaaiqbeA8aQzaajaWaa0baaSqaaiaabMeacaqGRaGaaeysaiaabMea caqGSaGaae4qaaqaaiabeo8aZbaakiaacYcacuaHgpGAgaqcamaaDa aaleaacaqGjbGaae4kaiaabMeacaqGjbGaaeilaiaaboeaaeaacqaH epaDaaaaaa@4974@  с учетом критической нагрузки F1. При этом будем использовать как толщину адгезива, заданную в экспериментальном образце, так и толщину на два порядка меньшую при значениях GIC и GIIC согласно заявленным производителем и работы [24]. Рассмотрим погрешности 1 , 2 , 3 MathType@MTEF@5@5@+= feaahGart1ev3aaatCvAUfeBSjuyZL2yd9gzLbvyNv2Caerbov2D09 MBaeXatLxBI9gBaeXafv3ySLgzGmvETj2BSbqeeuuDJXwAKbsr4rNC HbGeaGqipC0df9qqqrpepC0xbbL8F4rqqrFfpeea0de9Gq=Je9qspe ea0xd9qs=xfrVkFHe9peei0dXdar=Jb9qqFfea0lrP0xe9Fve9Fve9 GapdbeqaaeGacaGaamaabeqaaeqabiabaaGcbaaeaaaaaaaaa8qacq WIZwIvpaWaaSbaaSqaa8qacaaIXaaapaqabaGcpeGaaiilaiabloBj w9aadaWgaaWcbaWdbiaaikdaa8aabeaak8qacaGGSaGaeS4SLy1dam aaBaaaleaapeGaaG4maaWdaeqaaaaa@4164@  выполнения критериев (3.1), (3.2), (3.11) в виде отношения расчетного значения правой части соответствующего критерия к величине GIIC. Результаты расчетов при значении линейного параметра d0, равном 200 мкм, поместим в табл. 1, а для величины, равной 2 мкм, в табл. 2. Значения в скобках соответствуют величинам GIC и GIIC, полученным в работе [24].

 

Таблица 1. Погрешности выполнения критериев разрушения при δ 0 MathType@MTEF@5@5@+= feaahGart1ev3aqatCvAUfeBSjuyZL2yd9gzLbvyNv2Caerbov2D09 MBaeXatLxBI9gBaeXafv3ySLgzGmvETj2BSbqeeuuDJXwAKbsr4rNC HbGeaGqipC0df9qqqrpepC0xbbL8F4rqqrFfpeea0de9Gq=Je9qspe ea0xd9qs=xfrVkFHe9peei0dXdar=Jb9qqFfea0lrP0xe9Fve9Fve9 GapdbeqaaeGacaGaamaabeqaaeqabiabaaGcbaGaeqiTdq2aaSbaaS qaaiaaicdaaeqaaaaa@39BD@  = 200 мкм

F (Н)

5900

7100

8500

9300

Δ1

1

1.01(0.99)

1.03(0.96)

0.96(0.98)

Δ2

1

1.05(1.06)

1.14(1.16)

1.06(0.99)

Δ3

1.41(1.81)

1.46(1.87)

1.55(1.97)

1.46(1.84)

 

Таблица 2. Погрешности выполнения критериев разрушения при δ 0 MathType@MTEF@5@5@+= feaahGart1ev3aqatCvAUfeBSjuyZL2yd9gzLbvyNv2Caerbov2D09 MBaeXatLxBI9gBaeXafv3ySLgzGmvETj2BSbqeeuuDJXwAKbsr4rNC HbGeaGqipC0df9qqqrpepC0xbbL8F4rqqrFfpeea0de9Gq=Je9qspe ea0xd9qs=xfrVkFHe9peei0dXdar=Jb9qqFfea0lrP0xe9Fve9Fve9 GapdbeqaaeGacaGaamaabeqaaeqabiabaaGcbaGaeqiTdq2aaSbaaS qaaiaaicdaaeqaaaaa@39BD@  = 2 мкм

F (Н)

5900

7100

8500

9300

Δ1

1

1.02(0.99)

1.05(0.99)

1.02(0.99)

Δ2

1

1.04(1.04)

1.11(1.11)

1.05(1.01)

Δ3

1.23(1.58)

1.27(1.62)

1.34(1.69)

1.27(1.58)

 

И результатов табл. 1 и табл. 2 видим, что двухпараметрические критерии наиболее более близки к экспериментальным данным по сравнению с однопараметрическим критерием. При этом квазилинейный относительно энергии деформации объема двухпараметрический критерий (3.1) имеет меньшую погрешность по сравнению с критерием (3.2), которая при определенных данных критических значений J-интегралов не превосходит 1%. Уменьшение значения линейного параметра стабилизирует расчетные значения и уменьшает погрешность, что оказалось более существенным для однопараметрического критерия.

5. Заключение. Рассмотрены двухпараметрические критерии, учитывающие влияние инвариантных составляющих плотности упругой энергии и гидростатическое давление на разрушение тонких адгезионных слоев. На основе аналитического решения и критических значений J-интегралов для моды I и II адгезива Araldite AV138 найдены коэффициенты для предложенных критериев. По известным данным разрушения SLJ соединений проведено тестирование предложенных критериев для смешанной моды нагружения I+II. Показано их хорошее соответствие экспериментальным результатам, при этом квазилинейный относительно плотности энергии деформации объема критерий наиболее близко описывает критическое состояние.

 

Исследование выполнено за счет гранта Российского научного фонда MathType@MTEF@5@5@+= feaahGart1ev3aqatCvAUfeBSjuyZL2yd9gzLbvyNv2Caerbov2D09 MBaeXatLxBI9gBaeXafv3ySLgzGmvETj2BSbqeeuuDJXwAKbsr4rNC HbGeaGqipC0df9qqqrpepC0xbbL8F4rqqrFfpeea0de9Gq=Je9qspe ea0xd9qs=xfrVkFHe9peei0dXdar=Jb9qqFfea0lrP0xe9Fve9Fve9 GapdbeqaaeGacaGaamaabeqaaeqabiabaaGcbaqefqvATv2CG4uz3b IuV1wyUbacfaqcLbuaqaaaaaaaaaWdbiaa=zriaaa@3E45@  23-21-00017, https://rscf.ru/project/23-21-00017/, в Тульском государственном университете.

×

About the authors

V. V. Glagolev

Tula State University

Author for correspondence.
Email: vadim@tsu.tula.ru
Russian Federation, Tula

A. I. Lutkhov

Tula State University

Email: tip460@mail.ru
Russian Federation, Tula

References

  1. Steven R.A., Stefan H. Strength prediction of beams with bi-material butt-joints // Eng. Fract. Mech. 2003. V. 70. № 12. P. 1491–1507. https://doi.org/10.1016/s0013-7944(02)00149-2
  2. Labossiere P.E.W., Dunn M.L. Fracture initiation at three-dimensional bimaterial interface corners // J. Mech. Phys. Solids. 2001. V. 49. № 3. P. 609–634. https://doi.org/10.1016/s0022-5096(00)00043-0
  3. Wu Z., Tian S., Hua Y., Gu X. On the interfacial strength of bonded scarf joints // Eng. Fract. Mech. 2014. V. 131. P. 142–149. https://doi.org/10.1016/j.engfracmech.2014.07.026
  4. Ustinov K.B. On delamination of a stripe along the boundary between two elastic layers. Part 2. Case of shear crack // PNRPU Mechanics Bulletin. 2016. № 2. P. 131–142. https://doi.org/10.15593/perm.mech/2016.2.09
  5. Ustinov K.B., Massabo R., Lisovenko D.S. Orthotropic strip with central semi-infinite crack under arbitrary loads applied far apart from the crack tip. Analytical solution // Engineering Failure Analysis. 2020. V. 110. 104410. https://doi.org/10.1016/j.engfailanal.2020.104410
  6. Astafiev V.I., Radayev Y.N., Stepanova L.V. Non-linear fracture mechanics. Samara: Samara State University publishing house, 2001. 632 p.
  7. Nakano N., Sekiguchi Y., Sawa T. FEM stress analysis and strength prediction of scarf adhesive joints under static bending moments // Int. J. Adhes. Adhes. 2013. V. 44. P. 166–173. https://doi.org/10.1016/j.ijadhadh.2013.02.010
  8. Campilho R.D.S.G., Banea M.D., Neto J.A.B.P., da Silva L.F.M. Modelling of single-lap joints using cohesive zone models: Effect of the cohesive parameters on the output of the simulations // The Journal of Adhesion. 2012. V. 88(4-6). P. 513–533. https://doi.org/10.1080/00218464.2012.660834
  9. De Moura M.F.S.F., Goncalves J.P.M. Cohesive zone model for high-cycle fatigue of adhesively bonded joints under mode I loading // Int. J. Solids Struct. 2014. V. 5. P. 1123–1131. https://doi.org/10.1016/j.ijsolstr.2013.12.0
  10. Panettieri E., Fanteria D., Danzi F. Delaminations growth in compression after impact test simulations: Influence of cohesive elements parameters on numerical results // Composite Structures. 2016. V. 137. P. 140–147. https://doi.org/10.1016/j.compstruct.2015.11.018
  11. Volkersen O. Die Nietkraftverteilung in zugbeanspruchten nietverbindungen mit konstanten laschenquerschnitten // Luftfarhtforschung. 1938. V. 15. P. 41–47.
  12. Goland M., Reissner E. The stresses in cemented joints // J. Appl. Mech. 1944. V. 11 (1). P. 17–27. https://doi.org/10.1115/1.4009336
  13. Adams R.D., Peppiatt N.A. Stress analysis of adhesive-bonded lap joints // Journal of Strain Analysis. 1974. V. 9. № 3. P. 185–196. https://doi.org/10.1243/03093247V093185
  14. da Silva L.F.M., das Neves P.J.C., Adams R.D., Wang A., Spelt J.K. Analytical models of adhesively bonded joints – Part II: Comparative study // Int. J. Adhes. Adhes. 2009. V. 29 (3). P. 331–341. https://doi.org/10.1016/j.ijadhadh.2008.06.007
  15. Carpenter W.C. Goland and Reissner were correct // The Journal of Strain Analysis for Engineering Design. 1989. V. 24. № 3. P. 185–187. https://doi.org/10.1243/03093247V243185
  16. Glagolev V.V., Markin A.A. Limit states of adhesive layers under combined loading // Mechanics of Solid. 2023. № 6. P. 39–46. https://doi.org/10.31857/S0572329923600019
  17. Novozhilov V.V. On plastic cavitation // J. Appl. Math. Mech. 1965. V. 29(4). P. 811–819. https://doi.org/10.1016/0021-8928(65)90090-0
  18. Prandtl L. Spannungsverteilung in plastischen korpern // Proc. 1st Internat. Congr. Appl. Mech. 1924. P. 43–54.
  19. Guest J.J. Yield surface in combined stress // Phil. Mag. Ser. 7. 1940. V. 30. P. 349–369.
  20. Schleicher F. Der spannungszustand an der fliessgrenze (Plastizitatsbedingung) // ZAMM. 1926. V. 6 (3). P. 199–216.
  21. Tolokonnikov L.A., Tolokonnikov O.L., Sultanov I.S. Axisymmetric plastic deformations under the condition of plasticity depending on hydrostatic stress // International applied mechanics. 1976. V. XII. № 8. P. 43–48.
  22. Tolokonnikov O.L. Installation for testing tubular samples of materials in a high-pressure enviroment // Izv. Akad. Nauk SSSR. Mekh. Тverd. Тela. 1985. № 3. P. 185–188.
  23. Berto F., Glagolev V.V., Markin A.A. Relationship between Jc and the dissipation energy in the adhesive layer of a layered composite // Int. J. Fract. 2020. V. 224. № 2. P. 277–284. https://doi.org/10.1007/s10704-020-00464-0
  24. Santos M.A.S., Campilho R.D.S.G. Mixed-mode fracture analysis of composite bonded joints considering adhesives of different ductility // Int. J. Fract. 2017. V. 207. P. 55–71. https://doi.org/10.1007/s10704-017-0219-x
  25. Dionisio J.M.M., Ramalho L.D.C., Sanchez-Arce I.J., Campilho R.D.S.G., Belinha J. Fracture mechanics approach to stress singularity in adhesive joints // Int. J. Fract. 2021. V. 232. P. 77–91. https://doi.org/10.1007/s10704-021-00594-z
  26. De Sousa C.C.R.G., Campilho R.D.S.G., Marques E.A.S., Costa M., da Silva L.F.M. Overview of different strength prediction techniques for single-lap bonded joints // Proc. Inst. Mech. Eng. Part L. 2017. V. 231. P. 210–223. https://doi.org/10.1177/1464420716675746
  27. Bogacheva V.E., Glagolev V.V., Glagolev L.V., Markin A.A. On the influence of the mechanical characteristics of a thin adhesion layer on the composite strength. Part 1. Elastic deformation // PNRPU Mechanics Bulletin. 2022. № 3. P. 116–124. https://doi.org/10.15593/perm.mech/2022.3.12
  28. Bruno D., Greco F., Lonetti P. Computation of energy release rate and mode separation in delaminated composite plates by using plate and interface variables // Mech. Adv. Mater. Struct. 2005. V. 12. № 4. P. 285–304. https://doi.org/10.1080/15376490590953563
  29. Bruno D., Greco F. Mixed-mode delamination in plates: a refined approach // Int. J. Solids Struct. 2001. V. 38. № 50–51. P. 9149–9177. https://doi.org/10.1016/S0020-7683(01)00179-2

Supplementary files

Supplementary Files
Action
1. JATS XML
2. Fig. 1. SLJ connection loading diagram.

Download (65KB)

Copyright (c) 2024 Russian Academy of Sciences

Согласие на обработку персональных данных с помощью сервиса «Яндекс.Метрика»

1. Я (далее – «Пользователь» или «Субъект персональных данных»), осуществляя использование сайта https://journals.rcsi.science/ (далее – «Сайт»), подтверждая свою полную дееспособность даю согласие на обработку персональных данных с использованием средств автоматизации Оператору - федеральному государственному бюджетному учреждению «Российский центр научной информации» (РЦНИ), далее – «Оператор», расположенному по адресу: 119991, г. Москва, Ленинский просп., д.32А, со следующими условиями.

2. Категории обрабатываемых данных: файлы «cookies» (куки-файлы). Файлы «cookie» – это небольшой текстовый файл, который веб-сервер может хранить в браузере Пользователя. Данные файлы веб-сервер загружает на устройство Пользователя при посещении им Сайта. При каждом следующем посещении Пользователем Сайта «cookie» файлы отправляются на Сайт Оператора. Данные файлы позволяют Сайту распознавать устройство Пользователя. Содержимое такого файла может как относиться, так и не относиться к персональным данным, в зависимости от того, содержит ли такой файл персональные данные или содержит обезличенные технические данные.

3. Цель обработки персональных данных: анализ пользовательской активности с помощью сервиса «Яндекс.Метрика».

4. Категории субъектов персональных данных: все Пользователи Сайта, которые дали согласие на обработку файлов «cookie».

5. Способы обработки: сбор, запись, систематизация, накопление, хранение, уточнение (обновление, изменение), извлечение, использование, передача (доступ, предоставление), блокирование, удаление, уничтожение персональных данных.

6. Срок обработки и хранения: до получения от Субъекта персональных данных требования о прекращении обработки/отзыва согласия.

7. Способ отзыва: заявление об отзыве в письменном виде путём его направления на адрес электронной почты Оператора: info@rcsi.science или путем письменного обращения по юридическому адресу: 119991, г. Москва, Ленинский просп., д.32А

8. Субъект персональных данных вправе запретить своему оборудованию прием этих данных или ограничить прием этих данных. При отказе от получения таких данных или при ограничении приема данных некоторые функции Сайта могут работать некорректно. Субъект персональных данных обязуется сам настроить свое оборудование таким способом, чтобы оно обеспечивало адекватный его желаниям режим работы и уровень защиты данных файлов «cookie», Оператор не предоставляет технологических и правовых консультаций на темы подобного характера.

9. Порядок уничтожения персональных данных при достижении цели их обработки или при наступлении иных законных оснований определяется Оператором в соответствии с законодательством Российской Федерации.

10. Я согласен/согласна квалифицировать в качестве своей простой электронной подписи под настоящим Согласием и под Политикой обработки персональных данных выполнение мною следующего действия на сайте: https://journals.rcsi.science/ нажатие мною на интерфейсе с текстом: «Сайт использует сервис «Яндекс.Метрика» (который использует файлы «cookie») на элемент с текстом «Принять и продолжить».