Description of digital systems by various construction schemes
- Autores: Mishin D.V.1, Tyazhev A.I.1
-
Afiliações:
- Povolzhskiy State University of Telecommunications and Informatics
- Edição: Volume 25, Nº 2 (2022)
- Páginas: 60-66
- Seção: Articles
- URL: https://medbiosci.ru/1810-3189/article/view/143682
- DOI: https://doi.org/10.18469/1810-3189.2022.25.2.60-66
- ID: 143682
Citar
Texto integral
Resumo
The article discusses ways of describing digital systems with various schemes, provides a comparative characteristic of these schemes, indicates the advantages and disadvantages of different schemes. The four schemes for constructing digital systems described in the article are equivalent, since with the same input signal, the output signal for all circuits will be the same, although different signals will circulate inside these circuits. To build adaptive digital systems, preference should be given to state-space circuits, since in them it is easier to adjust the parameters of the digital system. When choosing between serial and parallel circuits, preference should be given to the parallel circuit if the coefficients in it are valid. With complex coefficients, the implementation of the parallel scheme becomes more complicated, therefore, in this case, one should choose a sequential scheme in the state space, all the coefficients are real.
Texto integral
Введение
В многочисленной литературе, посвященной описанию цифровых устройств и систем [1–10], приводятся разные варианты схем реализации этих систем. В данной статье приводятся описание четырех схем построения цифровых систем, алгоритмы пересчета из одних схем в другие, рассматриваются достоинства и недостатки различных схем, даются рекомендации по выбору той или иной схемы реализации цифровых систем.
1. Описание цифровых систем с помощью разностных уравнений
Известно, что аналоговые системы описываются дифференциальными уравнениями, а цифровые системы – разностными уравнениями [3]. В разностных уравнениях время изменяется через конечный временной интервал Т, называемый периодом дискретизации. Покажем на примере, как от дифференциального уравнения перейти к разностному уравнению. Аналоговое инерционное звено с передаточной функцией вида:
,
где а – постоянная времени звена, описывается дифференциальным уравнением первого порядка:
.
Так как
,
то, введя в дифференциальное уравнение вместо непрерывного времени t дискретное время nT, получим следующее разностное уравнение первого порядка:
,
где n = 1, 2, 3, … – номера отсчетов цифровых сигналов x(n) и y(n). Этим уравнением описывается цифровое инерционное звено первого порядка.
Чтобы перейти от дифференциального уравнения порядка m к разностному уравнению, в дифференциальном уравнении вида
производные i-го порядка для входного сигнала и выходного сигнала заменяют выражениями для их конечных разностей i-го порядка. Часто в разностных уравнениях период дискретизации Т принимают равным единице, т. е. Т = 1. При этом запись формул для конечных разностей и разностного уравнения в целом упрощается. Для порядков производных i = 1, 2, 3 выражения для производных входного сигнала х(t) и соответствующих им конечных разностей имеют следующий вид:
– первая конечная разность,
– вторая конечная разность,
– третья конечная разность и т. д.
Для производных выходного сигнала y(t) эти выражения имеют аналогичный вид, только буква х заменяется на букву у. Если заменить в приведенном выше дифференциальном уравнении порядка m i-е производные выходного и входного сигналов на соответствующие им конечные разности и привести подобные, то получим разностное уравнение порядка m следующего вида:
,
где n – номера отсчетов; i – величина задержки отсчетов цифровых сигналов по тактам; m – порядок разностного уравнения, равный максимальной задержке отсчетов сигналов и совпадающий с порядком исходного дифференциального уравнения. Отметим, что коэффициенты ai и bi в этом разностном уравнении не равны аналогичным коэффициентам в дифференциальном уравнении. По описанному алгоритму осуществляется переход от дифференциальных уравнений к разностным уравнениям при их решении на ЭВМ.
2. Связь между системными функциями и разностными уравнениями
По аналогии с передаточными функциями для аналоговых систем для цифровых систем введено понятие системных функций, которые по определению есть отношение Z-преобразования от выходного цифрового сигнала к Z-преобразованию от входного цифрового сигнала, т. е.
.
Системные функции W(z) цифровых звеньев представляются в двух формах: в виде отношения полиномов с положительными степенями комплексной переменной z, а также в виде отношения полиномов с отрицательными степенями z. Вторая форма записи W(z) удобнее [7], поэтому приравняем это выражение к определению системной функции и получим:
,
откуда после перемножения крест-накрест имеем:
Введем сомножители Y(z) и X(z) под знаки сумм, после чего возьмем от левой и правой частей этого уравнения обратное Z-преобразование и с учетом двух теорем Z-преобразования: теоремы линейности и теоремы смещения по тактам цифрового сигнала [3] – получим следующее разностное уравнение:
при коэффициенте а0 = 1 это уравнение можно переписать в виде
По этому уравнению можно составить схему вычисления разностного уравнения.
3. Прямая и каноническая схемы цифровых систем
Рассмотрим построение этих схем на примере цифровых звеньев второго порядка. Системные функции звеньев второго порядка описываются выражением
Если по описанному выше алгоритму осуществить переход от этой системной функции к разностному уравнению, то можно убедиться, что системной функции звена второго порядка соответствует следующее разностное уравнение:
Вычисление этого разностного уравнения осуществляется по схеме цифрового звена, приведенной на рис. 1.
Рис. 1. Прямая схема цифрового звена второго порядка
Левая часть схемы на рис. 1 называется нерекурсивной, а правая часть схемы с обратными связями – рекурсивной. Нерекурсивной части соответствует числитель выражения W(z), а рекурсивной части – знаменатель выражения W(z). Схему на рис. 1 называют прямой схемой реализации цифрового звена второго порядка. Блоки z–1 – это регистры, на них осуществляется задержка отсчетов цифровых сигналов на один такт.
Выражение W(z) можно представить в виде двух сомножителей:
где – системная функция нерекурсивной части схемы,
– системная функция рекурсивной части схемы. Так как от перестановки сомножителей произведение не меняется, то выражение Wi(z) можно представить в виде
Этому выражению соответствует схема цифрового звена второго порядка, приведенная на рис. 2. Так как в этом случае цифровые линии задержки рекурсивной и нерекурсивной частей схемы идут параллельно, то их объединяют в одну линию задержки. Сигналы v(n – 1), v(n – 2) – это цифровые сигналы на выходах регистров цифровой линии задержки. Схема на рис. 2 получила название канонической, в ней число регистров в 2 раза меньше, чем в схеме на рис. 1.
Рис. 2. Каноническая схема цифрового звена второго порядка
4. Описание цифровых систем в пространстве состояний (последовательная схема)
Дифференциальные уравнения порядка m могут быть представлены в виде системы из m дифференциальных уравнений первого порядка. Разностные уравнения также подчиняются этому правилу [7]. При этом разностное уравнение порядка m вида
заменяется уравнением выхода
и системой из m разностных уравнений первого порядка. При этом первые m – 1 уравнений имеют следующий вид:
где i = 1, 2, …, m – 1, а последнее разностное уравнение имеет более сложную правую часть и имеет вид:
В этих уравнениях и – переменные состояния на очередном и последующем тактах, – новые коэффициенты, подлежащие расчету.
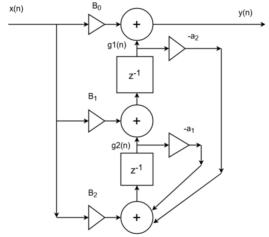
Покажем переход к описанию цифровой системы в пространстве состояний на примере разностного уравнения второго порядка (при m = 2):
(1)
Для этого введем переменные состояния g1(n), g2(n) и запишем уравнение выхода
(2)
и систему из двух разностных уравнений первого порядка
(3)
(4)
Докажем эквивалентность уравнений (2), (3) и (4) исходному разностному уравнению (1) и установим связь между коэффициентами ai, bi, и Bi, обеспечивающую эту эквивалентность (рис. 3).
Рис. 3. Последовательная схема цифрового звена второго порядка в пространстве состояний
Из (2) имеем:
(5)
На следующем такте уравнение (5) будет иметь вид
(6).
Тогда из (3) c учетом выражения (6) получим:
(7)
На предыдущем такте уравнение (3) имеет вид
(8),
а на 2 такта ранее уравнение (4) будет равно
(9)
Из (2) и (7) на 2 такта ранее получим:
(10)
(11)
Используя полученные выражения (7)–(10) и (11), из уравнения выхода (2) получим следующую последовательность разностных уравнений:
(12)
Из сопоставления правых частей исходного разностного уравнения (1) и полученного итогового разностного уравнения (12) установим связь между коэффициентами ai, bi и Bi:
откуда
Из этих формул просматривается общая закономерность связей между коэффициентами ai, di и Bi при любом порядке разностных уравнений m. Так при m = 3 получим:
На рис. 3 приведена последовательная схема звена второго порядка в пространстве состояний, составленная в соответствии с уравнениями (2), (3) и (4).
Такое название эта схема получила потому, что в ней разностные уравнения вычисляются последовательно. Из рис. 3 видно, что последовательная схема в пространстве состояний также содержит 2 элемента задержки, как и каноническая схема. Сигналы на выходах элементов задержки в схеме на рис. 3 являются переменными состояния.
5. Параллельная схема цифровой системы в пространстве состояний
Последовательная схема цифровой системы в пространстве состояний не является единственно возможной. В теории дробно-рациональных функций доказывается, что системная функция W(z) может быть представлена в виде суммы из m элементарных дробей [3]:
(13)
где zi – корни характеристического уравнения
называемые полюсами функции W(z). Из выражения для характеристического уравнения видно, что оно получается в результате приравнивания к нулю знаменателя передаточной функции W(z). Для перехода к характеристическому уравнению с положительными степенями z нужно левую и правую части уравнения умножить на zm. Решение характеристического уравнения дает m корней (полюсов). В общем случае полюсы функции W(z) могут быть действительные и комплексные, разные и кратные. Коэффициенты Аi находятся через коэффициенты аi и bi различными методами: методом неопределенных коэффициентов, методом подстановки численных значений или методом предельных значений [3].
Помножим левую и правую части (13) на изображение входного сигнала Х(z) и получим:
(14)
Введем обозначение
(15)
из которого получим:
Применим обратное Z-преобразование для левой и правой частей этого выражения и получим систему из m разностных уравнений первого порядка:
(16)
Здесь i = 1, 2, …, m.
На основании (14) с учетом (15) имеем:
Применим к этому выражению обратное Z-преобразование и получим уравнение выхода:
(17)
где fi(n) – переменные состояния цифровой системы при параллельной схеме описания в пространстве состояний.
На рис. 4 приведена параллельная схема цифрового звена второго порядка в пространстве состояний, в которой реализуется параллельное вычисление разностных уравнений (16) и уравнения выхода (17) при m = 2.
Рис. 4. Параллельная схема цифрового звена второго порядка в пространстве состояний
Заключение
Описанные четыре схемы построения цифровых систем являются эквивалентными, т. к. при одном и том же входном сигнале x(n) выходной сигнал y(n) для всех схем будет одинаковым, хотя внутри этих схем будут циркулировать разные сигналы. Возникает вопрос о том, какую схему лучше всего использовать? При выборе между прямой и канонической схемами предпочтение следует отдать канонической, так как в ней требуется в 2 раза меньше регистров памяти. Если же память не критична, то можно выбирать любую из этих схем. Для построения адаптивных цифровых систем [5–6] предпочтение следует отдавать схемам в пространстве состояний, т. к. в них проще осуществляется регулировка параметров цифровой системы. При выборе между последовательной и параллельной схемами предпочтение следует отдавать параллельной схеме, если коэффициенты zi в ней являются действительными. При комплексных коэффициентах zi реализация параллельной схемы усложняется, поэтому в этом случае следует выбирать последовательную схему в пространстве состояний, в ней все коэффициенты действительные.
Sobre autores
Dmitry Mishin
Povolzhskiy State University of Telecommunications and Informatics
Email: mishin@psati.ru
ORCID ID: 0000-0003-2572-5254
Doctor of Technical Sciences, professor, rector of the Povolzhskiy State University of Telecommunications and Informatics, professor of the Department of Radioelectronic Systems, Samara, Russia.
Research interests: digital signal processing, error-correcting coding, turbo codes, digital modeling of radio channels.
Rússia, 23, L. Tolstoy Street, Samara, 443010Anatoly Tyazhev
Povolzhskiy State University of Telecommunications and Informatics
Autor responsável pela correspondência
Email: tyagev@psati.ru
ORCID ID: 0000-0002-4402-1597
Doctor of Technical Sciences, professor of the Department of Radioelectronic Systems, Povolzhskiy State University of Telecommunications and Informatics, Samara, Russia.
Research interests: digital signal processing, digital automatic control systems, radio control, digital radio and television systems.
23, L. Tolstoy Street, Samara, 443010Bibliografia
- Hemming R.V. Digital Filters. Moscow: Sov. radio, 1980, 224 p. (In Russ.)
- Rabiner L., Gould B. Theory and Applications of Digital Signal Processing. Moscow: Mir, 1978, 848 p. (In Russ.)
- Bronshtejn I.N., Semendjaev K.A. Handbook of Mathematics for Engineers and University Students. Moscow: Nauka, 1980, 976 p. (In Russ.)
- Mishin D.V., Tyazhev A.I. Comparative Estimation of Computational Costs in the Implementation of Digital OFDM Modems Based on RSG and FFT. Prilozhenie k zhurnalu «Infokommunikacionnye tehnologii», 2011, vol. 9, pp. 32–38. (In Russ.)
- Uidrou B., Stirnz S. Adaptive Signal Processing. Moscow: Radio i svjaz’, 1989, 440 p. (In Russ.)
- Sergienko A.B. Digital Signal Processing. Saint Petersburg: Piter, 2006, 751 p. (In Russ.)
- Tyazhev A.I. Fundamentals of Control Theory and Radio Automatics. Moscow: Radio i svjaz’, 1999, 188 p. (In Russ.)
- Mishin D.V., Tyazhev A.I. Digital modeling of a multipath communication channel. Infokommunikacionnye tehnologii, 2019, vol. 17, no. 4, pp. 366–372. DOI: https://doi.org/10.18469/ikt.2019.17.4.02 (In Russ.)
- Ivanova V.G., Tyazhev A.I. Digital Signal Processing and Signal Processors / Ed. A.I. Tyazhev. Samara: Ofort, 2008, 264 p. (In Russ.)
- Mishin D.V., Tyazhev A.I. Implementation of high-speed OFDM modems for radio channels with signal fading. Infokommunikacionnye tehnologii, 2020, vol. 18, no. 2, pp. 194–200. DOI: https://doi.org/10.18469/ikt.2020.18.2.10 (In Russ.)
Arquivos suplementares





