The wireless communications systems in subterahertz frequency range
- Autores: Biryukov V.V.1, Vaks V.L.1,2, Kapustin S.A.1, Malakhov V.A.1, Panin A.N.2, Pripolzin S.I.2, Raevskiy A.S.1, Raevskaya Y.V.1, Shcherbakov V.V.1
-
Afiliações:
- Nizhny Novgorod State Technical University named after R.E. Alekseev
- Institute for Physics of Microstructures RAS
- Edição: Volume 26, Nº 4 (2023)
- Páginas: 48-59
- Seção: Articles
- URL: https://medbiosci.ru/1810-3189/article/view/253826
- DOI: https://doi.org/10.18469/1810-3189.2023.26.4.48-59
- ID: 253826
Citar
Texto integral
Resumo
Background. The subterahertz and terahertz frequency ranges are very promising for development of high speed wireless communications systems because of possibility to get the bandwidth about some tens of GHz, which provides the high channel capacity. However fast signal attenuation at its propagation in atmosphere complicate the operation of communications systems in these ranges.
Aim. Use of fixed narrow-beam antennas with high antenna power gain allows to provide the direct surface communications distance to some kilometers. The communications distance limitation can be partially removed decreasing the frequency down to 200 GHz and narrowing the channel bandwidth down to some GHz.
Methods.The model of transmitter-receiver system (200-220 GHz) based of modern semiconductor devices is described in the manuscript. Results. The possibility of digital signals transmission with speed up to 1 Gbit/s at the distance of 1 km is experimentally shown.
Conclusion. According to calculations the output power of transmitter about some hundreds mW is enough for data transmission at the distance up to 1.5 km with antenna power gain of no less than 50 dB.
Texto integral
Введение
Субтерагерцовый (субТГц) и терагерцовый (ТГц) диапазоны частот являются перспективными для построения высокоскоростных беспроводных сетей связи. Работа в субТГц и ТГц частотных диапазонах позволяет использовать полосу пропускания шириной в несколько десятков гигагерц, обеспечивая высокую пропускную способность сети связи. В то же время, использование субТГц и ТГц диапазонов частот вносит определенные сложности в работу сетей связи, в частности, связанные с необходимостью учитывать быстрое ослабление сигнала при распространении в атмосфере.
Из-за сравнительно большого поглощения в атмосфере волны субТГц и ТГц частотного диапазонов относятся к волнам ближнего действия. При распространении волн субТГц частотного диапазона возникает ослабление сигнала в атмосферных газах и гидрометеорах, а также деполяризация излучения, амплитудные и фазовые изменения. С повышением частоты ослабление сигнала в атмосфере возрастает и зависит от погодных условий. В атмосфере имеются и постоянные полосы интенсивного поглощения радиоволн, обусловленные наличием молекулярного кислорода и водяного пара: 22,2 ГГц (Н2О), 60 ГГц (О2), 118,8 ГГц (О2) и 180 ГГц (Н2О) и т. д. В результате, зависимость от частоты ослабления волны в атмосфере имеет сложный вид, показанный на рис. 1 [1]. Практический интерес для связи представляют «окна прозрачности», в которых наблюдается минимальное затухание по сравнению с соседними участками субТГц частотного диапазона. Окна относительной прозрачности лежат в диапазонах: 70–100 ГГц, где атмосферное затухание составляет около 1,5 дБ/км, что близко к затуханию в традиционных СВЧ-диапазонах; в начале ТГц диапазона в интервале 200–300 ГГц, где атмосферное затухание составляет около 5-10 дБ/км. Ограничение на дальность связи может быть частично снято с помощью понижения частоты до нижней части ТГц спектра - в субТГц диапазон (в районе 0,2 ТГц), а также уменьшения ширины полосы пропускания канала с десятков до единиц гигагерц. Кроме того, для прямой наземной связи способом скомпенсировать большие потери является использование фиксированных узконаправленных антенн, при передаче на расстояние более 100 метров.
Рис. 1. Атмосферное ослабление в ТГц частотном диапазоне [1]
Fig. 1. Atmospheric attenuation in the THz frequency range [1]
В настоящее время наибольшая скорость передачи данных составляет 24–25 Гбит/с на расстоянии не более 10 м. Эти результаты представлены в работах [2; 3]. Наибольшая дальность связи составляет 5,8 км при скорости передачи данных 10 Гбит/с на частоте 120 ГГц [4]. Наиболее эффективная система связи представлена в [5]. Она обеспечивает скорость передачи данных до 10 Гбит/с при ширине канала связи 3,6 ГГц и частоте несущей 140 ГГц на дальности до 1,5 км. В данной работе применена 16-QAM модуляция.
СубТГц и ТГц частотные диапазоны могут в будущем стать основой беспроводных коммуникационных систем, обеспечивающих в сотни раз большую скорость передачи данных, нежели нынешние сети мобильной связи. Развитие и внедрение систем различного назначения этих диапазонов находятся в прямой зависимости от появления и совершенствования приборов современной электроники.
1. Широкополосное приемопередающее устройство субТГц частотного диапазона
Группой исследователей из НГТУ им. Р.Е. Алексеева и ИФМ РАН был разработан подход к созданию широкополосного приемопередающего устройства и реализован лабораторный макет приемопередающего тракта на частоте 200–220 ГГц с применением современных полупроводниковых приборов [6]. На рис. 2 и 3 представлены схемы передатчика и приемника этого тракта.
Рис. 2. Схема передатчика: 1 - генератор на диэлектрическом резонаторе (ГДР) (7,333 ГГц); 2 - модулятор (амплитудная манипуляция) (АМн); 3 - умножитель частоты на 15; 4 - удвоитель частоты; 5 – цифровой интерфейс до 1 Гбит/с
Fig. 2. Transmitter circuit: 1 - dielectric resonator generator (GDR) (7.333 GHz); 2 - modulator (amplitude manipulation) (AMh); 3 - frequency multiplier by 15; 4 - frequency doubler; 5 - digital interface up to 1 Gbit/s
Рис. 3. Схема приемника: 1 - субгармонический смеситель; 2 - умножитель частоты на 15; 3 - генератор на диэлектрическом резонаторе (7 ГГц); 4 - усилитель промежуточной частоты (УПЧ); 5 - демодулятор (амплитудная манипуляция); 6 - цифровой интерфейс до 1 Гбит/с
Fig. 3. Diagram of the receiver: 1 - subharmonic mixer; 2 - the frequency multiplier of 15; 3 - generator based on dielectric resonator (7 GHz); 4 - the intermediate frequency amplifier (Ombudsman); 5 - demodulator (amplitude manipulation); 6 - digital interface up to 1 Gbit/s
В качестве задающих генераторов как передатчика, так и гетеродина приемника применены генераторы на диэлектрических резонаторах (ГДР). Они обладают достаточно высокой стабильностью частоты и очень высокой спектральной чистотой сигнала. Далее сигналы от ГДР проходят через умножители частоты на 15. В передатчике этот сигнал предварительно модулируется по амплитуде. Выбрана амплитудная манипуляция (АМн), как наиболее простой способ и при данном построении схемы единственно возможный. Другие виды модуляции неизбежно были бы искажены при умножении частоты. Сигнал с частотой 110 ГГц в передатчике затем удваивается по частоте до 220 ГГц и поступает на антенну, имеющую высокий (порядка 50 дБ) коэффициент усиления (КУ).
Приемная антенна принимает сигнал 220 ГГц и передает его на входной субгармонический смеситель, на другой вход которого поступает сигнал от гетеродина 105 ГГц. С выхода смесителя сигнал ПЧ 10 ГГц усиливается и проходит демодуляцию. Расчеты показывают, что мощности на выходе передатчика в несколько сотен микроватт достаточно для передачи цифровых данных на расстояние до 1,5 км при коэффициенте усиления антенны не менее 50 дБ.
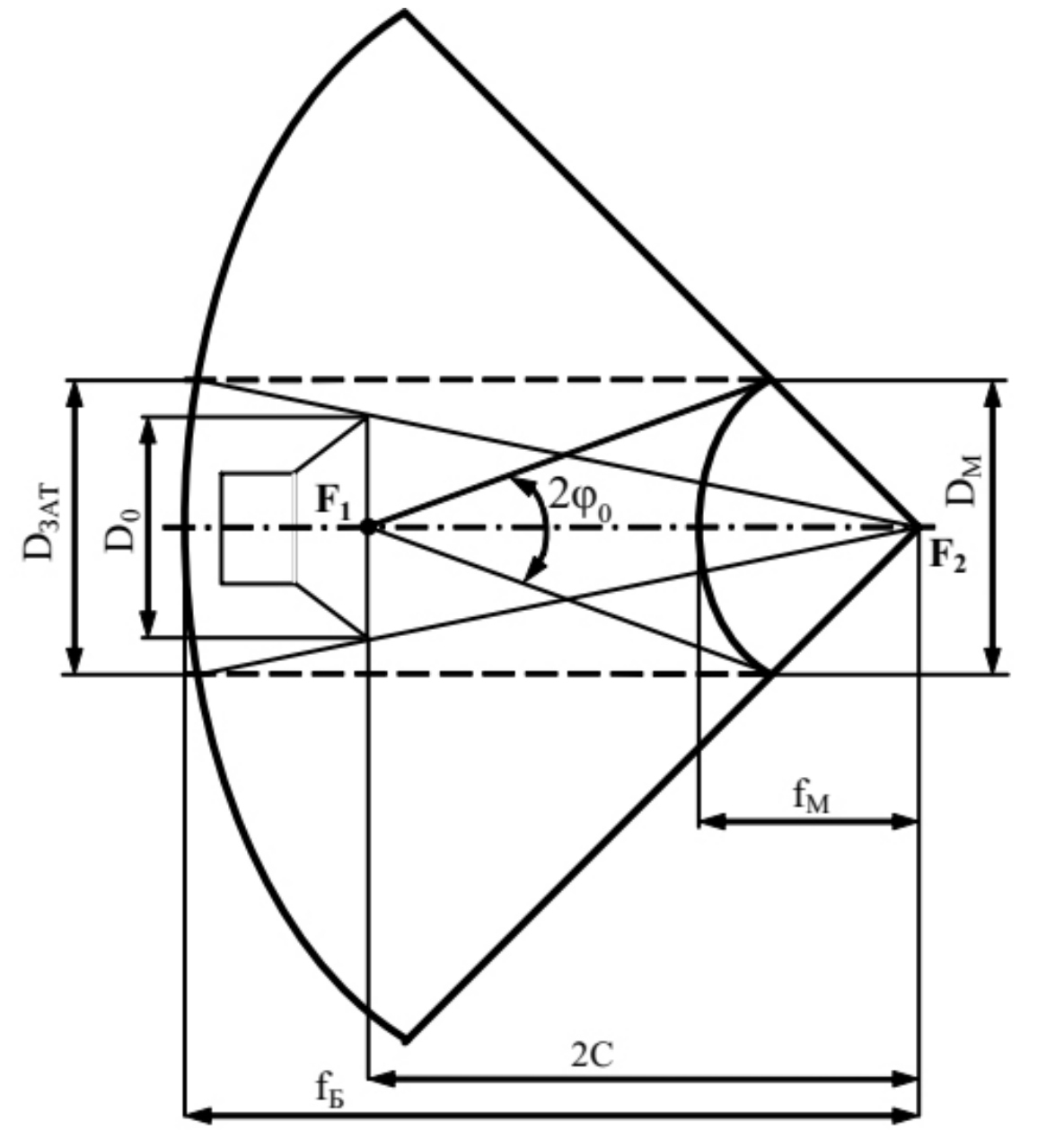
Одним из видов антенн, обеспечивающих такой высокий коэффициент усиления, является зеркальная антенна Кассегрена. Она состоит из рупорного облучателя, вспомогательного зеркала - субрефлектора в виде гиперболоида вращения, и основного зеркала в виде параболоида вращения. Преимуществом антенны является небольшой размер, простота в изготовлении, при этом достигаются высокие значения коэффициента усиления и малые уровни боковых лепестков. Конструкция антенны представлена на рис. 4.
В настоящее время активно развиваются методы решения самосогласованных задач излучения [7; 8] применительно к расчету зеркальных антенн [9].
В настоящей работе был применен лучевой подход [10], который позволяет в первом приближении найти основные параметры антенны:
- диаметр основного зеркала:
(1)
где – коэффициент использования поверхности (рекомендуемый 0,5…0,7); - длина волны; - коэффициент усиления;
- фокусное расстояние:
(2)
- половина угла раскрыва:
(3)
- диаметр вспомогательного зеркала:
(4)
где - коэффициент, учитывающий амплитудное распределение поля в раскрыве облучателя;
- эксцентриситет:
(5)
- половина угла раскрыва вспомогательного зеркала:
(6)
- расстояние между действительным и мнимым фокусами гиперболы:
(7)
Рассчитанных параметров достаточно для построения модели антенны в системе автоматизированного проектирования (САПР) для точного расчета и анализа полученных характеристик.
Дальнейший расчет электрических параметров и характеристик антенны Кассегрена проводился с использованием программы CST Microwave Studio [11], которая предназначена для трехмерного электродинамического моделирования СВЧ-устройств.
Рис. 4. Основные геометрические параметры антенны Кассегрена
Fig. 4. Basic geometric parameters of the Cassegrain antenna
Результаты расчета диаграммы направленности в Е- и Н-плоскостях исследуемой антенны Кассегрена на частоте 220 ГГц приведены на рис. 5.
Рис. 5. Диаграмма направленности антенны Кассегрена на частоте 220 ГГц
Fig. 5. The radiation pattern of the Cassegrain antenna at a frequency of 220 GHz
Было исследовано влияние неточностей изготовления антенны на ее характеристики [12]. На рис. 6, а приведена зависимость коэффициента усиления (КУ) антенны Кассегрена на частоте 220 ГГц от смещения фазового центра s (в долях от рабочей длины волны) рупора в фокальной плоскости. Видно, что максимальное допустимое смещение центра рупора – не более длины волны. Дальнейшее смещение приводит к резкому уменьшению КУ.
На рис. 6, б приведена частотная зависимость КУ антенны от частоты. Рабочая полоса частот антенны обеспечивает передачу широкополосного информационного сигнала.
На рис. 6, в приведена зависимость КУ антенны от фокального параметра
Рис. 6. Зависимость коэффициента усиления от смещения фазового центра рупора в фокальной плоскости (а), от частоты (б) и от фокального параметра Apar (в)
Fig. 6. The dependence of the gain on the displacement of the phase center of the horn in the focal plane (a), on the frequency (b) and on the focal parameter Apar (c)
Из рисунка видно, что коэффициент усиления антенной системы чувствителен к фокальному параметру основного зеркала. Поэтому должна быть высокая точность при изготовлении зеркал.
С использованием результатов расчетов была спроектирована и изготовлена антенна Кассегрена, предназначенная для использования в высокоскоростной системе связи на частоте 220 ГГц, имеющая диаметр основного и вспомогательного зеркал 200 мм и 16 мм, соответственно. В качестве облучателя для антенной системы использовался пирамидальный рупор, питаемый прямоугольным волноводом сечением мм. Внешний вид антенны показан на рис. 7.
Рис. 7. Внешний вид антенны Кассегрена на частоту 220 ГГц
Fig. 7. The appearance of the Cassegrain antenna at a frequency of 220 GHz
Экспериментальное исследование антенны Кассегрена [13] проводилось по стандартной методике измерения в дальней зоне [14]. На рис. 8 представлена структурная схема измерительной установки. Исследуемая антенна 3 (работающая в режиме приема) расположена на опорно-поворотном устройстве 4. На некотором расстоянии r в дальней зоне этой антенны расположена вспомогательная передающая антенна 2, возбуждаемая генератором 1. Приемное устройство 5 имеет индикатор мощности 6, поступающей на вход приемного устройства. Зависимость показаний этого индикатора р от угла поворота антенны 3 при некотором фиксированном угле поворота является сечением диаграммы направленности антенны по мощности в плоскости Выбирая различные значения угла можно измерить ДН в различных сечениях. При проведении измерений важно обеспечить отсутствие отражений от пола, потолка, стен (см. штриховую линию на рис. 8) и других окружающих предметов в измерительной лаборатории. Для ослабления влияния отраженных сигналов на отражающие поверхности укладывались щиты с поглощающим электромагнитное поле покрытием.
Рис. 8. Схема метода полигонных измерений
Fig. 8. Scheme of the polygon measurement method
Расстояние r между антеннами определяется выражением
где L2 – максимальный размер апертуры антенны Кассегрена.
В качестве вспомогательной антенны использовалась рупорно-линзовая антенна с коэффициентом усиления 26 дБи. Шаг измерения ДН составлял 5 угловых минут. Настройка антенны на максимальное значение КУ проводилась путем регулировки субрефлектора по трем координатам. Результаты экспериментального исследования исследуемой антенны приведены на рис. 9.
Рис. 9. Измеренная диаграмма направленности антенны Кассегрена на частоте 220 ГГц (Ряд 1 – плоскость Е; Ряд 2 – плоскость Н)
Fig. 9. The measured radiation pattern of the Cassegrain antenna at a frequency of 220 GHz (Row 1 – plane E; Row 2 – plane H)
Коэффициент усиления антенны измерялся в лабораторных условиях с использованием формулы Фрииса [14]:
связывающей мощность в приемной антенне и мощность, подводимую к передающей антенне при известных коэффициентах усиления и обеих антенн и расстоянии между ними R. В нашем случае на частоте 220 ГГц при коэффициенте усиления вспомогательной антенны дБи расчеты дают коэффициент усиления исследуемой антенны Кассегрена дБи. Пределы допускаемой погрешности измерения коэффициента усиления антенны составляет ±3,5 дБ [15].
2. Цифровой модуль в составе макета
С целью организации связи в состав макета был включен цифровой модуль, который на передающей стороне снабжает тракт информационным сигналом и преобразует его с целью дальнейшего представления на приемной стороне. Данный блок состоит из отладочной платы, основной частью которой является программируемая логическая интегральная схема (ПЛИС) и ее алгоритма работы, ЭВМ со специализированным программным обеспечением (ПО).
В первоначальном варианте цифрового модуля использовалась отладочная плата, в состав которой входят ПЛИС ALTERA (модель ACEX EP1K50), преобразователь USB-FIFO (FT2232D), тактовый генератор на 96 МГц, а также элементы оперативной (93С56) и конфигурационной (EPC2LC20) памяти. Специализированное ПО разрабатывалось на языке программирования С#. На данном этапе подключение отладочной платой к ЭВМ происходило посредством интерфейса USB 2.0, который программно замещался виртуальным COM-портом. Алгоритм работы ПЛИС на передающей стороне заключался в снабжении служебной информацией пакетов данных согласно специально разработанному протоколу для дальнейшей передачи на модулятор. На приемной стороне с демодулятора цифровой сигнал обрабатывается и поступает дальше на ЭВМ.
В результате проведенных испытаний была доказана работоспособность макета совместно с цифровым модулем на примере одиночных текстовых сообщений. Помимо этого, была реализована передача текстовых и графических файлов размером до 500 Кбит. Данное ограничение вызвано малой скоростью передачи ПЛИС, которая равна 10 Мбит/с, а также малым объемом буфера.
Для устранения недостатков первоначального варианта было решено заменить отладочную плату цифрового модуля. Учитывая характеристики, которые необходимо было улучшить, была выбрана ПЛИС марки Xilinx семейства Virtex-7 в составе отладочной платы VC707. Она обладает повышенным быстродействием, пропускной способностью в 1 Гбит/с и увеличенным объемом памяти буфера
На новой отладочной плате подключение к ЭВМ осуществляется через интерфейс Ethernet. В связи с этим были внесены изменения в специализированное ПО. Для работы с сетевыми устройствами были использованы библиотеки SharpPcap и PacketDoNet. В функции специального ПО входит прием данных, а также формирование информационной нагрузки линии связи, в качестве которой может выступать как одиночный файл, для оценки параметров качества связи, так и непрерывный поток данных, для оптимизации канала в режиме реального времени.
Помимо этого, был изменен алгоритм работы ПЛИС, который на передающей стороне заключается в приеме и преобразовании параллельного кода в последовательный, разбиение его на пакеты и отправке на высокочастотный выход, подключенный к модулятору. На приемной стороне полученный сигнал, после демодуляции, поступает на ПЛИС для обратного преобразования в параллельный код, а затем отправки на ЭВМ. Этот алгоритм был создан с помощью базовых структур, доступных при работе в среде разработки Xilinx Vivado.
Были проведены испытания действующего макета приемо-передающего канала связи с системами автономного питания с использованием бензиновых электрогенераторов, рис. 10. Определение значения BER производилось косвенным методом по калибровочной таблице через измерения отношения сигнал/шум на выходе усилителя ПЧ приемного устройства канала связи.
Рис. 10. Полевые испытания макета субтерагерцовой беспроводной линии связи
Fig. 10. Field tests of the layout of a sub-terahertz wireless communication line
Заключение
В работе представлен развитый авторами подход к созданию высокоскоростных беспроводных систем связи субТГц частотного диапазона на основе полупроводниковых приборов и фиксированных узконаправленных антенн. Представлен разработанный лабораторный макет широкополосного приемопередающего устройства субТГц частотного диапазона (200-220 ГГц). Проведены полевые испытания лабораторного макета широкополосного приемопередающего устройства, показавшие возможность передачи цифровых сигналов со скоростью до 1 Гбит/с на расстоянии до 1 км.
Sobre autores
Vladimir Biryukov
Nizhny Novgorod State Technical University named after R.E. Alekseev
Email: birukovvv@mail.ru
Código SPIN: 4001-1185
Scopus Author ID: 627885
Doctor of Technical Sciences, professor of the Department of Physics and Technology of Optical Communication
Rússia, Nizhny Novgorod, Minin Street 24, 603950Vladimir Vaks
Nizhny Novgorod State Technical University named after R.E. Alekseev; Institute for Physics of Microstructures RAS
Email: vax@ipmras.ru
Código SPIN: 9093-9530
Scopus Author ID: 22502
Candidate of Physico-Mathematical Sciences, professor of the Department of Physics and Technology of Optical Communication, Nizhny Novgorod State Technical University named after R.E. Alekseev, Head of the Laboratory of Terahertz Spectroscopy, Institute for Physics of Microstructures RAS
Rússia, Nizhny Novgorod, Minin Street 24, 603950; Nizhny Novgorod, GSP-105, 603950Sergey Kapustin
Nizhny Novgorod State Technical University named after R.E. Alekseev
Email: kapustin_1994@mail.ru
Código SPIN: 9385-8346
Scopus Author ID: 1024958
Candidate of Technical Sciences, associate professor of the Department of Physics and Technology of Optical Communication
Rússia, Nizhny Novgorod, Minin Street 24, 603950Vasiliy Malakhov
Nizhny Novgorod State Technical University named after R.E. Alekseev
Email: mr.vasmal@mail.ru
Código SPIN: 6865-6665
Scopus Author ID: 375268
Doctor of Technical Sciences, professor of the Department of Physics and Technology of Optical Communication
Rússia, Nizhny Novgorod, Minin Street 24, 603950Aleksandr Panin
Institute for Physics of Microstructures RAS
Email: physics@nntu.ru
Código SPIN: 8179-3488
Scopus Author ID: 37963
leading engineer
Nizhny Novgorod, GSP-105, 603950Sergey Pripolzin
Institute for Physics of Microstructures RAS
Email: kaf-ftos@yandex.ru
Código SPIN: 9046-8640
Scopus Author ID: 24452
leading engineer
Rússia, Nizhny Novgorod, GSP-105, 603950Aleksey Raevskiy
Nizhny Novgorod State Technical University named after R.E. Alekseev
Autor responsável pela correspondência
Email: raevsky_as@mail.ru
ORCID ID: 0000-0001-8678-0949
Código SPIN: 1787-5506
Scopus Author ID: 163018
Doctor of Physical and Mathematical Sciences, head of the Department Physics and Technology of Optical Communication
Rússia, Nizhny Novgorod, Minin Street 24, 603950Yuliya Raevskaya
Nizhny Novgorod State Technical University named after R.E. Alekseev
Email: raevskaja.julija@yandex.ru
ORCID ID: 0009-0008-2357-2251
Código SPIN: 5101-0265
Scopus Author ID: 627841
Candidate of Technical Sciences, associate professor of the Department of Physics and Technology of Optical Communication
Rússia, Nizhny Novgorod, Minin Street 24, 603950Vladimir Shcherbakov
Nizhny Novgorod State Technical University named after R.E. Alekseev
Email: sherbakovwv@gmail.com
Código SPIN: 6701-5970
Scopus Author ID: 627842
Candidate of Technical Sciences, associate professor of the Department of Physics and Technology of Optical Communication
Nizhny Novgorod, Minin Street 24, 603950Bibliografia
- M. J. Fitch and R. Osiander, “Terahertz waves for communications and sensing,” Johns Hopkins APL Technical Digest, vol. 25, no. 4, pp. 348–355, 2004, url: https://www.researchgate.net/publication/228861430_Terahertz_waves_for_communications_and_sensing.
- I. Kallfass et al., “All active MMIC-based wireless communication at 220 GHz,” IEEE Trans. Terahertz Sci. Technol., vol. 1, no. 2, pp. 477–487, 2011, doi: https://doi.org/10.1109/TTHZ.2011.2160021.
- H. J. Song et al., “24 Gbit/s data transmission in 300 GHz band for future terahertz communications,” Electron. Lett., vol. 48, pp. 953–954, 2012, doi: https://doi.org/10.1049/el.2012.1708.
- A. Hirata et al., “5.8-km 10-Gbps data transmission over a 120-GHz-band wireless link,” 2010 IEEE Int. Wireless Inform. Technol. Syst. Conf., pp. 1–4, 2010, doi: https://doi.org/10.1109/ICWITS.2010.5611945.
- C. Wang et al., “A 10-Gbit/s Wireless Communication Link Using 16-QAM Modulation in 140-GHz Band,” IEEE Transactions on Microwave Theory and Techniques, vol. 61, no. 7, pp. 2737–2746, 2013, doi: https://doi.org/10.1109/TMTT.2013.2262804.
- V. V. Biryukov et al., “Development of wireless communication systems in the subterahertz frequency range,” Izvestiya vysshikh uchebnykh zavedeniy. Radiofizika, vol. 61, no. 10, pp. 856–866, 2018, url: https://radiophysics.unn.ru/sites/default/files/papers/2018_10_856.pdf. (In Russ.)
- A. S. Raevskiy and S. B. Raevskiy, “Self-consistency of boundary value problems of the theory of radiation,” Antenny, no. 2 (201), pp. 3–6, 2014, url: http://radiotec.ru/ru/journal/antennas/number/2014-2/article/14122. (In Russ.)
- D. S. Klyuev, “Self-consistent method of reflector antennas calculation,” Physics of Wave Processes and Radio Systems, vol. 14, no. 4, pp. 13–19, 2011, url: https://elibrary.ru/item.asp?id=17272406. (In Russ.)
- D. S. Klyuev, “Electrodynamics analyses of mirror antennas by singular integral equations method,” Physics of Wave Processes and Radio Systems, vol. 12, no. 3, pp. 86–90, 2009, url: https://elibrary.ru/item.asp?id=12846665. (In Russ.)
- I. P. Zaikin, A. V. Totskiy, and S. K. Abramov, Design of Antenna Devices for Radio Relay Communication Lines. Khar'kov: Nats. aerokosm. un-t «Khar'k. aviats. in-t», 2006. (In Russ.)
- CST – Computer Simulation Technology, url: https://www.cst.com
- V. V. Biryukov et al., “Rational use of design-temporal resources when designing a Cassegrain antenna for the frequency of 220 GHz with possibility of accounting the inaccuracies of manufacturing and tuning,” Antenny, no. 2 (256), pp. 22–27, 2019, url: http://radiotec.ru/ru/journal/antennas/number/2019-2/article/20861. (In Russ.)
- A. S. Raevskiy, V. V. Shcherbakov, and S. A. Vorob'ev, “Changes in the characteristics of mirror antennas during operation,” Antenny, no. 10 (254), pp. 15-21, 2018, url: http://radiotec.ru/ru/journal/antennas/number/2018-10/article/20844. (In Russ.)
- N. M. Tseitlin, Ed. Methods for Measuring Microwave Antenna Characteristics. Moscow: Radio i svyaz', 1985. (In Russ.)
- Methodology for measuring antenna parameters. GVAT.410171.003D60
Arquivos suplementares











