Интеллектуальная система регулирования напряжения в распределительной электрической сети на основе нечеткой логики
- Авторы: Рысев П.В.1, Пешко М.С.1, Шепелев А.О.2
-
Учреждения:
- ФГАОУ ВО «Омский государственный технический университет»
- ФГБОУ ВО «Югорский государственный университет»
- Выпуск: Том 18, № 3 (2022)
- Страницы: 107-117
- Раздел: 2.4/2.4.3 Электроэнергетика (технические науки)
- URL: https://medbiosci.ru/1816-9228/article/view/253666
- DOI: https://doi.org/10.18822/byusu202203107-117
- ID: 253666
Цитировать
Полный текст
Аннотация
В работе рассмотрены вопросы регулирования напряжения в распределительной электрической сети. Показана возможность использования нечеткой логики, реализованной в нечетком регуляторе, для управления напряжением.
Предмет исследования: внедрение нечеткого регулятора в систему управления уровнями напряжений в распределительной электрической сети.
Цель исследования: увеличение ресурса переключателей регуляторов напряжения силовых трансформаторов при управлении режимами по напряжению и реактивно мощности распределительных электрических сетей.
Методы и объекты исследования: исследование проводилось с помощью численного имитационного моделирования, методов нечеткой логики. Объектами исследования являлись распределительная электрическая сеть, а также силовые трансформаторы, оснащенные регуляторами напряжения, регулируемые компенсирующие устройства, работающие совместно под управлением нечеткого регулятора.
Результаты исследования: на основе проведенных экспериментов было показано, что совместное использование средств регулирования напряжения (трансформаторы, компенсирующие устройства) в распределительной электрической сети при управлении нечетким регулятором позволяет повысить ресурс и продлить срок службы переключающих устройств трансформаторов.
Ключевые слова
Полный текст
Введение
Задача оптимального регулирования напряжения в распределительных электрических сетях является одной из самых важных в процессе эксплуатации. Напряжение напрямую влияет на технико-экономические показатели сети через условно-постоянные и нагрузочные потери в сетевых элементах; электрооборудования производств, основу электроприемников которых составляют асинхронные двигатели, вращающий момент которых пропорционален квадрату напряжения.
Возможности регулирования напряжения в распределительных электрических сетях в сравнении с сетями более высокого уровня ограничены и могут быть разделены на две основные группы: централизованное, когда регулирование осуществляется в центре питания и местное, когда регулирование осуществляется в непосредственной близости от электроприемников [1, 2].
При централизованном регулировании напряжения в сети в центрах питания (ЦП) изменяют коэффициент трансформации kтр. В этом режиме напряжение в начале линии может достигать наибольшего рабочего значения, а на зажимах электроприемников быть недопустимо низким, то есть средств централизованного регулирования недостаточно для качественного управления напряжением.
В таких случаях вместе с централизованным регулированием применяют и местное регулирование коэффициента трансформации. Зачастую когда диапазона регулирования коэффициента трансформации недостаточно для обеспечения требуемого уровня напряжения, используют вольтодобавочные трансформаторы и компенсирующие устройства (КУ).
Для целей регулирования напряжения могут использоваться трансформаторы с возможностью изменения коэффициента трансформации в реальном масштабе времени (устройство регулирования напряжения под нагрузкой «РПН»), так и трансформаторы не имеющие такой возможности, допускающие только сезонное регулирование – трансформаторы с переключением без возбуждения «ПБВ».
Регулировочный диапазон для трансформаторов с ПБВ изменяется в пределах ±2×2,5 %, для РПН он может достигать ±16%, а для регулировочных трансформаторов ±25%.
На практике стремятся в первую очередь обеспечить уровни напряжения в узлах распределительной сети за счет средств централизованного регулирования; местное используют как вспомогательное средство.
Однако, такой подход имеет недостатки.
Устройства РПН трансформаторов представляют собой сложной электромеханический агрегат (рисунок 1 а), который оказывает существенное влияние на надежность трансформаторного оборудования (рисунок 1 б).
Рисунок 1 – Устройство РПН (а) и распределение отказов силовых трансформаторов 110 кВ по элементам конструкции (б) [3]
При регулировании напряжения устройствами РПН их ресурс, который обычно составляет 100 тыс. переключений, расходуется и возрастают износовые отказы РПН.
Учитывая, что в электросетевом комплексе России работает свыше 14000 силовых трансформаторов 35 и 110 кВ [4], значительная часть которых находится на грани исчерпания ресурса, то задача минимизации износа переключателей силовых трансформаторов при напряжения в распределительных электрических сетях на оптимальном уровне является актуальной.
Результаты и обсуждение
В данной работе предпринята попытка повышения эффективности регулирования напряжения путем совместного использования средств централизованного и местного регулирования напряжения на применения нечеткой логики.
Нечеткая логика как принцип управления была выбрана ввиду необходимости учитывать не только характеристики электрического режима сети (уровни напряжения, потери электроэнергии и т. д.), но и износ переключателей трансформаторов.
Нечеткая логика позволяет достаточно удобно реализовать порядок действий реального оператора, учитывая его опыт работы при различных режимных ситуациях.
В качестве объекта рассмотрим распределительную электрическую сеть напряжением 6 кВ, которая получает питание через трансформаторную подстанцию 110/6 кВ, оснащенную трансформаторов ТДН-16000/110.
Первым этапом было определение границ регулирования напряжения.
Для этого было произведено моделирование электрической сети в программе RASTRWIN 3 (рисунок 2).
Рисунок 2 – Окно программы RASTRWIN 3
При моделировании были определены границы диапазона регулирования напряжения в центре питания, которые составили: ∆U=5,69 кВ – 6,235 кВ, просчитаны режимы максимальных и минимальных нагрузок.
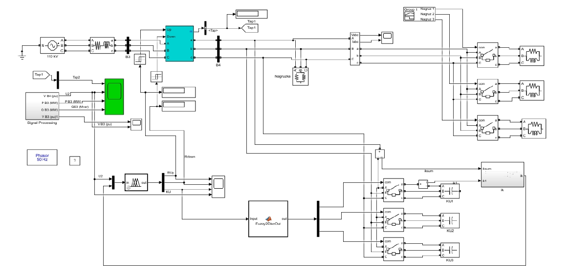
Используя результаты моделирования в RASTRWIN 3 была создана Simscape модель. Поскольку режимы электрической сети были рассчитаны в RASTRWIN 3, то в Simscape достаточно было реализовать центр питания.
На рисунке 3 представлена Simscape модель центра питания.
Рисунок 3 – Simscape модель центра питания
Эта модель позволяет задавать электрическую нагрузку (постоянную во времени и в виде графиков нагрузки), напряжение питающей сети (стабильное во времени или в виде графика изменения), осуществлять регулирование коэффициента трансформации силового трансформатора и компенсирующих устройств.
В блок OTLC, моделирующий силовой трансформатор с РПН введены данные, соответствующие ТДН-16000/110:
Sном =16000 кВА, R1=R2=0,0027 о.е., X1=X2=0,0525 о.е., Rm=842,1 о.е., Xm=142,9 о.е.
Параметры РПН: число ступеней: ± 9; общее количество ступеней – 19; шаг регулирования: 1,78 %; заданный уровень напряжения: 1,05 о.е.; зона нечувствительности: 0,0214 о.е.; время переключения: 3 с.; выдержка времени между переключениями: 60 с.
Электрическая нагрузка задается блоками «nagruzka» (постоянная величина); блоком «signal builder», в котором моделируется переменная во времени нагрузка с помощью трех графиков, вид которых можно редактировать.
В рассматриваемом случае было решено использовать централизованную компенсацию, разместив все управляемые источники реактивной мощности в центре питания, подключив к шинам 6 кВ.
Управление ступенями компенсирующих устройств осуществляется с помощью нечеткого регулятора (рисунок 3), реализуемого с помощью Simulink блока Fuzzy.
Рассмотри подробнее настройку нечеткого регулятора.
Исходя из необходимой информации для принятия решений и технических особенностей системы определяем входы и выходы регулятора.
Входами регулятора являются напряжение на вторичной обмотке силового трансформатора и информационный сигнал о количестве подключенных секций компенсирующего устройства.
В качестве выходов регулятора приняты сигналы на переключение РПН в сторону увеличения и в сторону уменьшения отпаек, а также сигнал управления секциями компенсирующего устройства (рисунок 4).
Рисунок 4 – Структура нечеткого регулятора
Для настройки нечеткого регулятора была произведена процедура фаззификации, результаты которой для двух входных переменных приведены в таблицах 1, 2.
Входной параметр «напряжение» был разделен на 5 термов (таблица 1), параметр «включенные КУ» – на 4 (таблица 2).
Диапазоны изменения параметров в рамках термов были определены исходя из моделирования распределительной сети в RASTRWIN 3.
Таблица 1 – Результаты фаззификации параметра «напряжение»
Описание | Терм | U, кВ | U, о.е. |
Минимальное | n | < 5,69 | < 0,948 |
Немного пониженное | sn | 5,69…5,987 | 0,948…0,998 |
Нормальное | z | 5,925…6,05 | 0,988…1,008 |
Немного повышенное | sp | 5,987…6,235 | 0,998…1,039 |
Максимальное | p | > 6,235 | > 1,039 |
Таблица 2 –Результаты фаззификации параметра «включенные КУ»
Описание | Терм | Значение |
Не подключено | n | < 0,2 |
Одно КУ | on | 0,2…1,2 |
Два КУ | tw | 1,2…2,2 |
Три КУ | th | > 2,2 |
Визуализация фаззификации выполнена с помощью функций принадлежности, в качестве которых для входных параметров были выбраны треугольные функции, для выходных – треугольные и трапецеидальные (рисунки 5–7).
Рисунок 5 – Функции принадлежности переменной U2
Рисунок 6 – Функции принадлежности переменной ik
Рисунок 7 – Функции принадлежности переменной KU
На основании личного опыта, результатов моделирования в ПТК RASTRWIN 3 и задач управления сформирована база правил (рисунок 8).
Рисунок 8 – База правил. Окно редактора
Основной задачей, решаемой при создании базы правил, было снижение количества переключений РПН трансформатора. Это достигалось за счет включения и отключения секций компенсирующих устройств.
В данном примере было рассмотрено компенсирующее устройство, включающее три секции.
Таким образом, у компенсирующего устройства всего 4 положения – «Отключено», «Включена 1 ступень», «Включены 2 ступени», «Включены 3 ступени».
С одной стороны, это несколько снижает гибкость системы регулирования напряжения, но с другой – позволяет сделать базу правил весьма компактной (17 правил), что положительно сказывается на быстродействии и безотказности работы системы.
Графически правила представлены на рисунке 9.
Рисунок 9 – База правил. Окно просмотра
При моделировании работы системы регулирования напряжения были проведены численные эксперименты с различными диапазонами изменения возмущений – параметров питающей сети, нагрузки распределительной сети при использовании нечетного регулятора и без его применения.
Графики изменения переменных приведены на рисунках 10–12.
Рисунок 10 – Изменение положений переключателя, мощностей и напряжения без действия контролера
Рисунок 11 – Изменение положений переключателя, мощностей и напряжения при действии контролера
Рисунок 12 – Изменение напряжения на входе и выходе силового трансформатора при действия контролера
Из результатов моделирования видно, что включение компенсирующих устройств оказывает влияние на уровни напряжения на стороне НН центра питания и количество переключений РПН трансформатора.
В случае незначительных флуктуаций питающего напряжения и нагрузки компенсирующих устройств может вполне оказаться достаточно для регулирования напряжения.
Однако, при резких колебаниях напряжения и нагрузки выполнить регулирование напряжения, не используя РПН не представляется возможным. Кроме того, КУ позволяют производить регулирование в рамках доступного им диапазона изменения мощности, который ограничивается потребляемой реактивной мощностью нагрузки.
Вместе с тем, удалось показать, что комплексное регулирование, при котором производится управление не только РПН, но и КУ, позволяет уменьшить количество переключений анцапф РПН, а значит увеличить его ресурс.
Заключение и выводы
Достоинствами применения подхода, использованного в работе, являются возможность применять как жесткую, так и гибкую логику, быстро перенастраивать нечеткий регулятор, копируя в его память новую базу правил, т.е. система становится более гибкой.
Увеличение роли компенсирующих устройств в регулировании напряжения при управлении нечетким регулятором, позволило существенно сократить количество переключений РПН (на 37 % для «спокойного графика»), повысить быстродействие системы управления напряжением.
Также, побочным эффектом применения дополнительной компенсации реактивной мощности является снижение потерь мощности и энергии в трансформаторах центра питания и в питающей сети.
Вместе с тем необходимо отметить, что применяемый подход имеет ограничения, связанные с величиной реактивной мощности, потребляемой нагрузкой сети, а также ограничения, накладываемые требованиями устойчивости узлов электрической нагрузки.
При выбранном подходе данные ограничения должны определяться при моделировании рассматриваемой сети в специализированном программном обеспечении и учитываться в процессе фаззификации и создании базы правил.
Об авторах
Павел Валерьевич Рысев
ФГАОУ ВО «Омский государственный технический университет»
Автор, ответственный за переписку.
Email: rysev_pavel@list.ru
кандидат технических наук, доцент
Россия, ОмскМихаил Сергеевич Пешко
ФГАОУ ВО «Омский государственный технический университет»
Email: necheat@mail.ru
кандидат технических наук, доцент
Россия, ОмскАлександр Олегович Шепелев
ФГБОУ ВО «Югорский государственный университет»
Email: a_shepelev@ugrasu.ru
кандидат технических наук, доцент
Россия, Ханты-МансийcкСписок литературы
- Ананичева, С. С. Электроэнергетические системы и сети : учебное пособие / С. С. Ананичева, С. Н. Шелюг. – Екатеринбург, 2019. – 296 с. – URL: https://elar.urfu.ru/
- bitstream/10995/76274/1/978-5-7996-2638-9_2019.pdf (дата обращения: 15.07.2022).
- Идельчик, В. И. Электрические системы и сети : учебник для вузов / В. И. Идельчик. – Москва : Энергоатомиздат, 1989. – 592 с.
- Анализ повреждаемости трансформаторов мощностью 16 и 25 МВА класса напряжения 110 кВ. – Текст : электронный // ПУЭ8. –URL: https://pue8.ru/elektricheskie-seti/623-analiz-povrezhdaemosti-transformatorov-moshchnostyu-16-i-25-mva-klassa-napryazheniya-110-kv.html (дата обращения: 04.08.2022).
- ПАО «Россети» в цифрах. – Текст : электронный ресурс // Проект РЗА. – UR: https://pro-rza.ru/pao-rosseti-v-tsifrah/#:~:text=То%20есть%20количество%20ПС%2035-110,110%20кВ%20около%2010000%20штук (дата обращения: 04.08.2022).
- ГОСТ 32144-2013. Электрическая энергия. Совместимость технических средств электромагнитная. Нормы качества электрической энергии в системах электроснабжения общего назначения : межгосударственный стандарт : утвержден и введен в действие приказом Федерального агентства по техническому регулированию и метрологии от 22 июля 2013 г. № 400-ст. : дата введения 2014-07-01. – Москва : Стандартинформ, 2014. – 16 с. – Текст : непосредственный.
- RASTRWIN. – URL: https://www.rastrwin.ru (дата обращения: 10.08.2022). – Текст : электронный.
- Пешко, М. С. Системы интеллектуального управления на базе нечеткой логики с использованием пакета Fuzzy Logic Toolbox программного обеспечения Matlab/Simulink : методические указания к лабораторным работам / М. С. Пешко. – Омск : ОмГТУ, 2019. – 1 o=эл. опт. диск (CD-ROM). – Текст : электронный.
Дополнительные файлы













