Experimental determination of static characteristics of loads in nodes of a 6 kv power supply system
- Authors: Bigun A.Y.1, Vladimirov L.V.1
-
Affiliations:
- Surgut State University
- Issue: Vol 19, No 2 (2023)
- Pages: 115-123
- Section: POWER INDUSTRY
- URL: https://medbiosci.ru/1816-9228/article/view/253725
- DOI: https://doi.org/10.18822/byusu202302115-123
- ID: 253725
Cite item
Full Text
Abstract
Subject of research: static characteristics of nodes of 6 kV power supply systems with asynchronous load.
Purpose of research: experimental determination of static characteristics by active and reactive power, calculation of the reserve coefficient by static stability of a node with asynchronous load.
Object of research: power supply systems with a complex load, which includes asynchronous motors.
Main results of research: the results of an active experiment to determine the static characteristics of the load node are presented. The measurements were carried out using devices that record the quality of electricity. Voltage regulation was carried out by the RPN device, the current transformers on the input switch were selected as the connection point of the device. Static characteristics of active and reactive power were constructed using interpolation and extrapolation tools. The critical voltage of the load node is determined. The coefficient of static stability margin is determined.
Full Text
Введение
Значительное количество современных программных продуктов, позволяющих моделировать режимы электроэнергетических систем, в качестве основного способа задания электрических нагрузок используют статические характеристики. Оптимальным способом получения достоверных данных о статических характеристиках нагрузки узлов электроэнергетических систем, являются активные эксперименты. Существует ряд различных алгоритмов для проведения активных экспериментов в зависимости от типа электрических нагрузок.
Вследствие резкопеременного характера электрических нагрузок при проведении активного эксперимента, возникают трудности в интерпретации полученных результатов. В работе [2] предложено при обработке результатов активного эксперимента отказаться от метода наименьших квадратов в пользу применения методов оптимизации. В результате, как отмечают авторы «удаётся получить единственный набор коэффициентов полинома, достаточно точно моделирующий реальный вид статической характеристики нагрузки» [2, c. 33].
От характеристик узлов нагрузок электроэнергетических систем и от параметров самой энергосистемы зависят условия статической устойчивости нагрузки. В случае увеличения суммарной мощности асинхронных электродвигателей в составе узла комплексной нагрузки, а также в зависимости от удаленности такого узла от генерирующих мощностей, возрастает опасность возникновения лавины напряжения. Нарушение статической устойчивости нагрузки может проявляться как в энергосистемах, содержащих длинные и относительно короткие, но сильно загруженные линии электропередачи, так и в концентрированных энергосистемах, характеризующихся малой удаленностью электрических станций от центров потребления. Задачей настоящей работы является определение критического напряжения, при достижении которого возникает лавина напряжения, на основании экспериментально определенных характеристик узла нагрузок.
Результаты и обсуждение
Статические характеристики нагрузки в расчетах режимов представляются полиномами второй степени [1]:
, (1)
Для электрических сетей и систем электроснабжения нефтедобывающей отрасли характерна значительная доля несинусоидальной нагрузки, представленной станциями управления погружными электродвигателями. В статье [6, с. 369] предложено учитывать несинусоидальность режима – напряжения высших гармоник Uh и характеристики мощностей (мощность искажения) на высших гармониках ΔSh:
(2)
В работе [3] исследуются вопросы статической устойчивости узлов комплексной нагрузки, в состав которой входят асинхронные двигатели. Авторами предложен метод, позволяющий в режиме реального времени, осуществлять контроль ограничений по статической устойчивости.
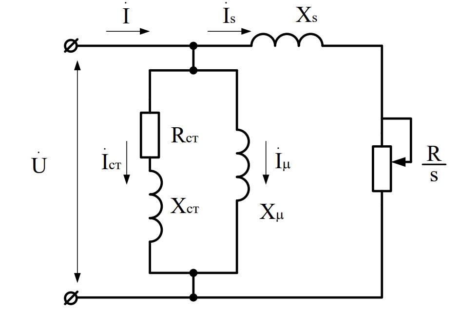
Авторами предложен метод контроля ограничений по статической устойчивости в режиме реального времени. Для традиционно применяемой в анализе статической устойчивости упрощенной «Г-образной» схемы замещения асинхронного эквивалентного двигателя, система уравнений может быть представлена в следующем виде [3, c. 198]:
(3)
Рисунок 1 –Схема замещения комплексного узла нагрузки с АД, представленного упрощенной Г-образной схемой для анализа статической устойчивости
Параметры схемы замещения (рисунок 1) могут быть определены экспериментально, на основе результатов, представленных в [5]. Для анализа режима работы узла с асинхронной нагрузки, в том числе статической и динамической устойчивости (самозапуска) при наличии высших гармоник, могут применяться методы вейвлет анализа [4].
Для проведения активного эксперимента была выбрана подстанция 35/6 кВ, питающая объекты нефтедобычи в Ханты-Мансийском автономном округе – Югре. Схема исследуемой подстанции и точки подключения приборов представлены на рисунке 2.
Рисунок 2 – Точки подключения измерительного прибора на подстанции 35/6 кВ
В соответствии с схемой, на подстанции установлены два трансформатора, с диспетчерскими номерами Т-1 и Т2, имеющие паспортные данные, представленные в таблице 1.
Таблица 1. Паспортные данные трансформаторов
Тип | Мощность кВ∙А | Напряжение обмотки, кВ | Потери, кВт | Uк, % | Ixх, % | ||
ВН | НН | Рхх | Ркз | ||||
SFZ9-10000/36,75/6,3 | 10000 | 36,75 | 6,3 | 11,6 | 50,5 | 7,85 | 0,63 |
Трансформаторы оснащены устройствами РПН с пределами регулирования напряжения ±8х1,5 %. В рамках проводимого эксперимента напряжение регулировалось ступенчато при помощи устройства РПН в диапазоне от 5756 В до 6350 В. График изменения линейных напряжений представлен на рисунке 3.
Рисунок 3 – Линейнйные напряжения U = f(t)
Контроль частоты сети при проведении активного эксперимента показал незначительные изменения от 49,96 до50,03 Гц, что соответствует допустимым пределам, обозначенным в ГОСТ 32144-2013. На рисунке 4 представлен график изменения частоты.
Рисунок 4 – График изменения частоты f = f(t)
В результате, были получены экспериментальные характеристики активной, реактивной и полной мощности в каждой точке измерения. Графики мощности нагрузки первой секции шин (трансформатора Т1) представлены на рисунке 5.
Рисунок 5 – Графики мощности при проведении эксперимента
Для перевода экспериментально полученных характеристик напряжения и мощности в относительные единицы, были приняты следующие базисные величины: Uб=6002 В, Pб=2223 кВт, Qб=713 квар. Чтобы избежать возможного нарушения технологического процесса, при проведении эксперимента применялся достаточно узкий диапазон изменения напряжения (в относительных единицах от 0,972 о.е. до 1,058 о.е.). Возникла необходимость, используя методы интерполяции и экстраполяции, расширить диапазон от 0,7 о.е. до 1,2 о.е.
Рисунок 6 – Экстраполяция зависимости P = f(U)
Для графика активной мощности применялась линейная функция (рисунок 6), а для реактивной мощности – полином второй степени (рисунок 7).
Рисунок 7 – Экстраполяция зависимости Q = f(t)
Расчет э.д.с. производим по формуле (3):
(3)
Рассчитываем ЭДС для первой точки (U=0,7 о.е.)
o.e.
Результаты расчета для последующих значений напряжения (U=0,8–1,2 о.е.) сведены в таблицу 2.
Таблица 2. Зависимости активной, реактивной мощности и ЭДС от напряжения
U, о.е. | 0,7 | 0,8 | 0,9 | 1,0 | 1,1 | 1,2 |
P, о.е. | 1,898 | 1,072 | 0,774 | 1,003 | 1,76 | 3,044 |
Q, о.е. | 0,939 | 0,96 | 0,981 | 1,001 | 1,022 | 1,042 |
E, о.е. | 0,969 | 0,936 | 0,988 | 1,1 | 1,257 | 1,446 |
Рисунок 8 – Критическое напряжение
Согласно п. 6.1.2 Методических указаний по определению устойчивости энергосистем (Часть II: РД 34.20.578-79) «расчеты устойчивости нагрузки следует проводить для определения запасов устойчивости в нормальных и послеаварийных режимах, а также проверки устойчивости послеаварийных режимов». Запас устойчивости по напряжению (KU) определяется может быть определен на основании выражения:
, (4)
где U0 – нормальное напряжение.
В результате проведенных экспериментальных измерений, а также последующей обработки полученных данных с выполнением процедур интерполяции и экстраполяции зависимостей активной и реактивной мощности от напряжения, было определено критическое напряжение, при котором нарушается статическая устойчивость нагрузки. Величина критического напряжения (рисунок 8) составила 0,783 о.е. Таким образом, коэффициент запаса по напряжению в относительных единицах исследуемом узле нагрузке на стороне 6 кВ равен:
.
Выражая величину коэффициента запаса в процентах – КU=21,7%.
Заключение и выводы
- Проведен активный эксперимент по определению статических характеристик комплексного узла нагрузок, в состав которого входят асинхронные двигатели. Особенностью распределительных сетей 6 кВ ХМАО-Югры является наличие нагрузок, искажающих синусоидальность формы кривой напряжения и тока. Высшие гармоники могут быть учтены при построении статических характеристик.
- В работе применены методы интерполяции и экстраполяции. Для графика активной мощности применялась линейная функция, а для реактивной мощности – полином второй степени.
- На основе полученных данных определено критическое напряжение (0,783 о.е.) и коэффициент запаса статической устойчивости узла нагрузки по напряжению (KU=21,7%).
About the authors
Alexander Ya. Bigun
Surgut State University
Author for correspondence.
Email: barsbigun@list.ru
Candidate of Technical Sciences, Associate Professor
Russian Federation, SurgutLeonid V. Vladimirov
Surgut State University
Email: leha.vlad86@mail.ru
Candidate of Technical Sciences, Associate Professor
Russian Federation, SurgutReferences
- Балдов, С. В. Определение статических характеристик нагрузки по напряжению в электрических сетях с комплексной нагрузкой / С. В. Балдов, О. А. Бушуева, Д. Н. Кормилицын, А. И. Кулешов, Ю. С. Мешкова, А. Ю. Мурзин, А. А. Шульгин. – Текст : непосредственный // Вестник Ивановского государственного энергетического университета. – 2014. – № 6. – С. 22-30.
- Дзюба, М. А. Метод определения статических характеристик нагрузки по напряжению с учетом ограничений по режимным параметрам и электробезопасности активного эксперимента / М. А. Дзюба, В. В. Тарасенко, А. В. Коржов. – Текст : непосредственный // Вестник Южно-Уральского государственного университета. Серия: Энергетика. – 2018. – Т. 18, № 2. – С. 28-35.
- Нагайцев, А. Л. Идентификация параметров схемы замещения и контроль устойчивости нагрузки в режиме On-line / А. Л. Нагайцев, А. В. Семенов, Р. В. Федюков, А. Фишов, В. О. Чершова. – Текст : непосредственный // Научные проблемы транспорта Сибири и Дальнего Востока. – 2015. – № 3. – С. 198-203.
- Осипов, Д. С. Модели и методы вейвлет анализа несинусоидальных нестационарных режимов электрических сетей 0,4-110 кВ : дис. … д-ра. техн. наук : 05.14.02 / Осипов Дмитрий Сергеевич. – Омск, 2019. – 305 с. – Текст : непосредственный.
- Сивокобыленко, В. Ф. Способ экспериментального определения параметров схем замещения асинхронных двигателей / В. Ф. Сивокобыленко, С. Н. Ткаченко. – Текст : непосредственный // Электрические станции. – 2016. – № 10. – С. 42-47.
- Brunoro, M. Modeling of loads dependent on harmonic voltages / M. Brunoro, L. F. Encarnação, J. F. Fardin // Electric power systems research. – 2017. – vol. 152, November. – Pp. 367-376. doi: 10.1016/j.epsr.2017.07.030.
Supplementary files









