Повышение качества электроэнергии в системах электроснабжения с резервированием от дизель-генераторных установок
- Авторы: Третьяков Е.А.1, Мещеряков А.В.1
-
Учреждения:
- Югорский государственный университет
- Выпуск: Том 19, № 2 (2023)
- Страницы: 133-143
- Раздел: ЭЛЕКТРОЭНЕРГЕТИКА
- URL: https://medbiosci.ru/1816-9228/article/view/253727
- DOI: https://doi.org/10.18822/byusu202302133-143
- ID: 253727
Цитировать
Полный текст
Аннотация
Предмет исследования: обоснование параметров и применения FACTS-устройств типа СТАТКОМ для повышения качества электроэнергии в системах электроснабжения с резервированием от дизель-генераторных установок.
Цель исследования: обоснование технических решений на основе полупроводниковых устройств с генерацией реактивной и активной мощности, направленных на повышение качества электроэнергии в удаленных системах электроснабжения с питанием в режиме резервирования от дизель-генераторных установок.
Методы и объекты исследования: быстрое преобразование Фурье, теория мгновенной мощности, имитационное моделирование в Matlab Simulink. В качестве объекта исследований выступает система электроснабжения с комплектной трансформаторной подстанцией 10/0,4 кВ и резервированием от дизель-генераторных установок.
Основные результаты исследования: представлены особенности обеспечения резервирования рассматриваемой системы электроснабжения с учетом обеспечения качества электроэнергии и обоснование технических решений по его повышению при питании коммунально-бытовых нагрузок поселка в режиме резервирования от ДГУ на основе имитационного моделирования. Выполнен спектральный анализ резкопеременного графика нагрузки. Предложено для обеспечения качества электроэнергии при питании от ДГУ применять трехуровненвый СТАТКОМ при напряжении 0,4 кВ с накопителем на суперконденсаторах, требующий меньше энергии хранения, чем буферный накопитель. Результаты проведенных исследований свидетельствуют о перспективности применения СТАТКОМ с накопителем для повышения качества электроэнергии в сетях низкого напряжения.
Ключевые слова
Полный текст
Введение
В настоящее время при обеспечении резервного электроснабжения удаленных относительно центров питания потребителей с применением дизель-генераторных установок наблюдается проблема снижения качества электроэнергии (КЭ) [1]. Коммунально-бытовая нагрузка поселков с малым количеством электроприемников является резкопеременной и несимметричной, что приводит, при ее питании от резервного источника, к повышенным потерям мощности в электрических сетях, низкому КЭ, к неэффективным режимам работы дизель-генераторных установок (ДГУ), связанных с повышенным на 30-40 % расходом топлива и снижением срока службы.
В автономном режиме работы ДГУ резкопеременная нагрузка вызывает отклонение напряжения до 35 % и частоты до 30 % от номинальных значений [2]. Пассивные системы стабилизации показателей качества электроэнергии (ПКЭ) (штатные ДГУ и внешние) не способны обеспечить требуемое КЭ из-за нехватки генерируемой активной и реактивной мощности в системе электроснабжения, работающей изолировано от электроэнергетической системы.
В изолированных системах электроснабжения общего назначения для повышения КЭ и обеспечения энергоэффективности процессов передачи и распределения электроэнергии находят применение системы накопления энергии различных типов, гибридные системы автономного электроснабжения с применением возобновляемых источников энергии (ВИЭ), линейные регуляторы напряжения, устройства компенсации реактивной мощности [3-5]. Кроме этого все большее применение находят дизель-генераторные установки переменной частоты вращения на базе синхронного генератора и преобразователя частоты со звеном постоянного тока и буферным накопителем энергии [6], обеспечивающие минимальный удельный расход топлива при изменяющейся нагрузке.
Результаты и обсуждение
За последние годы принципиального развития в области электрохимических накопителей электроэнергии не произошло и все чаще внимание производителей и проектировщиков направлено на механические накопители, например, на дизель-роторные системы бесперебойного электроснабжения [7].
В рассматриваемой системе электроснабжения применение ДГУ в качестве резервного электроснабжения осуществляется непродолжительное время: не более 20 часов в год (Таблица 1.).
Таблица 1. Число часов работы ДГУ в году для гарантированного электроснабжения поселков удаленного энергорайона
№ п/п | Мощность ДГУ | Число часов работы, ч | Примечание |
1 | 200 кВт | 6 | Тестовые запуски |
… | … | … |
|
23 | 420 кВт | 18 |
|
24 | 580 кВт | 18 |
|
В этих условиях целесообразность обеспечения экономичных режимов работы ДГУ и требуемого качества электроэнергии потребителей с резкопеременной нагрузкой на основе систем накопления активной мощности, гибридных систем электроснабжения с ВИЭ и пр. может отсутствовать. Обеспечение надежности электроснабжения и качества электроэнергии у потребителей является первоочередной задачей.
Системы накопления энергии на основе аккумуляторных батарей имеют достаточно ограниченный срок службы и требовательны к климатическим условиям размещения. В качестве источника энергии для пиков покрытия резкопеременных нагрузок целесообразнее использовать суперконденсаторы в звене постоянного тока полупроводниковых преобразователей, обеспечивающих выдачу не только активной, но и реактивной мощности.
Целью настоящего исследования является обоснование технических решений на основе полупроводниковых устройств генерации реактивной и активной мощности, направленных на повышение качества электроэнергии в удаленных системах электроснабжения с питанием в режиме резервирования от дизель-генераторных установок. Основные решаемые задачи: оценить особенности обеспечения КЭ при резервировании рассматриваемой системы электроснабжения с помощью ДГУ; обоснование технических решений по повышению КЭ при питании коммунально-бытовых нагрузок поселков в режиме резервирования от ДГУ на основе имитационного моделирования.
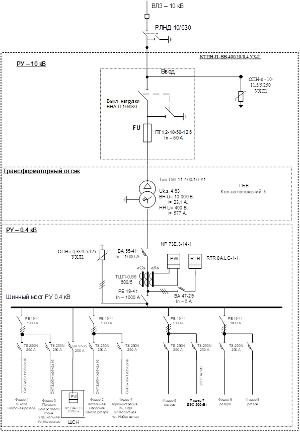
Типовая схема комплектной трансформаторной подстанции (КТП) с резервированием от ДГУ (ДЭС 200 кВт, фидер 7) представлена на рис. 1. Мощность силового понижающего трансформатора составляет 400 кВ·А.
Рисунок 1 – Однолинейная схема КТП
Пример графика нагрузки по полной мощности на вторичной стороне трансформатора КТП представлен на рисунке 2. Спектральный состав графика нагрузки на основе разложения в ряд Фурье для одного из моментов времени представлен на рисунке 3. Коэффициент мощности изменяется в широких пределах 0,45 – 0,97 и здесь не представлен. Изменение фазного напряжения (фаза А) по времени представлено на рисунке 4.
Рисунок 2 – График нагрузки по полной мощности на вторичной стороне трансформатора КТП
Рисунок 3 – Спектральный состав графика нагрузки на основе разложения в ряд Фурье
Рисунок 4 – Изменение фазного напряжения (фаза А) по времени
Указанный график нагрузки получен в результате измерений детерминированной составляющей случайного процесса, поэтому точное вычисление коэффициентов Фурье по формулам Эйлера − Фурье невозможно.
Значения коэффициентов вычисляются по формулам Бесселя [8]:
(1)
(2)
(3)
Уравнение разложения графика нагрузки имеет вид:
(4)
Интервал дискретизации по времени должен соответствовать формуле Котельникова [8]:
(5)
где fв = 1/Tв – высшая частота, выделяемая в процессе.
Как известно, медленные изменения напряжения имеют продолжительность более 1 мин, а длительность провалов напряжений, обусловленные изменениями нагрузки электрической сети, оценивается от 0,01 с до 60 с [1].
При этом инерционность систем управления параметрами режима электрической сети на основе полупроводниковых преобразователей, как правило, не превышает 0,02 с. Таким образом, оцениваемая высшая частота графика нагрузки Tв = 40 Гц, низшая – 0,016 Гц.
Среди основных используемых и перспективных способов решения указанных проблем с КЭ (по отклонению, колебаниям, несимметрии, несинусоидальности напряжений и отклонении частоты) при резервном питании потребителей от ДГУ можно отнести следующие [3-5]: увеличение установленной мощности ДГУ с большим коэффициентом запаса по отношению к расчетной нагрузке; управление спросом потребителей; применение ДГУ с переменной частотой вращения; применение совместно с ДГУ систем накопления энергии; применение совместно с ДГУ систем накопления энергии, возобновляемых источников энергии, балластных нагрузок; совершенствование методов прогнозирования графиков нагрузок и генерации электроэнергии; совершенствование методов управления ДГУ с системой накопления энергии в переходных и установившихся режимах, в том числе противоаварийного управления; применение полупроводниковых устройств генерации реактивной и активной мощности; совершенствование методов координированного управления преобразователями систем накопления энергии для обеспечения заданного характера переходных процессов, в том числе имитирующих работу синхронных генераторов.
Предлагается для обеспечения качества электроэнергии при питании от ДГУ применять трехуровневый статический компенсатор мощности (СТАТКОМ) при напряжении 0,4 кВ с накопителем на суперконденсаторах, требующий меньше энергии хранения, чем буферный накопитель (система накопления энергии). В настоящее время на отечественном рынке в основном представлены статические генераторы реактивной мощности 0,4 кВ, обеспечивающие генерацию емкостной и индуктивной мощности, активную фильтрацию гармоник, не имеющие накопителя активной мощности. Также представлены преобразователи с системой накопления энергии, обеспечивающие работу нагрузок от источника бесперебойного питания с прерыванием напряжения до 10 – 20 с. В первом случае указанные устройства не смогут обеспечить поддержание частоты и напряжения при резкопеременных нагрузках в условиях изолированной системы электроснабжения с питанием от ДГУ. Во втором случае, имеют чрезмерную емкость накопителей для целей обеспечения напряжения при отключении от основного источника. Надо учитывать, что значительную часть колебаний напряжений, вызванных нагрузкой, может быть компенсировано не только активной, но и реактивной мощностью. В общем виде, например, для напряжения можно записать:
. (1)
Где dUi – дифференциал функции напряжения в i-м узле, вызванный приращениями активной dPj и реактивной dPj мощности в j-м узле электрической сети.
Аналогично может быть записано выражение по частоте. Таким образом, с учетом коэффициента мощности можно оценить необходимую величину генерации реактивной и при необходимости активной мощности (СТАТКОМа) для стабилизации напряжения и частоты при изменении графика нагрузки потребителя.
СТАТКОМ для решения поставленной цели должен, среди прочего, компенсировать мощность искажений и других неактивных составляющих полной мощности, включая несимметрию напряжений. Компенсация токов нулевой и обратной последовательности не требует активной мощности. Реактивная составляющая тока компенсатора, вызванная генерацией реактивной мощности, будет ниже, чем в режиме работы полного компенсатора [9].
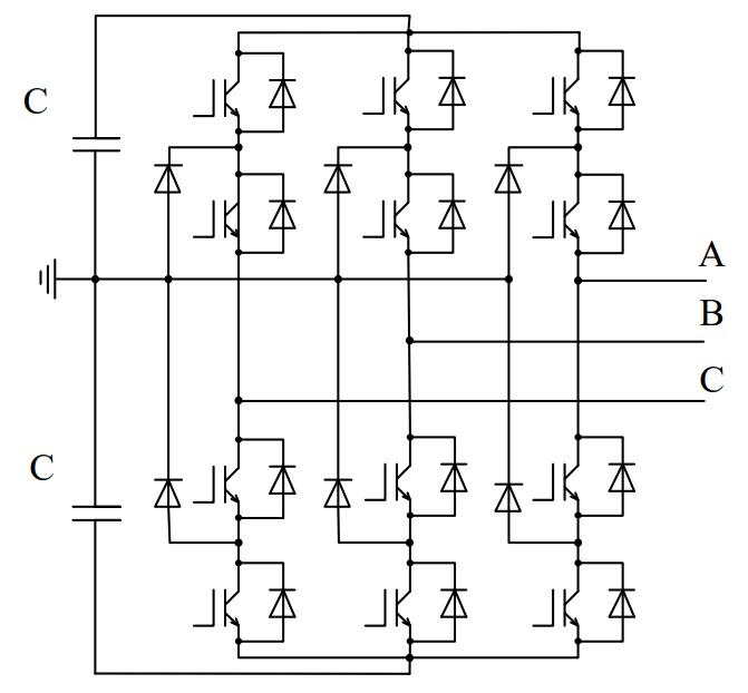
В качестве базовой топологии построения указанного статического преобразователя принимаем трехуровненвый инвертор напряжения, который имеет ряд известных преимуществ [9]. Упрощенная схема трехуровнего инвертора напряжения с суперконденсаторами представлена на рисунке 5.
Рисунок 5 – Упрощенная схема трехуровнего инвертора напряжения
Рассмотрим возможности СТАТКОМа, направленные на повышение качества электроэнергии в удаленных системах электроснабжения с питанием в режиме резервирования от дизель-генераторных установок, на основе имитационного моделирования.
Имитационная модель ДГУ с постоянной частотой вращения на базе дизельного двигателя и синхронного генератора с фрагментом участка электрической сети представлена на рисунке 6.
Рисунок 6 – Имитационная модель ДГУ с участком электрической сети
Модель полупроводникового преобразователя с широтно-импульсной модуляцией (ШИМ) представлена на рисунке 7, упрощенная схема замещения силовой части (а) и блок-схема управления (б) СТАТКОМ – на рисунке 8.
Рисунок 7 – Блок преобразователя
Рисунок 8 – Упрощенная схема замещения силовой части (а) и блок-схема управления (б) СТАТКОМ
В системе управления рассматриваемым преобразователем применяется метод управления по мгновенным значениям токов и напряжений с использованием преобразования трёхфазной системы в двухфазную (преобразования Парка-Горева в координаты d-q). В блоке фазовой подстройке частоты (рисунок 8, б) необходима точная синхронизация угловой частоты вращения ортогональной системы координат d,q и угловой частоты трёхфазной системы. Более подробная информация про принципы генерации токов генерации с учетом активной фильтрации несинусоидальных токов и несимметричных напряжений представлена в [5].
Управление активной и реактивной мощностью (в условиях симметричных токов и напряжений) осуществляется по выражению (обозначение по рис. 6) [10]:
(2)
где δ – угол между U1 и U2.
Таким образом, изменяя угол между питающим напряжением U1 и напряжением U2 можно регулировать значение выдаваемой (потребляемой) активной мощности, а регулируя коэффициент модуляции (соотношение между U1 и U2) можно генерировать (потреблять) реактивную мощность.
Временные диаграммы работы СТАТКОМ по условию стабилизации напряжения (без учета несимметрии) в узле подключения (на уровне 220 В) для первых 0,5 с графика нагрузки представлены на рисунке 9.
Рисунок 9 – Временные диаграммы работы СТАТКОМ по условию стабилизации напряжения и осциллограмма ШИМ
Заключение и выводы
Результаты моделирования свидетельствуют о том, что для стабилизации напряжения на заданном уровне генерация реактивной мощности составила 30-40 квар, активной 2-3 кВт с накопителем 0,2 кВт·ч.
В представленной имитационной модели не учитывалось отклонение частоты напряжения при дефиците активной мощности, а также не оценивалось оптимальное соотношение генерации активной и реактивной мощности преобразователя с точки зрения массо-габаритных показателей по условию обеспечения качества электроэнергии, что является предметом дальнейших исследований авторов.
Результаты проведенных исследований свидетельствуют о перспективности применения преобразователей типа СТАТКОМ с накопителем для повышения качества электроэнергии в сетях низкого напряжения с комбинированной генерацией активной и реактивной мощности. Эффект от применения подобных устройств по сравнению с преобразователями в составе систем накопления заключается в снижении массо-габаритных показателей за счет учета реактивной составляющей генерируемой мощности и комплексного подхода к повышению качества электроэнергии.
Об авторах
Евгений Александрович Третьяков
Югорский государственный университет
Автор, ответственный за переписку.
Email: eugentr@mail.ru
доктор технических наук, профессор, профессор Политехнической школы
Россия, Ханты-МансийскАлександр Владимирович Мещеряков
Югорский государственный университет
Email: mesheryakov.1996@mail.ru
аспирант Политехнической школы
Россия, Ханты-МансийскСписок литературы
- ГОСТ 32144-2013. Электрическая энергия. Совместимость технических средств электромагнитная. Нормы качества электрической энергии в системах электроснабжения общего назначения. – Москва : Стандартинформ. – 2014. –20 с. – Текст : непосредственный.
- Хватов, О. С. Электростанция на базе дизель-генераторной установки переменной частоты вращения и буферного накопителя энергии. / О. С. Хватов, Д. С. Кобяков, М. Е. Юрлов. – Текст : непосредственный // Вестник Астраханского государственного технического университета. Серия: Морская техника и технология. – 2020. – № 3. – С. 71–81.
- Хватов, О. С. Моделирование переходных процессов в дизель-генераторной установке переменной частоты вращения с буферным накопителем энергии / О. С. Хватов, А. Б. Дарьенков, Д. С. Кобяков [и др.]. – Текст : непосредственный // Труды НГТУ им. Р. Е. Алексеева. – 2019. – № 1(124). – С. 130–137.
- Калимуллин, Л. В. Приоритетные направления, ключевые технологии и сценарии развития систем накопления энергии / Л. В. Калимуллин, Д. К. Левченко, Ю. Б. Смирнова, Е. С. Тузикова. – Текст : непосредственный // Вестник Ивановского государственного энергетического университета. – 2019. – № 1. – С. 42–54.
- Бык, Ф. Л. Использование систем накопления энергии для функционального резервирования / Ф. Л. Бык, Л. С. Мышкина. – Текст : непосредственный // Релейная защита и автоматизация. – 2020. – № 4(41). – С. 35–39.
- Бачурин, П. А. Испытания промышленного образца системы накопления энергии СНЭ-10-1200-400 при совместной работе с ГПУ в составе экспериментальной энергосистемы / П. А. Бачурин, Д. С. Гладков, В. М. Зырянов [и др.]. – Текст : непосредственный // Электроэнергия. Передача и распределение. – 2020. – № 2(59). – С. 18–25.
- Карагодин, В. В. Структурно-параметрическая оптимизация системы бесперебойного электроснабжения ответственных потребителей / В. В. Карагодин, К. А. Полянский, В. А. Горин. – Текст : непосредственный //Известия высших учебных заведений. Приборостроение. – 2017. – Т. 60. – №. 1. – С. 14–24.
- Осипов, Л. А. Линейно-аппроксимирующее преобразование дискретных сигналов в системах цифровой обработки / Л. А. Осипов. – Текст : непосредственный // Наука и техника транспорта. – 2016. – №. 1. – С. 94–99.
- Макаров, В. Многоуровневые инверторы напряжения. Обзор топологий и применение / В. Макаров, Р. Н. Хайбрахманов. – Текст : непосредственный // Вестник Казанского технологического университета. – 2016. – Т. 19. – №. 22. – С. 134–138.
- Янгиров, И. Ф. Возможности использования FACTS технологий в энергосистеме и ее приложения / И. Ф. Янгиров, Р. А. Сафиуллин. – Текст : непосредственный // Электротехнические комплексы и системы. – 2021. – С. 416–432.
Дополнительные файлы










