Production of aluminum foam using an alternative porophore
- Authors: Lapin I.V.1, Gilmutdinov I.M.1
-
Affiliations:
- Kazan National Research Technological University
- Issue: Vol 20, No 1 (2024)
- Pages: 46-50
- Section: New materials and technology
- Submitted: 07.05.2024
- Published: 23.04.2024
- URL: https://medbiosci.ru/1816-9228/article/view/255096
- DOI: https://doi.org/10.18822/byusu20240146-50
- ID: 255096
Cite item
Full Text
Abstract
Subject of research: blowing agent in the form of natural CaCO3 powder to obtain high-quality aluminum foam material.
Purpose of research: selection of the optimal type of foam as a pore-forming element and production of aluminum foam with special functional properties.
Methods and objects of research: when studying the gas-forming properties, the residual substances and thermal stability of the powder were determined using a thermogravimetric analyzer TG-DTG, DSC. The processes of obtaining aluminum foam samples sintered in a protective environment on an experimental installation are considered. The object of research is the resulting CaCO3 powders, as well as the determination of the physical and mechanical properties of aluminum foam samples.
Main results of research: production of foamed aluminum with special functional properties with the introduction of powder blowing agent CaCO3. Selection of the optimal component of the amount of powder injected into the metal matrix of the substance, based on the physical properties of the resulting material.
Keywords
Full Text
ВВЕДЕНИЕ
В порошковой металлургии используются различные порошки металлов необходимого качества, и они имеют широкий спектр свойств, зависящих не только от дисперсности и формы частиц (от нитевидных до сферических), но и от получения их путем восстановления оксидов и солей, электролитического осаждения металлов, механическим методом (измельчение резанием, размол, распыление) и многими другими. В выборе металлических порошков для конкретных изделий учитывается их прессуемость (формуемость), пирофорность и токсичность [1].
Функциональные свойства конкретного пеноматериала (пеноалюминия), такие как низкая плотность в сочетании с повышенной жесткостью, позволяют возводить долговечные и устойчивые конструкции. Пеноалюминий – биостойкий (не поддается гниению), имеет низкий показатель гигроскопичности. Демпферные свойства подходят для использования ударопрочных бамперов, плит, перегородок, в конструкциях и устройствах, способных поглощать сильные механические воздействия. Минимальный вес конструкций позволяет использовать пеноалюминий в конструировании космических объектов [2].
Звуко-, шумо-, вибропоглощающие свойства и защита от электромагнитного излучения позволяют использовать пеноалюминий в различных ограждающих конструкциях, как стеновых, так и потолочных [3].
Пенометалл (пеноалюминий) также можно использовать в качестве наполнения полых профилей из металла, увеличивая жесткость конструкции. Обладая высокой эстетикой наряду с нетоксичностью, лёгкостью, огнестойкостью и коррозионной стойкостью, пеноалюминий подходит для отделки фасадов, кабин лифтов и др. [3].
РЕЗУЛЬТАТЫ И ОБСУЖДЕНИЕ
Для получения пеноалюминиевого образца используются порошки алюминия, а в качестве порофора – порошок скорлупы птичьих яиц в виде CaCO3 (патент № 2801169 Лапин И. В.). По данным химического и анализа ТГА (рис. 1), в первую очередь по температуре разложения и объему порообразующих выделений подбирается вид применяемого порофора. Экспериментально подбирается количественное соотношение основы и порофора, тип смешивающего устройства. Исходя из научных данных, выбирается усилие прессования и проводится одноосное холодное прессование смешанных порошков в прессформах. Далее в собственно изготовленной экспериментальной установке проводится спекание прекурсоров индукционным нагревом в защитной среде аргона. После охлаждения снимаются физические показатели полученных образцов, такие как размерность, плотность, пористость и др.).
Рисунок 1. Термоаналитические кривые ТГ-ДТГ, ДСК порошка птичьих яиц в виде CaCO3.
Термоаналитические кривые ТГ-ДТГ, ДСК представленного порофора в виде CaCO3 (рис. 1), где горизонтальная ось координат показывает температурные интервалы (°C), вертикальные оси координат (слева направо) – производная функция веса (%/мин); масса (%); тепловой поток, соответствующий эндотермическому разложению (мВт).
При разложении представленного порофора в виде CaCO3 выделенная тепловая энергия резко повышает температуру порошкового вещества, соответственно, требуются меньшие энергетические затраты для нагрева образца [1].
Величиной, определяющей физические свойства пеноалюминия, является его плотность и пористость (объем порового пространства), исчисляемая по формуле:
где П – пористость в %, ρо – плотность готового (спеченного) материала, ρ – плотность литого материала.
Плотность пенометалла (г/см³) определялась стандартным способом по формуле:
ρо = m/V
где m – масса образца, V – объем образца.
Физические характеристики образцов пеноалюминия с предложенным порофором в виде CaCO3 закономерно зависят от количества вводимого порошкового порообразователя (таблица 1), и в дальнейшем существенно влияют на структуру и механические свойства полученного композиционного изделия [4].
Таблица 1. Характеристики образцов с различной массовой долей порофора CaCO3.
№ образца пеноалюминия | Количество порофора, % масс | Плотность образца после прессования, гр/см2 | Плотность образца после спекания, гр/см2 | Пористость образца, относительно спресованн. компакта, % | Пористость образца, относительно литой матрицы, % |
1 | 3 | 2.3 | 1.97 | 13,17 | 28,5 |
2 | 5 | 2.389 | 1.982 | 17 | 26,5 |
3 | 8 | 2.172 | 1.62 | 25,42 | 40 |
4 | 10 | 2.33 | 2.012 | 13,8 | 25,4 |
5 | 15 | 2.4 | 1.96 | 18,3 | 27,4 |
6 | 20 | 2.36 | 1.99 | 15,6 | 26,3 |
На графике (рисунок 2) видны максимальные значения пористости пеноалюминиевых образцов с порошковым порофором СаСО3 при отношениях как спекаемых образцов к спрессованным, так и спекаемых образцов к литым, и имеют пористость 25,42 % и 40 % соответственно.
Рисунок 2. График зависимости пористости образцов пеноалюминия от массовой доли порофора CaCO3 (нижний график – плотность спекаемого от плотности спрессованного, верхний – плотность спекаемого от плотности литого).
Исходя из полученных экспериментальных данных, для получения качественного пеноалюминия оптимальное количество порофора СаСО3 по массе должно содержать 8–12 %. Уменьшение массового процентного содержания порофора CaCO3 ведет к увеличению плотности пеноалюминия и уменьшению пористости полученного образца.
Количество порофора 8–12 мас. % является оптимальным для получения однородной пористой структуры и стабильности размеров полученного материала (потери формы).
При содержании порофора в количестве меньше 8 % значительно падают показатели пористости образцов, соответственно, уменьшаются размеры пор, что радикально влияет на характеристики энергопоглощающих свойств пенометаллических изделий.
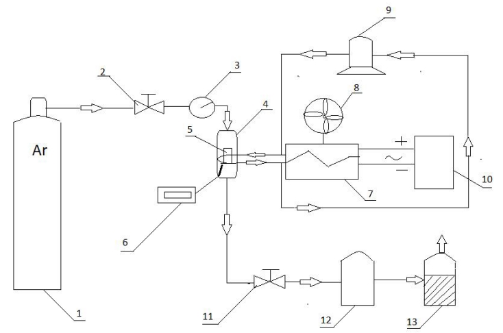
Спекание спрессованных образцов порошка алюминия и порофора представлена (рисунок 3) на схеме экспериментальной установки для спекания.
Рисунок 3. Схема установки для спекания сформованных образцов: 1 – баллон с аргоном; 2, 11 – запорные вентили; 3 – манометр; 4 – кварцевый реактор; 5 – графитовый тигель с образцом; 6 – устройство для фиксирования показателей температур; 7 – блок генератора индукционного нагревателя; 8 – вентилятор охлаждения; 9 – насос гидравлический; 10 – индивидуальный источник питания; 12 – емкость; 13 – емкость с жидкостью.
Аргоновый газ из баллона 1 подается в кварцевый реактор 4 установки, в котором установлен графитовый тигель с прекурсором 5. Снятие показаний температур нагрева производится встроенными хромель-алюмелевыми термопарами и выводится на аналоговый контроллер 6. Далее защитный газ поступает в стеклянную емкость 12, затем в емкость с водой 13. Генератор индукционного нагревателя 7 посредством катушки индуктора осуществляет нагрев образца путем превращения электромагнитных волн в тепловую энергию. Блок индукционного нагревателя охлаждается вентилятором 8, а катушка индуктора имеет водяное охлаждение посредством циркуляционной перекачки насосом 9.
Питание и регулировка параметров (силы тока, напряжения) блока генератора осуществляется индивидуальным источником питания 10.
Для проведения расчетов энергопоглощающих элементов конструкций необходимо знать упруго-пластические свойства пеноалюминия, и при оптимизации элементов требуется иметь зависимость характеристик деформирования пеноалюминия от его плотности [5].
Применение карбонатов в качестве порофоров дополнительно обосновано способностью некоторых металлов поглощать водород, что, в свою очередь, делает применение гидридов неэффективным. Данную особенность можно наблюдать у магния (Mg), который обладает способностью поглощать водород, поэтому CaCO3 и MgCO3 являются более подходящими вспенивающими веществами для получения пеноалюминия и пеномагния [6].
Также к факторам выбора карбонатов относятся исследования, которые показали, что при использовании гидридов в качестве порообразователей образуются хрупкие интерметаллические соединения, которые влияют на пластичность материала, и из-за этого взаимодействия способность пенометалла поглощать энергию снижается. Например, при получении пеноалюминия с использованием TiH2 в качестве порофора образуется интерметаллид Al3Ti, который является хрупким соединением, снижающим пластичность стенок ячеек и ударную вязкость пенометалла. Следовательно, способность пенометаллов, полученных с помощью TiH2, к поглощению энергии ниже, чем у пенометаллов, полученных с помощью CaCO3, образующих комбинацию Al и Al4Ca, которая является менее хрупкой и не влияет на прочность [7-8]. Также применение представленного порофора в виде CaCO3, по сравнению с гидридом титана, выигрывает по себестоимости (т. к. гидрид титана стоит 5000 руб./кг, яичная скорлупа, даже молотая – 50-120 руб./кг).
ЗАКЛЮЧЕНИЕ И ВЫВОДЫ
Получение пористой структуры алюминия обосновано введением порошкового порообразователя – скорлупы птичьих яиц в смесь, холодное прессование и спекание до получения пенометалла со специальными свойствами. Сочетание специальных свойств пеноалюминия увеличивает реестр применения его в различных областях производства [9].
About the authors
Ilya V. Lapin
Kazan National Research Technological University
Author for correspondence.
Email: 89003222142@mail.ru
Russian Federation, Kazan
Ilfar M. Gilmutdinov
Kazan National Research Technological University
Email: 89003222142@mail.ru
Doctor of Technical Sciences, Professor
Russian Federation, KazanReferences
- Лапин, И. В. Повышение эффективности в использовании малозатратных порофоров для получения новейших материалов / И. В. Лапин, В. В. Жиляков, Г. А. Аминова, И. В. Вишнякова. – Текст: непосредственный // Вестник КГТУ им. А. Н. Туполева. – Казань, 2020. – № 1. – С. 56–62.
- Лапин, И. В. Механизмы стабилизации металлических пен и формирование пористой металлической структуры / И. В. Лапин, В. В. Жиляков. – Текст: непосредственный // Вестник КГТУ им. А. Н. Туполева. – Казань, 2020. – № 3. – С. 80–84.
- Шанин, Д. Н. Пенометалл: структура, технологии получения, применение в области строительства / Д. Н. Шанин. – Текст: непосредственный // Научный журнал «Полиматис». – 2016. – № 1. – С. 59–63.
- Лапин, И. В. Новые модификации металлов в современном производстве / В. Г. Кузнецов, Г. А. Аминова. – Текст: непосредственный // Известия КГАСУ. – 2017. – № 3(41). – С. 188–195.
- Бутарович, Д. О. Пеноалюминий как энергопоглощающий материал и его механические свойства / Д. О. Бутарович, А. А. Смирнов, Д. М. Рябов. – Текст: непосредственный // Машиностроение. – 2011. – № 7. – С. 53–58.
- X. Xia, W. Zhao, X. Feng, H. Feng, and Xin Zhang, “Effect of homogenizing heat treatment on the compressive properties of closed-cell Mg alloy foams” // Materials and Design, vol. 49, pp. 19–24, 2013.
- A. V. Byakova, S. V. Gnyloskurenko, and A. I. Sirko, “The role of foaming agent in structure and mechanical performance of Al based foams” // Materials Transactions, vol. 47, pp. 2131–2136, 2016.
- Banhart J, Ashby MF, Fleck N. Cellular Metal and Metal foamingtechnology. Germany: Verlag MIT; 2001, – 169р.
- Lapin I., Zhilyakov V., Kharitonova O., Bronskaya V., Askarova R., Vishnyakova I. Relevance of selective sampling of foaming agents for the production of porous metals / „Proceedings of the II International Conference on Advances in Materials, Systems and Technologies, CAMSTech-II 2021“ 2022. – Р. 020030.
Supplementary files




