Analysis of the operation of electromagnetic bearings in the difference of the center of the magnetic system relative to the axis of rotation and variations of the supply voltage
- Authors: Starikov A.V.1, Kostukov V.D.1
-
Affiliations:
- Samara State Technical University
- Issue: Vol 31, No 1 (2023)
- Pages: 103-113
- Section: Energy and Electrical Engineering
- URL: https://medbiosci.ru/1991-8542/article/view/142723
- DOI: https://doi.org/10.14498/tech.2023.1.8
- ID: 142723
Cite item
Full Text
Abstract
The article sets the task of reducing the consumption of electrical energy by electromagnetic bearings. To achieve this goal, it is proposed to shift the center of the magnetic system of bearings that compensate for the weight of the rotor relative to the axis of rotation. The displacement value is assumed to be equal to half the clearance value in the safety bearings of the unit under consideration. A mathematical model of a radial electromagnetic bearing, its design scheme, taking into account the displacement of the center of the magnetic system relative to the axis of rotation, a block diagram of a three-loop control system and formulas for calculating the parameters of regulators are presented. Regulator settings for a specific type of electromagnetic bearings are determined. A calculation model has been developed that makes it possible to study the operation of an electromagnetic bearing when the center of the magnetic system is displaced relative to the axis of rotation and the supply voltage is varied. The results of simulation in the Matlab Simulink software environment of the process of rotor ascent from safety bearings and rotor levitation in a displaced state at different values of the supply voltage are given. It is shown that the voltage reduction by 16.7% ensures stable operation of the electromagnetic suspension of the rotor in all possible modes. Therefore, shifting the center of the magnetic system can reduce the power consumption of electromagnetic bearings by 30%.
Full Text
Введение
В настоящее время электромагнитные подшипники достаточно широко используются на практике. Их применение охватывает ключевые сферы промышленности, такие как транспорт, энергетика, топливно-энергетический комплекс, станкостроение, авиация, космическая отрасль и др. Например, применение электромагнитных подшипников (активных магнитных подшипников) является перспективным направлением в области энергетического машиностроения. Действительно, замена в газоперекачивающих агрегатах и мощных электродвигателях гидростатических подшипников скольжения на электромагнитные позволяет исключить маслосистему, снизить механические потери на трение и повысить ресурс работы оборудования [1–11]. При этом происходит снижение потребления электрической энергии, необходимой для функционирования маслосистемы подшипников скольжения. Кроме того, применение электромагнитных подшипников актуально в высокоскоростных электрошпинделях, поскольку наряду с увеличением межремонтного периода позволяет обеспечить высокую жесткость опор [12, 13].
Однако электромагнитные подшипники сами по себе потребляют электрическую энергию, которая идет на поддержание ротора в требуемом положении и нагрев обмоток электромагнитов. Наряду с высокой стоимостью и сложностью конструкции данный аспект также относят к перечню недостатков электромагнитных подшипников. В настоящее время вопросы энергосбережения являются весьма актуальными и учитываются при проектировании и разработке любого электротехнического устройства. В связи с этим целью работы является снижение потребления электроэнергии активными магнитными подшипниками.
Решение поставленной задачи
Для достижения поставленной цели предлагается сместить центр магнитной системы электромагнитных подшипников, компенсирующих вес ротора, относительно оси вращения. Это позволит при одном и том же токе электромагнита за счет уменьшения воздушного зазора увеличить силу притяжения электромагнита, направленную против силы веса.
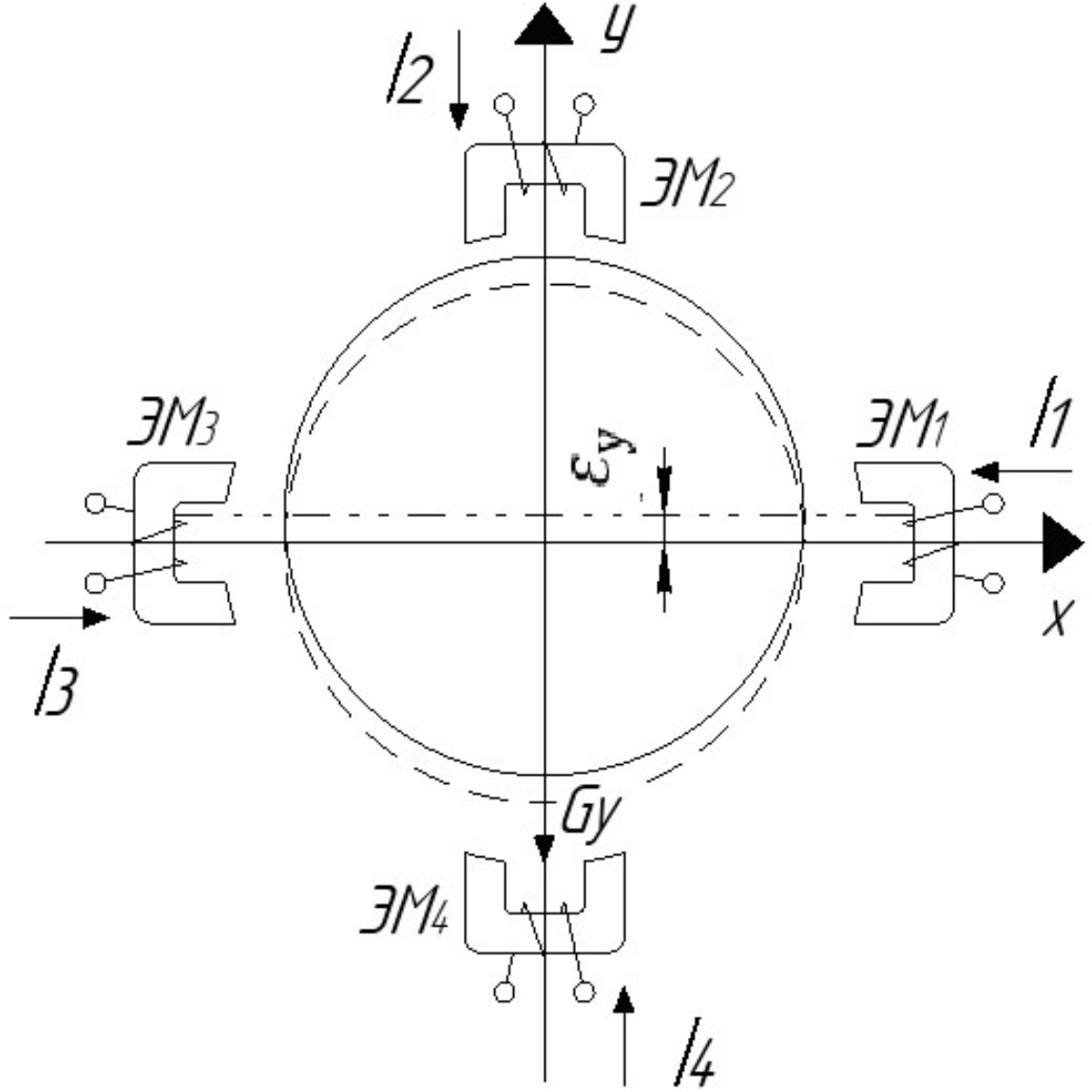
Рассмотрим случай, когда ротор какого-либо агрегата, оснащенного электромагнитными подшипниками, расположен горизонтально. Тогда компенсацию веса ротора будут производить радиальные электромагнитные подшипники. Расчетная схема одного радиального электромагнитного подшипника с учетом смещения центра магнитной системы относительно оси вращения приведена на рис. 1. Управление токами и электромагнитов ЭМ1 и ЭМ3, расположенных по оси , производится независимо от регулирования токами и электромагнитов ЭМ2 и ЭМ4, действующих по оси .
Рис. 1. Расчетная схема радиального электромагнитного подшипника с учетом смещения центра магнитной системы относительно оси вращения
Если использовать дифференциальный закон управления электромагнитами каждой оси, при котором увеличение тока одного электромагнита приводит к пропорциональному уменьшению тока противоположного электромагнита, то перемещение ротора, например, по оси описывается следующей системой уравнений [14]:
(1)
где , и – опорное напряжение, коэффициент передачи и величина сигнала на входе широтно-импульсного модулятора (ШИМ); , – индуктивность и активное сопротивление обмотки второго электромагнита ЭМ2; , – индуктивность и активное сопротивление обмотки третьего электромагнита ЭМ4; и – коэффициенты взаимной индукции между электромагнитами; и – коэффициенты, связывающие наводимые в соответствующих обмотках электродвижущие силы со скоростью перемещения ротора; – масса ротора, приходящаяся на один радиальный электромагнитный подшипник; – коэффициент положительной обратной связи по перемещению; – коэффициент, связывающий силу, действующую на ротор, с токами и во втором и четвертом электромагнитах; – часть веса ротора, приходящаяся на ось радиального электромагнитного подшипника; – составляющая внешней возмущающей силы по оси .
Системе уравнений (1) соответствует следующая передаточная функция радиального электромагнитного подшипника как объекта управления [15]:
(2)
где и – начальные значения токов в рабочей точке; и – постоянные времени обмоток электромагнитов, вызванные собственными индуктивностями и .
Основные особенности электромагнитных подшипников как объектов управления заключаются в нестационарности и принципиальной неустойчивости [15]. Нестационарность проявляется в том, что такие параметры электромагнитного подшипника, как , , , , и , изменяются в функции смещения ротора относительно центра магнитной системы. Неустойчивость связана с наличием положительной обратной связи по перемещению.
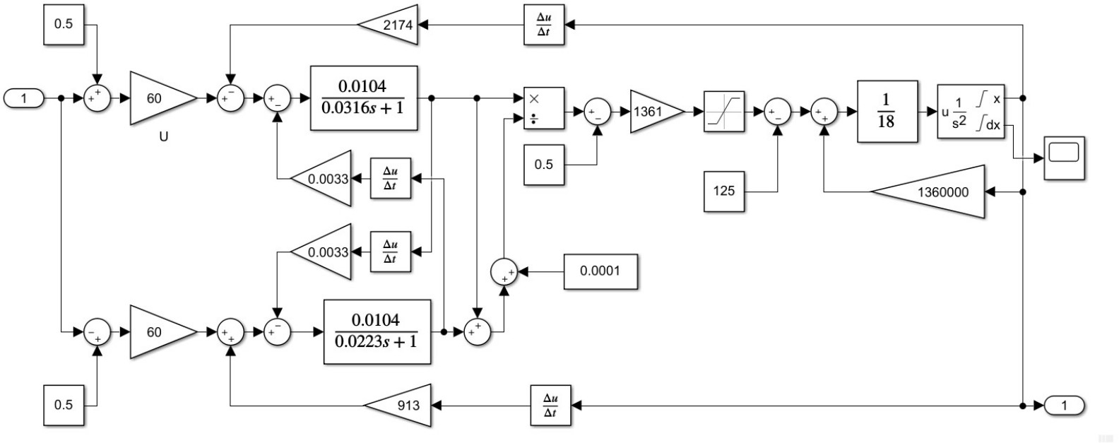
При исследовании влияния смещения центра магнитной системы электромагнитных подшипников относительно оси вращения на работу предположим, что управление электромагнитным подшипником по каждой оси осуществляет трехконтурная система управления (рис. 2) [16, 17].
Рис. 2. Структурная схема непрерывного прототипа трехконтурной системы управления электромагнитным подшипником
Она содержит во внутреннем контуре пропорционально-дифференциальный регулятор с передаточной функцией
,
где – коэффициент передачи; – постоянная времени регулятора, который обеспечивает компенсацию основной инерционности объекта.
Во втором и третьем контурах применены соответственно пропорциональный регулятор с коэффициентом передачи и интегральный регулятор, имеющий постоянную времени . Эти регуляторы предназначены для придания электромагнитному подшипнику требуемых динамических и статических свойств.
Параметры регуляторов системы управления электромагнитным подшипником рассчитываются для центрального положения ротора относительно магнитной системы подшипника по следующим аналитическим выражениям [17, 18]:
(3)
где ; – задаваемый параметр демпфирования колебаний;
;
;
; ; .
Для оценки влияния смещения центра магнитной системы относительно оси вращения на качество работы и энергопотребление радиального электромагнитного подшипника воспользуемся методом компьютерного моделирования в программе Matlab Simulink. При этом возьмем за основу характеристики электромагнитов, разработанных для электромагнитного подвеса ротора опытного образца турбонагнетателя 6ТК-Э дизеля локомотива [19, 20].
В рассматриваемом агрегате масса ротора, приходящаяся на один электромагнитный подшипник, составляет кг, а опорное напряжение широтно-импульсного преобразователя – В. При центральном положении ротора электромагниты характеризуются следующими параметрами: Гн; Ом; Гн; Вс/м; Н; Н/м.
Принимая в качестве коэффициента передачи широтно-импульсного модулятора , что соответствует 12-разрядному ШИМ, при по формулам (3) найдем требуемые настройки регуляторов системы управления электромагнитным подшипником: с; ; с; с.
Теперь проверим работоспособность радиального электромагнитного подшипника при смещении центра магнитной системы от оси вращения ротора на величину м. При этом учтем, что параметры электромагнитов изменятся и станут равными: Гн; Гн; Вс/м; Вс/м; Н; Н/м.
Расчетная модель цифровой системы управления электромагнитным подшипником (ЭМП) при периоде дискретизации с приведена на рис. 3. Она содержит объект управления (рис. 4), учитывающий приведенные выше параметры, а также ограничения силы электромагнитов на уровне 732 Н и перемещений в диапазоне ±0,00025 м.
Рис. 3. Расчетная модель цифровой системы управления электромагнитным подшипником
Рис. 4. Расчетная модель электромагнитного подшипника как объекта управления при напряжении питания В и смещении оси вращения на м относительно центра магнитной системы
Расчетная модель позволяет построить график перемещения ротора из нулевого относительно центра магнитной системы положения в координату м (рис. 5). Он показывает, что при выбранных настройках регуляторов система управления электромагнитным подшипником работает устойчиво и при смещении центра магнитной системы относительно оси вращения ротора.
Рис. 5. Переходный процесс перемещения ротора из нулевого относительно центра магнитной системы положения в координату м при В
Попытаемся теперь уменьшить опорное напряжение ШИМ до В. Компьютерное моделирование показывает, что при уменьшении напряжения питания обмоток электромагнитов получается переходный процесс, аналогичный графику, приведенному на рис. 5. Так же ведет себя радиальный электромагнитный подшипник и при опорном напряжении ШИМ, равным 40 и 30 В. Однако при включении системы управления электромагнитным подвесом изначально ротор находится на страховочных подшипниках.
Если считать, что зазор в страховочных подшипниках рассматриваемого агрегата составляет 0,00025 м, то в момент включения электромагнитного подвеса ротор находится в координате м относительно центра магнитной системы. При этом параметры электромагнитов при В имеют следующие значения [19, 20]: Гн; Гн; Вс/м; Вс/м; Н; Н/м.
Моделирование показывает, что с такими параметрами и при В ротор турбонагнетателя уверенно всплывает со страховочных подшипников (рис. 6).
Рис. 6. Процесс всплытия ротора со страховочных подшипников при В
При дальнейшем снижении питающего напряжения стабильность функционирования снижается. Так, при напряжении В ротор турбонагнетателя не может подняться со страховочных подшипников, а при В всплытие ротора существенно затягивается.
Тем не менее проведенное исследование показывает, что при смещении центра магнитной системы на м относительно оси вращения ротора нагнетателя напряжение питания электромагнитов можно снизить до 50 В. Это приведет к повышению энергетической эффективности электромагнитного подшипника за счет снижения потребляемой мощности пропорционально квадрату отношения напряжений, то есть на 30 %. Кроме того, снижение напряжения питания обеспечивает уменьшение температуры нагрева обмоток электромагнитов, что упрощает требования к их охлаждению.
Выводы
- Смещение центра магнитной системы электромагнитных подшипников, компенсирующих вес ротора, относительно оси вращения является эффективным методом снижения напряжения питания обмоток электромагнитов.
- Снижение напряжения питания электромагнитов приводит к повышению энергетической эффективности электромагнитных подшипников и уменьшению температуры нагрева обмоток.
About the authors
Alexander V. Starikov
Samara State Technical University
Email: star58@mail.ru
(Dr. (Techn.)), Professor
Russian Federation, 244, Molodogvardeyskaya str., Samara, 443100Vladislav D. Kostukov
Samara State Technical University
Author for correspondence.
Email: kostyukovvlad@yandex.ru
Postgraduate Student
Russian Federation, 244, Molodogvardeyskaya str., Samara, 443100References
- Bogdanov D.N., Vereshchagin V.P. The structure of the control system for electromagnetic bearings [Struktura sistemy upravleniya elektromagnitnymi podshipnikami] // Voprosy elektromekhaniki. Proceedings of NPP VNIIEM. M., 2010. Vol. 114. Pр. 9–14. (In Russian).
- Vereshchagin V.P., Rogoza A.V., Savinova T.N. Methodology for designing electromagnetic bearings [Metodika proektirovaniya elektromagnitnyh podshipnikov] // Voprosy elektromekhaniki. Proceedings of NPP VNIIEM. M., 2009. Vol. 113. Pр. 3–12. (In Russian).
- Vereshchagin V.P., Rogoza A.V., Savinova T.N. Methods of verification calculation of electromagnetic bearings [Metodika poverochnogo raschyota elektromagnitnyh podshipnikov] // Voprosy elektromekhaniki. Proceedings of NPP VNIIEM. M., 2010. Vol. 117. Pр. 3–12. (In Russian).
- Vereshchagin V.P., Klabukov V.A. Mathematical model of magnetic bearing [Математическая модель магнитного подшипника] // Questions of electromechanics. Proceedings of NPP VNIIEM. M., 2009. Vol. 112. Pр. 17–22. (In Russian).
- Sarychev A.P. Development of electromagnetic bearings for a series of compressors for gas pumping units [Razrabotka elektromagnitnyh podshipnikov dlya serii kompressorov gazoperekachivayushchih agregatov] // Voprosy elektromekhaniki. Proceedings of NPP VNIIEM. M., 2009. Vol. 110. Pр. 3–10. (In Russian).
- Sarychev A.P. Features and experience of creating electromagnetic bearings for a series of compressors for gas-pumping units [Osobennosti i opyt sozdaniya elektromagnitnyh podshipnikov dlya serii kompressorov gazoperekachivayushchih agregatov] // Voprosy elektromekhaniki. Proceedings of NPP VNIIEM. M., 2009. Vol. 112. P. 3–10. (In Russian).
- Sarychev A.P., Abduragimov A.S., Noskov A.V. Experience of using magnetic bearings in GPU compressors [Opyt primeneniya magnitnyh podshipnikov v kompressorah GPA] // Proceedings of the 15th International Symposium "Consumers-Manufacturers of Compressors and Compressor Equipment". SPb., 2010. Pр. 122–128. (In Russian).
- Sarychev A.P., Weinberg D.M. Experience in the development of electromagnetic bearings for gas compressors [Opyt razrabotki elektromagnitnyh podshipnikov dlya gazovyh kompressorov] // Voprosy elektromekhaniki. Proceedings of NPP VNIIEM. M., 2001. Vol. 100. P. 275–282. (In Russian).
- Sarychev A.P., Vereshchagin V.P. Electromagnetic bearings for Gazprom [Elektromagnitnye podshipniki dlya Gazproma] // Elektrotekhnika. M., 1996. No. 5. Pр. 29–31. (In Russian).
- Zhuravlev Yu.N. Active magnetic bearings: theory, calculation, application [Aktivnye magnitnye podshipniki: teoriya, raschyot, primenenie]. St. Petersburg: Politekhnika, 2003. 206 p. (In Russian).
- Nikanorov V.V., Taganov R.S., Salnikov S.V., Moskalev A.V., Vitkovsky D.V., Veremeev V.E., Makarichev Yu.A., Starikov A.V. Digital control system for electromagnetic bearings of centrifugal compressors [Cifrovaya sistema upravleniya elektromagnitnymi podshipnikami centrobezhnyh kompressorov] // Gas industry. 2014. No. 10. Pр. 57–62. (In Russian).
- Nikitina L.G. Investigation of electromagnetic supports for high-speed spindle units [Issledovanie elektromagnitnyh opor dlya vysokoskorostnyh shpindel'nyh uzlov] // Engineering and life safety. 2011. No. 3. Pр. 65–68. (In Russian).
- Vostokov V.S., Gorbunov V.S., Kodochigov N.G., Lebedeva S.V., Khodykin A.V. Justification of the stability of the full electromagnetic suspension [Obosnovanie ustojchivosti polnogo elektromagnitnogo podvesa] // Izvestiya RAN. Theory and control systems. 2007. Pр. 28–32. (In Russian).
- Makarichev Yu. A., Starikov A. V., Starikov S. A. Mathematical model of an electromagnetic bearing as a control object, taking into account the variability of its parameters [Matematicheskaya model' elektromagnitnogo podshipnika kak ob"ekta upravleniya s uchetom nepostoyanstva ego parametrov] // Izv. universities. Elektromekhanika. 2012. Pр. 31–34. (In Russian).
- Starikov A.V. Methodology for the synthesis of a multiply connected system of electromagnetic bearings with increased rigidity characteristics of power facilities [Metodologiya sinteza mnogosvyaznoj sistemy elektromagnitnyh podshipnikov s povyshennymi zhestkostnymi harakteristikami energeticheskih ob"ektov]: dis. … doc. tech. Sciences. Samara: SamGTU, 2013. 354 pp. (In Russian).
- Patent of Russia No. 2395150. Control system for the electromagnetic suspension of the rotor [Sistema upravleniya elektromagnitnym podvesom rotora] / A.V. Starikov, S.A. Starikov (Russia) // Publ. 20.07.2010, Bull. No. 20. (In Russian).
- Starikov A.V., Starikov S.A. Parametric synthesis of regulators of a multi-circuit control system for the electromagnetic suspension of the rotor [Parametricheskij sintez regulyatorov mnogokonturnoj sistemy upravleniya elektromagnitnym podvesom rotora] // Bulletin of the Samara State Technical University. Series: Technical Sciences. 2011. No. 1 (29). Pр. 192–200. (In Russian).
- Starikov A.V. Synthesis of a Finite Regulator for an Electromagnetic Bearing Control System [Sintez finitovogoregulyatora dlya sistemy upravleniya elektromagnitnym podshipnikom] // Bulletin of the Samara State Technical University. Series: Technical sciences. 2012. No. 3 (35). Pр. 240–243. (In Russian).
- Makarichev Yu.A. Methods of analysis and synthesis of active electromagnetic bearings [Metody analiza i sinteza aktivnyh elektromagnitnyh podshipnikov]: dis. … doc. tech. Sciences. Samara: SamGTU, 2013. 350 pp. (In Russian).
- Makarichev Yu.A., Starikov A.V. Static bending moment of an axial electromagnetic bearing with one-sided displacement of the rotor in a radial bearing [Staticheskij izgibayushchij moment osevogo elektromagnitnogo podshipnika pri odnostoronnem smeshchenii rotora v radial'noj opore] // Bulletin of the Samara State Technical University. Series: Technical Sciences. 2011. No. 4 (32). Pр. 134–139. (In Russian).
Supplementary files







