Investigation of the thermal regime of a linear DC motor
- Authors: Makarichev Y.A.1, Ratzev Y.A.1
-
Affiliations:
- Samara State Technical University
- Issue: Vol 31, No 4 (2023)
- Pages: 80-93
- Section: Energy and Electrical Engineering
- URL: https://medbiosci.ru/1991-8542/article/view/254541
- DOI: https://doi.org/10.14498/tech.2023.4.6
- ID: 254541
Cite item
Full Text
Abstract
Linear DC motors (LDPT) with a limited armature stroke are used in mechanisms that reciprocate the working body or stabilize its position in tracking systems. The use of LDPT instead of rotary motion motors with a converter in the form of a crank mechanism, a screw pair or other similar mechanical systems leads to a significant simplification of the kinematic scheme, increased efficiency and, as a rule, increased accuracy of the complex and its reliability. There are a number of problems in the creation of LDPT, which are not fully reflected in the scientific and technical literature. In particular, with parametric optimization of the engine according to weight, size and energy criteria, one of the main limiters is overheating of the winding, and in magnetoelectric machines, also overheating of permanent magnets, which are very sensitive to the magnitude of the operating temperature and thermal shocks. The article presents an analytical method for calculating the thermal state of an engine in steady state, based on the method of thermal substitution schemes. The technique is designed for use in a parametric optimization program. To clarify the values of the a priori coefficients in the analytical expressions of the proposed algorithm, the authors modeled the LDPT using the numerical finite element method. Based on the simulation results, a picture of the temperature field of the machine was obtained and the critical heating areas were determined. Verification of the theoretical provisions was carried out during experimental studies of the prototype engine. The tests showed good convergence of the calculated and experimental parameters.
Full Text
Актуальность вопроса
Линейные двигатели постоянного тока (ЛДПТ) с ограниченным перемещением якоря служат для прямого привода исполнительных механизмов линейного движения, а также находят применение в системах стабилизации и корректировки положения элементов этих систем [1–4]. Примером использования ЛДПТ служат активные амортизаторы некоторых современных автомобилей, системы виброзащиты точных приборов и механизмов, комплексы позиционирования прецизионных оптических приборов стационарного и бортового применения
[4–8]. ЛДПТ находят применение в клапанных механизмах газотурбинных двигателей, где с успехом заменяют гидравлические и пневматические приводы. Прямые приводы линейных механизмов позволяют исключить, в отличие от приводов с использованием вращающихся электродвигателей, преобразователь (редуктор) вращающегося движения в линейное перемещение. Это значительно упрощает кинематическую схему, снижает массу и повышает эксплуатационные характеристики системы. Постоянно расширяющееся использование ЛДПТ объясняется преимуществами, которыми они обладают по сравнению с другими типами подобных приводов [9–14]:
– прямой привод на основе ЛДПТ исключает люфты, которые негативно сказываются на точности позиционирования;
– тяговая характеристика двигателя практически не зависит от положения якоря в пределах его рабочего хода. Это – существенное отличие от длинноходовых электромагнитов, которые обладают круто падающей силовой характеристикой в зависимости от рабочего зазора;
– линейный двигатель обладает высоким электромагнитным и электромеханическим быстродействием, что дает ему преимущества при синтезе системы управления для комплексов с повышенными требованиями по точности позиционирования в динамических режимах;
– ЛДПТ не требуют наличия пневмо- или гидросистемы для своего функционирования, что дает проектировщику свободу выбора конструктивного решения при компоновке изделия.
Однако при проектировании ЛДПТ имеется и ряд не до конца решенных проблем. Во-первых, имеется проблема снижения его массогабаритных характеристик [3]. Особенно остро эта задача стоит в системах, предназначенных для использования на борту летательных аппаратов. Во-вторых, мощность, потребляемая двигателем, должна быть минимальной. В-третьих, стоимость изделия, которая во многом определяется массой используемых постоянных магнитов, также должна быть минимизирована.
Эти задачи можно решить в рамках структурной и параметрической оптимизации.
В качестве параметров оптимизации для ЛДПТ, предназначенного для стабилизации платформы бортового оборудования летательного аппарата (ЛА), были выбраны: масса двигателя M, кг; потребляемая мощность P1, Вт; масса (в другом варианте объем) постоянных магнитов mм, кг.
Критериями оптимизации, естественно, будут их минимальные значения
; , (1)
для области допустимых значений варьируемых переменных Dx, которая определяется совокупностью неравенств
, , (2)
где Hi – функция, накладывающая ограничения на некоторые варьируемые переменные, например положительность или целочисленность. Так, на один из варьируемых параметров – число слоев обмотки якоря – накладывается ограничение целочисленности и четности.
Из-за нестрогости неравенств (2), допускающих возможность равенства, эти ограничения могут изображаться не только в виде поверхностей, но и в виде линий или отдельных точек на поверхности функции отклика.
Как и в любой электрической машине, в которой задача оптимизации поставлена подобным образом, в ЛДПТ одним из главных ограничителей выступает перегрев обмотки , град. Кроме того, в электрической машине с использованием постоянных магнитов критерием-ограничителем должен выступать и перегрев магнитов – многие магнитные материалы, особенно на основе Nd-Fe-B, чувствительны к величине рабочей температуры.
Поэтому задача оптимизации в обязательном порядке должна содержать блок расчета температурного поля машины. Ввиду того, что расчет нестационарного магнитного поля двигателя с минимальным количеством допущений – весьма трудоемкая задача, которая неоправданно «утяжелила» бы алгоритм и программу оптимизации, авторами предложено в ходе оптимизации использовать упрощенную методику и математическую модель теплового расчета, основанную на методе тепловых схем замещения [15, 17]. А на этапе выбора оптимального варианта расчет температурного поля предлагается провести по уточненной методике численного моделирования методом конечных элементов [16, 18–20].
Расчет двигателя методом тепловых схем замещения
В качестве объекта теплового расчета и моделирования выбран линейный двигатель, предназначенный для стабилизации платформы с оптическим оборудованием летательного аппарата. Основные номинальные параметры двигателя, определенные техническим заданием:
– Максимальное тяговое усилие, Н | 20 |
– Максимальное напряжение питания, В | 27±3 |
– Рабочий ход якоря, мм | ±8 |
– Свободный ход якоря, мм | ±18 |
– Электромагнитная постоянная, мс | 2÷4 |
В ТЗ требования к массе и габаритам двигателя определены как критерии оптимальности при ограничителях в виде максимального допустимого перегрева обмотки и магнитов. В качестве ограничителя также выступает максимальное значение потребляемой мощности.
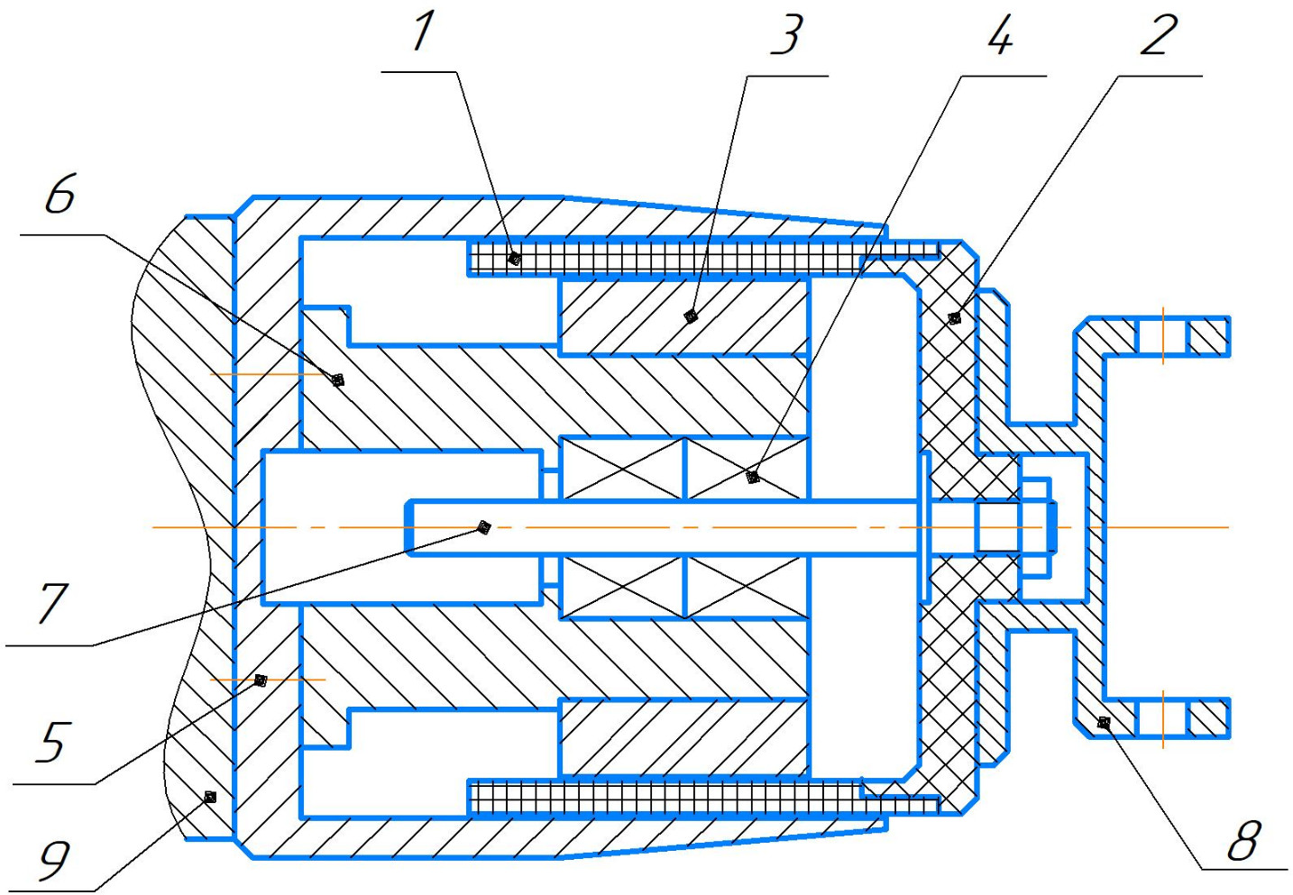
На рис. 1 представлена конструктивная схема ЛДПТ с полым немагнитным якорем и возбуждением от постоянных магнитов, расположенных на внутреннем статоре.
Рис. 1. Конструкция линейного двигателя постоянного тока: 1 – катушка якоря; 2 – основание якоря; 3 – магнит; 4 – линейный подшипник; 5 – наружный магнитопровод; 6 – внутренний магнитопровод; 7 – шток; 8 – крепление исполнительного механизма; 9 – основание платформы
Источником тепла в рассматриваемой задаче служат электрические потери в катушке якоря, которые легко рассчитываются или измеряются экспериментально. Другими потерями, например механическими в линейных подшипниках или добавочными магнитными в сердечниках статора, возникающими при движении якоря, вполне обоснованно можно пренебречь.
Распространение теплового потока от нагретого якоря 1 идет по двум основным путям: первый – через воздушный зазор и наружный магнитопровод статора 5 в окружающий воздух; второй – через зазор, внутренний магнитопровод 6 к корпусу платформы 9. Есть еще третий путь – от катушки якоря через ее текстолитовое основание 2 к исполнительному механизму 8. Из-за низкой теплопроводности текстолита доля этого потока относительно невелика.
Все элементы двигателя, кроме катушки якоря, представляют собой монолитные структуры, теплоемкости и теплопроводности которых хорошо изучены и известны. Исключением является композитная гетерогенная обмотка якоря (рис. 2), состоящая из изолированного медного обмоточного провода 1, пропиточного эпоксидного компаунда 2, межслойной изоляции 3, наружного и внутреннего стеклобандажа 4.
Рис. 2. Структура обмоточного слоя катушки якоря
При решении тепловой задачи физические свойства обмотки определяются коэффициентом теплопроводности l. Обмотки машин в тепловом отношении представляют собой гетерогенные тела со сложным распределением коэффициента теплопроводности [15, 21]. Однако при расчете поперечных перепадов температуры в обмотках эту гетерогенность, как правило, не учитывают, приписывая обмотке некоторый эквивалентный коэффициент теплопроводности λэкв в направлении теплового потока.
Эквивалентный коэффициент теплопроводности обмоток зависит от типа укладки, коэффициента заполнения kиз, коэффициента пропитки kп, коэффициента теплопроводности изоляции провода λи, коэффициента теплопроводности пропиточного состава λп, диаметра провода dи и средней температуры обмотки Тср. Эквивалентный коэффициент определяется сравнением термических сопротивлений элементарной ячейки сечения обмотки, выраженных через истинные и эквивалентные λ.
На практике коэффициент заполнения определяют «по квадратам», считая сечением провода не , а . В этом случае
.
Его предельное значение равно 1 для рядной укладки и 1,55 для шахматной (w – число проводников в обмотке; Sп – поперечное сечение катушки).
Технология изготовления якорной обмотки ЛДПТ предполагает рядную намотку и вакуумную пропитку эпоксидным компаундом. Такая технология обеспечивает коэффициент заполнения медью kиз =0,95 и отсутствие воздушных промежутков в композите δв=0.
Поскольку коэффициенты теплопроводности изоляции и меди отличаются на три порядка, можно принять, что температура по сечению жилы провода не меняется. Для упорядоченной обмотки при рядной укладке проводом круглого сечения (см. рис. 2) получим [15]:
. 3)
Здесь d и dи – диаметры голого и изолированного провода; kиз – коэффициент заполнения «по квадратам»; – эквивалентный коэффициент теплопроводности промежутков между жилами:
, (4)
где δи – двусторонняя толщина изоляции провода; δв – толщина воздушных промежутков между проводами; δпр – толщина изоляционной прокладки между рядами обмотки; λи, λв.экв, λпр – коэффициенты теплопроводности соответствующих слоев.
Рассчитанные по выражениям (3) и (4) значения эквивалентных теплопроводностей промежутка между жилами и обмотки в целом для исследуемого ЛДПТ: ltu =0,12 Вт/м.К и lэкв =123,1 Вт/м.К.
С учетом вышеизложенного были приняты следующие исходные допущения:
– теплопередача через воздушные зазоры (наружный и внутренний) осуществляется только с постоянным коэффициентом lвозд=0,0266 Вт/ (м·оС);
– теплопроводности катушки якоря в направлении теплового потока λэкв принимается с учетом коэффициента заполнения медью обмотки kзм, диаметра провода dпр и коэффициента пропитки kп;
– теплоотдача с наружной поверхности двигателя осуществляется путем естественной конвекции;
– теплом, отводящимся посредством излучения, пренебрегаем;
– задача решается для установившегося теплового состояния.
С учетом принятых допущений для исследуемой конструкции ЛДПТ тепловая схема замещения будет иметь вид, представленный на рис. 3.
Рис. 3. Тепловая схема замещения ЛДПТ
На схеме приняты следующие обозначения: P1 – потребляемая двигателем мощность (мощность тепловыделения), Вт; первая ветвь: Rиз – эквивалентное тепловое сопротивлении изоляции обмотки; Rв.з, Rв.с – тепловые сопротивления воздушного зазора и внешнего статора; вторая ветвь: Rмагн, Rвн.магн – тепловые сопротивления магнита и внутреннего магнитопровода; третья ветвь: Rторц – тепловое сопротивление торца катушки.
При решении стационарной задачи расчета температурного состояния элементов двигателя необходимо задать источники тепла, пути распространения теплового потока и тепловые сопротивления на этих участках. Тепловое сопротивление участков, которые характеризуются только теплопроводностью l, согласно [17] определяется по выражению
, К/Вт,
где b – толщина стенки; S – площадь, м2.
Перепад температуры, K,
.
Аналогично для участков теплоотдачи с поверхности в окружающий воздух мощность теплового потока, Вт,
,
где α – коэффициент теплоотдачи с поверхности , Вт/м2.К.
Соответственно
и тепловое сопротивление поверхности нагретой стенки, К/Вт,
.
В многослойной структуре, которую представляет собой тепловая схема ЛДПТ, перепад температуры равен сумме перепадов в отдельных слоях. Следовательно, тепловое сопротивление одной ветви схемы замещения равно сумме последовательных сопротивлений всех слоев
,
где – тепловое сопротивление i-го участка; k – число последовательных участков.
Так как в схеме три параллельные ветви, то суммарное тепловое сопротивление можно рассчитать как
.
Результаты расчета температуры по описанной методике приведены в табл. 3. Там же эти результаты сравниваются с результатами численного моделирования и эксперимента.
Численное моделирование температурного поля
Для поверки результатов упрощенного теплового расчета ЛДПТ, проведенного методом тепловых схем замещения, было проведено численное моделирование температурного поля машины в программном комплексе ELCUT [16].
Задача решалась в осесимметричной постановке при допущении, что геометрическая модель имеет центральную симметрию по оси двигателя z. Физические свойства блоков постоянны для любого радиус-вектора r и не зависят от угловой координаты φ. Моделировался установившийся тепловой режим. В качестве исходных данных были приняты параметры опытного образца ЛДПТ, приведенные в табл. 1. Геометрическая модель соответствует приведенной на рис. 1.
Таблица 1
Основные номинальные параметры опытного ЛДПТ
№ | Параметр | Значение |
1 | Номинальное усилие, Н | 20 |
2 | Рабочий ход якоря, мм | ±8 |
3 | Напряжение питания, В | 27 |
4 | Ток при номинальном усилии, А | 0,81 |
5 | Наружный диаметр, мм | 69 |
6 | Длина в среднем положении якоря, мм | 90 |
7 | Потребляемая мощность при номинальном усилии, Вт | 23 |
8 | Масса, кг | 1,8 |
Для стационарной задачи температурного поля физические свойства блоков задавались согласно приведенным в табл. 2.
Таблица 2
Физические свойства блоков геометрической модели
№ | Блок | Физические свойства | Источник теплового поля |
1 | Катушка якоря | lэкв = 123 Вт/м.К | Q = 828000 Вт/м3 |
2 | Магнит | l = 9 Вт/м.К | – |
3 | Магнитопровод | l = 48 Вт/м.К | – |
4 | Воздух | l = 0,0266 Вт/м.К | – |
5 | Стеклотекстолит | l = 0,44 Вт/м.К | – |
Коэффициент теплоотдачи с наружной поверхности двигателя был принят для спокойного воздуха без дополнительного обдува αв =18 Вт/м2 .К.
Граничные условия задавались для стандартного значения температуры окружающей среды Тохл =313К (40 °С).
Результаты моделирования температурного поля двигателя при этих условиях приведены на рис. 4 в виде изотерм равного уровня.
Максимальная температура 373,5 К (100,4 °С) отмечается в катушке якоря. Температура наружной поверхности двигателя и постоянных магнитов, соответственно, 339,3 К (66,2 °С) и 329,7 К (66,2 °С).
Рис. 4. Температурное поле ЛДПТ по результатам моделирования
В ходе натурных испытаний опытного образца ЛДПТ были определены графики нагрева обмотки в функции времени для различных значений тока якоря (рис. 5). Эксперимент проводился для начальной температуры двигателя и окружающей среды 21 °С (294,1 К). Теплоемкость воздуха при изменении температуры от 21 до 40 °С практически не изменяется, поэтому будет корректным сравнение результатов моделирования и эксперимента по величине приращения температуры обмотки ΔTоб.
Рис. 5. Кривые нагрева обмотки якоря (эксперимент)
Сравнение результатов, полученных в эксперименте, с результатами, рассчитанными по методике тепловых схем замещения и численным моделированием методом конечных элементов, дано в табл. 3.
Таблица 3
Температура элементов двигателя
№ | Элемент двигателя | Установившаяся температура, К (°С) | ||
По тепловой схеме замещения | МКЭ | Эксперимент (пересчет на Тнач = 313 К) | ||
1 | Катушка якоря | 364,4 (91,3) | 373,5 (100,4) | 371,8 (98,7) |
2 | Магнит | 320,0 (46,9) | 329,7 (56,6) | – |
3 | Наружная поверхность статора | 331,2 (58,1) | 339,3 (66,2) | 337,6 (64,5) |
Основные результаты и выводы
- Метод тепловых схем замещения для расчета температур активных частей линейного двигателя постоянного тока – катушки и постоянных магнитов – дает погрешность вычисления от 5 до 10 %. Такая точность приемлема на этапе предварительного оптимизационного расчета, когда необходимо определить лимитирующее значение температуры. На этапе уточненного расчета для выбранного по результатам оптимизации варианта лишь численный метод моделирования МКЭ обеспечивает требуемую точность.
- Верификация результатов моделирования температурного поля линейного двигателя, проведенная на опытном образце экспериментально, подтвердила корректность теоретических положений и принятых допущений при моделировании МКЭ.
About the authors
Yury A. Makarichev
Samara State Technical University
Author for correspondence.
Email: makarichev2801@mail.ru
Dr. Sci. (Techn.), Professor
Russian Federation, 244, Molodogvardeyskaya st., Samara, 443100Yaroslav A. Ratzev
Samara State Technical University
Email: Ratt.Yar.Al@yandex.ru
Senior Lecturer
Russian Federation, 244, Molodogvardeyskaya st., Samara, 443100References
- Bal' V.B., Gecha V.Ya., Goncharov V.I. i dr. Linejnye elektricheskie mashiny vozvratno-postupatel'nogo dejstviya – oblasti primeneniya [Linear electric machines of reciprocating action – scope] // Voprosy elektromekhaniki. Trudy VNIIEM. M.: Nauchno proizvodstvennaya korporaciya «Kosmicheskie sistemy monitoringa, informacionno-upravlyayushchie i elektromekhanicheskie kompleksy» imeni A.G. Iosif'yana. 2015. V. 149. Pр. 3–17. (In Russian)
- Serebrenickij P.P. Linejnye dvigateli novogo pokoleniya [New generation linear motors] // «Voenmekh» im. D.F. Ustinova. 2019. DOI https://electroprivod.ru/linear_public.htm. (In Russian)
- Makarichev Yu.A., Ratcev Ya.A. Linejnyj dvigatel' postoyannogo toka sistemy stabilizacii precizionnyh ob"ektov [Linear DC motor for stabilization systems for precision objects] // Vestnik Samarskogo gosudarstvennogo tekhnicheskogo universiteta. Seriya: Tekhnicheskie nauki. 2022. V. 30. № 2. P. 73–84. (In Russian)
- Conventional and Tfpm Linear Generators for DirectDrive Wave Energy Conversion. Polinder Henk at al. // Ieee transactions on energy conversion. 2005. Vol. 20. No. 2.
- Sarapulov F.N., Sarapulov S.F., Shimchak P. Matematicheskie modeli linejnyh induk-cionnyh mashin na osnove skhem zameshcheniya [Mathematical models of linear induction machines based on equivalent circuits]. Ekaterinburg: UGTU-UPI, 2005. 431 p. (In Russian)
- Wisuwat Plodpradistha, Study of Tubular Linear Induction Motor for Pneumatic Capsule Pipeline system. Ph.D. Dissertation, Department of electrical Engineering, University of Missouri-Columbia, May 2002.
- Henry Jr., Brandhorst W., Peter Jr., Chapman A. New 5kW free-piston Stirling space convertor developments // Science Direct, Acta Astronautica 63 (2008), 342–347.
- Viet Nam Hoang, Design of Single-Sided Linear Induction Motor, Bachelor of Electrical Engineering Project, School of Information Technology and electrical Engineering, University of Queensland, 2003.
- Balagurov V.A., Galteev F.F., Larionov A.N. Elektricheskie mashiny s postoyannymi mag-nitami [Electrical machines with permanent magnets]. M.–L.: Energiya, 1964. 480 р. (In Russian)
- Ismagilov F.R. Elektricheskie sistemy s vysokokoercitivnymi postoyannymi magnitami [Electrical systems with high coercivity permanent magnets]. M.: Mashinostroenie, 2014. 267 p. (In Russian)
- Kulon ZH.-L., Sabonnad'er ZH.-K. Metod konechnyh elementov i SAPR [Finite element method and CAD]: Per. s franc. M.: Mir, 1989. (In Russian)
- Pirisi A., Gruosso G., Zich E.R. Novel Modelling Design of 3ph Tubular PM Linear generator for Marine Applications / Politecnico di Milano.
- Dukhanin V.I. Automotive reciprocating alternator. Design Analysis // International Scientific and Technical Conference of Automotive Engineer’s Association “Motor Vehicle and Tractor Industry in Russia: Development Priorities and Manpower Training” Dedicated to the 145 / Anniversary of MGTU ‘MAMI’ [Moscow State University of Mechanical Engineering]. Nov. 17, 2010.
- Slobodzyan N.S. Precizionnoe upravlenie linejnym privodom mekhanizma s parallel'noj strukturoj kosmicheskogo primeneniya [Precision control of linear actuator mechanism with parallel structure for space application]. Diss. … kand. tekhn. nauk. SPb., 2021. 166 p. (In Russian)
- Borisenko A.I., Kostikov O.N., Yakovlev A.I. Ohlazhdenie promyshlennyh elektricheskih mashin [Cooling of industrial electrical machines]. M.: Energoatomizdat, 1983. 296 p. (In Russian)
- ELCUT. Modelirovanie dvumernyh polej metodom konechnyh elementov [Modeling of two-dimensional fields using the finite element method]. Rukovodstvo pol'zovatelya. SPb.: OOO «Tor», 2012. 356 p. (In Russian)
- Kopylov I.P., Goryainov F.A., Klokov B.K. [i dr.] Proektirovanie elektricheskih mashin [Electrical machine design]: Ucheb. рosobie dlya vuzov. M.: Energiya, 1980. 496 p. (In Russian)
- Makarichev Yu.A., Ivannikov Yu.N., Ovsyannikov V.N. Issledovanie teplovogo sostoyaniya momentnogo dvigatelya s vozbuzhdeniem ot postoyannyh magnitov [Study of the thermal state of a torque motor with excitation from permanent magnets] // Izvestiya vysshih uchebnyh zavedenij. Elektromekhanika. 2019. № 4. V. 62. Pр. 36–43. (In Russian)
- Makarichev Yu.A., Zubkov Yu.V., Ivannikov Yu.N. Issledovanie teplovyh processov avtonomnogo generatora sovmeshchennogo tipa metodom modelirovaniya temperaturnyh polej [Study of thermal processes of an autonomous generator of a combined type using the method of modeling temperature fields] // Vestnik Samarskogo gosudarstvennogo tekhnicheskogo universiteta. Seriya: Tekhnicheskie nauki. 2015. № 4 (48). Pр. 93–100. (In Russian)
- Makarichev Yu.A., Ivannikov Yu.N. Modelirovanie temperaturnyh polej radial'nogo elektromagnitnogo podshipnika [Modeling of temperature fields of a radial electromagnetic bearing] // Vestnik Samarskogo gosudarstvennogo tekhnicheskogo universiteta. Seriya: Tekhnicheskie nauki. 2014. № 3 (43). Pр. 139–145. (In Russian)
- Shujskij V.P. Raschet elektricheskih mashin [Calculation of electrical machines]. L.: Energiya, 1968. 732 p.
Supplementary files






