Measurement of pulse current during high voltage tests using Rogowski coil with non-inverting integrator
- Authors: Kochetkov V.V.1, Melnikov A.I.1, Kochetkov N.M.1
-
Affiliations:
- Samara State Technical University
- Issue: Vol 32, No 2 (2024)
- Pages: 119-128
- Section: Energy and Electrical Engineering
- URL: https://medbiosci.ru/1991-8542/article/view/265953
- DOI: https://doi.org/10.14498/tech.2024.2.7
- ID: 265953
Cite item
Full Text
Abstract
The work is devoted to the development and modelling of the system of pulse current measurement during high-voltage tests and experiments. The proposed measurement system is based on the application of Rogowski coil with non-inverting integrator. The results of numerical modelling of the developed current measurement system are compared with the results of application of a low-inductance shunt resistor, Rogowski coil with passive RC-integrator and Rogowski coil with inverting active integrator in similar measurement systems. Various standard pulse currents including steep edge pulse (1/20 µs), large amplitude current pulse (4/10 µs), lightning pulse current (8/20 µs), switching pulse current (30/80 µs), and 1-3 ms pulse currents are modelled for the comparative test. From the simulation results, it follows that the developed Rogowski coil with the proposed non-inverting integrator has sufficiently high accuracy in a wide frequency band overlapping the frequency band of standard pulse currents in high-voltage tests.
Full Text
Испытания импульсным током охватывают большой спектр задач, таких как исследование работы устройств подавления перенапряжений и моделирование тока молнии для исследования характеристик системы молниезащиты. В соответствии со стандартами ГОСТ, IEC и IEEE [1–4] используют три формы импульса – импульс с крутым фронтом 1/20 мкс, импульс 8/20 мкс, имитирующий грозовые перенапряжения, и импульс переключения 30/80 мкс для испытания ОПН на остаточное напряжение, и две формы волны для проверки тепловой способности ОПН: импульс тока 4/10 мкс и импульс тока большой длительности [4].
Обычно при высоковольтных испытаниях для измерения импульсного тока в цепь генератора тока подключается малоиндуктивный резистор. Недостатком использования резистивного шунта является то, что может произойти повреждение низковольтного регистрирующего устройства при пробое. Катушка Роговского с интегратором является одним из лучших вариантов для измерения импульсного тока.
Катушка Роговского не имеет гальванической связи с цепью генерации импульсного тока. Таким образом, эта измерительная система обеспечивает гальваническую развязку относительно цепи генерации тока, а низковольтное регистрирующее устройство также защищено от аварии из-за пробоя и наведенного напряжения при испытаниях. Существует множество применений катушки Роговского не только для измерения тока при высоковольтных испытаниях, но и для других целей, таких как измерение реального тока молнии [5], измерение гармонического тока и так далее [6].
Цель данной работы – разработать систему измерения импульсного тока на основе катушки Роговского с неинвертирующим активным интегратором, которая позволит точно измерять импульсные токи с быстрым нарастанием фронта в диапазоне нескольких микросекунд и до нескольких миллисекунд. Кроме того, интегрирующая цепь не должна нуждаться в синхронизации, когда она используется для измерения импульсного тока с быстрым нарастанием фронта.
Стандартные импульсные формы тока классифицируются на два типа в соответствии со стандартами IEC и IEEE [1, 2]. Первый тип используется для имитации форм тока, возникающих при грозовых перенапряжениях или переключениях. Это формы двойной экспоненциальной или затухающей осциллирующей функции. Второй тип имеет приблизительно прямоугольную форму (или форму волн большой длительности в стандарте IEC 60099-4 [3]), что является имитацией тока, возникающего из-за разряда длинных линий передачи.
Чтобы обеспечить точные измерения, приходится учитывать частотный спектр измеряемого тока. Полоса пропускания измерительной системы должна охватывать все спектры этих компонентов.
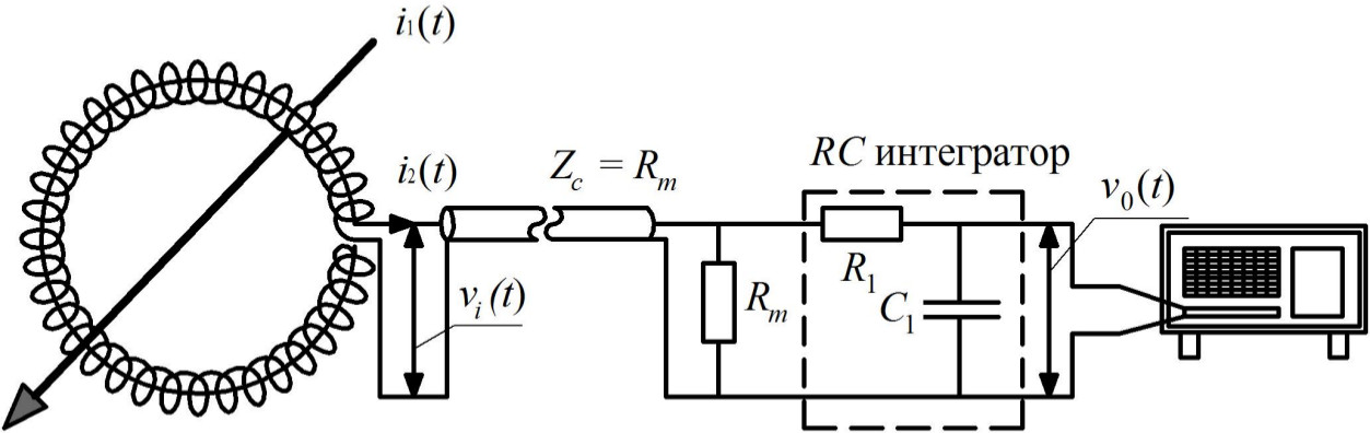
Для удобства измерения импульса тока при высоковольтных испытаниях катушка Роговского выполняется в виде зажимного устройства. Катушка наматывается на изолированный сердечник из немагнитного материала, чтобы избежать магнитного насыщения. Устройство должно быть пригодно для работы в широком диапазоне частот. Ограниченная частотная характеристика катушки, реагирующей на индуцированное напряжение, зависит от ее самоиндукции L0 и общей емкости шунта. Расчетная схема катушки Роговского с измерительным кабелем и шунтирующим резистором показана на рис. 1.
Если пренебречь внутренним сопротивлением, то частота среза может быть рассчитана по уравнению
(1)
где – емкость катушки и измерительного кабеля.
Демпфирующее сопротивление подключается на приемном конце кабеля, чтобы избежать искажения формы сигнала вследствие отражения в нагрузке на частоте . Из кривых частотных спектров стандартных импульсных токов следует, что соответствующая высшая частота среза должна быть выше 1 МГц.
Рис. 1. Схема катушки Роговского с измерительным кабелем и шунтирующим резистором
Расчетные параметры катушки Роговского: взаимная индуктивность мкГн; индуктивность мкГн, сопротивление Ом и емкость нФ. Частотная характеристика катушки Роговского с измерительным кабелем и шунтирующим резистором рассчитана по формуле (1) и представлена на рис. 2.
Рис. 2. Частотная характеристика передаточной функции катушки Роговского с измерительным кабелем и шунтирующим резистором
Измерительная система с катушкой Роговского и пассивным RC-интегратором представлена на рис. 3. Она достаточно легко конструируется для измерения импульсного тока в высоковольтной лаборатории. Для получения величины коэффициента передачи в 10 кА/В расчетные значения R1 и C1 составили 15 кОм и 110 нФ.
Частотная характеристика измерительной системы с катушкой Роговского и пассивным RC-интегратором представлена рис. 4. На рисунке обозначены: 1 – величина передаточного импеданса катушки Роговского; 2 – величина коэффициента передачи интегратора; 3 – коэффициент передачи всей измерительной системы. Из графика следует, что fL составляет около 100 Гц, а fH – около 2 МГц.
Рис. 3. Схема измерительной системы с катушкой Роговского и пассивным RC-интегратором
Рис. 4. Частотная характеристика передаточной функции измерительной системы с катушкой Роговского и пассивным RC-интегратором
Из рис. 4 следует, что эта измерительная система имеет хорошие возможности для измерения импульсов 1/20, 4/10 и 8/20 мкс, но не справляется с измерением импульса тока с большим временем длительности, например импульсных токов коммутации [14]. Амплитуда волны заднего фронта импульса будет ослаблена по сравнению с реальной, так как интегратор не может реагировать на сигнал с низкочастотным спектром. Погрешность измерения вызвана высоким значением нижней частоты среза , которая обратно пропорциональна произведению сопротивления и емкости цепи интегратора. Довольно трудно спроектировать пассивный RC-интегратор для преодоления этой проблемы, поскольку коэффициент передачи также пропорционален .
Если рассчитана на низкое значение частоты, это влияет на измерительную систему, имеющую низкий выходной измеряемый сигнал, и на него может накладываться шум в окружающей среде лаборатории высокого напряжения. Для корректного измерения амплитуды волны заднего фронта импульса был предложен компенсированный пассивный RC-интегратор [7]. Однако этот интегратор обеспечивает хорошую точность только для некоторых форм сигнала. В [8] был предложен инвертирующий активный интегратор. Преимущество предложенного активного интегратора состоит в том, что нижняя частота среза может быть рассчитана на значение менее 1 Гц, и было обнаружено, что катушка Роговского с активным интегратором обеспечивает очень хороший результат для сигналов с длительностью в несколько миллисекунд. Однако активный интегратор всегда обеспечивает искажение переднего фронта исследуемого сигнала в диапазоне нескольких микросекунд из-за характеристик интегрирующей цепи. Для преодоления этой проблемы можно использовать фильтр низких частот для уменьшения сигнала синхронизации, но измеряемая форма сигнала также ослабляется фильтром. Поэтому необходимо разработать катушку Роговского с соответствующим интегратором для измерения импульсных токов с широкой полосой частот и без сигнала запуска.
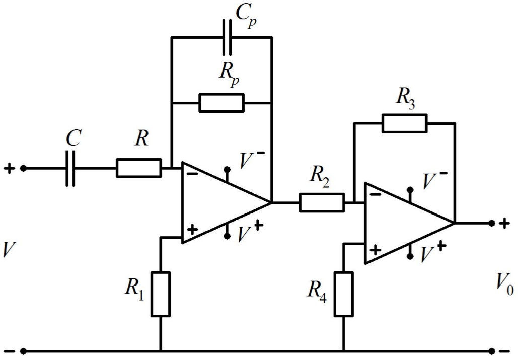
Инвертирующий активный интегратор [8, 9, 12, 15] состоит из инвертирующего интегратора и инвертирующего усилителя, схема которого представлена на рис. 5.
Рис. 5. Схема инвертирующего активного интегратора
Передаточная функция интегратора и коэффициент передачи всей измерительной системы могут быть рассчитаны по уравнениям:
(2)
(3)
(4)
Частотная характеристика измерительной системы с катушкой Роговского и активным интегратором представлена рис. 6. На рисунке обозначены: 1 – величина коэффициента передачи катушки Роговского; 2 – величина коэффициента передачи активного интегратора; 3 – коэффициент передачи всей измерительной системы.
Из графика следует, что составляет около 1 Гц, а – около 2 МГц. Рассчитанный импеданс передачи охватывает частотный спектр стандартных импульсных токов. Однако этот интегратор приводит к отклонению формы сигнала в начальный момент измерения из-за неидеальных характеристик операционных усилителей. Медленно нарастающий сигнал индуцированного напряжения в начальный момент времени передается непосредственно на выход операционного усилителя через , что, в свою очередь, вызывает инвертированный сигнал помехи на выходной форме сигнала.
Рис. 6. Частотная характеристика передаточной функции измерительной системы с катушкой Роговского и инвертирующим активным интегратором
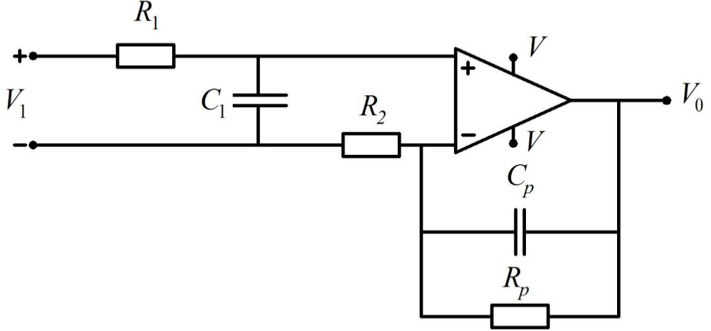
Схема неинвертирующего активного интегратора [9] состоит из цепи пассивного RC-интегратора и неинвертирующего интегратора на операционном усилителе (рис. 7).
Рис. 7. Схема неинвертирующего активного интегратора
Передаточная функция интегратора и коэффициент передачи всей измерительной системы могут быть рассчитаны по уравнениям:
(5)
(6)
Частотная характеристика измерительной системы с катушкой Роговского и неинвертирующим активным интегратором представлена на рис. 8. На рисунке обозначены: 1 – величина коэффициента передачи катушки Роговского; 2 – величина коэффициента передачи неинвертирующего активного интегратора; 3 – коэффициент передачи всей измерительной системы.
Рис. 8. Частотная характеристика передаточной функции измерительной системы с катушкой Роговского и неинвертирующим активным интегратором
Из графика следует, что составляет около 1 Гц, а – около 2 МГц. Рассчитанная полоса частот измерительной системы с неинвертирующим активным интегратором охватывает весь частотный спектр стандартных импульсных токов. Предложенная схема интегратора имеет преимущество перед инвертирующим активным интегратором, поскольку отсутствует разделительный конденсатор на входе усилителя, который вызывает искажения частотной характеристики в области низких частот. В совокупности с отсутствием второго операционного усилителя это приводит к существенному упрощению схемотехники и наличию полосы частот, в два раза перекрывающей потребности при измерениях стандартных импульсов тока, что делает возможным активное применение данной конструкции в измерительных и научных лабораториях [16].
Вывод. В работе обоснована перспективность применения измерительных систем с катушкой Роговского для измерения импульсного тока при высоковольтных испытаниях. Предложенная схема измерительной системы с катушкой Роговского и неинвертирующим активным интегратором имеет достаточно высокую линейность в широкой полосе частот, перекрывающей диапазон частот стандартных импульсных токов при высоковольтных испытаниях. Можно сделать вывод, что разработанная система измерения тока имеет перспективу развития и может быть применена для измерения импульсных токов при проведении высоковольтных испытаний и экспериментов. Удовлетворительные результаты математического моделирования позволяют использовать материалы, полученные в ходе исследования, для технической реализации.
About the authors
Vladimir V. Kochetkov
Samara State Technical University
Email: volodya163@mail.ru
SPIN-code: 4022-5673
PhD. Sci. (Techn.), Associate Professor
Russian Federation, 244, Molodogvardeyskaya st., Samara, 443100Artem I. Melnikov
Samara State Technical University
Email: artommelnikov@icloud.com
Master’s Student
Russian Federation, 244, Molodogvardeyskaya st., Samara, 443100Nikita M. Kochetkov
Samara State Technical University
Author for correspondence.
Email: nikitakochetkov163@gmail.com
Master’s Student
Russian Federation, 244, Molodogvardeyskaya st., Samara, 443100References
- GOST IEC 61000-4-20-2014. Elektromagnitnaya sovmestimost. Chast 4-20. Metody ispytanij i izmerenij. Ispytaniya na pomekhoemissiyu i pomekhoustojchivost v temvolnovodah [Electromagnetic compatibility. Part 4-20. Test and measurement methods. Tests for interference emission and noise immunity in waveguides]. (In Russian).
- GOST R 55630-2013/IEC/TR 62066:2002. Perenapryazheniya impul'snye i zashchita ot perenapryazhenij v nizkovol'tnyh sistemah peremennogo toka [Pulse overvoltages and surge protection in low-voltage AC systems]. (In Russian).
- IEC 60099-4(2004). Razryadniki dlya zashchity ot perenapryazhenij. Chast 4. Oksidno-metallicheskie razryadniki bez iskrovyh promezhutkov dlya zashchity ot perenapryazhenij v sistemah peremennogo toka [Surge arresters. Part 4. Metal oxide spark gaps without spark gaps for overvoltage protection in alternating current systems]. (In Russian).
- GOST R 55193-2012 (MEK 60060-2:2010). Elektrooborudovanie i elektroustanovki peremennogo toka na napryazhenie 3 kV i vyshe. Metody izmereniya pri ispytaniyah vysokim napryazheniem. ГОСТ Р 55193-2012 (МЭК 60060-2:2010) [Electrical equipment and electrical installations of alternating current for voltage 3 kV and higher. Measurement methods for high voltage testing]. (In Russian).
- Vazhov V.F., Lavrinovich V.A. Tekhnika vysokih napryazhenij: Uchebnik dlya bakalavrov [High Voltage Engineering: Textbook for Bachelors]. M.: Infra-M, 2015. 263 p. (In Russian).
- Shvab A. Izmereniya na vysokom napryazhenii: Izmeritelnye pribory i sposoby izmereniya [High Voltage Measurements: Measuring Instruments and Methods]. M: Energoatomizdat, 1983. 264 p. (In Russian).
- Liu Y., Lin F., Zhang Q., Zhong H. Design and construction of a Rogowski coil formeasuring wide pulse current // IEEE Sens. J. 11 (January (1)). 2011. Pр. 123–130.
- Moonmirat P., Kunakorn A., Yutthagowith P. A wide bandwidth Rogowskicoil with an active integrator for measurement of impulse currents // In Proceedings Asia-Pacific International Conference on Lightning (APL 2013), Korea, 2013. Pр. 593–597.
- Limcharoen W., Yutthagowith P. Rogowski coil with an active integrator formeasurement of switching impulse current // In Proc. 10th Int. Conf. on Electrical Engineering, Electronic, Computer, Telecommunication and Information Technology. Krabi, Thailand, 2013. Pр. 1–4.
- Mesyac G.A. Impulsnaya energetika i elektronika [Pulse energy and electronics]. M.: Nauka, 2004. 704 p. (In Russian).
- Dashuk P.N., Zaenc S.L., Komel'kov V.S., Kuchinskij G.S., Nikolaevskaya N.N., Shkuropat P.I., Shneerson G.A. Tekhnika bolshih impulsnyh tokov i magnitnyh polej [Technology of high pulse currents and magnetic fields]. M.: Atom-izdat, 1970. 472 p.
- Peerawut Yutthagowith, Banyat Leelachariyakul. A rogowski coil with an active integrator for measurement of long duration impulse currents // In International Conference on Lightning Protection (ICLP), Shanghai, China, 2014.
- Mingott A., Peretto L., Tinarelli R. A Smart Frequency Domain-Based Modeling Procedure of Rogowski Coil for Power Systems Applications, in: IEEE Transactions on Instrumentation and Measurement. 2020. Vol. 69. Issue 9. Pр. 6748–6755.
- Paophan B., Kunakorn A., Yutthagowith P. Implementation of a Rogowski's coil for partial discharge detection // 19th International Conference on Electrical Machines and Systems (ICEMS), Chiba, Japan, 2016.
- Priti Bawankule, Kandasamy Chandrasekaran. Rogowski Coil with an Active Integrator for Impulse Current Measurement // IEEE 3rd Global Conference for Advancement in Technology (GCAT), Bangalore, India, 2022.
- Yueyue Zhu, Mengying Li, Yan Zhao, Liang Xue. Fast and quantitative measurement of pulse current using interferometry // IET Power Electron, 2019. Vol. 12. Issue 13. Pр. 3556–3561.
Supplementary files









