Mathematical description of the static operational mode of the ceramic brick cooling zone in a tunnel kiln with distributed supply of cooling agent

封面

如何引用文章

全文:

详细

The analysis of the technological process of cooling ceramic bricks in a tunnel kiln as a control object with parameters distributed along the longitudinal coordinate is performed. It is revealed that the process under consideration has a significant effect on the strength of the finished brick, while research in the field of developing effective methods and means of controlling this stage is practically absent. In the course of the work, the following were determined: a vector of output coordinates, including the temperatures of the brick and cooling air and their gradients along the longitudinal coordinate of the kiln, a vector of control actions consisting of the flow rates of the supplied cooling air and the extracted air, a vector of disturbing actions - the temperature of the brick at the entrance to the cooling zone, the air supplied to the cooling zone, and the environment. A calculation scheme for the process of reducing the temperature of ceramic bricks has been developed taking into account an arbitrary number of points of supply and extraction of air to the cooling zone, which determines the number and size of its sections. Taking into account the accepted assumptions and simplifications, a mathematical description of the static mode of operation of the cooling zone with distributed supply and selection of the cooling agent was performed in the form of a system of non-homogeneous differential equations with the corresponding boundary conditions, which is problem-oriented towards the synthesis of automatic control systems. Their solution made it possible to determine the mathematical operators that link the output coordinates with the control and main disturbing effects. In the future, the results of the work can be used to create effective control systems for the brick cooling process, which will improve the quality of products and reduce energy costs for production.

全文:

Введение

Керамический кирпич благодаря своим свойствам является одним из самых распространенных конструкционных строительных материалов. Его показатели качества в значительной степени закладываются на последнем из основных этапов технологического процесса, а именно при обжиге, который чаще всего осуществляется в туннельной печи. При этом туннельная печь делится на три зоны: предварительного нагрева, собственно обжига и охлаждения [1-3].

В зоне охлаждения крайне важно придерживаться установленного технологическим регламентом температурного режима, так как его нарушение может вызвать образование трещин, а вследствие появления остаточного напряжения в теле кирпича происходит уменьшение прочности конечного продукта [4-7]. Тепловой режим обычно задается в виде температурной кривой, показывающей желаемый характер изменения температуры кирпича по продольной координате печи [1]. Очевидно, что основной задачей управления рассматриваемым процессом является получение кривой охлаждения, которая будет находиться в пределах допустимого диапазона отклонений температур. Вид этой характеристики зависит от множества технологических факторов. Создание математической модели, связывающей управляющие и возмущающие воздействия процесса охлаждения кирпича с температурами, определяющими кривую охлаждения, является важным вопросом [8-10]. Ее решение позволит не только адекватно подобрать оборудование для обеспечения требуемых режимов работы, но и при решении обратной задачи по заданной температурной кривой сформировать вектор управляющих воздействий в каналах системы автоматизации туннельной печи. Однако в настоящее время исследования по данной тематике практически отсутствуют. Поэтому математическое описание процесса охлаждения керамического кирпича в туннельной печи как объекта управления является актуальной задачей, чему и посвящена настоящая статья.

Постановка задачи

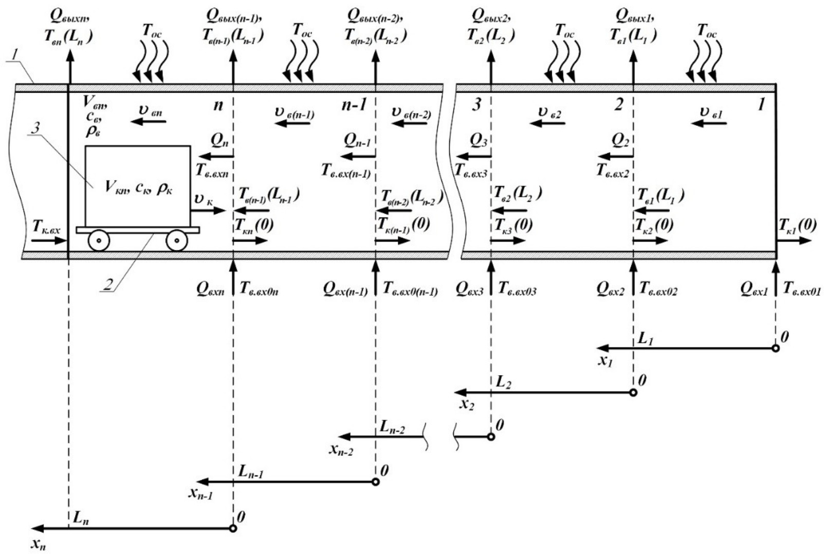
Проведем анализ технологического процесса охлаждения керамического кирпича в туннельной печи как объекта управления. Туннельная печь представляет собой длинный канал 1, по которому движутся вагонетки 2 с кирпичом 3 (рис. 1). Изделия на вагонетке проходят от одного до другого конца канала, последовательно подвергаясь предварительному подогреву, обжигу и охлаждению в соответствующих зонах. В зону охлаждения кирпич попадает после зоны обжига, при этом охлаждающий агент (воздух) движется ему навстречу со стороны выхода изделий из печи, то есть рассматриваемая зона работает по принципу противотока. В дальнейшем будем считать, что в общем случае охлаждающий воздух подается в n точках, распределенных по длине зоны охлаждения, что делит ее на n участков. При этом в конце каждого участка присутствует также отбор воздуха, нагретого в процессе охлаждения кирпича. Такая распределенная подача и отбор охлаждающего агента открывают дополнительные возможности с точки зрения повышения гибкости и показателей качества управления процессом.

На основании анализа технологии выделим объект управления, под которым будем понимать процесс охлаждения керамического кирпича в туннельной печи с распределенными по длине подачей и отбором охлаждающего агента.

Температурная кривая на этапе охлаждения определяется температурами T кi ( x i ,t) MathType@MTEF@5@5@+= feaahGart1ev3aaatCvAUfeBSjuyZL2yd9gzLbvyNv2CaerbuLwBLn hiov2DGi1BTfMBaeXatLxBI9gBaerbd9wDYLwzYbItLDharqqtubsr 4rNCHbGeaGqiFGI8VfYJH8XrFfeuY=Hhbbf9v8qqaqFr0xc9pk0xbb a9q8WqFfea0=yr0RYxir=Jbba9q8aq0=yq=He9q8qqQ8frFve9Fve9 Ff0dmeaabaqaciaacaGaaeqabaWaaeaaeaaakeaacqGHciITcaWGub WaaSbaaSqaaiaadQdbcaWGPbaabeaakiaacIcacaWG4bWaaSbaaSqa aiaadMgaaeqaaOGaaiilaiaadshacaGGPaaaaa@3EBC@  кирпича и характеризуется градиентами T кi ( x i ,t) x i MathType@MTEF@5@5@+= feaahGart1ev3aaatCvAUfeBSjuyZL2yd9gzLbvyNv2CaerbuLwBLn hiov2DGi1BTfMBaeXatLxBI9gBaerbd9wDYLwzYbItLDharqqtubsr 4rNCHbGeaGqiFGI8VfYJH8XrFfeuY=Hhbbf9v8qqaqFr0xc9pk0xbb a9q8WqFfea0=yr0RYxir=Jbba9q8aq0=yq=He9q8qqQ8frFve9Fve9 Ff0dmeaabaqaciaacaGaaeqabaWaaeaaeaaakeaadaWcaaqaaiabgk Gi2kaadsfadaWgaaWcbaGaamOoeiaadMgaaeqaaOGaaiikaiaadIha daWgaaWcbaGaamyAaaqabaGccaGGSaGaamiDaiaacMcaaeaacqGHci ITcaWG4bWaaSbaaSqaaiaadMgaaeqaaaaaaaa@4249@  в произвольном сечении i-го участка зоны охлаждения (i  0, 1n). Однако техническая возможность отслеживания данных параметров в печи отсутствует, поэтому контроль осуществляется косвенным методом, а именно по температурам T вi ( x i ,t) MathType@MTEF@5@5@+= feaahGart1ev3aaatCvAUfeBSjuyZL2yd9gzLbvyNv2CaerbuLwBLn hiov2DGi1BTfMBaeXatLxBI9gBaerbd9wDYLwzYbItLDharqqtubsr 4rNCHbGeaGqiFGI8VfYJH8XrFfeuY=Hhbbf9v8qqaqFr0xc9pk0xbb a9q8WqFfea0=yr0RYxir=Jbba9q8aq0=yq=He9q8qqQ8frFve9Fve9 Ff0dmeaabaqaciaacaGaaeqabaWaaeaaeaaakeaacqGHciITcaWGub WaaSbaaSqaaiaadkdbcaWGPbaabeaakiaacIcacaWG4bWaaSbaaSqa aiaadMgaaeqaaOGaaiilaiaadshacaGGPaaaaa@3EB4@  воздуха, а также градиентам T вi ( x i ,t) x i MathType@MTEF@5@5@+= feaahGart1ev3aaatCvAUfeBSjuyZL2yd9gzLbvyNv2CaerbuLwBLn hiov2DGi1BTfMBaeXatLxBI9gBaerbd9wDYLwzYbItLDharqqtubsr 4rNCHbGeaGqiFGI8VfYJH8XrFfeuY=Hhbbf9v8qqaqFr0xc9pk0xbb a9q8WqFfea0=yr0RYxir=Jbba9q8aq0=yq=He9q8qqQ8frFve9Fve9 Ff0dmeaabaqaciaacaGaaeqabaWaaeaaeaaakeaadaWcaaqaaiabgk Gi2kaadsfadaWgaaWcbaGaamOmeiaadMgaaeqaaOGaaiikaiaadIha daWgaaWcbaGaamyAaaqabaGccaGGSaGaamiDaiaacMcaaeaacqGHci ITcaWG4bWaaSbaaSqaaiaadMgaaeqaaaaaaaa@4241@ . Тогда можем считать, что рассматриваемый этап в необходимой для контроля соблюдения технологических требований степени характеризуется вектором выходных координат

Y( x 1 , x 2 ,..., x n1 , x n ,t)= Y 1 ( x 1 ,t) Y 2 ( x 2 ,t)... Y n1 ( x n1 ,t) Y n ( x n ,t) T , MathType@MTEF@5@5@+= feaahGart1ev3aaatCvAUfeBSjuyZL2yd9gzLbvyNv2CaerbuLwBLn hiov2DGi1BTfMBaeXatLxBI9gBaerbd9wDYLwzYbItLDharqqtubsr 4rNCHbGeaGqiFGI8VfYJH8XrFfeuY=Hhbbf9v8qqaqFr0xc9pk0xbb a9q8WqFfea0=yr0RYxir=Jf9qrpae9pg0FirpepeKkFr0xfr=xfr=x b9adbaqaaeGacaGaaiaabeqaamaabaabaaGcbaacbeGaa8xwaiaacI cacaWG4bWaaSbaaSqaaiaaigdaaeqaaOGaaiilaiaadIhadaWgaaWc baGaaGOmaaqabaGccaGGSaGaaiOlaiaac6cacaGGUaGaaiilaiaadI hadaWgaaWcbaGaamOBaiabgkHiTiaaigdaaeqaaOGaaiilaiaadIha daWgaaWcbaGaamOBaaqabaGccaGGSaGaamiDaiaacMcacqGH9aqpda Wadaqaaiaa=LfadaWgaaWcbaGaaGymaaqabaGccaGGOaGaamiEamaa BaaaleaacaaIXaaabeaakiaacYcacaWG0bGaaiykaiaaywW7caaMf8 Uaa8xwamaaBaaaleaacaaIYaaabeaakiaacIcacaWG4bWaaSbaaSqa aiaaikdaaeqaaOGaaiilaiaadshacaGGPaGaaGzbVlaaywW7caGGUa GaaiOlaiaac6cacaaMf8UaaGzbVlaa=LfadaWgaaWcbaGaamOBaiab gkHiTiaaigdaaeqaaOGaaiikaiaadIhadaWgaaWcbaGaamOBaiabgk HiTiaaigdaaeqaaOGaaiilaiaadshacaGGPaGaaGzbVlaaywW7caWF zbWaaSbaaSqaaiaad6gaaeqaaOGaaiikaiaadIhadaWgaaWcbaGaam OBaaqabaGccaGGSaGaamiDaiaacMcaaiaawUfacaGLDbaadaahaaWc beqaaiaadsfaaaGccaGGSaaaaa@79B0@

где

Y i ( x i ,t)= T кi ( x i ,t) T вi ( x i ,t) T кi ( x i ,t) x i T вi ( x i ,t) x i T MathType@MTEF@5@5@+= feaahGart1ev3aaatCvAUfeBSjuyZL2yd9gzLbvyNv2CaerbuLwBLn hiov2DGi1BTfMBaeXatLxBI9gBaerbd9wDYLwzYbItLDharqqtubsr 4rNCHbGeaGqiFGI8VfYJH8XrFfeuY=Hhbbf9v8qqaqFr0xc9pk0xbb a9q8WqFfea0=yr0RYxir=Jf9qrpae9pg0FirpepeKkFr0xfr=xfr=x b9adbaqaaeGacaGaaiaabeqaamaabaabaaGcbaacbeGaa8xwamaaBa aaleaacaWGPbaabeaakiaacIcacaWG4bWaaSbaaSqaaiaadMgaaeqa aOGaaiilaiaadshacaGGPaGaeyypa0ZaamWaaeaacaWGubWaaSbaaS qaaiaadQdbcaWGPbaabeaakiaacIcacaWG4bWaaSbaaSqaaiaadMga aeqaaOGaaiilaiaadshacaGGPaGaaGzbVlaaywW7caWGubWaaSbaaS qaaiaadkdbcaWGPbaabeaakiaacIcacaWG4bWaaSbaaSqaaiaadMga aeqaaOGaaiilaiaadshacaGGPaGaaGzbVlaaywW7daWcaaqaaiabgk Gi2kaadsfadaWgaaWcbaGaamOoeiaadMgaaeqaaOGaaiikaiaadIha daWgaaWcbaGaamyAaaqabaGccaGGSaGaamiDaiaacMcaaeaacqGHci ITcaWG4bWaaSbaaSqaaiaadMgaaeqaaaaakiaaywW7caaMf8+aaSaa aeaacqGHciITcaWGubWaaSbaaSqaaiaadkdbcaWGPbaabeaakiaacI cacaWG4bWaaSbaaSqaaiaadMgaaeqaaOGaaiilaiaadshacaGGPaaa baGaeyOaIyRaamiEamaaBaaaleaacaWGPbaabeaaaaaakiaawUfaca GLDbaadaahaaWcbeqaaiaadsfaaaaaaa@72BA@ ;

T MathType@MTEF@5@5@+= feaahGart1ev3aqatCvAUfeBSjuyZL2yd9gzLbvyNv2CaerbuLwBLn hiov2DGi1BTfMBaeXatLxBI9gBaerbd9wDYLwzYbItLDharqqtubsr 4rNCHbGeaGqiFGI8VfYJH8XrFfeuY=Hhbbf9v8qqaqFr0xc9pk0xbb a9q8WqFfea0=yr0RYxir=Jbba9q8aq0=yq=He9q8qqQ8frFve9Fve9 Ff0dmeaabiqaciaacaGaaeqabaWaaeaaeaaakeaacaWGubaaaa@364F@  - знак транспонирования.

 

Рис. 1. Расчетная схема зоны охлаждения с распределенными подачей и отборами воздуха как объекта управления

 

Считаем, что зона охлаждения оборудована n исполнительными устройствами, позволяющими регулировать расходы Qвхi(t) подаваемого охлаждающего воздуха, и n исполнительными устройствами, определяющими расходы Qвыхi(t) отбираемого воздуха. Эти параметры формируют вектор управляющих воздействий

U(t)= Q вх1 (t) Q вх2 (t)... Q вх(n1) (t) Q вхn (t) Q вых1 (t) Q вых2 (t)... Q вых(n1) (t) Q выхn (t) T MathType@MTEF@5@5@+= feaahGart1ev3aaatCvAUfeBSjuyZL2yd9gzLbvyNv2CaerbuLwBLn hiov2DGi1BTfMBaeXatLxBI9gBaerbd9wDYLwzYbItLDharqqtubsr 4rNCHbGeaGqiFGI8VfYJH8XrFfeuY=Hhbbf9v8qqaqFr0xc9pk0xbb a9q8WqFfea0=yr0RYxir=Jc9LqFbe9pg0FfrpepeKkFr0xfr=xfr=x b9adbaqaaeGacaGaaiaabeqaamaabaabaaGcbaacbeGaa8xvaiaacI cacaWG0bGaaiykaiabg2da9maadmaabaGaamyuamaaBaaaleaacaWG YqGaamyreiaaigdaaeqaaOGaaiikaiaadshacaGGPaGaaGjbVlaays W7caaMe8UaaGjbVlaadgfadaWgaaWcbaGaamOmeiaadwebcaaIYaaa beaakiaacIcacaWG0bGaaiykaiaaysW7caaMe8UaaGjbVlaaysW7ca GGUaGaaiOlaiaac6cacaaMe8UaaGjbVlaaysW7caaMe8UaaGjbVlaa dgfadaWgaaWcbaGaamOmeiaadwebcaGGOaGaamOBaiabgkHiTiaaig dacaGGPaaabeaakiaacIcacaWG0bGaaiykaiaaysW7caaMe8UaaGjb VlaaysW7caaMe8UaamyuamaaBaaaleaacaWGYqGaamyreiaad6gaae qaaOGaaiikaiaadshacaGGPaGaaGjbVlaaysW7caaMe8UaaGjbVlaa ysW7caWGrbWaaSbaaSqaaiaadkdbcaWGlrGaamyreiaaigdaaeqaaO GaaiikaiaadshacaGGPaGaaGjbVlaaysW7caaMe8UaaGjbVlaaysW7 caWGrbWaaSbaaSqaaiaadkdbcaWGlrGaamyreiaaikdaaeqaaOGaai ikaiaadshacaGGPaGaaGjbVlaaysW7caaMe8UaaGjbVlaaysW7caGG UaGaaiOlaiaac6cacaaMe8UaaGjbVlaaysW7caaMe8UaaGjbVlaadg fadaWgaaWcbaGaamOmeiaadUebcaWGfrGaaiikaiaad6gacqGHsisl caaIXaGaaiykaaqabaGccaGGOaGaamiDaiaacMcacaaMe8UaaGjbVl aaysW7caaMe8UaaGjbVlaadgfadaWgaaWcbaGaamOmeiaadUebcaWG frGaamOBaaqabaGccaGGOaGaamiDaiaacMcaaiaawUfacaGLDbaada ahaaWcbeqaaiaadsfaaaaaaa@BAAD@ .

Стоит отметить, что в качестве исполнительных устройств могут использоваться дутьевые вентиляторы или регулируемые клапаны.

Очевидно, что условия реального производства подразумевают наличие внешних факторов, которые нежелательным образом воздействуют на объект управления и приводят к отклонению выходных координат от требуемых значений. Известно, что при осуществлении обжига керамических стеновых материалов наблюдается вариация температуры Tк.вх(t) кирпича на входе в зону охлаждения, температуры Tв.вх0i(t) воздуха, подаваемого в зону охлаждения, и температуры Tос(t) окружающей среды, что существенно влияет на протекание технологического процесса, чем нельзя пренебречь. Поэтому перечисленные факторы составляют вектор возмущающих воздействий

H(t)= T к.вх (t) T в.вх0i (t) T ос (t) T MathType@MTEF@5@5@+= feaahGart1ev3aaatCvAUfeBSjuyZL2yd9gzLbvyNv2CaerbuLwBLn hiov2DGi1BTfMBaeXatLxBI9gBaerbd9wDYLwzYbItLDharqqtubsr 4rNCHbGeaGqiFGI8VfYJH8XrFfeuY=Hhbbf9v8qqaqFr0xc9pk0xbb a9q8WqFfea0=yr0RYxir=Jf9qrpae9pg0FirpepeKkFr0xfr=xfr=x b9adbaqaaeGacaGaaiaabeqaamaabaabaaGcbaacbeGaa8hsaiaacI cacaWG0bGaaiykaiabg2da9maadmaabaGaamivamaaBaaaleaacaWG 6qGaaiOlaiaadkdbcaWGfraabeaakiaacIcacaWG0bGaaiykaiaayw W7caWGubWaaSbaaSqaaiaadkdbcaGGUaGaamOmeiaadwebcaaIWaGa amyAaaqabaGccaGGOaGaamiDaiaacMcacaaMf8UaamivamaaBaaale aacaWG+qGaamyqeaqabaGccaGGOaGaamiDaiaacMcaaiaawUfacaGL DbaadaahaaWcbeqaaiaadsfaaaaaaa@5256@ .

В данной работе ограничимся рассмотрением только лишь установившегося режима работы установки (то есть при t → ∞), чего достаточно для построения участка температурной кривой, соответствующего этапу охлаждения. Найдем операторы, связывающие выходные координаты с управляющими и возмущающими воздействиями.

Решение поставленной задачи

При разработке математического описания статического режима работы объекта управления необходимо учесть ряд допущений, которые позволят упростить анализ без существенного снижения точности моделирования. Рассмотрим следующие предположения:

1) считаем, что конструкция рассматриваемой печи обеспечивает сосредоточенную в пространстве подачу охлаждающего воздуха в начале каждого участка зоны охлаждения (то есть в точках x i =0 MathType@MTEF@5@5@+= feaahGart1ev3aqatCvAUfeBSjuyZL2yd9gzLbvyNv2CaerbuLwBLn hiov2DGi1BTfMBaeXatLxBI9gBaerbd9wDYLwzYbItLDharqqtubsr 4rNCHbGeaGqiFGI8VfYJH8XrFfeuY=Hhbbf9v8qqaqFr0xc9pk0xbb a9q8WqFfea0=yr0RYxir=Jbba9q8aq0=yq=He9q8qqQ8frFve9Fve9 Ff0dmeaabiqaciaacaGaaeqabaWaaeaaeaaakeaacaWG4bWaaSbaaS qaaiaadMgaaeqaaOGaeyypa0JaaGimaaaa@3957@  ) и сосредоточенный отбор в конце каждого участка (при x i = L i MathType@MTEF@5@5@+= feaahGart1ev3aqatCvAUfeBSjuyZL2yd9gzLbvyNv2CaerbuLwBLn hiov2DGi1BTfMBaeXatLxBI9gBaerbd9wDYLwzYbItLDharqqtubsr 4rNCHbGeaGqiFGI8VfYJH8XrFfeuY=Hhbbf9v8qqaqFr0xc9pk0xbb a9q8WqFfea0=yr0RYxir=Jbba9q8aq0=yq=He9q8qqQ8frFve9Fve9 Ff0dmeaabiqaciaacaGaaeqabaWaaeaaeaaakeaacaWG4bWaaSbaaS qaaiaadMgaaeqaaOGaeyypa0JaamitamaaBaaaleaacaWGPbaabeaa aaa@3A88@  );

2) допускаем, что температуры кирпича и охлаждающего воздуха имеют одинаковые значения во всех точках поперечного сечения при фиксированном значении координаты x i MathType@MTEF@5@5@+= feaahGart1ev3aqatCvAUfeBSjuyZL2yd9gzLbvyNv2CaerbuLwBLn hiov2DGi1BTfMBaeXatLxBI9gBaerbd9wDYLwzYbItLDharqqtubsr 4rNCHbGeaGqiFGI8VfYJH8XrFfeuY=Hhbbf9v8qqaqFr0xc9pk0xbb a9q8WqFfea0=yr0RYxir=Jbba9q8aq0=yq=He9q8qqQ8frFve9Fve9 Ff0dmeaabiqaciaacaGaaeqabaWaaeaaeaaakeaacaWG4bWaaSbaaS qaaiaadMgaaeqaaaaa@378D@ , т. е. достаточно наблюдать изменение параметров только вдоль осей x i MathType@MTEF@5@5@+= feaahGart1ev3aqatCvAUfeBSjuyZL2yd9gzLbvyNv2CaerbuLwBLn hiov2DGi1BTfMBaeXatLxBI9gBaerbd9wDYLwzYbItLDharqqtubsr 4rNCHbGeaGqiFGI8VfYJH8XrFfeuY=Hhbbf9v8qqaqFr0xc9pk0xbb a9q8WqFfea0=yr0RYxir=Jbba9q8aq0=yq=He9q8qqQ8frFve9Fve9 Ff0dmeaabiqaciaacaGaaeqabaWaaeaaeaaakeaacaWG4bWaaSbaaS qaaiaadMgaaeqaaaaa@378D@ ;

3) считаем, что плотности ρ к MathType@MTEF@5@5@+= feaahGart1ev3aqatCvAUfeBSjuyZL2yd9gzLbvyNv2CaerbuLwBLn hiov2DGi1BTfMBaeXatLxBI9gBaerbd9wDYLwzYbItLDharqqtubsr 4rNCHbGeaGqiFGI8VfYJH8XrFfeuY=Hhbbf9v8qqaqFr0xc9pk0xbb a9q8WqFfea0=yr0RYxir=Jbba9q8aq0=yq=He9q8qqQ8frFve9Fve9 Ff0dmeaabiqaciGacaGaaeqabaWaaeaaeaaakeaacqaHbpGCdaWgaa WcbaGaamOoeaqabaaaaa@3827@  и ρ в MathType@MTEF@5@5@+= feaahGart1ev3aqatCvAUfeBSjuyZL2yd9gzLbvyNv2CaerbuLwBLn hiov2DGi1BTfMBaeXatLxBI9gBaerbd9wDYLwzYbItLDharqqtubsr 4rNCHbGeaGqiFGI8VfYJH8XrFfeuY=Hhbbf9v8qqaqFr0xc9pk0xbb a9q8WqFfea0=yr0RYxir=Jbba9q8aq0=yq=He9q8qqQ8frFve9Fve9 Ff0dmeaabiqaciGacaGaaeqabaWaaeaaeaaakeaacqaHbpGCdaWgaa WcbaGaamOmeaqabaaaaa@381F@  и удельные теплоемкости c к MathType@MTEF@5@5@+= feaahGart1ev3aqatCvAUfeBSjuyZL2yd9gzLbvyNv2CaerbuLwBLn hiov2DGi1BTfMBaeXatLxBI9gBaerbd9wDYLwzYbItLDharqqtubsr 4rNCHbGeaGqiFGI8VfYJH8XrFfeuY=Hhbbf9v8qqaqFr0xc9pk0xbb a9q8WqFfea0=yr0RYxir=Jbba9q8aq0=yq=He9q8qqQ8frFve9Fve9 Ff0dmeaabiqaciGacaGaaeqabaWaaeaaeaaakeaacaWGJbWaaSbaaS qaaiaadQdbaeqaaaaa@374F@  и c в MathType@MTEF@5@5@+= feaahGart1ev3aqatCvAUfeBSjuyZL2yd9gzLbvyNv2CaerbuLwBLn hiov2DGi1BTfMBaeXatLxBI9gBaerbd9wDYLwzYbItLDharqqtubsr 4rNCHbGeaGqiFGI8VfYJH8XrFfeuY=Hhbbf9v8qqaqFr0xc9pk0xbb a9q8WqFfea0=yr0RYxir=Jbba9q8aq0=yq=He9q8qqQ8frFve9Fve9 Ff0dmeaabiqaciGacaGaaeqabaWaaeaaeaaakeaacaWGJbWaaSbaaS qaaiaadkdbaeqaaaaa@3747@  кирпича и воздуха, находящихся в зоне охлаждения, не изменяются и остаются постоянными в течение всего времени протекания процесса;

4) принимаем, что скорость υ к MathType@MTEF@5@5@+= feaahGart1ev3aqatCvAUfeBSjuyZL2yd9gzLbvyNv2CaerbuLwBLn hiov2DGi1BTfMBaeXatLxBI9gBaerbd9wDYLwzYbItLDharqqtubsr 4rNCHbGeaGqiFGI8VfYJH8XrFfeuY=Hhbbf9v8qqaqFr0xc9pk0xbb a9q8WqFfea0=yr0RYxir=Jbba9q8aq0=yq=He9q8qqQ8frFve9Fve9 Ff0dmeaabiqaciGacaGaaeqabaWaaeaaeaaakeaacqaHfpqDdaWgaa WcbaGaamOoeaqabaaaaa@382E@  движения вагонеток с кирпичом постоянна по всей длине туннельной печи;

5) пренебрегаем способностью вагонеток аккумулировать тепло.

Для упрощения понимания протекающих процессов и дальнейшей формализации описания статического режима работы рассматриваемой зоны туннельной печи исходя из анализа технологии производства керамического кирпича, конструкции и принципа работы установки изобразим расчетную схему процесса охлаждения (см. рис. 1). Из представленной схемы видно, что для удобства моделирования зона охлаждения разбита на n участков, поведение которых очевидно может быть описано собственной совокупностью математических зависимостей. При этом сформированные в n-м элементе переменные воздействуют на соседние участки, тем самым обусловливая единство математической модели зоны охлаждения в целом.

На основании расчетной схемы и с учетом принятых допущений статический режим процесса охлаждения керамического кирпича в туннельной печи с распределенной подачей и отбором охлаждающего агента опишем системой дифференциальных уравнений для каждого из обозначенных участков:

υ к d T кi x i d x i α i F i V кi ρ к c к T кi x i T вi x i =0; υ вi d T вi x i d x i + α i F i V вi ρ в c в T кi x i T вi x i k вi F вi V вi ρ в c в T вi x i T ос =0, MathType@MTEF@5@5@+= feaahGart1ev3aaatCvAUfeBSjuyZL2yd9gzLbvyNv2CaerbuLwBLn hiov2DGi1BTfMBaeXatLxBI9gBaerbd9wDYLwzYbItLDharqqtubsr 4rNCHbGeaGqiFGI8VfYJH8XrFfeuY=Hhbbf9v8qqaqFr0xc9pk0xbb a9q8WqFfea0=yr0RYxir=Jh9Wrpae9pg0FirpepeKkFr0xfr=xfr=x fbpdbaqaaeGacaGaaiaabeqaamaabaabaaGcbaWaaiGaaqaabeqaai abew8a1naaBaaaleaacaWG6qaabeaakiabgwSixpaalaaabaGaamiz aiaadsfadaWgaaWcbaGaamOoeiaadMgaaeqaaOWaaeWaaeaacaWG4b WaaSbaaSqaaiaadMgaaeqaaaGccaGLOaGaayzkaaaabaGaamizaiaa dIhadaWgaaWcbaGaamyAaaqabaaaaOGaeyOeI0YaaSaaaeaacqaHXo qydaWgaaWcbaGaamyAaaqabaGccqGHflY1caWGgbWaaSbaaSqaaiaa dMgaaeqaaaGcbaGaamOvamaaBaaaleaacaWG6qGaamyAaaqabaGccq GHflY1cqaHbpGCdaWgaaWcbaGaamOoeaqabaGccqGHflY1caWGJbWa aSbaaSqaaiaadQdbaeqaaaaakiabgwSixpaabmaabaGaamivamaaBa aaleaacaWG6qGaamyAaaqabaGcdaqadaqaaiaadIhadaWgaaWcbaGa amyAaaqabaaakiaawIcacaGLPaaacqGHsislcaWGubWaaSbaaSqaai aadkdbcaWGPbaabeaakmaabmaabaGaamiEamaaBaaaleaacaWGPbaa beaaaOGaayjkaiaawMcaaaGaayjkaiaawMcaaiabg2da9iaaicdaca GG7aaabaGaeyOeI0IaeqyXdu3aaSbaaSqaaiaadkdbcaWGPbaabeaa kiabgwSixpaalaaabaGaamizaiaadsfadaWgaaWcbaGaamOmeiaadM gaaeqaaOWaaeWaaeaacaWG4bWaaSbaaSqaaiaadMgaaeqaaaGccaGL OaGaayzkaaaabaGaamizaiaadIhadaWgaaWcbaGaamyAaaqabaaaaO Gaey4kaSYaaSaaaeaacqaHXoqydaWgaaWcbaGaamyAaaqabaGccqGH flY1caWGgbWaaSbaaSqaaiaadMgaaeqaaaGcbaGaamOvamaaBaaale aacaWGYqGaamyAaaqabaGccqGHflY1cqaHbpGCdaWgaaWcbaGaamOm eaqabaGccqGHflY1caWGJbWaaSbaaSqaaiaadkdbaeqaaaaakiabgw SixpaabmaabaGaamivamaaBaaaleaacaWG6qGaamyAaaqabaGcdaqa daqaaiaadIhadaWgaaWcbaGaamyAaaqabaaakiaawIcacaGLPaaacq GHsislcaWGubWaaSbaaSqaaiaadkdbcaWGPbaabeaakmaabmaabaGa amiEamaaBaaaleaacaWGPbaabeaaaOGaayjkaiaawMcaaaGaayjkai aawMcaaiabgkHiTmaalaaabaGaam4AamaaBaaaleaacaWGYqGaamyA aaqabaGccqGHflY1caWGgbWaaSbaaSqaaiaadkdbcaWGPbaabeaaaO qaaiaadAfadaWgaaWcbaGaamOmeiaadMgaaeqaaOGaeyyXICTaeqyW di3aaSbaaSqaaiaadkdbaeqaaOGaeyyXICTaam4yamaaBaaaleaaca WGYqaabeaaaaGccqGHflY1daqadaqaaiaadsfadaWgaaWcbaGaamOm eiaadMgaaeqaaOWaaeWaaeaacaWG4bWaaSbaaSqaaiaadMgaaeqaaa GccaGLOaGaayzkaaGaeyOeI0IaamivamaaBaaaleaacaWG+qGaamyq eaqabaaakiaawIcacaGLPaaacqGH9aqpcaaIWaGaaiilaaaacaGL9b aaaaa@C99D@ (1)

где V кi MathType@MTEF@5@5@+= feaahGart1ev3aqatCvAUfeBSjuyZL2yd9gzLbvyNv2CaerbuLwBLn hiov2DGi1BTfMBaeXatLxBI9gBaerbd9wDYLwzYbItLDharqqtubsr 4rNCHbGeaGqiFGI8VfYJH8XrFfeuY=Hhbbf9v8qqaqFr0xc9pk0xbb a9q8WqFfea0=yr0RYxir=Jbba9q8aq0=yq=He9q8qqQ8frFve9Fve9 Ff0dmeaabiqaciGacaGaaeqabaWaaeaaeaaakeaacaWGwbWaaSbaaS qaaiaadQdbcaWGPbaabeaaaaa@3830@  - объем кирпича, находящегося на i-м участке зоны охлаждения,

V кi = V к L i i=1 n L i MathType@MTEF@5@5@+= feaahGart1ev3aaatCvAUfeBSjuyZL2yd9gzLbvyNv2CaerbuLwBLn hiov2DGi1BTfMBaeXatLxBI9gBaerbd9wDYLwzYbItLDharqqtubsr 4rNCHbGeaGqiFGI8VfYJH8XrFfeuY=Hhbbf9v8qqaqFr0xc9pk0xbb a9q8WqFfea0=yr0RYxir=Jh9Wrpae9pg0FirpepeKkFr0xfr=xfr=x fbpdbaqaaeGacaGaaiaabeqaamaabaabaaGcbaGaamOvamaaBaaale aacaWG6qGaamyAaaqabaGccqGH9aqpcaWGwbWaaSbaaSqaaiaadQdb aeqaaOGaeyyXIC9aaSaaaeaacaWGmbWaaSbaaSqaaiaadMgaaeqaaa GcbaWaaabCaeaacaWGmbWaaSbaaSqaaiaadMgaaeqaaaqaaiaadMga cqGH9aqpcaaIXaaabaGaamOBaaqdcqGHris5aaaaaaa@475F@ ;

Vк - общий объем кирпича, находящегося в зоне охлаждения; Li - длина i-го участка; Vвi - объем воздуха, находящегося на i-м участке зоны охлаждения,

V вi = F п L i V кi MathType@MTEF@5@5@+= feaahGart1ev3aaatCvAUfeBSjuyZL2yd9gzLbvyNv2CaerbuLwBLn hiov2DGi1BTfMBaeXatLxBI9gBaerbd9wDYLwzYbItLDharqqtubsr 4rNCHbGeaGqiFGI8VfYJH8XrFfeuY=Hhbbf9v8qqaqFr0xc9pk0xbb a9q8WqFfea0=yr0RYxir=Jh9Wrpae9pg0FirpepeKkFr0xfr=xfr=x fbpdbaqaaeGacaGaaiaabeqaamaabaabaaGcbaGaamOvamaaBaaale aacaWGYqGaamyAaaqabaGccqGH9aqpcaWGgbWaaSbaaSqaaiaad+db aeqaaOGaeyyXICTaamitamaaBaaaleaacaWGPbaabeaakiabgkHiTi aadAfadaWgaaWcbaGaamOoeiaadMgaaeqaaaaa@431D@ ;

υ вi MathType@MTEF@5@5@+= feaahGart1ev3aaatCvAUfeBSjuyZL2yd9gzLbvyNv2CaerbuLwBLn hiov2DGi1BTfMBaeXatLxBI9gBaerbd9wDYLwzYbItLDharqqtubsr 4rNCHbGeaGqiFGI8VfYJH8XrFfeuY=Hhbbf9v8qqaqFr0xc9pk0xbb a9q8WqFfea0=yr0RYxir=Jh9Wrpae9pg0FirpepeKkFr0xfr=xfr=x fbpdbaqaaeGacaGaaiaabeqaamaabaabaaGcbaGaeqyXdu3aaSbaaS qaaiaadkdbcaWGPbaabeaaaaa@394C@  - скорость охлаждающего воздуха на i-м участке,

υ вi = i=1 n Q i F св MathType@MTEF@5@5@+= feaahGart1ev3aaatCvAUfeBSjuyZL2yd9gzLbvyNv2CaerbuLwBLn hiov2DGi1BTfMBaeXatLxBI9gBaerbd9wDYLwzYbItLDharqqtubsr 4rNCHbGeaGqiFGI8VfYJH8XrFfeuY=Hhbbf9v8qqaqFr0xc9pk0xbb a9q8WqFfea0=yr0RYxir=Jh9Wrpae9pg0FirpepeKkFr0xfr=xfr=x fbpdbaqaaeGacaGaaiaabeqaamaabaabaaGcbaGaeqyXdu3aaSbaaS qaaiaadkdbcaWGPbaabeaakiabg2da9maalaaabaWaaabCaeaacaWG rbWaaSbaaSqaaiaadMgaaeqaaaqaaiaadMgacqGH9aqpcaaIXaaaba GaamOBaaqdcqGHris5aaGcbaGaamOramaaBaaaleaacaWGbrGaamOm eaqabaaaaaaa@44BB@ ;

Q i MathType@MTEF@5@5@+= feaahGart1ev3aqatCvAUfeBSjuyZL2yd9gzLbvyNv2CaerbuLwBLn hiov2DGi1BTfMBaeXatLxBI9gBaerbd9wDYLwzYbItLDharqqtubsr 4rNCHbGeaGqiFGI8VfYJH8XrFfeuY=Hhbbf9v8qqaqFr0xc9pk0xbb a9q8WqFfea0=yr0RYxir=Jbba9q8aq0=yq=He9q8qqQ8frFve9Fve9 Ff0dmeaabiqaciGacaGaaeqabaWaaeaaeaaakeaacaWGrbWaaSbaaS qaaiaadMgaaeqaaaaa@3768@  i - расход воздуха через i-й участок,

Q i = Q вхi + Q i1 Q вых i1 MathType@MTEF@5@5@+= feaahGart1ev3aaatCvAUfeBSjuyZL2yd9gzLbvyNv2CaerbuLwBLn hiov2DGi1BTfMBaeXatLxBI9gBaerbd9wDYLwzYbItLDharqqtubsr 4rNCHbGeaGqiFGI8VfYJH8XrFfeuY=Hhbbf9v8qqaqFr0xc9pk0xbb a9q8WqFfea0=yr0RYxir=Jc9Gqpae9pg0FirpepeKkFr0xfr=xfr=x b9adbaqaaeGacaGaaiaabeqaamaabaabaaGcbaGaamyuamaaBaaale aacaWGPbaabeaakiabg2da9iaadgfadaWgaaWcbaGaaeOmeiaabweb caWGPbaabeaakiabgUcaRiaadgfadaWgaaWcbaGaamyAaiabgkHiTi aaigdaaeqaaOGaeyOeI0IaamyuamaaBaaaleaacaqGYqGaae4seiaa bwebdaqadaqaaiaadMgacqGHsislcaaIXaaacaGLOaGaayzkaaaabe aaaaa@4829@ ;

F св MathType@MTEF@5@5@+= feaahGart1ev3aqatCvAUfeBSjuyZL2yd9gzLbvyNv2CaerbuLwBLn hiov2DGi1BTfMBaeXatLxBI9gBaerbd9wDYLwzYbItLDharqqtubsr 4rNCHbGeaGqiFGI8VfYJH8XrFfeuY=Hhbbf9v8qqaqFr0xc9pk0xbb a9q8WqFfea0=yr0RYxir=Jbba9q8aq0=yq=He9q8qqQ8frFve9Fve9 Ff0dmeaabiqaciGacaGaaeqabaWaaeaaeaaakeaacaWGgbWaaSbaaS qaaiaabgebcaqGYqaabeaaaaa@37F0@  - площадь поперечного сечения пространства печного туннеля, свободного от кирпича; αi - коэффициент теплоотдачи кирпича охлаждающему воздуху на i-м участке,

α i k εi (5.3+3.6 k Ti υ вi ) MathType@MTEF@5@5@+= feaahGart1ev3aaatCvAUfeBSjuyZL2yd9gzLbvyNv2CaerbuLwBLn hiov2DGi1BTfMBaeXatLxBI9gBaerbd9wDYLwzYbItLDharqqtubsr 4rNCHbGeaGqiFGI8VfYJH8XrFfeuY=Hhbbf9v8qqaqFr0xc9pk0xbb a9q8WqFfea0=yr0RYxir=Jh9Wrpae9pg0FirpepeKkFr0xfr=xfr=x fbpdbaqaaeGacaGaaiaabeqaamaabaabaaGcbaGaeqySde2aaSbaaS qaaiaadMgaaeqaaOGaeyisISRaam4AamaaBaaaleaacqaH1oqzcaWG PbaabeaakiabgwSixlaacIcacaaI1aGaaiOlaiaaiodacqGHRaWkca aIZaGaaiOlaiaaiAdacqGHflY1caWGRbWaaSbaaSqaaiaadsfacaWG PbaabeaakiabgwSixlabew8a1naaBaaaleaacaWGYqGaamyAaaqaba GccaGGPaaaaa@51E8@ ;

k εi MathType@MTEF@5@5@+= feaahGart1ev3aaatCvAUfeBSjuyZL2yd9gzLbvyNv2CaerbuLwBLn hiov2DGi1BTfMBaeXatLxBI9gBaerbd9wDYLwzYbItLDharqqtubsr 4rNCHbGeaGqiFGI8VfYJH8XrFfeuY=Hhbbf9v8qqaqFr0xc9pk0xbb a9q8WqFfea0=yr0RYxir=Jh9Wrpae9pg0FirpepeKkFr0xfr=xfr=x fbpdbaqaaeGacaGaaiaabeqaamaabaabaaGcbaGaam4AamaaBaaale aacqaH1oqzcaWGPbaabeaaaaa@3961@  - коэффициент, учитывающий сложную конфигурацию воздушного канала, образованного печным каналом и садкой кирпича; k Ti MathType@MTEF@5@5@+= feaahGart1ev3aaatCvAUfeBSjuyZL2yd9gzLbvyNv2CaerbuLwBLn hiov2DGi1BTfMBaeXatLxBI9gBaerbd9wDYLwzYbItLDharqqtubsr 4rNCHbGeaGqiFGI8VfYJH8XrFfeuY=Hhbbf9v8qqaqFr0xc9pk0xbb a9q8WqFfea0=yr0RYxir=Jh9Wrpae9pg0FirpepeKkFr0xfr=xfr=x fbpdbaqaaeGacaGaaiaabeqaamaabaabaaGcbaGaam4AamaaBaaale aacaWGubGaamyAaaqabaaaaa@3893@  - поправочный коэффициент, учитывающий температуру воздуха на i-м участке; F i MathType@MTEF@5@5@+= feaahGart1ev3aqatCvAUfeBSjuyZL2yd9gzLbvyNv2CaerbuLwBLn hiov2DGi1BTfMBaeXatLxBI9gBaerbd9wDYLwzYbItLDharqqtubsr 4rNCHbGeaGqiFGI8VfYJH8XrFfeuY=Hhbbf9v8qqaqFr0xc9pk0xbb a9q8WqFfea0=yr0RYxir=Jbba9q8aq0=yq=He9q8qqQ8frFve9Fve9 Ff0dmeaabiqaciGacaGaaeqabaWaaeaaeaaakeaacaWGgbWaaSbaaS qaaiaadMgaaeqaaaaa@375D@  - эффективная площадь поверхности теплообмена между кирпичом и потоком охлаждающего воздуха на i-м участке; k вi MathType@MTEF@5@5@+= feaahGart1ev3aaatCvAUfeBSjuyZL2yd9gzLbvyNv2CaerbuLwBLn hiov2DGi1BTfMBaeXatLxBI9gBaerbd9wDYLwzYbItLDharqqtubsr 4rNCHbGeaGqiFGI8VfYJH8XrFfeuY=Hhbbf9v8qqaqFr0xc9pk0xbb a9q8WqFfea0=yr0RYxir=Jh9Wrpae9pg0FirpepeKkFr0xfr=xfr=x fbpdbaqaaeGacaGaaiaabeqaamaabaabaaGcbaGaam4AamaaBaaale aacaWGYqGaamyAaaqabaaaaa@3875@  - коэффициент теплопередачи между воздухом и окружающей средой через ограждающие конструкции туннельной печи,

k вi = 1 1 α вi + j=1 r δ j λ j + 1 α н MathType@MTEF@5@5@+= feaahGart1ev3aaatCvAUfeBSjuyZL2yd9gzLbvyNv2CaerbuLwBLn hiov2DGi1BTfMBaeXatLxBI9gBaerbd9wDYLwzYbItLDharqqtubsr 4rNCHbGeaGqiFu0Je9sqqrpepC0xbbL8F4rqqrFfpeea0xe9Lq=Jc9 vqaqpepm0xbba9pwe9Q8fs0=yqaqpepae9pg0FirpepeKkFr0xfr=x fr=xb9adbiqaceGacaGaaiaabeqacmGabiabcaGcbaGaam4AamaaBa aaleaacaWGYqGaamyAaaqabaGccqGH9aqpdaWcaaqaaGqaaiaa=fda aeaadaWcaaqaaiaa=fdaaeaacqaHXoqydaWgaaWcbaGaamOmeiaadM gaaeqaaaaakiabgUcaRmaaqahabaWaaSaaaeaacqaH0oazdaWgaaWc baGaamOAaaqabaaakeaacqaH7oaBdaWgaaWcbaGaamOAaaqabaaaaa qaaiaadQgacqGH9aqpcaWFXaaabaGaamOCaaqdcqGHris5aOGaey4k aSYaaSaaaeaacaWFXaaabaGaeqySde2aaSbaaSqaaiaad2dbaeqaaa aaaaaaaa@4F70@ ;

δj и λj - толщина и коэффициент теплопроводности материала j-го слоя ограждающей конструкции зоны охлаждения j0,1,...,r MathType@MTEF@5@5@+= feaahGart1ev3aqatCvAUfeBSjuyZL2yd9gzLbvyNv2CaerbuLwBLn hiov2DGi1BTfMBaeXatLxBI9gBaerbd9wDYLwzYbItLDharqqtubsr 4rNCHbGeaGqiFGI8VfYJH8XrFfeuY=Hhbbf9v8qqaqFr0xc9pk0xbb a9q8WqFfea0=yr0RYxir=Jbba9q8aq0=yq=He9q8qqQ8frFve9Fve9 Ff0dmeaabiqaciGacaGaaeqabaWaaeaaeaaakeaadaqadaqaaiaadQ gacqGHiiIZcaaIWaGaaiilaiaaigdacaGGSaGaaiOlaiaac6cacaGG UaGaaiilaiaadkhaaiaawIcacaGLPaaaaaa@4006@ ; αвi - коэффициент теплоотдачи от охлаждающего воздуха к внутреннему слою ограждающей конструкции на i-м участке [1],

α вi 5.3+3.6 k Ti υ вi MathType@MTEF@5@5@+= feaahGart1ev3aaatCvAUfeBSjuyZL2yd9gzLbvyNv2CaerbuLwBLn hiov2DGi1BTfMBaeXatLxBI9gBaerbd9wDYLwzYbItLDharqqtubsr 4rNCHbGeaGqiFGI8VfYJH8XrFfeuY=Hhbbf9v8qqaqFr0xc9pk0xbb a9q8WqFfea0=yr0RYxir=Jh9Wrpae9pg0FirpepeKkFr0xfr=xfr=x fbpdbaqaaeGacaGaaiaabeqaamaabaabaaGcbaGaeqySde2aaSbaaS qaaiaadkdbcaWGPbaabeaakiabgIKi7kaaiwdacaGGUaGaaG4maiab gUcaRiaaiodacaGGUaGaaGOnaiabgwSixlaadUgadaWgaaWcbaGaam ivaiaadMgaaeqaaOGaeyyXICTaeqyXdu3aaSbaaSqaaiaadkdbcaWG Pbaabeaaaaa@4B3B@ ;

αн - коэффициент теплоотдачи от внешнего слоя ограждающей конструкции к окружающей среде; Fвi - площадь теплообмена между воздухом и окружающей средой через стены туннельной печи на i-м участке,

F вi = F в L i i=1 n L i MathType@MTEF@5@5@+= feaahGart1ev3aaatCvAUfeBSjuyZL2yd9gzLbvyNv2CaerbuLwBLn hiov2DGi1BTfMBaeXatLxBI9gBaerbd9wDYLwzYbItLDharqqtubsr 4rNCHbGeaGqiFGI8VfYJH8XrFfeuY=Hhbbf9v8qqaqFr0xc9pk0xbb a9q8WqFfea0=yr0RYxir=Jh9Wrpae9pg0FirpepeKkFr0xfr=xfr=x fbpdbaqaaeGacaGaaiaabeqaamaabaabaaGcbaGaamOramaaBaaale aacaWGYqGaamyAaaqabaGccqGH9aqpcaWGgbWaaSbaaSqaaiaadkdb aeqaaOGaeyyXIC9aaSaaaeaacaWGmbWaaSbaaSqaaiaadMgaaeqaaa GcbaWaaabCaeaacaWGmbWaaSbaaSqaaiaadMgaaeqaaaqaaiaadMga cqGH9aqpcaaIXaaabaGaamOBaaqdcqGHris5aaaaaaa@472F@ ;

Fв - полная площадь теплообмена между воздухом и окружающей средой через стены туннельной печи.

Для нахождения частного решения дополним уравнения (1) системой граничных условий:

T к1 ( x 1 ) x 1 = L 1 = T к2 ( x 2 ) x 2 =0 ; T к2 ( x 2 ) x 2 = L 2 = T к3 ( x 3 ) x 3 =0 ; ... T к(n1) ( x n1 ) x n1 = L n1 = T кn ( x n ) x n =0 ; T кn ( x n ) x n = L n = T к.вх ; T в1 ( x 1 ) x 1 =0 = T в.вх1 ; T в2 ( x 2 ) x 2 =0 = T в.вх2 ; ... T в(n1) ( x n1 ) x n1 =0 = T в.вх(n1) ; T вn ( x n ) x n =0 = T в.вхn . MathType@MTEF@5@5@+= feaahGart1ev3aaatCvAUfeBSjuyZL2yd9gzLbvyNv2CaerbuLwBLn hiov2DGi1BTfMBaeXatLxBI9gBaerbd9wDYLwzYbItLDharqqtubsr 4rNCHbGeaGqiFGI8VfYJH8XrFfeuY=Hhbbf9v8qqaqFr0xc9pk0xbb a9q8WqFfea0=yr0RYxir=Jbba9q8aq0=yq=He9q8qqQ8frFve9Fve9 Ff0dmeaabaqaciaacaGaaeqabaWaaeaaeaaakeaadaGacaabaeqaba WaaqGaaeaacaWGubWaaSbaaSqaaiaadQdbcaaIXaaabeaakiaacIca caWG4bWaaSbaaSqaaiaaigdaaeqaaOGaaiykaaGaayjcSdWaaSbaaS qaaiaadIhadaWgaaadbaGaaGymaaqabaWccqGH9aqpcaWGmbWaaSba aWqaaiaaigdaaeqaaaWcbeaakiabg2da9maaeiaabaGaamivamaaBa aaleaacaWG6qGaaGOmaaqabaGccaGGOaGaamiEamaaBaaaleaacaaI YaaabeaakiaacMcaaiaawIa7amaaBaaaleaacaWG4bWaaSbaaWqaai aaikdaaeqaaSGaeyypa0JaaGimaaqabaGccaGG7aaabaWaaqGaaeaa caWGubWaaSbaaSqaaiaadQdbcaaIYaaabeaakiaacIcacaWG4bWaaS baaSqaaiaaikdaaeqaaOGaaiykaaGaayjcSdWaaSbaaSqaaiaadIha daWgaaadbaGaaGOmaaqabaWccqGH9aqpcaWGmbWaaSbaaWqaaiaaik daaeqaaaWcbeaakiabg2da9maaeiaabaGaamivamaaBaaaleaacaWG 6qGaaG4maaqabaGccaGGOaGaamiEamaaBaaaleaacaaIZaaabeaaki aacMcaaiaawIa7amaaBaaaleaacaWG4bWaaSbaaWqaaiaaiodaaeqa aSGaeyypa0JaaGimaaqabaGccaGG7aaabaGaaiOlaiaac6cacaGGUa aabaWaaqGaaeaacaWGubWaaSbaaSqaaiaadQdbcaGGOaGaamOBaiab gkHiTiaaigdacaGGPaaabeaakiaacIcacaWG4bWaaSbaaSqaaiaad6 gacqGHsislcaaIXaaabeaakiaacMcaaiaawIa7amaaBaaaleaacaWG 4bWaaSbaaWqaaiaad6gacqGHsislcaaIXaaabeaaliabg2da9iaadY eadaWgaaadbaGaamOBaiabgkHiTiaaigdaaeqaaaWcbeaakiabg2da 9maaeiaabaGaamivamaaBaaaleaacaWG6qGaamOBaaqabaGccaGGOa GaamiEamaaBaaaleaacaWGUbaabeaakiaacMcaaiaawIa7amaaBaaa leaacaWG4bWaaSbaaWqaaiaad6gaaeqaaSGaeyypa0JaaGimaaqaba GccaGG7aaabaWaaqGaaeaacaWGubWaaSbaaSqaaiaadQdbcaWGUbaa beaakiaacIcacaWG4bWaaSbaaSqaaiaad6gaaeqaaOGaaiykaaGaay jcSdWaaSbaaSqaaiaadIhadaWgaaadbaGaamOBaaqabaWccqGH9aqp caWGmbWaaSbaaWqaaiaad6gaaeqaaaWcbeaakiabg2da9iaadsfada WgaaWcbaGaamOoeiaac6cacaWGYqGaamyreaqabaGccaGG7aaabaWa aqGaaeaacaWGubWaaSbaaSqaaiaadkdbcaaIXaaabeaakiaacIcaca WG4bWaaSbaaSqaaiaaigdaaeqaaOGaaiykaaGaayjcSdWaaSbaaSqa aiaadIhadaWgaaadbaGaaGymaaqabaWccqGH9aqpcaaIWaaabeaaki abg2da9iaadsfadaWgaaWcbaGaamOmeiaac6cacaWGYqGaamyreiaa igdaaeqaaOGaai4oaaqaamaaeiaabaGaamivamaaBaaaleaacaWGYq GaaGOmaaqabaGccaGGOaGaamiEamaaBaaaleaacaaIYaaabeaakiaa cMcaaiaawIa7amaaBaaaleaacaWG4bWaaSbaaWqaaiaaikdaaeqaaS Gaeyypa0JaaGimaaqabaGccqGH9aqpcaWGubWaaSbaaSqaaiaadkdb caGGUaGaamOmeiaadwebcaaIYaaabeaakiaacUdaaeaacaGGUaGaai Olaiaac6caaeaadaabcaqaaiaadsfadaWgaaWcbaGaamOmeiaacIca caWGUbGaeyOeI0IaaGymaiaacMcaaeqaaOGaaiikaiaadIhadaWgaa WcbaGaamOBaiabgkHiTiaaigdaaeqaaOGaaiykaaGaayjcSdWaaSba aSqaaiaadIhadaWgaaadbaGaamOBaiabgkHiTiaaigdaaeqaaSGaey ypa0JaaGimaaqabaGccqGH9aqpcaWGubWaaSbaaSqaaiaadkdbcaGG UaGaamOmeiaadwebcaGGOaGaamOBaiabgkHiTiaaigdacaGGPaaabe aakiaacUdaaeaadaabcaqaaiaadsfadaWgaaWcbaGaamOmeiaad6ga aeqaaOGaaiikaiaadIhadaWgaaWcbaGaamOBaaqabaGccaGGPaaaca GLiWoadaWgaaWcbaGaamiEamaaBaaameaacaWGUbaabeaaliabg2da 9iaaicdaaeqaaOGaeyypa0JaamivamaaBaaaleaacaWGYqGaaiOlai aadkdbcaWGfrGaamOBaaqabaGccaGGUaaaaiaaw2haaaaa@F5EF@ (2)

При этом температуры охлаждающего агента на входе в i-й участок

T в.вх1 = T в.вх01 ; T в.вх2 = γ в12 T в1 ( x 1 ) x 1 = L 1 + γ в22 T в.вх02 ; ... T в.вх(n1) = γ в1(n1) T в(n2) ( x n2 ) x n2 = L n2 + γ в2(n1) T в.вх0(n1) ; T в.вхn = γ в1n T в(n1) ( x n1 ) x n1 = L n1 + γ в2n T в.вх0n , MathType@MTEF@5@5@+= feaahGart1ev3aaatCvAUfeBSjuyZL2yd9gzLbvyNv2CaerbuLwBLn hiov2DGi1BTfMBaeXatLxBI9gBaerbd9wDYLwzYbItLDharqqtubsr 4rNCHbGeaGqiFGI8VfYJH8XrFfeuY=Hhbba9q8qrpq0xc9fs0xc9q8 qqaqFn0dXdir=xcvk9pIe91rFD0=as0Fb9pgea0lrP0xe9Fve9Fve9 qapdbaqaaeGacaGaaiaabeqaamaabaabaaGcbaWaaiGaaqaabeqaai aadsfadaWgaaWcbaGaamOmeiaac6cacaWGYqGaamyreiaaigdaaeqa aOGaeyypa0JaamivamaaBaaaleaacaWGYqGaaiOlaiaadkdbcaWGfr GaaGimaiaaigdaaeqaaOGaai4oaaqaaiaadsfadaWgaaWcbaGaamOm eiaac6cacaWGYqGaamyreiaaikdaaeqaaOGaeyypa0Jaeq4SdC2aaS baaSqaaiaadkdbcaaIXaGaaGOmaaqabaGccqGHflY1daabcaqaaiaa dsfadaWgaaWcbaGaamOmeiaaigdaaeqaaOGaaiikaiaadIhadaWgaa WcbaGaaGymaaqabaGccaGGPaaacaGLiWoadaWgaaWcbaGaamiEamaa BaaameaacaaIXaaabeaaliabg2da9iaadYeadaWgaaadbaGaaGymaa qabaaaleqaaOGaey4kaSIaeq4SdC2aaSbaaSqaaiaadkdbcaaIYaGa aGOmaaqabaGccqGHflY1caWGubWaaSbaaSqaaiaadkdbcaGGUaGaam OmeiaadwebcaaIWaGaaGOmaaqabaGccaGG7aaabaGaaiOlaiaac6ca caGGUaaabaGaamivamaaBaaaleaacaWGYqGaaiOlaiaadkdbcaWGfr Gaaiikaiaad6gacqGHsislcaaIXaGaaiykaaqabaGccqGH9aqpcqaH ZoWzdaWgaaWcbaGaamOmeiaaigdacaGGOaGaamOBaiabgkHiTiaaig dacaGGPaaabeaakiabgwSixpaaeiaabaGaamivamaaBaaaleaacaWG YqGaaiikaiaad6gacqGHsislcaaIYaGaaiykaaqabaGccaGGOaGaam iEamaaBaaaleaacaWGUbGaeyOeI0IaaGOmaaqabaGccaGGPaaacaGL iWoadaWgaaWcbaGaamiEamaaBaaameaacaWGUbGaeyOeI0IaaGOmaa qabaWccqGH9aqpcaWGmbWaaSbaaWqaaiaad6gacqGHsislcaaIYaaa beaaaSqabaGccqGHRaWkcqaHZoWzdaWgaaWcbaGaamOmeiaaikdaca GGOaGaamOBaiabgkHiTiaaigdacaGGPaaabeaakiabgwSixlaadsfa daWgaaWcbaGaamOmeiaac6cacaWGYqGaamyreiaaicdacaGGOaGaam OBaiabgkHiTiaaigdacaGGPaaabeaakiaacUdaaeaacaWGubWaaSba aSqaaiaadkdbcaGGUaGaamOmeiaadwebcaWGUbaabeaakiabg2da9i abeo7aNnaaBaaaleaacaWGYqGaaGymaiaad6gaaeqaaOGaeyyXIC9a aqGaaeaacaWGubWaaSbaaSqaaiaadkdbcaGGOaGaamOBaiabgkHiTi aaigdacaGGPaaabeaakiaacIcacaWG4bWaaSbaaSqaaiaad6gacqGH sislcaaIXaaabeaakiaacMcaaiaawIa7amaaBaaaleaacaWG4bWaaS baaWqaaiaad6gacqGHsislcaaIXaaabeaaliabg2da9iaadYeadaWg aaadbaGaamOBaiabgkHiTiaaigdaaeqaaaWcbeaakiabgUcaRiabeo 7aNnaaBaaaleaacaWGYqGaaGOmaiaad6gaaeqaaOGaeyyXICTaamiv amaaBaaaleaacaWGYqGaaiOlaiaadkdbcaWGfrGaaGimaiaad6gaae qaaOGaaiilaaaacaGL9baaaaa@D922@ (3)

где Tв.вх0i - температуры потоков воздуха, подаваемых исполнительными устройствами в зону охлаждения.

При этом коэффициенты, учитывающие влияние расходов подаваемого и отбираемого из зоны охлаждения воздуха, на основании уравнений энергетического баланса для каждого участка запишем в виде

γ в12 = Q 1 Q 2 ,   ...,    γ в1(n1) = Q n2 Q n1 ,    γ в1n = Q n1 Q n ; γ в22 = Q вх2 Q 2 ,   ...,    γ в2(n1) = Q вх(n1) Q n1 ,    γ в2n = Q вхn Q n . MathType@MTEF@5@5@+= feaahGart1ev3aaatCvAUfeBSjuyZL2yd9gzLbvyNv2CaerbuLwBLn hiov2DGi1BTfMBaeXatLxBI9gBaerbd9wDYLwzYbItLDharqqtubsr 4rNCHbGeaGqiFGI8VfYJH8XrFfeuY=Hhbbf9v8qqaqFr0xc9pk0xbb a9q8WqFfea0=yr0RYxir=Jc9Gqpae9pg0FirpepeKkFr0xfr=xfr=x b9adbaqaaeGacaGaaiaabeqaamaabaabaaGcbaWaaiGaaqaabeqaai abeo7aNnaaBaaaleaacaWGYqGaaGymaiaaikdaaeqaaOGaeyypa0Za aSaaaeaacaWGrbWaaSbaaSqaaiaaigdaaeqaaaGcbaGaamyuamaaBa aaleaacaaIYaaabeaaaaGccaGGSaGaaeiiaiaabccacaqGGaGaaiOl aiaac6cacaGGUaGaaiilaiaabccacaqGGaGaaeiiaiabeo7aNnaaBa aaleaacaWGYqGaaGymaiaacIcacaWGUbGaeyOeI0IaaGymaiaacMca aeqaaOGaeyypa0ZaaSaaaeaacaWGrbWaaSbaaSqaaiaad6gacqGHsi slcaaIYaaabeaaaOqaaiaadgfadaWgaaWcbaGaamOBaiabgkHiTiaa igdaaeqaaaaakiaabYcacaqGGaGaaeiiaiaabccacqaHZoWzdaWgaa WcbaGaamOmeiaaigdacaWGUbaabeaakiabg2da9maalaaabaGaamyu amaaBaaaleaacaWGUbGaeyOeI0IaaGymaaqabaaakeaacaWGrbWaaS baaSqaaiaad6gaaeqaaaaakiaacUdaaeaacqaHZoWzdaWgaaWcbaGa amOmeiaaikdacaaIYaaabeaakiabg2da9maalaaabaGaamyuamaaBa aaleaacaWGYqGaamyreiaaikdaaeqaaaGcbaGaamyuamaaBaaaleaa caaIYaaabeaaaaGccaGGSaGaaeiiaiaabccacaqGGaGaaiOlaiaac6 cacaGGUaGaaiilaiaabccacaqGGaGaaeiiaiabeo7aNnaaBaaaleaa caWGYqGaaGOmaiaacIcacaWGUbGaeyOeI0IaaGymaiaacMcaaeqaaO Gaeyypa0ZaaSaaaeaacaWGrbWaaSbaaSqaaiaadkdbcaWGfrGaaiik aiaad6gacqGHsislcaaIXaGaaiykaaqabaaakeaacaWGrbWaaSbaaS qaaiaad6gacqGHsislcaaIXaaabeaaaaGccaqGSaGaaeiiaiaabcca caqGGaGaeq4SdC2aaSbaaSqaaiaadkdbcaaIYaGaamOBaaqabaGccq GH9aqpdaWcaaqaaiaadgfadaWgaaWcbaGaamOmeiaadwebcaWGUbaa beaaaOqaaiaadgfadaWgaaWcbaGaamOBaaqabaaaaOGaaiOlaaaaca GL9baaaaa@9629@ (4)

Решая систему уравнений (1) относительно Tкi(xi) и Tвi(xi) с учетом граничных условий, получим семейство функциональных зависимостей, отражающих пространственное распределение по координатам xi температур кирпича и охлаждающего воздуха на каждом участке зоны охлаждения туннельной печи:

Tк1(x1)=Ψк11(x1)Tв.вх1+Ψк21(x1)Tк2(x2)x2=0+Ψк31(x1)Tос;Tк2(x2)=Ψк12(x2)Tв.вх2+Ψк22(x2)Tк3(x3)x3=0+Ψк32(x2)Tос;...Tк(n1)(xn1)=Ψк1(n1)(xn1)Tв.вх(n1)+Ψк2(n1)(xn1)Tкn(xn)xn=0+Ψк3(n1)(xn1)Tос;Tкn(xn)=Ψк1n(xn)Tв.вхn+Ψк2n(xn)Tк.вх+Ψк3n(xn)Tос;Tв1(x1)=Ψв11(x1)Tв.вх1+Ψв21(x1)Tк2(x2)x2=0+Ψв31(x1)Tос;Tв2(x2)=Ψв12(x2)Tв.вх2+Ψв22(x2)Tк3(x3)x3=0+Ψв32(x2)Tос; (5)

...Tв(n1)(xn1)=Ψв1(n1)(xn1)Tв.вх(n1)+Ψв2(n1)(xn1)Tкn(xn)xn=0+Ψв3(n1)(xn1)Tос;Tвn(xn)=Ψв1n(xn)Tв.вхn+Ψв2n(xn)Tк.вх+Ψв3n(xn)Tос,

где коэффициенты, связывающие выходные координаты с управляющими воздействиями и основными возмущениями:

Ψ к1i x i = T кi x i T в.вхi = MathType@MTEF@5@5@+= feaahGart1ev3aaatCvAUfeBSjuyZL2yd9gzLbvyNv2CaerbuLwBLn hiov2DGi1BTfMBaeXatLxBI9gBaerbd9wDYLwzYbItLDharqqtubsr 4rNCHbGeaGqiFGI8VfYJH8XrFfeuY=Hhbbf9v8qqaqFr0xc9pk0xbb a9q8WqFfea0=yr0RYxir=Jbba9q8aq0=yq=He9q8qqQ8frFve9Fve9 Ff0dmeaabaqaciaacaGaaeqabaWaaeaaeaaakeaacqqHOoqwdaWgaa WcbaGaamOoeiaaigdacaWGPbaabeaakmaabmaabaGaamiEamaaBaaa leaacaWGPbaabeaaaOGaayjkaiaawMcaaiabg2da9maalaaabaGaam ivamaaBaaaleaacaWG6qGaamyAaaqabaGcdaqadaqaaiaadIhadaWg aaWcbaGaamyAaaqabaaakiaawIcacaGLPaaaaeaacaWGubWaaSbaaS qaaiaadkdbcaGGUaGaamOmeiaadwebcaWGPbaabeaaaaGccqGH9aqp aaa@4AC7@

= В 1i e σ к1i L i + σ к2i x i e σ к2i L i + σ к1i x i σ к1i D 1i e σ к2i L i σ к2i D 1i e σ к1i L i ; MathType@MTEF@5@5@+= feaahGart1ev3aaatCvAUfeBSjuyZL2yd9gzLbvyNv2CaerbuLwBLn hiov2DGi1BTfMBaeXatLxBI9gBaerbd9wDYLwzYbItLDharqqtubsr 4rNCHbGeaGqiFGI8VfYJH8XrFfeuY=Hhbbf9v8qqaqFr0xc9pk0xbb a9q8WqFfea0=yr0RYxir=Jbba9q8aq0=yq=He9q8qqQ8frFve9Fve9 Ff0dmeaabaqaciaacaGaaeqabaWaaeaaeaaakeaacqGH9aqpdaWcaa qaaiaadkbbdaWgaaWcbaGaaGymaiaadMgaaeqaaOGaeyyXIC9aaeWa aeaacaWGLbWaaWbaaSqabeaacqaHdpWCdaWgaaadbaGaamOoeiaaig dacaWGPbaabeaaliabgwSixlaadYeadaWgaaadbaGaamyAaaqabaWc cqGHRaWkcqaHdpWCdaWgaaadbaGaamOoeiaaikdacaWGPbaabeaali abgwSixlaadIhadaWgaaadbaGaamyAaaqabaaaaOGaeyOeI0Iaamyz amaaCaaaleqabaGaeq4Wdm3aaSbaaWqaaiaadQdbcaaIYaGaamyAaa qabaWccqGHflY1caWGmbWaaSbaaWqaaiaadMgaaeqaaSGaey4kaSIa eq4Wdm3aaSbaaWqaaiaadQdbcaaIXaGaamyAaaqabaWccqGHflY1ca WG4bWaaSbaaWqaaiaadMgaaeqaaaaaaOGaayjkaiaawMcaaaqaamaa bmaabaGaeq4Wdm3aaSbaaSqaaiaadQdbcaaIXaGaamyAaaqabaGccq GHsislcaWGebWaaSbaaSqaaiaaigdacaWGPbaabeaaaOGaayjkaiaa wMcaaiabgwSixlaadwgadaahaaWcbeqaaiabeo8aZnaaBaaameaaca WG6qGaaGOmaiaadMgaaeqaaSGaeyyXICTaamitamaaBaaameaacaWG PbaabeaaaaGccqGHsisldaqadaqaaiabeo8aZnaaBaaaleaacaWG6q GaaGOmaiaadMgaaeqaaOGaeyOeI0IaamiramaaBaaaleaacaaIXaGa amyAaaqabaaakiaawIcacaGLPaaacqGHflY1caWGLbWaaWbaaSqabe aacqaHdpWCdaWgaaadbaGaamOoeiaaigdacaWGPbaabeaaliabgwSi xlaadYeadaWgaaadbaGaamyAaaqabaaaaaaakiaacUdaaaa@9171@ (6)

Ψ к2i x i = T кi x i T к.вхi = e σ к1i x i D 1i σ к2i e σ к2i x i D 1i σ к1i σ к1i D 1i e σ к2i L i σ к2i D 1i e σ к1i L i ; MathType@MTEF@5@5@+= feaahGart1ev3aaatCvAUfeBSjuyZL2yd9gzLbvyNv2CaerbuLwBLn hiov2DGi1BTfMBaeXatLxBI9gBaerbd9wDYLwzYbItLDharqqtubsr 4rNCHbGeaGqiFGI8VfYJH8XrFfeuY=Hhbbf9v8qrpq0xc9vr0xc9q8 qqaqFn0dXdfr=xcvk9pIe9qrpC0=as0Fb9pgea0lrP0xe9Fve9Fve9 pYqaaeaabiGaaiaacaqabeaadaqaaqaaaOqaaiabfI6aznaaBaaale aacaWG6qGaaGOmaiaadMgaaeqaaOWaaeWaaeaacaWG4bWaaSbaaSqa aiaadMgaaeqaaaGccaGLOaGaayzkaaGaeyypa0ZaaSaaaeaacaWGub WaaSbaaSqaaiaadQdbcaWGPbaabeaakmaabmaabaGaamiEamaaBaaa leaacaWGPbaabeaaaOGaayjkaiaawMcaaaqaaiaadsfadaWgaaWcba GaamOoeiaac6cacaWGYqGaamyreiaadMgaaeqaaaaakiabg2da9maa laaabaGaamyzamaaCaaaleqabaGaeq4Wdm3aaSbaaWqaaiaadQdbca aIXaGaamyAaaqabaWccqGHflY1caWG4bWaaSbaaWqaaiaadMgaaeqa aaaakiabgwSixpaabmaabaGaamiramaaBaaaleaacaaIXaGaamyAaa qabaGccqGHsislcqaHdpWCdaWgaaWcbaGaamOoeiaaikdacaWGPbaa beaaaOGaayjkaiaawMcaaiabgkHiTiaadwgadaahaaWcbeqaaiabeo 8aZnaaBaaameaacaWG6qGaaGOmaiaadMgaaeqaaSGaeyyXICTaamiE amaaBaaameaacaWGPbaabeaaaaGccqGHflY1daqadaqaaiaadseada WgaaWcbaGaaGymaiaadMgaaeqaaOGaeyOeI0Iaeq4Wdm3aaSbaaSqa aiaadQdbcaaIXaGaamyAaaqabaaakiaawIcacaGLPaaaaeaadaqada qaaiabeo8aZnaaBaaaleaacaWG6qGaaGymaiaadMgaaeqaaOGaeyOe I0IaamiramaaBaaaleaacaaIXaGaamyAaaqabaaakiaawIcacaGLPa aacqGHflY1caWGLbWaaWbaaSqabeaacqaHdpWCdaWgaaadbaGaamOo eiaaikdacaWGPbaabeaaliabgwSixlaadYeadaWgaaadbaGaamyAaa qabaaaaOGaeyOeI0YaaeWaaeaacqaHdpWCdaWgaaWcbaGaamOoeiaa ikdacaWGPbaabeaakiabgkHiTiaadseadaWgaaWcbaGaaGymaiaadM gaaeqaaaGccaGLOaGaayzkaaGaeyyXICTaamyzamaaCaaaleqabaGa eq4Wdm3aaSbaaWqaaiaadQdbcaaIXaGaamyAaaqabaWccqGHflY1ca WGmbWaaSbaaWqaaiaadMgaaeqaaaaaaaGccaGG7aaaaa@A70D@ (7)

Ψ к3i x i = T к3i x i T ос = Ψ к31i 1 Ψ к32i MathType@MTEF@5@5@+= feaahGart1ev3aaatCvAUfeBSjuyZL2yd9gzLbvyNv2CaerbuLwBLn hiov2DGi1BTfMBaeXatLxBI9gBaerbd9wDYLwzYbItLDharqqtubsr 4rNCHbGeaGqiFGI8VfYJH8XrFfeuY=Hhbbf9v8qrpq0xc9fs0xc9q8 qqaqFn0dXdir=xcvk9pIe9qrpu0=as0Fb9pgea0lrP0xe9Fve9Fve9 qapdbaqaaeGacaGaaiaabeqaamaabaabaaGcbaGaeuiQdK1aaSbaaS qaaiaadQdbcaaIZaGaamyAaaqabaGcdaqadaqaaiaadIhadaWgaaWc baGaamyAaaqabaaakiaawIcacaGLPaaacqGH9aqpdaWcaaqaaiaads fadaWgaaWcbaGaamOoeiaaiodacaWGPbaabeaakmaabmaabaGaamiE amaaBaaaleaacaWGPbaabeaaaOGaayjkaiaawMcaaaqaaiaadsfada WgaaWcbaGaamOpeiaadgebaeqaaaaakiabg2da9iabfI6aznaaBaaa leaacaWG6qGaaG4maiaaigdacaWGPbaabeaakiabgwSixpaabmaaba GaaGymaiabgkHiTiabfI6aznaaBaaaleaacaWG6qGaaG4maiaaikda caWGPbaabeaaaOGaayjkaiaawMcaaaaa@5BEE@ (8)

Ψ к31i = E к3i E 2i MathType@MTEF@5@5@+= feaahGart1ev3aaatCvAUfeBSjuyZL2yd9gzLbvyNv2CaerbuLwBLn hiov2DGi1BTfMBaeXatLxBI9gBaerbd9wDYLwzYbItLDharqqtubsr 4rNCHbGeaGqiFGI8VfYJH8XrFfeuY=Hhbbf9v8qqaqFr0xc9pk0xbb a9q8WqFfea0=yr0RYxir=Jf9qrpae9pg0FirpepeKkFr0xfr=xfr=x b9adbaqaaeGacaGaaiaabeqaamaabaabaaGcbaGaeuiQdK1aaSbaaS qaaiaadQdbcaaIZaGaaGymaiaadMgaaeqaaOGaeyypa0ZaaSaaaeaa caWGfbWaaSbaaSqaaiaadQdbcaaIZaGaamyAaaqabaaakeaacaWGfb WaaSbaaSqaaiaaikdacaWGPbaabeaaaaaaaa@40D9@ ; (9)

Ψ к32i x i = e σ к2i x i σ к1i D 1i + D 1i e σ к1i L i e σ к1i x i σ к2i D 1i + D 1i e σ к2i L i σ к1i D 1i e σ к2i L i σ к2i D 1i e σ к1i L i MathType@MTEF@5@5@+= feaahGart1ev3aaatCvAUfeBSjuyZL2yd9gzLbvyNv2CaerbuLwBLn hiov2DGi1BTfMBaeXatLxBI9gBaerbd9wDYLwzYbItLDharqqtubsr 4rNCHbGeaGqiFGI8VfYJH8XrFfeuY=Hhbbf9v8qrpq0xc9fs0xc9q8 qqaqFn0dXdir=xcvk9pIe9qrpu0=as0Fb9pgea0lrP0xe9Fve9Fve9 qapdbaqaaeGacaGaaiaabeqaamaabaabaaGcbaGaeuiQdK1aaSbaaS qaaiaadQdbcaaIZaGaaGOmaiaadMgaaeqaaOWaaeWaaeaacaWG4bWa aSbaaSqaaiaadMgaaeqaaaGccaGLOaGaayzkaaGaeyypa0ZaaSaaae aacaWGLbWaaWbaaSqabeaacqaHdpWCdaWgaaadbaGaamOoeiaaikda caWGPbaabeaaliabgwSixlaadIhadaWgaaadbaGaamyAaaqabaaaaO GaeyyXIC9aaeWaaeaacqaHdpWCdaWgaaWcbaGaamOoeiaaigdacaWG PbaabeaakiabgkHiTiaadseadaWgaaWcbaGaaGymaiaadMgaaeqaaO Gaey4kaSIaamiramaaBaaaleaacaaIXaGaamyAaaqabaGccqGHflY1 caWGLbWaaWbaaSqabeaacqaHdpWCdaWgaaadbaGaamOoeiaaigdaca WGPbaabeaaliabgwSixlaadYeadaWgaaadbaGaamyAaaqabaaaaaGc caGLOaGaayzkaaGaeyOeI0IaamyzamaaCaaaleqabaGaeq4Wdm3aaS baaWqaaiaadQdbcaaIXaGaamyAaaqabaWccqGHflY1caWG4bWaaSba aWqaaiaadMgaaeqaaaaakiabgwSixpaabmaabaGaeq4Wdm3aaSbaaS qaaiaadQdbcaaIYaGaamyAaaqabaGccqGHsislcaWGebWaaSbaaSqa aiaaigdacaWGPbaabeaakiabgUcaRiaadseadaWgaaWcbaGaaGymai aadMgaaeqaaOGaeyyXICTaamyzamaaCaaaleqabaGaeq4Wdm3aaSba aWqaaiaadQdbcaaIYaGaamyAaaqabaWccqGHflY1caWGmbWaaSbaaW qaaiaadMgaaeqaaaaaaOGaayjkaiaawMcaaaqaamaabmaabaGaeq4W dm3aaSbaaSqaaiaadQdbcaaIXaGaamyAaaqabaGccqGHsislcaWGeb WaaSbaaSqaaiaaigdacaWGPbaabeaaaOGaayjkaiaawMcaaiabgwSi xlaadwgadaahaaWcbeqaaiabeo8aZnaaBaaameaacaWG6qGaaGOmai aadMgaaeqaaSGaeyyXICTaamitamaaBaaameaacaWGPbaabeaaaaGc cqGHsisldaqadaqaaiabeo8aZnaaBaaaleaacaWG6qGaaGOmaiaadM gaaeqaaOGaeyOeI0IaamiramaaBaaaleaacaaIXaGaamyAaaqabaaa kiaawIcacaGLPaaacqGHflY1caWGLbWaaWbaaSqabeaacqaHdpWCda WgaaadbaGaamOoeiaaigdacaWGPbaabeaaliabgwSixlaadYeadaWg aaadbaGaamyAaaqabaaaaaaaaaa@BA02@ ; (10)

Ψ в1i x i = T вi x i T в.вхi = MathType@MTEF@5@5@+= feaahGart1ev3aaatCvAUfeBSjuyZL2yd9gzLbvyNv2CaerbuLwBLn hiov2DGi1BTfMBaeXatLxBI9gBaerbd9wDYLwzYbItLDharqqtubsr 4rNCHbGeaGqiFGI8VHI8rqFD0xXdHaVhbbf9v8qqaqFr0xc9pk0xbb a9q8WqFfea0=yr0RYxir=Jbba9q8aq0=yq=He9q8qqQ8frFve9Fve9 Ff0dmeaabaqaciaacaGaaeqabaWaaeaaeaaakeaacqqHOoqwdaWgaa WcbaGaamOmeiaaigdacaWGPbaabeaakmaabmaabaGaamiEamaaBaaa leaacaWGPbaabeaaaOGaayjkaiaawMcaaiabg2da9maalaaabaGaam ivamaaBaaaleaacaWGYqGaamyAaaqabaGcdaqadaqaaiaadIhadaWg aaWcbaGaamyAaaqabaaakiaawIcacaGLPaaaaeaacaWGubWaaSbaaS qaaiaadkdbcaGGUaGaamOmeiaadwebcaWGPbaabeaaaaGccqGH9aqp aaa@4C3C@

= e σ в1i L i + σ в2i x i D 2i + σ в1i e σ в2i L i + σ в1i x i D 2i + σ в2i e σ в1i L i D 2i + σ в1i e σ в2i L i D 2i + σ в2i ; MathType@MTEF@5@5@+= feaahGart1ev3aaatCvAUfeBSjuyZL2yd9gzLbvyNv2CaerbuLwBLn hiov2DGi1BTfMBaeXatLxBI9gBaerbd9wDYLwzYbItLDharqqtubsr 4rNCHbGeaGqiFGI8VfYJH8XrFfeuY=Hhbbf9v8WrFr0xc9vr0xc9q8 qqaqFn0dXdir=xcvk9pIe91rpepae9pg0FirpepeKkFr0xfr=xfr=x ibpdbaqaaeGacaGaaiaabeqaamaabaabaaGcbaGaeyypa0ZaaSaaae aacaWGLbWaaWbaaSqabeaacqaHdpWCdaWgaaadbaGaamOmeiaaigda caWGPbaabeaaliabgwSixlaadYeadaWgaaadbaGaamyAaaqabaWccq GHRaWkcqaHdpWCdaWgaaadbaGaamOmeiaaikdacaWGPbaabeaaliab gwSixlaadIhadaWgaaadbaGaamyAaaqabaaaaOGaeyyXIC9aaeWaae aacaWGebWaaSbaaSqaaiaaikdacaWGPbaabeaakiabgUcaRiabeo8a ZnaaBaaaleaacaWGYqGaaGymaiaadMgaaeqaaaGccaGLOaGaayzkaa GaeyOeI0IaamyzamaaCaaaleqabaGaeq4Wdm3aaSbaaWqaaiaadkdb caaIYaGaamyAaaqabaWccqGHflY1caWGmbWaaSbaaWqaaiaadMgaae qaaSGaey4kaSIaeq4Wdm3aaSbaaWqaaiaadkdbcaaIXaGaamyAaaqa baWccqGHflY1caWG4bWaaSbaaWqaaiaadMgaaeqaaaaakiabgwSixp aabmaabaGaamiramaaBaaaleaacaaIYaGaamyAaaqabaGccqGHRaWk cqaHdpWCdaWgaaWcbaGaamOmeiaaikdacaWGPbaabeaaaOGaayjkai aawMcaaaqaaiaadwgadaahaaWcbeqaaiabeo8aZnaaBaaameaacaWG YqGaaGymaiaadMgaaeqaaSGaeyyXICTaamitamaaBaaameaacaWGPb aabeaaaaGccqGHflY1daqadaqaaiaadseadaWgaaWcbaGaaGOmaiaa dMgaaeqaaOGaey4kaSIaeq4Wdm3aaSbaaSqaaiaadkdbcaaIXaGaam yAaaqabaaakiaawIcacaGLPaaacqGHsislcaWGLbWaaWbaaSqabeaa cqaHdpWCdaWgaaadbaGaamOmeiaaikdacaWGPbaabeaaliabgwSixl aadYeadaWgaaadbaGaamyAaaqabaaaaOGaeyyXIC9aaeWaaeaacaWG ebWaaSbaaSqaaiaaikdacaWGPbaabeaakiabgUcaRiabeo8aZnaaBa aaleaacaWGYqGaaGOmaiaadMgaaeqaaaGccaGLOaGaayzkaaaaaiaa cUdaaaa@A37E@ (11)

Ψ в2i x i = T вi x i T к.вхi = B 2i e σ в1i x i e σ в2i x i e σ в1i L i D 2i + σ в1i e σ в2i L i D 2i + σ в2i ; MathType@MTEF@5@5@+= feaahGart1ev3aaatCvAUfeBSjuyZL2yd9gzLbvyNv2CaerbuLwBLn hiov2DGi1BTfMBaeXatLxBI9gBaerbd9wDYLwzYbItLDharqqtubsr 4rNCHbGeaGqiFGI8VfYJH8XrFfeuY=Hhbbf9v8qrpq0xc9vr0xc9q8 qqaqFn0dXdir=xcvk9pIe9qrpu0=as0Fb9pgea0lrP0xe9Fve9Fve9 pYqaaeaabiGaaiaacaqabeaadaqaaqaaaOqaaiabfI6aznaaBaaale aacaWGYqGaaGOmaiaadMgaaeqaaOWaaeWaaeaacaWG4bWaaSbaaSqa aiaadMgaaeqaaaGccaGLOaGaayzkaaGaeyypa0ZaaSaaaeaacaWGub WaaSbaaSqaaiaadkdbcaWGPbaabeaakmaabmaabaGaamiEamaaBaaa leaacaWGPbaabeaaaOGaayjkaiaawMcaaaqaaiaadsfadaWgaaWcba GaamOoeiaac6cacaWGYqGaamyreiaadMgaaeqaaaaakiabg2da9maa laaabaGaamOqamaaBaaaleaacaaIYaGaamyAaaqabaGccqGHflY1da qadaqaaiaadwgadaahaaWcbeqaaiabeo8aZnaaBaaameaacaWGYqGa aGymaiaadMgaaeqaaSGaeyyXICTaamiEamaaBaaameaacaWGPbaabe aaaaGccqGHsislcaWGLbWaaWbaaSqabeaacqaHdpWCdaWgaaadbaGa amOmeiaaikdacaWGPbaabeaaliabgwSixlaadIhadaWgaaadbaGaam yAaaqabaaaaaGccaGLOaGaayzkaaaabaGaamyzamaaCaaaleqabaGa eq4Wdm3aaSbaaWqaaiaadkdbcaaIXaGaamyAaaqabaWccqGHflY1ca WGmbWaaSbaaWqaaiaadMgaaeqaaaaakiabgwSixpaabmaabaGaamir amaaBaaaleaacaaIYaGaamyAaaqabaGccqGHRaWkcqaHdpWCdaWgaa WcbaGaamOmeiaaigdacaWGPbaabeaaaOGaayjkaiaawMcaaiabgkHi TiaadwgadaahaaWcbeqaaiabeo8aZnaaBaaameaacaWGYqGaaGOmai aadMgaaeqaaSGaeyyXICTaamitamaaBaaameaacaWGPbaabeaaaaGc cqGHflY1daqadaqaaiaadseadaWgaaWcbaGaaGOmaiaadMgaaeqaaO Gaey4kaSIaeq4Wdm3aaSbaaSqaaiaadkdbcaaIYaGaamyAaaqabaaa kiaawIcacaGLPaaaaaGaai4oaaaa@957B@ (12)

Ψ в3i x i = T вi x i T ос = Ψ в31i 1 Ψ в32i x i MathType@MTEF@5@5@+= feaahGart1ev3aaatCvAUfeBSjuyZL2yd9gzLbvyNv2CaerbuLwBLn hiov2DGi1BTfMBaeXatLxBI9gBaerbd9wDYLwzYbItLDharqqtubsr 4rNCHbGeaGqiFGI8VfYJH8XrFfeuY=Hhbbf9v8qqaqFr0xc9pk0xbb a9q8WqFfea0=yr0RYxir=Jf9qrpae9pg0FirpepeKkFr0xfr=xfr=x b9adbaqaaeGacaGaaiaabeqaamaabaabaaGcbaGaeuiQdK1aaSbaaS qaaiaadkdbcaaIZaGaamyAaaqabaGcdaqadaqaaiaadIhadaWgaaWc baGaamyAaaqabaaakiaawIcacaGLPaaacqGH9aqpdaWcaaqaaiaads fadaWgaaWcbaGaamOmeiaadMgaaeqaaOWaaeWaaeaacaWG4bWaaSba aSqaaiaadMgaaeqaaaGccaGLOaGaayzkaaaabaGaamivamaaBaaale aacaWG+qGaamyqeaqabaaaaOGaeyypa0JaeuiQdK1aaSbaaSqaaiaa dkdbcaaIZaGaaGymaiaadMgaaeqaaOGaeyyXIC9aaeWaaeaacaaIXa GaeyOeI0IaeuiQdK1aaSbaaSqaaiaadkdbcaaIZaGaaGOmaiaadMga aeqaaOWaaeWaaeaacaWG4bWaaSbaaSqaaiaadMgaaeqaaaGccaGLOa GaayzkaaaacaGLOaGaayzkaaaaaa@5AAC@ , (13)

Ψ в31i = E в3i E 2i MathType@MTEF@5@5@+= feaahGart1ev3aaatCvAUfeBSjuyZL2yd9gzLbvyNv2CaerbuLwBLn hiov2DGi1BTfMBaeXatLxBI9gBaerbd9wDYLwzYbItLDharqqtubsr 4rNCHbGeaGqiFGI8VfYJH8XrFfeuY=Hhbbf9v8qqaqFr0xc9pk0xbb a9q8WqFfea0=yr0RYxir=Jf9qrpae9pg0FirpepeKkFr0xfr=xfr=x b9adbaqaaeGacaGaaiaabeqaamaabaabaaGcbaGaeuiQdK1aaSbaaS qaaiaadkdbcaaIZaGaaGymaiaadMgaaeqaaOGaeyypa0ZaaSaaaeaa caWGfbWaaSbaaSqaaiaadkdbcaaIZaGaamyAaaqabaaakeaacaWGfb WaaSbaaSqaaiaaikdacaWGPbaabeaaaaaaaa@40C9@ ; (14)

Ψ в32i x i = e σ в2i x i C 2i E 2i E в3i D 2i + D 2i + σ в1i e σ в1i L i e σ в1i L i D 2i + σ в1i e σ в2i L i D 2i + σ в2i MathType@MTEF@5@5@+= feaahGart1ev3aaatCvAUfeBSjuyZL2yd9gzLbvyNv2CaerbuLwBLn hiov2DGi1BTfMBaeXatLxBI9gBaerbd9wDYLwzYbItLDharqqtubsr 4rNCHbGeaGqiFGI8VfYJH8XrFfeuY=Hhbbf9v8qqaqFr0xc9pk0xbb a9q8WqFfea0=yr0RYxir=Jf9qrpae9pg0FirpepeKkFr0xfr=xfr=x b9adbaqaaeGacaGaaiaabeqaamaabaabaaGcbaGaeuiQdK1aaSbaaS qaaiaadkdbcaaIZaGaaGOmaiaadMgaaeqaaOWaaeWaaeaacaWG4bWa aSbaaSqaaiaadMgaaeqaaaGccaGLOaGaayzkaaGaeyypa0ZaaSaaae aacaWGLbWaaWbaaSqabeaacqaHdpWCdaWgaaadbaGaamOmeiaaikda caWGPbaabeaaliabgwSixlaadIhadaWgaaadbaGaamyAaaqabaaaaO GaeyyXIC9aaeWaaeaacaWGdbWaaSbaaSqaaiaaikdacaWGPbaabeaa kiabgwSixpaalaaabaGaamyramaaBaaaleaacaaIYaGaamyAaaqaba aakeaacaWGfbWaaSbaaSqaaiaadkdbcaaIZaGaamyAaaqabaaaaOGa eyOeI0IaamiramaaBaaaleaacaaIYaGaamyAaaqabaGccqGHRaWkda qadaqaaiaadseadaWgaaWcbaGaaGOmaiaadMgaaeqaaOGaey4kaSIa eq4Wdm3aaSbaaSqaaiaadkdbcaaIXaGaamyAaaqabaaakiaawIcaca GLPaaacqGHflY1caWGLbWaaWbaaSqabeaacqaHdpWCdaWgaaadbaGa amOmeiaaigdacaWGPbaabeaaliabgwSixlaadYeadaWgaaadbaGaam yAaaqabaaaaaGccaGLOaGaayzkaaaabaGaamyzamaaCaaaleqabaGa eq4Wdm3aaSbaaWqaaiaadkdbcaaIXaGaamyAaaqabaWccqGHflY1ca WGmbWaaSbaaWqaaiaadMgaaeqaaaaakiabgwSixpaabmaabaGaamir amaaBaaaleaacaaIYaGaamyAaaqabaGccqGHRaWkcqaHdpWCdaWgaa WcbaGaamOmeiaaigdacaWGPbaabeaaaOGaayjkaiaawMcaaiabgkHi TiaadwgadaahaaWcbeqaaiabeo8aZnaaBaaameaacaWGYqGaaGOmai aadMgaaeqaaSGaeyyXICTaamitamaaBaaameaacaWGPbaabeaaaaGc cqGHflY1daqadaqaaiaadseadaWgaaWcbaGaaGOmaiaadMgaaeqaaO Gaey4kaSIaeq4Wdm3aaSbaaSqaaiaadkdbcaaIYaGaamyAaaqabaaa kiaawIcacaGLPaaaaaGaeyOeI0caaa@9DDD@

e σ в1i x i C 2i E в3i E 2i D 2i + D 2i + σ в2i e σ в2i L i e σ в1i L i D 2i + σ в1i e σ в2i L i D 2i + σ в2i . MathType@MTEF@5@5@+= feaahGart1ev3aaatCvAUfeBSjuyZL2yd9gzLbvyNv2CaerbuLwBLn hiov2DGi1BTfMBaeXatLxBI9gBaerbd9wDYLwzYbItLDharqqtubsr 4rNCHbGeaGqiFGI8VfYJH8XrFfeuY=Hhbbf9v8qqaqFr0xc9pk0xbb a9q8WqFfea0=yr0RYxir=Jf9qrpae9pg0FirpepeKkFr0xfr=xfr=x b9adbaqaaeGacaGaaiaabeqaamaabaabaaGcbaGaeyOeI0IaaGjbVp aalaaabaGaamyzamaaCaaaleqabaGaeq4Wdm3aaSbaaWqaaiaadkdb caaIXaGaamyAaaqabaWccqGHflY1caWG4bWaaSbaaWqaaiaadMgaae qaaaaakiabgwSixpaabmaabaGaam4qamaaBaaaleaacaaIYaGaamyA aaqabaGccqGHflY1daWcaaqaaiaadweadaWgaaWcbaGaamOmeiaaio dacaWGPbaabeaaaOqaaiaadweadaWgaaWcbaGaaGOmaiaadMgaaeqa aaaakiabgkHiTiaadseadaWgaaWcbaGaaGOmaiaadMgaaeqaaOGaey 4kaSYaaeWaaeaacaWGebWaaSbaaSqaaiaaikdacaWGPbaabeaakiab gUcaRiabeo8aZnaaBaaaleaacaWGYqGaaGOmaiaadMgaaeqaaaGcca GLOaGaayzkaaGaeyyXICTaamyzamaaCaaaleqabaGaeq4Wdm3aaSba aWqaaiaadkdbcaaIYaGaamyAaaqabaWccqGHflY1caWGmbWaaSbaaW qaaiaadMgaaeqaaaaaaOGaayjkaiaawMcaaaqaaiaadwgadaahaaWc beqaaiabeo8aZnaaBaaameaacaWGYqGaaGymaiaadMgaaeqaaSGaey yXICTaamitamaaBaaameaacaWGPbaabeaaaaGccqGHflY1daqadaqa aiaadseadaWgaaWcbaGaaGOmaiaadMgaaeqaaOGaey4kaSIaeq4Wdm 3aaSbaaSqaaiaadkdbcaaIXaGaamyAaaqabaaakiaawIcacaGLPaaa cqGHsislcaWGLbWaaWbaaSqabeaacqaHdpWCdaWgaaadbaGaamOmei aaikdacaWGPbaabeaaliabgwSixlaadYeadaWgaaadbaGaamyAaaqa baaaaOGaeyyXIC9aaeWaaeaacaWGebWaaSbaaSqaaiaaikdacaWGPb aabeaakiabgUcaRiabeo8aZnaaBaaaleaacaWGYqGaaGOmaiaadMga aeqaaaGccaGLOaGaayzkaaaaaiaac6caaaa@9686@ (15)

В свою очередь, постоянные в выражениях (6) - (15) представляют собой сложные функции характерных параметров:

B 1i = 1 υ к α i F i V кi ρ к c к ; B 2i = 1 υ вi α i F i V вi ρ в c в ; C 2i = k вi F вi V вi ρ в c в ; D 1i = A 1i + B 1i ; D 2i = A 2i + B 2i + C 2i ; E к1i = D 1i D 2i ;  E к3i = C 2i B 1i ;  E 2i = D 1i D 2i B 1i B 2i ; σ 1,2кi = E к1i ± E к1i 2 +4 E 2i 2 , E в1i = D 2i D 1i ; E в3i = C 2i D 1i ; σ 1,2вi = E в1i ± E в1i 2 +4 E 2i 2 . MathType@MTEF@5@5@+= feaahGart1ev3aaatCvAUfeBSjuyZL2yd9gzLbvyNv2CaerbuLwBLn hiov2DGi1BTfMBaeXatLxBI9gBaerbd9wDYLwzYbItLDharqqtubsr 4rNCHbGeaGqiFGI8VfYJH8XrFfeuY=Hhbbf9v8WrFr0xc9vr0xc9q8 qqaqFn0dXdfr=xcvk9pIe9Wrpgpae9pg0FirpepeKkFr0xfr=xfr=x ibpdbaqaaeGacaGaaiaabeqaamaabaabaaGcbaWaaiGaaqaacaqaai aadkeadaWgaaWcbaGaaGymaiaadMgaaeqaaOGaeyypa0ZaaSaaaeaa caaIXaaabaGaeqyXdu3aaSbaaSqaaiaadQdbaeqaaaaakiabgwSixp aalaaabaGaeqySde2aaSbaaSqaaiaadMgaaeqaaOGaeyyXICTaamOr amaaBaaaleaacaWGPbaabeaaaOqaaiaadAfadaWgaaWcbaGaamOoei aadMgaaeqaaOGaeyyXICTaeqyWdi3aaSbaaSqaaiaadQdbaeqaaOGa eyyXICTaam4yamaaBaaaleaacaWG6qaabeaaaaGccaGG7aGaamOqam aaBaaaleaacaaIYaGaamyAaaqabaGccqGH9aqpdaWcaaqaaiaaigda aeaacqaHfpqDdaWgaaWcbaGaamOmeiaadMgaaeqaaaaakiabgwSixp aalaaabaGaeqySde2aaSbaaSqaaiaadMgaaeqaaOGaeyyXICTaamOr amaaBaaaleaacaWGPbaabeaaaOqaaiaadAfadaWgaaWcbaGaamOmei aadMgaaeqaaOGaeyyXICTaeqyWdi3aaSbaaSqaaiaadkdbaeqaaOGa eyyXICTaam4yamaaBaaaleaacaWGYqaabeaaaaGccaGG7aGaam4qam aaBaaaleaacaaIYaGaamyAaaqabaGccqGH9aqpdaWcaaqaaiaadUga daWgaaWcbaGaamOmeiaadMgaaeqaaOGaeyyXICTaamOramaaBaaale aacaWGYqGaamyAaaqabaaakeaacaWGwbWaaSbaaSqaaiaadkdbcaWG PbaabeaakiabgwSixlabeg8aYnaaBaaaleaacaWGYqaabeaakiabgw SixlaadogadaWgaaWcbaGaamOmeaqabaaaaOGaai4oaaqaaiaadsea daWgaaWcbaGaaGymaiaadMgaaeqaaOGaeyypa0JaamyqamaaBaaale aacaaIXaGaamyAaaqabaGccqGHRaWkcaWGcbWaaSbaaSqaaiaaigda caWGPbaabeaakiaacUdacaaMe8UaamiramaaBaaaleaacaaIYaGaam yAaaqabaGccqGH9aqpcaWGbbWaaSbaaSqaaiaaikdacaWGPbaabeaa kiabgUcaRiaadkeadaWgaaWcbaGaaGOmaiaadMgaaeqaaOGaey4kaS Iaam4qamaaBaaaleaacaaIYaGaamyAaaqabaGccaGG7aaabaGaamyr amaaBaaaleaacaWG6qGaaGymaiaadMgaaeqaaOGaeyypa0Jaamiram aaBaaaleaacaaIXaGaamyAaaqabaGccqGHsislcaWGebWaaSbaaSqa aiaaikdacaWGPbaabeaakiaacUdacaqGGaGaamyramaaBaaaleaaca WG6qGaaG4maiaadMgaaeqaaOGaeyypa0Jaam4qamaaBaaaleaacaaI YaGaamyAaaqabaGccqGHflY1caWGcbWaaSbaaSqaaiaaigdacaWGPb aabeaakiaacUdacaqGGaaabaGaamyramaaBaaaleaacaaIYaGaamyA aaqabaGccqGH9aqpcaWGebWaaSbaaSqaaiaaigdacaWGPbaabeaaki abgwSixlaadseadaWgaaWcbaGaaGOmaiaadMgaaeqaaOGaeyOeI0Ia amOqamaaBaaaleaacaaIXaGaamyAaaqabaGccqGHflY1caWGcbWaaS baaSqaaiaaikdacaWGPbaabeaakiaacUdacaaMe8oabaGaeq4Wdm3a aSbaaSqaaiaaigdacaGGSaGaaGOmaiaadQdbcaWGPbaabeaakiabg2 da9maalaaabaGaamyramaaBaaaleaacaWG6qGaaGymaiaadMgaaeqa aOGaeyySae7aaOaaaeaacaWGfbWaaSbaaSqaaiaadQdbcaaIXaGaam yAaaqabaGcdaahaaWcbeqaaiaaikdaaaGccqGHRaWkcaaI0aGaeyyX ICTaamyramaaBaaaleaacaaIYaGaamyAaaqabaaabeaaaOqaaiaaik daaaGaaiilaaqaaiaadweadaWgaaWcbaGaamOmeiaaigdacaWGPbaa beaakiabg2da9iaadseadaWgaaWcbaGaaGOmaiaadMgaaeqaaOGaey OeI0IaamiramaaBaaaleaacaaIXaGaamyAaaqabaGccaGG7aGaaGjb VlaadweadaWgaaWcbaGaamOmeiaaiodacaWGPbaabeaakiabg2da9i aadoeadaWgaaWcbaGaaGOmaiaadMgaaeqaaOGaeyyXICTaamiramaa BaaaleaacaaIXaGaamyAaaqabaGccaGG7aaabaGaeq4Wdm3aaSbaaS qaaiaaigdacaGGSaGaaGOmaiaadkdbcaWGPbaabeaakiabg2da9maa laaabaGaeyOeI0IaamyramaaBaaaleaacaWGYqGaaGymaiaadMgaae qaaOGaeyySae7aaOaaaeaacaWGfbWaaSbaaSqaaiaadkdbcaaIXaGa amyAaaqabaGcdaahaaWcbeqaaiaaikdaaaGccqGHRaWkcaaI0aGaey yXICTaamyramaaBaaaleaacaaIYaGaamyAaaqabaaabeaaaOqaaiaa ikdaaaGaaiOlaaaacaGL9baaaaa@210B@

В связи с тем, что моделируемая часть тепловой установки работает по принципу противотока, имеет место взаимовлияние участков зоны охлаждения, а значит, граничные условия зависят от состояния параметров на соседних участках, которые заранее неизвестны. Тогда, рассматривая систему (3) на границах участков и принимая во внимание выражения (2) - (4), численные значения граничных условий можем определить из решения следующей системы уравнений:

null

Tкn(xn)xn=0=Ψк1n(xn)xn=0γв1nTв(n1)(xn1)xn1=Ln1+Ψк1n(xn)xn=0γв2nTв.вх0n++Ψк2n(xn)xn=0Tк.вх+Ψк3n(xn)xn=0Tос;Tв1(x1)x1=L1=Ψв11(x1)x1=L1Tв.вх01+Ψв21(x1)x1=L1Tк2(x2)x2=0+Ψв31(x1)x1=L1Tос;Tв2(x2)x2=L2=Ψв12(x2)x2=L2γв12Tв1(x1)x1=L1+Ψв12(x2)x2=L2γв22Tв.вх02++Ψв22(x2)x2=L2Tк3(x3)x3=0+Ψв32(x2)x2=L2Tос;...

Tв(n1)(xn1)xn1=Ln1=Ψв1(n1)(xn1)xn1=Ln1γв1(n1)Tв(n2)(xn2)xn2=Ln2++Ψв1(n1)(xn1)xn1=Ln1γв2(n1)Tв.вх0(n1)+Ψв2(n1)(xn1)xn1=Ln1Tкn(xn)xn=0+Ψв3(n1)(xn1)xn1=Ln1Tос;Tвn(xn)xn=Ln=Ψв1n(xn)xn=Lnγв1nTв(n1)(xn1)xn=Ln++Ψв1n(xn)xn=Lnγв2nTв.вх0n+Ψв2n(xn)xn=LnTк.вх+Ψв3n(xn)xn=LnTос;

Представленное математическое описание позволяет получить участок температурной кривой туннельной печи, соответствующей этапу охлаждения. Вычисленные с помощью представленных выражений составляющие кривой охлаждения объединим, используя следующую зависимость:

T к (x)= T к1 ( x 1 )+ T к2 ( x 2 + L 1 )+...+ T к(n1) ( x n1 + i=1 n2 L i )+ T кn ( x n + i=1 n1 L i ) MathType@MTEF@5@5@+= feaahGart1ev3aaatCvAUfeBSjuyZL2yd9gzLbvyNv2CaerbuLwBLn hiov2DGi1BTfMBaeXatLxBI9gBaerbd9wDYLwzYbItLDharqqtubsr 4rNCHbGeaGqiFGI8VfYJH8XrFfeuY=Hhbba9q8qrpq0xc9fs0xc9q8 qqaqFn0dXdir=xcvk9pIe9qrpu0=as0Fb9pgea0lrP0xe9Fve9Fve9 qapdbaqaaeGacaGaaiaabeqaamaabaabaaGcbqa4aiaadsfadaWgaa WcbaGaamOoeaqabaGccaGGOaGaamiEaiaacMcacqGH9aqpcaWGubWa aSbaaSqaaiaadQdbcaaIXaaabeaakiaacIcacaWG4bWaaSbaaSqaai aaigdaaeqaaOGaaiykaiabgUcaRiaadsfadaWgaaWcbaGaamOoeiaa ikdaaeqaaOGaaiikaiaadIhadaWgaaWcbaGaaGOmaaqabaGccqGHRa WkcaWGmbWaaSbaaSqaaiaaigdaaeqaaOGaaiykaiabgUcaRiaac6ca caGGUaGaaiOlaiabgUcaRiaadsfadaWgaaWcbaGaamOoeiaacIcaca WGUbGaeyOeI0IaaGymaiaacMcaaeqaaOGaaiikaiaadIhadaWgaaWc baGaamOBaiabgkHiTiaaigdaaeqaaOGaey4kaSYaaabCaeaacaWGmb WaaSbaaSqaaiaadMgaaeqaaaqaaiaadMgacqGH9aqpcaaIXaaabaGa amOBaiabgkHiTiaaikdaa0GaeyyeIuoakiaacMcacqGHRaWkcaWGub WaaSbaaSqaaiaadQdbcaWGUbaabeaakiaacIcacaWG4bWaaSbaaSqa aiaad6gaaeqaaOGaey4kaSYaaabCaeaacaWGmbWaaSbaaSqaaiaadM gaaeqaaaqaaiaadMgacqGH9aqpcaaIXaaabaGaamOBaiabgkHiTiaa igdaa0GaeyyeIuoakiaacMcaaaa@7861@ .

Аналогично получим зависимость изменения температуры воздуха по длине всей зоны охлаждения:

T в (x)= T в1 ( x 1 )+ T в2 ( x 2 + L 1 )+...+ T в(n1) ( x n1 + i=1 n2 L i )+ T вn ( x n + i=1 n1 L i ) MathType@MTEF@5@5@+= feaahGart1ev3aaatCvAUfeBSjuyZL2yd9gzLbvyNv2CaerbuLwBLn hiov2DGi1BTfMBaeXatLxBI9gBaerbd9wDYLwzYbItLDharqqtubsr 4rNCHbGeaGqiFGI8VfYJH8XrFfeuY=Hhbba9q8qrpq0xc9fs0xc9q8 qqaqFn0dXdir=xcvk9pIe9qrpu0=as0Fb9pgea0lrP0xe9Fve9Fve9 qapdbaqaaeGacaGaaiaabeqaamaabaabaaGcbqa4aiaadsfadaWgaa WcbaGaamOmeaqabaGccaGGOaGaamiEaiaacMcacqGH9aqpcaWGubWa aSbaaSqaaiaadkdbcaaIXaaabeaakiaacIcacaWG4bWaaSbaaSqaai aaigdaaeqaaOGaaiykaiabgUcaRiaadsfadaWgaaWcbaGaamOmeiaa ikdaaeqaaOGaaiikaiaadIhadaWgaaWcbaGaaGOmaaqabaGccqGHRa WkcaWGmbWaaSbaaSqaaiaaigdaaeqaaOGaaiykaiabgUcaRiaac6ca caGGUaGaaiOlaiabgUcaRiaadsfadaWgaaWcbaGaamOmeiaacIcaca WGUbGaeyOeI0IaaGymaiaacMcaaeqaaOGaaiikaiaadIhadaWgaaWc baGaamOBaiabgkHiTiaaigdaaeqaaOGaey4kaSYaaabCaeaacaWGmb WaaSbaaSqaaiaadMgaaeqaaaqaaiaadMgacqGH9aqpcaaIXaaabaGa amOBaiabgkHiTiaaikdaa0GaeyyeIuoakiaacMcacqGHRaWkcaWGub WaaSbaaSqaaiaadkdbcaWGUbaabeaakiaacIcacaWG4bWaaSbaaSqa aiaad6gaaeqaaOGaey4kaSYaaabCaeaacaWGmbWaaSbaaSqaaiaadM gaaeqaaaqaaiaadMgacqGH9aqpcaaIXaaabaGaamOBaiabgkHiTiaa igdaa0GaeyyeIuoakiaacMcaaaa@7839@ .

В качестве примера рассмотрим вариант зоны охлаждения, разделенной на 4 участка. При этом процесс характеризуется параметрами, представленными в табл. 1.

 

Таблица 1. Параметры процесса охлаждения керамического кирпича

Параметр

i

1

2

3

4

υк, м/с

5.6·10-4

Qвхi, м3/с

2.1

0.3

0.48

0.3

Qвыхi, м3/с

0

3.18

Li, м

5

6

Vкi, м3

4.875

5.85

Vвi, м3

23.73

28.48

Fi, м2

158.65

190.4

Fвi, м2

38.1

45.7

ρк, кг/м3

1800

ρв, кг/м3

1.205

ск, Дж/(кг·°С)

916

св, Дж/(кг·°С)

1017

kεi

1.2

0.52

0.19

0.27

kTi

1.11

1.325

1.46

1.59

αн, Вт/(м2·°С)

5.6

j=1 r δ j λ j MathType@MTEF@5@5@+= feaahGart1ev3aaatCvAUfeBSjuyZL2yd9gzLbvyNv2CaerbuLwBLn hiov2DGi1BTfMBaeXatLxBI9gBaerbd9wDYLwzYbItLDharqqtubsr 4rNCHbGeaGqipGI8VfYJH8XrFfeuY=Hhbbf9v8qqaqFr0xc9pk0xbb a9q8WqFfea0=yr0RYxir=Jbba9q8aq0=yq=He9q8qqQ8frFve9Fve9 Ff0dmeaabaqaciaacaGaaeqabaWaaeaaeaaakeaadaaeWbqaamaala aabaGaeqiTdq2aaSbaaSqaaiaadQgaaeqaaaGcbaGaeq4UdW2aaSba aSqaaiaadQgaaeqaaaaaaeaacaWGQbGaeyypa0JaaGymaaqaaiaadk haa0GaeyyeIuoaaaa@40EA@ , м2·°С/Вт

0.51

Tк.вх, °С

-

995

Tв.вх0i, °С

20

Tос, °С

20

 

В результате расчета с использованием представленных выше математических зависимостей получен участок температурной кривой кирпича, соответствующий зоне охлаждения (рис. 2). Следует отметить, что маркерами обозначены значения температуры в характерных точках (на входах и выходах рассматриваемых четырех участков) зоны охлаждения действующей туннельной печи [11], которая работает в аналогичных расчетным технологических условиях. Оценим точность математической модели статического режима работы зоны охлаждения керамического кирпича. Произведя сравнение в указанных точках расчетных значений Tк и значений Tкн температур кирпича, полученных на реальной установке, можем увидеть (см. табл. 2), что максимальная погрешность δ наблюдается при x=0 MathType@MTEF@5@5@+= feaahGart1ev3aqatCvAUfeBSjuyZL2yd9gzLbvyNv2CaerbuLwBLn hiov2DGi1BTfMBaeXatLxBI9gBaerbd9wDYLwzYbItLDharqqtubsr 4rNCHbGeaGqiFGI8VfYJH8XrFfeuY=Hhbbf9v8qqaqFr0xc9pk0xbb a9q8WqFfea0=yr0RYxir=Jbba9q8aq0=yq=He9q8qqQ8frFve9Fve9 Ff0dmeaabiqaciGacaGaaeqabaWaaeaaeaaakeaacaWG4bGaeyypa0 JaaGimaaaa@3835@  и составляет 1.63 %. Поэтому можно сделать вывод об адекватности разработанной математической модели.

 

Таблица 2. Оценка точности математической модели статического режима работы зоны охлаждения керамического кирпича

Параметр

x, м

0

5

11

17

23

Tкн, °С

92

280

513

658

995

Tк, °С

93.5

279.3

511.9

661.7

995

δ, %

1.63

-0.25

-0.21

0.56

0

 

Рис. 2. Температурная кривая кирпича в зоне охлаждения туннельной печи

 

Таким образом, полученные выражения позволяют с достаточной для инженерной практики точностью рассчитать кривые распределения температур кирпича и охлаждающего воздуха по длине зоны охлаждения. Предложенный подход может быть использован при проектировании туннельных печей для выбора наиболее энергоэффективной конфигурации системы распределения теплоносителей, а также подбора необходимого технологического оборудования. Кроме того, использование предложенного математического описания при автоматизации рассматриваемого процесса существенно расширяет возможности управления, что позволит добиться требуемых показателей качества работы тепловых установок, тем самым снизив количество брака и энергетические затраты на керамическом производстве.

Выводы

1. Выполнен анализ технологического процесса охлаждения обожженного керамического кирпича, который представляет собой объект управления с распределенными по длине зоны охлаждения туннельной печи параметрами. Обозначено, что основной интегральной характеристикой, наилучшим образом отражающей соответствие параметров процесса технологическим требованиям, является температурная кривая.

2. Разработано математическое описание статического режима работы зоны охлаждения кирпича с распределенными подачей и отбором охлаждающего агента в виде системы неоднородных дифференциальных уравнений первого порядка и их граничных условий.

3. Найдено решение системы уравнений, позволяющее моделировать процессы для конфигураций схемы распределения теплоносителей с разным количеством точек подачи и отбора охлаждающего агента.

4. Представлен подход к определению граничных условий для каждого участка зоны охлаждения.

5. Полученные результаты предоставляют возможность создания эффективных систем управления процессом охлаждения керамического кирпича в соответствующей зоне туннельной печи, позволяющих повысить качество продукции и сократить энергетические затраты производства.

×

作者简介

M. Nazarov

Samara State Technical University

编辑信件的主要联系方式.
Email: nazarovm86@yandex.ru

(Ph.D. (Techn.)), Associate Professor, Dept. of Mechanization, Automation, and Energy Supply in Construction

俄罗斯联邦, 244, Molodogvardeyskaya str., Samara, 443100

A. Zavarzin

Samara State Technical University

Email: andrew163ru@mail.ru

Engineer, Dept. of Mechanization, Automation, and Energy Supply in Construction

俄罗斯联邦, 244, Molodogvardeyskaya str., Samara, 443100

参考

  1. Nohratyan K.A. Sushka i obzhig v promyshlennosti stroitel'noj keramiki [Drying and Firing in the Industry of Construction Ceramics]. M.: Gosudarstvennoe izdatelstvo literatury po stroitelstvu, arhitekture i stroitelnym materialam, 1962. 604 p. (In Russian)
  2. Kitajcev V.A., Gurvich R.M., Korolkov I.V. Teplotekhnika i teplovye ustanovki v promyshlennosti stroitelnyh materialov [Thermal Engineering and Thermal Installations in the Industry of Construction Materials]. M.: Promstrojizdat, 1954. 496 p. (In Russian)
  3. Naumov M.M., Kashkaev I.S., Buz M.A., Shejnman E.Sh. Tekhnologiya glinyanogo kirpicha [Technology of Clay Brick]. M.: Izdatelstvo literatury po stroitelstvu, 1969. 269 p. (In Russian)
  4. Gudkov K.V., Ancev V.Yu., Shaforost A.N., Tolokonnikov A.S., Gorynin A.D. Povyshenie kachestva produkcii kirpichnogo proizvodstva na osnove tekhnologicheskogo reinzhiniringa [Improving the Quality of Brick Production Based on Technological Reengineering] // Izvestiya TulGU. Tekhnicheskie nauki. 2023. Vyp. 9. Pр. 490–494. doi: 10.24412/2071-6168-2023-9-485-486. (In Russian)
  5. Buhmirov V.V., Gnezdov E.N., Korvyakov P.A., Rakutina D.V. Issledovanie rezhima obzhiga keramicheskih izdelij v tunnelnyh pechah kirpichnogo proizvodstva [Study of the Firing Regime of Ceramic Products in Tunnel Kilns of Brick Production] // Promyshlennye pechi i truby. 2006. No. 1. Pр. 79–83. (In Russian)
  6. Lopatina M.V., Antonychev S.V. Kompleksnoe teplotekhnologicheskoe obsledovanie tunnelnoj pechi dlya obzhiga kirpicha [Comprehensive Thermal Technology Survey of a Tunnel Kiln for Firing Brick] // Stroitelnye materialy. 2016. No. 12. Pр. 34–37. (In Russian)
  7. Gnezdov E.N., Gnezdov N.E., Marchenko Yu.I., Perezhigin E.A., Lopatina M.V., Cvetkova M.S. Tekhnologicheskij energoaudit tunnelnoj pechi dlya obzhiga keramicheskih izdelij [Technological Energy Audit of a Tunnel Kiln for Firing Ceramic Products] // Stroitelnye materialy. 2012. No. 5. Pр. 54–57. (In Russian)
  8. Tugov V.V., Sabanchin V.R. Avtomatizaciya processa obzhiga keramicheskogo kirpicha: monografiya [Automation of the Firing Process of Ceramic Brick]. Orenburg: OGU, 2019. 150 p. (In Russian)
  9. Sabanchin V.R. Avtomatizirovannaya sistema upravleniya processom obzhiga keramicheskogo kirpicha na osnove mnogomernogo logicheskogo regulyatora [Automated Control System for the Firing Process of Ceramic Brick Based on a Multidimensional Logic Controller]: dis. … kand. tekhn. nauk. Orenburg, 2018. 166 p. (In Russian)
  10. Chaudhari R.R. Avtomatizaciya linii peremeshcheniya produkcii kirpichno-cherepichnogo proizvodstva v zone sushki i obzhiga [Automation of the Product Movement Line in the Brick and Tile Production Zone During Drying and Firing]: dis. … kand. tekhn. nauk. M., 2013. 119 p. (In Russian)
  11. Umaraliev R.Sh. Avtomatizaciya i modelirovanie tekhnologicheskogo processa obzhiga keramicheskogo kirpicha v tunnel'noj pechi [Automation and Modeling of the Technological Process of Firing Ceramic Bricks in a Tunnel Kiln]: dis. … kand. tekhn. nauk. M., 2012. 125 p.

补充文件

附件文件
动作
1. JATS XML
2. Fig. 1. Calculation scheme of the cooling zone with distributed air supply and extraction as a control object

下载 (160KB)
3. Fig. 2. Temperature curve of brick in the cooling zone of a tunnel kiln

下载 (68KB)

版权所有 © Nazarov M.А., Zavarzin A.A., 2025

Creative Commons License
此作品已接受知识共享署名 4.0国际许可协议的许可

Согласие на обработку персональных данных с помощью сервиса «Яндекс.Метрика»

1. Я (далее – «Пользователь» или «Субъект персональных данных»), осуществляя использование сайта https://journals.rcsi.science/ (далее – «Сайт»), подтверждая свою полную дееспособность даю согласие на обработку персональных данных с использованием средств автоматизации Оператору - федеральному государственному бюджетному учреждению «Российский центр научной информации» (РЦНИ), далее – «Оператор», расположенному по адресу: 119991, г. Москва, Ленинский просп., д.32А, со следующими условиями.

2. Категории обрабатываемых данных: файлы «cookies» (куки-файлы). Файлы «cookie» – это небольшой текстовый файл, который веб-сервер может хранить в браузере Пользователя. Данные файлы веб-сервер загружает на устройство Пользователя при посещении им Сайта. При каждом следующем посещении Пользователем Сайта «cookie» файлы отправляются на Сайт Оператора. Данные файлы позволяют Сайту распознавать устройство Пользователя. Содержимое такого файла может как относиться, так и не относиться к персональным данным, в зависимости от того, содержит ли такой файл персональные данные или содержит обезличенные технические данные.

3. Цель обработки персональных данных: анализ пользовательской активности с помощью сервиса «Яндекс.Метрика».

4. Категории субъектов персональных данных: все Пользователи Сайта, которые дали согласие на обработку файлов «cookie».

5. Способы обработки: сбор, запись, систематизация, накопление, хранение, уточнение (обновление, изменение), извлечение, использование, передача (доступ, предоставление), блокирование, удаление, уничтожение персональных данных.

6. Срок обработки и хранения: до получения от Субъекта персональных данных требования о прекращении обработки/отзыва согласия.

7. Способ отзыва: заявление об отзыве в письменном виде путём его направления на адрес электронной почты Оператора: info@rcsi.science или путем письменного обращения по юридическому адресу: 119991, г. Москва, Ленинский просп., д.32А

8. Субъект персональных данных вправе запретить своему оборудованию прием этих данных или ограничить прием этих данных. При отказе от получения таких данных или при ограничении приема данных некоторые функции Сайта могут работать некорректно. Субъект персональных данных обязуется сам настроить свое оборудование таким способом, чтобы оно обеспечивало адекватный его желаниям режим работы и уровень защиты данных файлов «cookie», Оператор не предоставляет технологических и правовых консультаций на темы подобного характера.

9. Порядок уничтожения персональных данных при достижении цели их обработки или при наступлении иных законных оснований определяется Оператором в соответствии с законодательством Российской Федерации.

10. Я согласен/согласна квалифицировать в качестве своей простой электронной подписи под настоящим Согласием и под Политикой обработки персональных данных выполнение мною следующего действия на сайте: https://journals.rcsi.science/ нажатие мною на интерфейсе с текстом: «Сайт использует сервис «Яндекс.Метрика» (который использует файлы «cookie») на элемент с текстом «Принять и продолжить».