Modeling method for low-capacity hot water boiler plants and their thermal loads
- Autores: Strokin L.P.1, Danilushkin I.A.1
-
Afiliações:
- Samara State Technical University
- Edição: Volume 33, Nº 1 (2025)
- Páginas: 104-119
- Seção: Energy and Electrical Engineering
- URL: https://medbiosci.ru/1991-8542/article/view/310313
- DOI: https://doi.org/10.14498/tech.2025.1.8
- EDN: https://elibrary.ru/HSMQQB
- ID: 310313
Citar
Texto integral
Resumo
The paper presents a novel method for modeling autonomous low-capacity hot water boiler plants and their thermal loads. The proposed approach is based on representing the main elements of the thermal circuit (boiler, heat exchanger, heating, and domestic hot water consumers) as a group of interacting thermal masses and on using a system of differential equations to describe the heat transfer dynamics. The heat transfer coefficients between thermal masses are determined through steady-state analysis, taking into account boundary conditions on external energy flows. The computational implementation of the model was carried out in the MATLAB Simulink environment, with parameter identification based on real operational data from a boiler plant with two 1 MW boilers and 90% efficiency. In the computational experiment, both steady-state and dynamic tests were performed: heating of the boiler under nominal load and cooling after shutting off the heat carrier flow. The modeling results demonstrated a high degree of agreement with operational data (mean absolute temperature error was less than 0.5 °C), confirming the adequacy and reliability of the proposed method. The universality of the approach allows the model to be scaled to various equipment types and operating modes without significant increase in computational load. The proposed method can serve as an effective tool for engineering analysis, design, and subsequent optimization of heat supply systems, providing reductions in time and resource expenditures for experimental verification.
Texto integral
Введение
Котельные широко используются для отопления и подачи горячей воды потребителям. В качестве топлива используются природный газ, уголь, мазут и другие энергоносители. В данном исследовании рассматривается моделирование работы автономной водогрейной котельной с нагрузкой в виде потребителей тепла и горячего водоснабжения. Автономные котельные обычно включают в себя один или несколько котлов, теплообменники, насосы, трубопроводную арматуру и систему управления, которая выполняет функции регулирования температуры воды, подаваемой потребителю, управления котлами и аварийной защиты оборудования. Современные водогрейные котельные все чаще автоматизируются для повышения их надежности и энергоэффективности [1, 2]. При проектировании и оптимизации работы котельных применяются компьютерные и математические модели, которые используются для решения задач повышения их экономичности и эффективности [3, 4], а также снижения воздействия на окружающую среду [5].
Описание объекта и постановка задачи
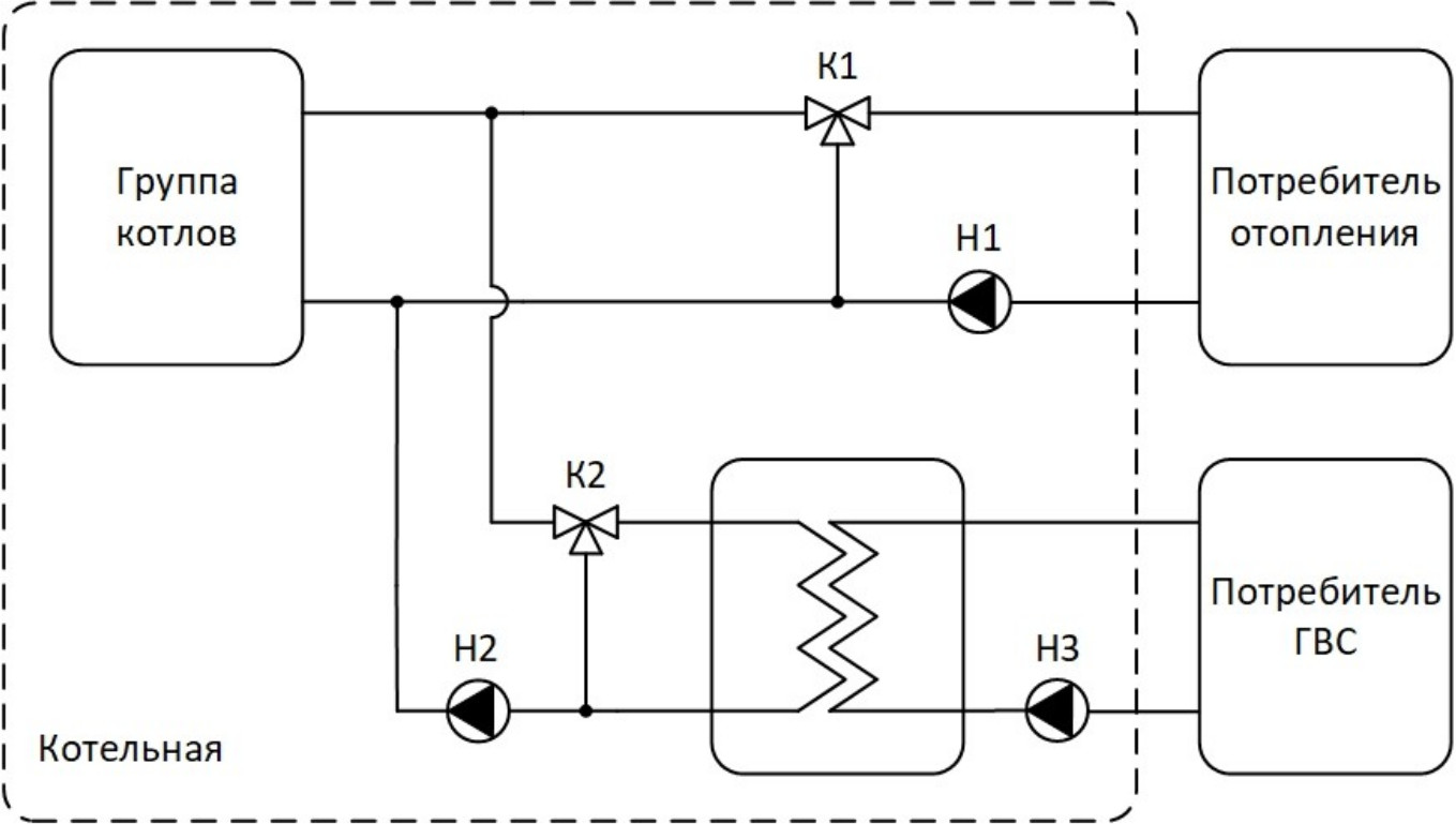
Основной функцией котельной является нагрев воды и ее распределение по двум основным контурам: системе отопления и системе горячего водоснабжения (ГВС). Ее упрощенная схема представлена на рис. 1. Нагретая в группе котлов вода поступает к потребителям. В процессе прохождения по системе вода отдает тепло радиаторам в жилых помещениях или теплообменникам для подогрева воды в системе горячего водоснабжения. Остывшая вода, потерявшая часть своей тепловой энергии, возвращается по обратным трубопроводам в котельную для повторного нагрева.
Основной принцип функционирования котельной - это поддержание постоянной циркуляции теплоносителя по замкнутому контуру. Насосы обеспечивают движение воды по системе, создавая необходимое давление для того, чтобы теплоноситель достигал каждого потребителя. Для управления температурой используются трехходовые клапаны, которые позволяют смешивать потоки теплоносителя разной температуры для поддержания заданной температуры в системе.
Рис. 1. Схема котельной: Н1, Н2, Н3 - группы насосов; К1, К2 - трехходовые клапаны
В данном исследовании разрабатывается математическая модель котельной, основанная на системе дифференциальных уравнений и предназначенная для анализа ее работы и последующей оптимизации. Такая модель позволяет с необходимой для задач автоматизации точностью описывать процессы, происходящие в различных узлах системы, и рассчитывать их поведение при изменении параметров.
Исследование тепловой схемы (см. рис. 1) как единой системы позволяет решить целый ряд вопросов:
- оценка правильности выбора оборудования котельной;
- определение динамических характеристик процессов тепломассопереноса и расчет оптимальных регуляторов систем автоматического управления;
- исследование различных режимов работы оборудования котельной и их влияния на динамические характеристики системы;
- сокращение затрат времени и ресурсов за счет выполнения расчетов вместо проведения экспериментальных испытаний.
Обзор методов моделирования
Общий подход к моделированию тепловых процессов предполагает представление процессов как системы трех уравнений: уравнения закона сохранения вещества, уравнения закона сохранения количества движения, уравнения закона сохранения энергии [6].
В случае моделирования котельных законы сохранения вещества и сохранения количества движения определяют гидравлическую модель потоков теплоносителя, закон сохранения энергии лежит в основе тепловых моделей. Динамическая модель гидравлической системы в данной работе не рассматривается, поскольку переходные процессы в ней затухают очень быстро и могут быть приняты безынерционными по сравнению с тепловыми. К тепловым объектам относятся котел, теплообменник, потребитель отопления и потребитель горячего водоснабжения (ГВС).
Методы моделирования тепловых объектов можно разделить на три группы: аналитические, экспериментальные и численные [7-9]. Аналитические методы основаны на построении математических моделей объекта с использованием фундаментальных законов физики [10]. К данным методам относятся модели с распределенными параметрами [11] и модели с сосредоточенными параметрами [12]. При этом для сосредоточенных моделей может применяться метод термоэлектрической аналогии [13].
Экспериментальные методы базируются на основе реальных измерений, полученных при эксплуатации объектов, которые используются для создания моделей. Статические модели могут быть построены при помощи регрессии и корреляции с установлением эмпирических зависимостей между входными и выходными величинами; динамические модели - при помощи процедур идентификации, когда параметры модели определяются посредством специально организованных экспериментов.
Численные методы применяются для решения нелинейных дифференциальных уравнений, описывающих тепловые и гидравлические процессы, с учетом сложной геометрии и временных характеристик объекта [14].
Для достижения высокой точности моделирования больше всего подходят численные методы. Высокая точность численных моделей чаще всего достигается за счет ресурсоемких вычислений, снижение вычислительных затрат достигается за счет внесения допущений в модель с учетом ограничений по желаемой точности. Аналитический метод, предполагающий получение замкнутых математических уравнений, не может быть применен для полного описания котельной станции ввиду ее высокой структурной и функциональной сложности, а экспериментальные методы дают высокую точность только в пределах наблюдаемой опытами области и сильно зависят от исходных данных.
В целом исследования по моделированию тепловых систем можно разделить на аналитические и эмпирические. Аналитические имеют высокую сложность и требуют серьезных исследований для применимости в каждом новом случае, эмпирические же более просты и широко применимы, но зависят от наличия и качества данных об объекте моделирования.
В современных исследованиях активно обсуждаются задачи моделирования процессов теплопередачи, производится поиск эффективных методов. Статья [15] посвящена разработке низкоразмерной динамической модели компактного пластинчатого теплообменника. Авторы используют теорию подобия Нуссельта для описания процессов конвекции и теплопроводности в каналах теплообменника, а также метод конечных объемов для пространственной дискретизации. Применяя метод, основанный на аппроксимированном стационарном решении исходных уравнений, авторы получили модель, которая требует меньшей вычислительной мощности и при этом точно представляет динамические процессы и нелинейности. В [16] для моделирования динамики теплообменных систем используется метод термоэлектрической аналогии. Подход, предложенный в [16], эффективен для описания динамики отдельных теплообменников или их компактных объединенных систем, где можно принять однородность температурного поля и линейность динамических процессов. Статьи [15, 16] посвящены моделированию конкретных тепловых процессов и не учитывают взаимодействие моделируемого объекта с окружающей средой.
Работа [17] посвящена построению агрегированных математических моделей прямоточного парового котла с помощью аппарата дифференциально-алгебраических уравнений в частных производных. В работе построены математические модели отдельных подсистем прямоточного парового котла, реализованные с использованием как сосредоточенных, так и распределенных параметров, а также алгебраические уравнения, отражающие гидравлические и энергетические балансы. Автор проводит анализ разрешимости дифференциально-алгебраических уравнений в частных производных, формулирует и доказывает теоремы существования и единственности решений. Предложенный подход обладает высокой математической сложностью, применение подхода требует тонкой настройки параметров и значительных вычислительных ресурсов. Подход может использоваться для описания агрегатов котельной, однако имеет все недостатки аналитических методов.
Представленный в статье [18] метод матричной формализации основывается на составлении системы уравнений баланса массы и энергии, решаемой методами математического программирования. Модель [18] описывает почти все подсистемы ТЭС, за исключением турбоустановки, и системы регенеративного подогрева питательной воды, что позволяет получить единое агрегированное математическое описание станции. Метод матричной формализации позволяет объединить расчеты различных подсистем станции в одну систему уравнений. В сравнении с распределенными моделями агрегированное матричное представление снижает вычислительную сложность и упрощает алгоритм расчета. Но объединение множества подсистем в единую модель приводит к утрате подробной динамики отдельных устройств, что снижает точность описания локальных процессов и общей модели. Для корректной работы модели требуется значительное количество экспериментально определяемых параметров, что затрудняет построение модели. Метод матричной формализации относится к эмпирическим и подходит для упрощенного описания всей системы при наличии достаточного количества реальных данных с исследуемого объекта.
Математическая модель
Для построения модели котельной в данной работе будет использоваться разработанный метод, который относится к группе численных методов и основывается на законах сохранения энергии и сохранения масс. В основе данного метода лежит представление тепловых объектов в виде группы взаимодействующих тепловых масс.
Понятийно подход можно описать следующим образом. Тепловая масса - это вещество или материал, которые входят в состав теплового объекта и являются необходимым элементом для моделирования этого объекта. Количество элементов тепловой массы должно быть достаточным для моделирования всех ключевых процессов теплопередачи, которые описывают назначение теплового объекта, а также его взаимодействие с окружающей средой. Взаимодействие элементов тепловых масс происходит через передачу энергии от элемента с большей температурой к элементу с меньшей температурой; один элемент может обмениваться энергией с несколькими соседними элементами. Также тепловая масса может обмениваться энергией с окружающей средой, которая может как вносить, так и забирать энергию.
Каждая тепловая масса имеет свою массу и теплоемкость, а также главный параметр моделирования - температуру. Из уравнения теплового баланса [19] температура -той тепловой массы определяется как
, , (1)
где - тепловая масса; - ее удельная теплоемкость, - количество тепловых масс объекта; - тепловой поток, приходящий от -й тепловой массы; - количество тепла, привнесенное или убывшее от внешней среды.
Уравнение (1) можно записать в другой форме, используя алгебраизированный оператор дифференцирования [20], а также выразив . Тогда уравнение примет вид
, . (2)
Тепловые потоки между тепловыми массами можно описать как
, , (3)
где - приведенный коэффициент теплообмена между элементами. Для случая, когда коэффициенты теплообмена не зависят от времени, можно определить матрицу коэффициентов
. (4)
Систему уравнений (2), (3) можно использовать для построения динамической модели процесса теплообмена. Для этого необходимо определить значения коэффициентов матрицы B. Эту задачу можно решить исходя из информации о состоянии объекта в установившемся режиме, который можно определить через типовые значения температур тепловых масс . В матричном виде можно записать
, (5)
где - типичная температура -той тепловой массы. Аналогично (5) можно представить поток для каждой тепловой массы в статике:
, (6)
где - статичный приток или отток тепла -той тепловой массы.
В установившемся режиме , тогда из (1)
, ; (7)
отсюда с учетом (3)
, . (8)
С учетом (4) - (8) можно определить задачу расчета приведенных коэффициентов теплообмена в общем виде, при заданных типовых значениях температур и тепловых потоков для всех взаимодействующих тепловых масс:
, (9)
где - единичная матрица размером . В общем виде данное уравнение решить нельзя, т. к. при четырех и более элементах группы система будет недоопределена. В таком случае решение может быть получено с помощью постановки задачи минимизации функционала диссипации, где система (9), дополненная рядом дополнительных условий (симметрия матрицы B и т. п.), будет выступать в виде ограничений. Но во множестве практически полезных случаев можно рассматривать группу тепловых масс с некоторыми ограничениями.
Первое ограничение накладывается на количество связей в системе и определяется как
, (10)
где - количество тепловых масс; - количество связей в группе. Второе ограничение относится к случаю, когда в одну тепловую массу приходят два или более потоков. Пусть - множество тепловых масс, которые привносят энергию -й тепловой массе, тогда
, , (11)
где - постоянная величина, , откуда следует
, . (12)
Граничные условия описываются следующим образом: все N тепловых масс, описывающих объект, можно разделить на внешние и внутренние. Множество внешних тепловых масс включает в себя два подмножества: - входные и - выходные тепловые массы. Для внешних входных тепловых масс энергия, привнесенная извне, будет положительной:
, , (13)
тогда сумма всей энергии, привнесенной извне,
. (14)
Внешним выходным тепловым массам будет присущ отток энергии во внешнюю среду:
, , (15)
с учетом (14) распределение энергии во внешнюю среду определяется
, , (16)
где - доля суммарной привнесенной энергии, уходящая вовне от s-ной внешней выходной тепловой массы,
. (17)
Таким образом, вся энергия, привнесенная в систему через внешние входные тепловые массы, убывает через внешние выходные тепловые массы. Этот же баланс соблюдается и во внутренних тепловых массах. Для v-той внутренней тепловой массы, взаимодействующей со множеством тепловых масс , привносящих энергию, и отдающей энергию множеству тепловых масс , справедливо
. (18)
Энергия может поступать в группу тепловых масс и убывать из нее двумя способами. Первый способ предполагает обмен энергией вследствие теплопередачи от более горячей к более холодной тепловой массе. При втором способе приток или отток энергии может происходить из-за замещения вещества, принятого за одну из тепловых масс модели. Когда в объекте моделирования присутствует проходящий через него теплоноситель, в качестве тепловой массы принимается его постоянный объем, находящийся непосредственно во взаимодействии с остальными тепловыми массами объекта моделирования. В этом случае необходимо учитывать замену теплоносителя в этом объеме (модель идеального вытеснения) и его температуру на входе. Из этого следует, что типичное значение температуры тепловой массы теплоносителя на выходе, используемое для определения коэффициентов , можно рассчитать по формуле
, (19)
где - типичная температура тепловой массы-теплоносителя; - расход теплоносителя в статике; - температура замещающего теплоносителя в статике; - удельная теплоемкость; - энергия, приходящая или уходящая на тепловую массу-теплоноситель, т. к. тепловая масса, принятая за теплоноситель с расходом, всегда будет являться внешней тепловой массой. Отнесение внешней тепловой массы-теплоносителя к входной или выходной будет зависеть от конкретного объекта моделирования и роли теплоносителя в нем.
Решая систему из уравнений (8), составленных для каждой тепловой массы системы в статике, с учетом граничных условий (13), (14), (17) и ограничений (10), (12), а также баланса для внешних (17) и внутренних (18) тепловых масс можно однозначно определить все коэффициенты .
Предложенный подход к построению математической модели позволяет описывать различные элементы котельной. При расчете коэффициентов в статике направления тепловых потоков известны и взаимодействие тепловых масс для каждого элемента может быть описано направленным графом. В динамике взаимодействия между тепловыми массами происходят в направлениях, которые определяются температурами тепловых масс.
Моделирование тепловых объектов котельной
Водогрейный котел. Основное назначение котла - это нагрев теплоносителя. Передача тепла к теплоносителю осуществляется от металла тепловоспринимающих поверхностей котла, которые, в свою очередь, нагреваются от продуктов сгорания топлива. В процессе работы часть тепла уходит на нагрев кожуха котла, который, в свою очередь, отдает тепло окружающей среде. Тепловые массы модели котла и тепловые потоки между ними изображены на рис. 2. Для расчета приведенных коэффициентов теплообмена между тепловыми массами можно использовать оценочные и типичные значения температур для каждой тепловой массы. При этом первая тепловая масса является внешней входной, т. к. на нее поступает энергия от горелки, а вторая и третья - внешними выходными, причем распределение выходных потоков зависит от КПД котла. Поток тепла к поверхностям нагрева определяется комбинацией воздействий: излучения пламени и теплопередачи от продуктов сгорания. При этом температура продуктов сгорания на порядок выше, чем температура металла поверхностей нагрева. Поэтому при расчете принято, что тепловой поток не зависит от разности температур и определяется мощностью горелки, зависящей от расхода топлива.
Рис. 2. Представление котла: 1 - металл тепловоспринимающих поверхностей; 2 - теплоноситель; 3 - кожух; - - температуры соответствующих тепловых масс; - температура окружающей среды
Тепловой поток определяется расходом теплоносителя через котел, соответствующим номинальному режиму работы котла; температура теплоносителя на выходе котла в номинальном режиме оценивается по формуле (19). Окружающая среда фактически выступает тепловой массой с бесконечно большой теплоемкостью, и ее температура не изменяется, сколько бы тепла на нее ни поступило.
Теплообменный аппарат. Функция теплообменника - обмен тепла между греющим и нагреваемым теплоносителями. Теплоносители не взаимодействуют напрямую друг с другом, они передают тепло стенке, разделяющей потоки. Эксперименты показали, что повысить точность модели теплообменника позволяет представление стенки, разделяющей потоки, в виде двух взаимодействующих тепловых масс, обменивающихся энергией друг с другом и с внешней поверхностью, которая отдает тепло вовне. Тепловые массы модели теплообменника и тепловые потоки между ними изображены на рис. 3. Привнесение энергии в систему происходит через первую тепловую массу (объем греющего теплоносителя), а отток - через четвертую (объем нагреваемого теплоносителя) и пятую (внешнюю поверхность теплообменника, взаимодействующую с внешней средой). В модели теплообменника наблюдается полная аналогия с моделью котла: распределение выходных потоков зависит от КПД теплообменника, окружающая среда выступает тепловой массой с бесконечно большой теплоемкостью.
Рис. 3. Представление теплообменника:
1 - греющий теплоноситель; 2 - металл греющего теплоносителя; 3 - металл нагреваемого теплоносителя; 4 - нагреваемый теплоноситель; 5 - внешняя поверхность; - - температуры соответствующих тепловых масс; - температура окружающей среды
Представление потребителей отопления и ГВС в виде графа имеет линейный вид: тепло, привносимое в систему теплоносителем полностью (по цепочке), переходит в последующие тепловые массы потребителей. Для потребителя отопления важен нагрев воздуха в помещениях с помощью радиаторов, отток же тепла происходит через стены помещений во внешнюю среду. Таким образом, модель потребителя отопления представляется цепочкой тепловых масс, взаимодействующих только с соседними тепловыми массами: теплоноситель, металл радиаторов, воздух в помещении, стены помещений, окружающая среда.
Для моделирования потребителя ГВС достаточно меньшего количества тепловых масс. Основной отбор тепла осуществляется за счет отбора некоторого объема теплоносителя и замещения его холодной водой.
Вычислительный эксперимент
Для оценки предложенного подхода была реализована компьютерная модель в пакете MATLAB Simulink. Параметры Simulink-модели идентифицировались по реальным данным эксплуатации котельной, состоящей из двух котлов мощностью в 1 МВт каждый, с КПД 90 %, подключенных параллельно; каждый котел имеет собственную систему управления температурой теплоносителя на выходе. Она представлена в виде двухступенчатого регулятора, управляющего мощностью горелки (0 %, 70 %, 100 %). Выбор количества работающих котлов реализован в виде отдельной подсистемы управления. Пластинчатый противоточный теплообменник, используемый в котельной, имеет мощность 600 кВт и КПД 90 %. Моделируемая нагрузка - это 5700 м кирпичных жилых помещений и 3300 м панельных жилых помещений, находящихся в умеренно-континентальном регионе. Необходимые затраты на отопление [21] при температуре теплоносителя 95 °C и температуре наружного воздуха -35 °C составляют 70 и 100 Вт/м для кирпичных и панельных помещений соответственно. На данных площадях находятся около 180 квартир.
Гидравлическая система для данной котельной станции представлена в виде функций, реализующих моментальные перераспределения потоков при изменении положений трехходовых клапанов, управление которыми происходит с помощью релейных регуляторов и по отклонению от заданных значений температур. Для отопления температура воды на потребителя определяется погодным графиком, для контура ГВС температура на выходе из котельной фиксирована и составляет 55 °C. Расход теплоносителя в гидравлической системе определяется насосами и составляет 50 т/ч для потребителя отопления и 20 т/ч для внутреннего контура ГВС. Расход воды на потребителя ГВС принят постоянным и составляет 10 т/ч. Общий объем теплоносителя для контура потребителя отопления составляет 30 м, для контура ГВС - 10 м.
В качестве примера результатов моделирования котла рассматривается его нагрев и остывание при отсутствии расхода теплоносителя. На рис. 4 приведены температуры тепловых масс модели котла (см. рис. 2), горелка была включена на полную мощность в течение 370 с, после чего выключена.
При включенной горелке быстрее всего нагревался металл поверхностей нагрева котла, теплоноситель и кожух нагревались медленнее, после отключения горелки температура металла достаточно быстро снижается из-за постоянного теплообмена с теплоемким теплоносителем. После 800 с температура металла становится меньше температуры теплоносителя. Видно, что теплоноситель постепенно остывает, взаимодействуя с остывающим металлом поверхностей нагрева, которые, в свою очередь, остывают от оттока тепла к кожуху котла. Кожух котла взаимодействует с внешней средой - воздухом внутри котельной с температурой 25 °C.
Остывание котла, изображенное на рис. 4, длится около 24 ч, что соответствует реальным данным по температуре теплоносителя после остановки котла мощностью 1 МВт.
Рис. 4. Нагрев и остывание котла
Результаты моделирования котельной вместе с ее тепловой нагрузкой представлены на рис. 5, 6. Исходные данные представляют собой четыре фрагмента разной продолжительности. Для проведения эксперимента фрагменты были соединены в один с ограничением на скорость изменения температур в 1 °C/ч. На рис. 6 для наглядности представлен период, когда работал один котел и проводилась беспрерывная запись параметров котельной. При моделировании учитывалось изменение температуры наружного воздуха, которая влияла на потребление тепла на отопление.
Графики (см. рис. 5, 6) свидетельствуют о корректности построения моделей ввиду соблюдения тепловой нагрузки и динамики реальной системы, а также верной реализации системы управления. Точность моделирования определялась как средняя абсолютная ошибка (MAE) и максимальная абсолютная ошибка (MaxAE) между модельными и реальными данными (см. таблицу). Полученное значение средней абсолютной ошибки соизмеримо с погрешностью датчиков, использующихся в реальной системе.
Оценка точности модели
Параметр | MAE | MaxAE | ||
16 суток | 6 суток | 16 суток | 6 суток | |
T подачи к потребителю контура отопления, °C | 0,4743 | 0,3890 | 5,9820 | 4,2910 |
T возврата от потребителя контура отопления, °C | 0,2564 | 0,1929 | 2,3605 | 1,4354 |
Рис. 5. Моделирование за 16 суток
Рис. 6. Моделирование за 6 суток
На графиках (см. рис. 5, 6) наблюдаются кратковременные расхождения (выбросы) между поведением реальной системы и модели, которые могут быть объяснены в первую очередь недостаточной точностью моделирования потребления в контуре ГВС: увеличение потребления в утренние и вечерние часы. Разработка более точной модели потребления ГВС имеет смысл только для решения задачи оптимизации локальной автоматической системы поддержания температуры подачи теплоносителя в контуре ГВС и в данной работе не рассматривалась.
Заключение
Разработанный метод моделирования водогрейных котельных малой мощности на основе тепловых масс позволяет получить адекватное описание тепловых процессов с учетом взаимодействия элементов между собой и с окружающей средой. Предложенная математическая постановка обеспечивает универсальность и масштабируемость модели, а также возможность ее применения к различным элементам тепловой схемы, включая котлы, теплообменники и потребителей тепла. Применение численного подхода на базе законов сохранения массы и энергии позволило избежать чрезмерной математической сложности, характерной для аналитических моделей, сохранив при этом необходимую точность описания и обеспечив возможность реализации динамической модели системы.
Результаты моделирования, полученные в пакете MATLAB Simulink, показали высокую степень соответствия с реальными эксплуатационными данными котельной, что подтверждается малыми значениями среднеквадратичной абсолютной ошибки температур теплоносителя. Проведенный вычислительный эксперимент подтвердил возможность применения модели для задач анализа, оптимизации и прогнозирования работы котельных установок. Таким образом, предложенный метод может быть рекомендован в качестве инженерного инструмента для проектирования и совершенствования автономных систем теплоснабжения без необходимости привлечения ресурсоемких вычислительных средств или сложных экспериментальных исследований.
Sobre autores
L. Strokin
Samara State Technical University
Autor responsável pela correspondência
Email: strokin.samara@mail.ru
Master
Rússia, 244, Molodogvardeyskaya str., Samara, 443100I. Danilushkin
Samara State Technical University
Email: idanilushkin@mail.ru
(Ph.D. (Techn.)), Associate Professor, Dept. of Automation and Control in Technical Systems
Rússia, 244, Molodogvardeyskaya str., Samara, 443100Bibliografia
- Milevskaya T.A. Analiz tekhnologij povyshayushchih energoeffektivnost kotelnyh [Analysis of Technologies Increasing the Energy Efficiency of Boiler Houses] // Nauchno-issledovatelskij centr «Technical Innovations». 2021. No. 5. Pр. 215–219. (In Russian).
- Gluhova A.V., Truskova E.V. Analiz osnovnyh napravlenij razvitiya sistemy teplo-snabzheniya v Kuzbasse [Analysis of the Main Directions for the Development of the Heat Supply System in Kuzbass] // Rossiya molodaya: Sb. materialov XIV Vseros. nauch.-prakt. konf. s mezhd. uchastiem, Kemerovo, 19–21 apr. 2022 g. Kemerovo: KuzGTU im. T.F. Gorbacheva, 2022. Pр. 21206.1–21206.5. (In Russian).
- Babadi K.A. et al. Numerical simulations and an experimental study for optimal design of a 1500 kW water-tube condensing boiler // Energy. 2024. Vol. 307. P. 132675. doi: 10.1016/j.energy.2024.132675
- Yakupova K.R. Issledovanie effektivnosti teploobmena pri izmenenii form poperechnogo secheniya konvektivnyh trub gazovogo kotla KVGA-0,8 [Study of the Heat Exchange Efficiency with Changing the Cross-sectional Shape of the Convective Tubes of a Gas Boiler KVGA-0.8] // Innovacionnye nauch. issledovaniya. 2021. No. 5–1 (7). Pр. 54–62. doi: 10.5281/zenodo.5007206. (In Russian).
- Arowoiya V.A., Moehler R.C., Fang Y. Digital twin technology for thermal comfort and energy efficiency in buildings: A state-of-the-art and future directions // Energy and Built Environment. 2024. Vol. 5, No. 5. Pр. 641–656. doi: 10.1016/j.enbenv.2023.05.004.
- Pashchenko F.F., Pikina G.A. Osnovy modelirovaniya energeticheskih obektov [Fundamentals of Modeling of Energy Facilities]. M.: Fizmatlit, 2011. 464 p. (In Russian).
- Avetisyan A.R., Pashchenko A.F., Pashchenko F.F. i dr. Teplogidravlicheskie modeli oborudovaniya elektricheskih stancij [Thermohydraulic Models of Power Plant Equipment]. M.: Fizmatlit, 2013. 448 p. (In Russian).
- Hosain M.L. Fluid flow and heat transfer simulations for complex industrial applications: from Reynolds averaged Navier-Stokes towards smoothed particle hydrodynamics: дис. ... канд. техн. наук. Mälardalen Univ., 2018.
- Patankar S. Chislennye metody resheniya zadach teploobmena i dinamiki zhidkosti [Numerical Heat Transfer and Fluid Flow]. M.: Mashinostroenie, 1984. (In Russian).
- Kudinov A.A. Matematicheskoe modelirovanie teplovogo i termonapryazhennogo sostoyanij elementov konstrukcij teplogeneriruyushchih ustanovok [Mathematical Modeling of Thermal and Thermally Stressed States of Heat-Generating Plant Elements]: dis. ... d-ra tekhn. nauk. Kazan, 1999. 474 p. (In Russian).
- Rappoport E.Ya. Strukturnoe modelirovanie obektov i sistem upravleniya s raspredelyonnymi parametrami: ucheb. posobie [Structural Modeling of Objects and Control Systems with Distributed Parameters]. M.: Vysshaya shkola, 2003. 302 p. (In Russian).
- Ramallo-González A.P., Eames M.E., Coley D.A. Lumped parameter models for building thermal modelling: An analytic approach to simplifying complex multi-layered constructions // Energy and Buildings. 2013. Vol. 60. Pр. 174–184. doi: 10.1016/j.enbuild.2013.01.014
- Fokin V.M., Bojkov G.P., Vidin Yu.V. Osnovy tekhnicheskoj teplofiziki [Fundamentals of Technical Thermophysics]. M.: Mashino-stroenie-1, 2004. (In Russian).
- Kuznecov V.A. Matematicheskoe modelirovanie processov teplo- i massoobmena dlya perspektivnyh tekhnologij energeticheskogo ispolzovaniya ugolnogo topliva [Mathematical Modeling of Heat and Mass Transfer Processes for Promising Technologies of Energy Use of Coal Fuel]: dis. ... kand. tekhn. nauk. Krasnoyarsk, 2019. 125 p. (In Russian).
- Michel A., Kugi A. Accurate low-order dynamic model of a compact plate heat exchanger // International Journal of Heat and Mass Transfer. 2013. Vol. 61. Pр. 323–331. doi: 10.1016/j.ijheatmasstransfer.2013.01.072
- He K.-L. et al. A transient heat current model for dynamic performance analysis and optimal control of heat transfer system // International Journal of Heat and Mass Transfer. 2019. Vol. 145. P. 118767. doi: 10.1016/j.ijheatmasstransfer.2019.118767
- Nguen H.D. Modelirovanie teploenergeticheskih ustanovok na osnove teorii differencial'no-algebraicheskih uravnenij v chastnyh proizvodnyh [Modeling of Thermal Power Plants Based on the Theory of Differential-Algebraic Equations in Partial Derivatives]: avtoref. dis. ... kand. tekhn. nauk: 05.13.18. Irkutsk, 2014. 22 p. (In Russian).
- Barochkin A.E., Zhukov V.P., Barochkin E.V., Leduhovskij G.V. Matrichnoe predstavlenie modeli teplovoj skhemy elektricheskoj stancii [Matrix Representation of the Thermal Scheme Model of a Power Plant] // Vestn. IGEU. 2018. No. 6. Рр. 66–72. doi: 10.17588/2072-2672.2018.6.066-072. (In Russian).
- Lykov A.V. Teoriya teploprovodnosti [Theory of Heat Conduction]. M., 1967. (In Russian).
- Besekerskij V.A., Popov E.P. Teoriya sistem avtomaticheskogo regulirovaniya [Theory of Automatic Control Systems]. 3-e izd. M.: Nauka, 1975. 768 p. (In Russian).
- SNiP 23-02-2003. Teplovaya zashchita zdanij [Thermal Protection of Buildings]. Gosstroj Rossii. Izd. ofic. M.: FGUP CPP, 2004. 26 p. (In Russian).
Arquivos suplementares







