Method of Liquid-Phase Fluorination of Polymers to Increase the Selectivity of the Air Separation
- Authors: Syrtsova D.A.1, Alentiev A.Y.1, Chirkov S.V.1, Bezgin D.A.1, Nikiforov R.Y.1, Levin I.A.1, Belov N.A.1
-
Affiliations:
- Institute of Petrochemical Synthesis. A.V. Topchiev Russian Academy of Sciences
- Issue: Vol 13, No 1 (2023)
- Pages: 42-55
- Section: Articles
- URL: https://medbiosci.ru/2218-1172/article/view/137990
- DOI: https://doi.org/10.31857/S2218117223010066
- EDN: https://elibrary.ru/HISSUE
- ID: 137990
Cite item
Full Text
Abstract
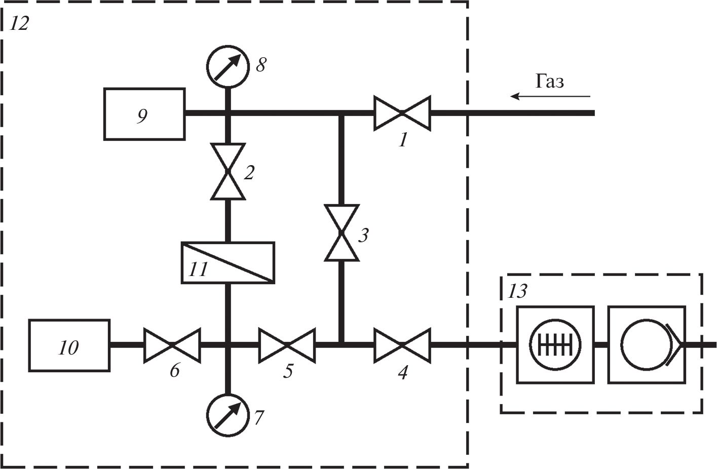
The one-sided modification of homogeneous polymer films of polyvinyltrimethylsilane (PVTMS), poly(2,6-dimethylphenyl-1,4 oxide) (PPO), and polybenzodioxane (PIM-1) was carried out by liquid-phase fluorination method using a fluorine-nitrogen mixture in perfluorodecalin. The fluorination time ranged from 10 to 60 min. For PPO films the amorphous and β-nanocrystalline phase (48%) was found by X-ray diffraction analysis of the original films. It was shown that fluorination does not significantly affect the degree of PPO crystallinity. The effect of fluorination time on the effective coefficients of permeability, diffusion, and solubility of oxygen and nitrogen has been studied. It was found that the fluorination leads to a decrease in both effective diffusion coefficients and effective gas solubility coefficients, while the resulting increase in permeability selectivity ranged from 30% for PVTMS to a 2 times increase in the case of PPO and PIM-1. It has been noted that this improvement in permeability selectivity is achieved mainly by the solubility selectivity increasing. The permeability of O2/N2 mixture for original and modified films was studied. It was found that the achieved values of the separation factors are close to the ideal selectivity. The results obtained demonstrate the possibility of effective application of the liquid-phase modification method not only for the homogeneous polymer films of the studied polymers treatment, but also for membranes with a selective non-porous layer based on them.
About the authors
D. A. Syrtsova
Institute of Petrochemical Synthesis. A.V. Topchiev Russian Academy of Sciences
Author for correspondence.
Email: syrtsova@ips.ac.ru
Russia, 119991, Moscow, Leninsky prosp., 29
A. Yu. Alentiev
Institute of Petrochemical Synthesis. A.V. Topchiev Russian Academy of Sciences
Email: syrtsova@ips.ac.ru
Russia, 119991, Moscow, Leninsky prosp., 29
S. V. Chirkov
Institute of Petrochemical Synthesis. A.V. Topchiev Russian Academy of Sciences
Email: syrtsova@ips.ac.ru
Russia, 119991, Moscow, Leninsky prosp., 29
D. A. Bezgin
Institute of Petrochemical Synthesis. A.V. Topchiev Russian Academy of Sciences
Email: syrtsova@ips.ac.ru
Russia, 119991, Moscow, Leninsky prosp., 29
R. Yu. Nikiforov
Institute of Petrochemical Synthesis. A.V. Topchiev Russian Academy of Sciences
Email: syrtsova@ips.ac.ru
Russia, 119991, Moscow, Leninsky prosp., 29
I. A. Levin
Institute of Petrochemical Synthesis. A.V. Topchiev Russian Academy of Sciences
Email: syrtsova@ips.ac.ru
Russia, 119991, Moscow, Leninsky prosp., 29
N. A. Belov
Institute of Petrochemical Synthesis. A.V. Topchiev Russian Academy of Sciences
Email: syrtsova@ips.ac.ru
Russia, 119991, Moscow, Leninsky prosp., 29
References
- Membrane technology and applications // Richard W. Baker. 3rd ed. 1. Membranes (Technology) 583 p.
- Chong K.C., Lai O., Thiam S., Teoh C., Heng L. // J. Engineering Science and Technology. 2016. V. 11. № 7. P. 1016.
- Thomas S., Pinnau I., Du N., Guiver M.D. // J. Membrane Science. 2009. V. 333(1–2). P. 125.
- https://www.separel.com/en/about/.
- https://www.generon.com/product_type/membrane-modules/.
- https://www.parker.com/Literature/Hiross%20Zander %20Division/PDF%20Files/PIS/K3.1.333_Technology_ overview_membrane_modules_for_nitrogen_and_oxygen_systems_EN.pdf.
- https://www.membrane-separation.com/en/nitrogen-generation-with-sepuran-n2/product-overview.
- https://www.ube.com/contents/en/chemical/separation/n2_separator.html.
- https://www.biogeneral.com/teflon-af/.
- http://www.airproducts.ru/supply-modes/prism-membranes.
- Pinnau I., Koros W.J. // J. Appl. Polym. Sci. 1991. V. 43. P. 1491.
- Shishatskiy S., Nistor C., Popa M., Pereira Nunes S., Peinemann K.V. // Adv. Eng. Mater. 2006. V. 8. № 5. P. 390.
- Zhang Y., Musselman I.H., Ferraris J.P., Balkus K.J., Jr. // J. Membrane. Sci. 2008. V. 313. P. 170.
- Budd P.M., McKeown N.B., Ghanem B.S., Msayib K.J., Fritsch D., Starannikova L., Belov N., Sanfirova O., Yampolskii Y., Shantarovich V. // J. Membrane. Sci. 2008. V. 325. P. 851.
- Lopez C., Wilkes G.L., Stricklen P.M., White S.A. // J. Macromolecular Science, Part C. 1992. P. 301.
- Тепляков В.В., Дургарьян С.Г. // Высокомолекулярные соединения. 1984. Т. 26. № 7. С. 1498.
- Wright T., Paul D.R. // J. Appl. Polym. Sci. 1998. V. 67. P. 875.
- Polotskaya G.A., Agranova S.A., Gazdina N.V., Kuznetsov Yu.P., Nesterov V.V. // J. Appl. Polymer Science. 1996. V. 62. P. 2215.
- Song K.W., Ka K.R., Kim C.K. // Industrial and Engineering Chemistry Research. 2010. V. 49. P. 6587.
- Tong H., Hu C., Yang S., Ma Y., Guo H., Fan L. // Polymer. 2015. V. 69. P. 138.
- Luo S., Liu Q., Zhang B., Wiegand J.R., Freeman B.D., Guo R. // J. Membrane Sci. 2015. V. 480. P. 20.
- Sterescu D.M., Stamatialis D.F., Mendes E., Kruse J., Ra1tzke K., Faupel F., Wessling M. // Macromolecules. 2007. V. 40. P. 5400.
- Singh-Ghosal A., Koros W.J. // J. Membrane Sci. 2000. V. 174. P. 177.
- Pinnau I., Koros W.J. // Ind. Eng. Chem. Res. 1991. P. 30.
- Niwa M., Kawakami H., Nagaoka S., Kanamori T., Shinbo T. // J. Membrane Sci. 2000. V. 17. P. 253.
- Chung T.S., Teoh S.K., Hu X. // J. Membrane Sci. 1997. V. 133. P. 161.
- Pesek S.C., Koros W.J. // J. Membrane Sci. 1993. V. 81. P. 71.
- Ismail A.F., Dunkin I.R., Gallivan S.L., Shilton S.J. // Polymer. 1999. V. 40. P. 6499.
- Zarshenas K., Raisi A., Aroujalian A. // RSC Adv. 2015. V. 5. P. 19760.
- Lin X., Chen J., Xu J. // J. Membrane Sci. 1994. V. 90(1–2). P. 81.
- Matsuyama H., Teramoto M., Hirai K. // J. Membrane Sci. 1995. V. 99(2). P. 139.
- .Borisov S., Khotimskiy V.S., Rebrov A.I., Rykov S.V., Slovetskiy D.I., Pashunin Yu.M. // J. Membrane Sci. 1997. V. 125. P. 319.
- Tressaud A., Durand E., Labrugère C., Kharitonov A.P., Kharitonova L.N. // J. Fluorine Chemistry. 2007. V. 128(4). P. 378.
- Susanta B. Handbook of Specialty Fluorinated Polymers: Preparation, Properties, and Application // Elsevier Inc. 2015. 329 p.
- Peyroux J., Duboi M., Tomasella E., Batisse N., Kharitonov A.P., Flahaut D., Romana L., Thomas F. // Surface & Coatings Technology. 2016. V. 292. P. 144.
- Le Roux J.D., Paul D.R., Kampa J., Lagow R.J. // J. Membrane Science. 1994. V. 90(1–2). P. 21.
- Kharitonov A.P., Kharitonova L.N. // Pure Appl. Chem. 2009. V. 81. № 3. P. 451.
- Le Roux J.D., Paul D.R., Arendt M.F., Yuan Y., Cabasso I. // J. Membrane Sci. 1994. V. (1–2). P. 37.
- Kharitonov A.P., Moskvin Yu.L., Teplyakov V.V., Le Roux J.D. // J. Fluorine Chemistry. 1999. V. 93. P. 129.
- Langsam M. // Patent CA 1320804 C. 1993.
- Le Roux J.D., Teplyakov V.V., Paul D.R. // J. Membrane Sci. 1994. V. 90. P. 55.
- Langsam M., Anand M., Karwacki E.J. // Gas Separation and Purification. 1988. V. 2(4). P. 162.
- Kharitonov P., Taege R., Ferrier G., Teplyakov V.V., Syrtsova D.A., Koops G.-H. // J. Fluorine Chem. 2005. V. 126(2). P. 251.
- Сырцова Д.А. Автореферат диссертации на соискание степени к. х. н. 2001.
- Srobel M., Corn S., Lyons C.S., Korba G.A. // J. Polym. Sci.: Part A: Polymer Chem. 1987. V. 25. P. 1295.
- Das P.S., Adhikari B., Maiti S. // Macromleculare Chemie. 1991. V. 188. P. 27.
- Blinov I.A., Mukhortov D.A., Yampolskii Yu.P., Belov N.A., Alentiev A.Yu., Chirkov S.V., Bondarenko G.N., Kostina Yu.V., Legkov S.A., Perepuchov A.M., Kambur M.P., Kambur P.S., Kapustin V.V., Vozniuk O.N., Kurapova E.S. // J. Fluorine Chemistry. 2020. V. 234. P. 109526.
- Ma X., Li K., Zhu Zh., Dong H., Lv J., Wang Y., Pinnau I., Li J., Chen B., Han Y. // J. Mater. Chem. A. 2021. V. 9. P. 18 313.
- Fuoco A., Satilmis B., Uyar T., Monteleone M., Esposito E., Muzzi C., Tocci E., Longo M., Santo M, Lanč M., Friess K, Vopička O., Izak P., Jansen J. // J. Membrane Sci. 2019. V. 594. P. 117460.
- Belov N.A., Pashkevich D.S., Alentiev A.Y., Tressaud A. // Membranes. 2021. V. 11(9). P. 713.
- Wojdyr M. // J. Appl. Crystallogr. 2010. V. 43(5). P. 1126.
- Alentiev A.Yu., Levin I.S., Buzin M.I., Belov N.A., Nikiforov R.Yu., Chirkov S.V., Blagodatskikh I.V., Kechekyan A.S., Kechekyan P.A., Bekeshev V.G., Ryzhikh V.E., Yampolskii Yu.P // Polymer. 2021. V. 226. P. 123804.
- Nagendra B., Cozzolino A., Daniel C., Rizzo P., Guerra G., De Rosa C., D’Alterio M., Tarallo O., Nuzzo A. // Macromolecules. 2019. V. 52. P. 9646.
- Ruland W. // Acta Crystallographica. 1961. V. 14(11). P. 1180.
- Безгин Д.А., Никифоров Р.Ю., Белов Н.А., Миленин С., Ямпольский Ю.П., Музафаров А.М. // Мембраны и мембранные технологии. 2021. V. 11. № 1. P. 3.
- Sievert A.C., Tong W.R., Nappa M.J. // J. Fluorine Chemistry. 1991. V. 53(3). P. 397.
- Белов Н.А., Блинов И.А., Суворов А.В., Никифоров Р.Ю., Чирков С.В., Алентьев А.Ю., Камбур М.П., Костина Ю.В., Левин И.С., Шапагин А.В., Ямпольский Ю.П. // Мембраны и мембранные технологии. 2021. Т. 11. № 2. С. 127.
- Назаров В.Г. // Рос. хим. журн. 2006. Т. 50. С. 77.
- Харитонов А.П. // Изв. Рос. Акад. наук. Энергетика. 2008. № 2. С. 149.
- Peyroux J., Dubois M., Tomasella E., Petit E., Flahaut D. // Appl. Surf. Sci. 2014. V. 315. P. 426.
- Starannikova L.E., Alentiev A.Yu., Nikiforov R.Yu., Ponomarev I.I., Blagodatskikh I.V., Nikolaev A.Yu., Shantarovich V.P., Yampolskii Yu.P. // Polymer. 2021. V. 212. P. 123 371.
- Schultz J., Peinemann K.V. // J. Membrane Science. 1996. V. 110. № 1. P. 37.
- Sridhar S., Veerapur R.S., Patil M.B., Gudasi K.B., Aminabhavi T.M. // J. Appl. Polymer Sci. 2007. V. 106. № 3. P. 1585.
- Donohue M.D., Minhas B.S., Lee S.Y. // J. Membrane Sci. 1989. V. 42. № 3. P. 197.
- Yeom C.K., Lee S.H., Lee J.M. // J. Appl. Polymer Science. 2000. V. 78. № 1. P. 179.
- Falbo F., Tasselli F., Brunetti A., Drioli E., Barbieri G. // J. Chemical Engineering. 2014. V. 31. P. 4.
- Robeson L.M. // J. Membrane. Sci. 2008. V. 320(1–2), 390.
- Comesana-Gandara B., Chen J., Bezzu C.G., Carta M., Rose I., Ferrari M.-C., Esposito E., Fuoco A., Jansen J.C., McKeown N.B. // Energy Environ. Sci. 2019. V. 12. P. 2733.
Supplementary files










