Hybrid Technology Seawater Desalination Based on Reverse Osmosis and Membrane Distillation Methods
- Authors: Ahmedova J.A.1
-
Affiliations:
- Azerbaijan State Oil and Industry University
- Issue: Vol 13, No 2 (2023)
- Pages: 96-109
- Section: Articles
- URL: https://medbiosci.ru/2218-1172/article/view/137991
- DOI: https://doi.org/10.31857/S2218117223020025
- EDN: https://elibrary.ru/HYTHEF
- ID: 137991
Cite item
Full Text
Abstract
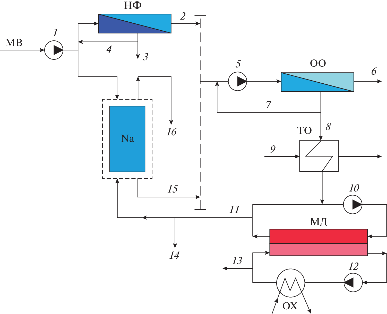
The article presents the results of a computational and analytical study of hybrid RO–MD (Reverse Osmosis–Membrane Distillation) technologies for desalination of the Caspian Sea, providing for the production of an additional amount of desalinated water by the MD method from RO concentrates heated to 50–80°C due to waste heat of fuel combustion products in steam boilers. Two options for solving the problem of the formation of CaCO3 and CaSO4 precipitates on membranes were studied: with preliminary nanofiltration (NF) or Na-cationation (Na) of sea water, as an alternative to the use of antiscalants (AS) and acid. The negative environmental effect of most plants (eutrophication of water bodies) and their low efficiency at high concentrations of desalinated water are taken into account. The Langelier index (СаСО3) and the degree of concentrate saturation (СаSO4) were used as criteria for precipitation of deposits on the membranes. The NF and RO processes were studied using the ROSA computer program, and the MD and Na processes were studied by computer simulation of the corresponding calculation models. It was found that at a 70% permeate yield at the NF and RO stages, the possibility of calcium precipitation on the RO and MD membranes is prevented, but their precipitation on the NF membranes is predicted, which makes the use of AS forced. At the same time, additional permeate production at the MD stage from RO concentrates reaches 40% of the amount of permeate from RO stadium, and the electricity consumption in general according to the scheme is 1.88 kWh/m3. Reducing the calcium hardness of sea water to 50 µg-eq/dm3 by the Na-cationization method makes it possible to refuse both the use of AS and acidification with sulfuric acid with additional production of MD permeate – 27% relative to RO permeate. Electricity consumption rises to 2.5 kWh/m3. To use the known advantages of NF without the use of AS, a hybrid Na–NF–RO–MD scheme is proposed. It has been established that at 80% yields of NF and RO permeates, to prevent the formation of CaSO4 precipitates at all stages of treatment, it is sufficient to reduce the hardness of sea water from 16 to 5.5 m-eq/dm3, and by acidifying the softened water to exclude the formation of CaCO3 precipitates.
About the authors
J. A. Ahmedova
Azerbaijan State Oil and Industry University
Author for correspondence.
Email: ahmedova_cahan1975@mail.ru
Azerbaijan, 1000, Baky
References
- Curto D., Franzita V., Guercio A. // A Review of the Water Desalination Technologies. Appl. Sci. 2021. V. 11. P. 670.
- Salinas-Rodriguez S.G. et al. // Seawater Reverse Osmosis Desalination. Assessment and Pre-treatment of Fouling and Scaling. IWA PABLISHING. London. 2021. P. 301.
- Elmesmary M.M. et al. // Hybridization of desalination processes. Int. J. Eng. Res. and Appl. 2017. V. 7. Issue 4. P. 41–44.
- Parisa Biniaz et al. // Water and Wastewater Treatment Systems by Novel Integrated Membrane Distillation. ChemEngineering. 2019. V. 3. P. 8. 10.3390
- Daniel Gonzalez et al. // Membrane Distillation: Perspektives for sustainable and improved desalination. Renewable and Sustainable Energy Reviews. 2017. V. 80. P. 237–259.
- Anton A. Kiss, Olga M. Kattan Readi // An industrial perspective on membrane distillation processes. J. Chem Technol Biotechnol. 2018. V. 93. P. 2047–2055.
- Jantaporn Waritha et al // Specific energy requirement of direct contact membrane distillation. Chemical Engineering Research and Design. 2017. V. 128. P. 15–26.
- Feiner M. et al. Increased RO concentrate toxicity following application of antiscalants–acute toxicity tests with the amphipods Gammarus pulex andGammarus roeseli, Environmental Pollution. 2015. V. 197. P. 309–312.
- Konstantin Popov et al. A Comparative Performance Evaluation of Some Novel (Green) and Traditional Antiscalants in Calcium Sulfate Scaling. Advances in Materials Science and Engineering, 2016. P. 1–10.
- Пантелеев А.А., Рябчиков Б.Е., Хоружий О.В. // Технологии мембранного разделения в промышленной водоподготовка. М.: ДеЛи плюс, 2012. С. 429.
- Dong Zou et al. // Development of lower cost seawater desalination process using NF technologies — A review. J. Desalination. 2015. V. 376. P. 109–116.
- Bassel A. et al. // Nanofiltration as Preatreatment Step in Seawater Desalination: A Review. Arabian J. For Science and Engineering. 2000. V. 43(9). P. 4413–4432.
- Фейзиев Г.К. // Высокоэффективные методы умягчения, опреснения и обессоливания воды. Изд. 2-е. Баку: “Тахсил” ТПП, 2009. С. 442.
- Карелин Ф.Н. // Обессоливание воды обратным осмосом. М.: Стройиздат, 1988. С. 208.
- Martin Futterlieb et al. // Limits of High Recovery Inland Desalination: Closed-Curcuit Reverse Osmosis-a Viable Option? Chem. Ing. Tech. 2021. V. 9. P. 1–11.
- Hussam Jouhare et al. // Waste heat recovery technologies and applications. Thermal Science and Engineering Progress. 2018. V. 6. P. 268–289.
- www.rosa9.software.informer.com.
- Рудобашта С.П., Махмуд С.Ю. // Математическое моделирование процесса мембранной дистилляции. Химия и химическая промышленность. 2012. Т. 55. С. 100–103.
- Khalifa A. et al. // Experimental and theoretical investigation on water desalination using direct contact membrane distillation. Desalination. 2017. V. 404. P. 22–34.
Supplementary files








