The Effect of Introduction of Phenolic Antioxidants on the Thermal-Oxidative Stability and Gas Permeability of Poly(4-methyl-2-pentyne)
- Authors: Makrushin V.P.1, Chernikov V.K.1, Levin I.S.1, Kossov A.A.1, Matson S.M.1
-
Affiliations:
- Topchiev Institute of Petrochemical Synthesis, Russian Academy of Sciences
- Issue: Vol 13, No 3 (2023)
- Pages: 172-180
- Section: Articles
- URL: https://medbiosci.ru/2218-1172/article/view/137998
- DOI: https://doi.org/10.31857/S2218117223030070
- EDN: https://elibrary.ru/ESQNZR
- ID: 137998
Cite item
Full Text
Abstract
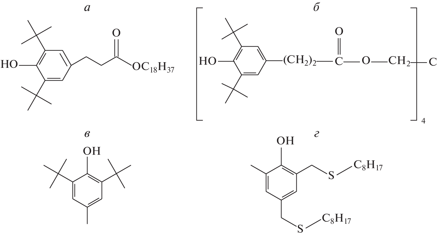
Abstract: In this work, we studied the thermal-oxidative stability and gas transport properties of poly(4-methyl-2-pentyne) (PMP) film samples with mixed configurational composition (50% cis-units) in the presence of phenolic antioxidants Irganox 1076, Irganox 1010, Vulkanox BHT and Rianox 1520, which differ in the nature and structure of the substituents on the benzene ring. Annealing of PMP films at 140°C showed that films with the addition of Irganox 1076 and Irganox 1010 retain their strength and stability of gas transport properties for at least 150 h of total heating after a moderate decrease in permeability (∼30%) in the first 48 h of heating. PMP films with Vulkanox BHT and Rianox 1520 after 48 h of heating at 140°C demonstrate an increase in gas permeability coefficients, indicating the onset of polymer degradation, and after 100 h of heating they are destroyed. The wide-angle X-ray diffraction of films with the most effective stabilizers Irganox 1076 and Irganox 1010 revealed a decrease in interchain distances after annealing, which indicates an increase in the packing density of macromolecules as a result of thermally activated relaxation.
About the authors
V. P. Makrushin
Topchiev Institute of Petrochemical Synthesis, Russian Academy of Sciences
Email: matson@ips.ac.ru
Russia, 119991, Moscow
V. K. Chernikov
Topchiev Institute of Petrochemical Synthesis, Russian Academy of Sciences
Email: matson@ips.ac.ru
Russia, 119991, Moscow
I. S. Levin
Topchiev Institute of Petrochemical Synthesis, Russian Academy of Sciences
Email: matson@ips.ac.ru
Russia, 119991, Moscow
A. A. Kossov
Topchiev Institute of Petrochemical Synthesis, Russian Academy of Sciences
Email: matson@ips.ac.ru
Russia, 119991, Moscow
S. M. Matson
Topchiev Institute of Petrochemical Synthesis, Russian Academy of Sciences
Author for correspondence.
Email: matson@ips.ac.ru
Russia, 119991, Moscow
References
- Baker R.W., Low B.T. // Macromolecules. 2014. V. 47. P. 6999.
- Galizia M., Chi W.S., Smith Z.P., Merkel T.C., Baker R.W., Freeman B.D. // Macromolecules. 2017. V. 50. P. 7809.
- Low Z.X., Budd P.M., McKeown N.B., Patterson D.A. // Chem. Rev. 2018. V. 118. P. 5871.
- Masuda T. // Polym. Rev. 2017. V. 57. P. 1.
- Yampolskii Y. // Polym. Rev. 2017. V. 57. P. 200.
- Morisato A., Shen H.C., Sankar S.S., Freeman B.D., Pinnau I., Casillas C.G. // J. Polym. Sci., Polym. Phys. 1996. V. 34. P. 2209.
- Toy L.G., Nagai K., Freeman B.D., Pinnau I., He Z., Masuda T., Teraguchi M., Yampolskii Yu. P. // Macromolecules. 2000. V. 33. P. 2516.
- Tanaka A., Nitta K., Maekawa R., Masuda T., Higashimura T. // Polym. J. 1992. V. 24. P. 1173.
- Nagai K., Higuchi A., Nakagawa T. // J. Polym. Sci. B: Polym. Phys. 1995. V. 33. P. 289.
- Langsam M., Robeson L.M. // Polym. Eng. Sci. 1989. V. 29. P. 44.
- Levita G., Struik L.C.E. // Polymer. 1983. V. 24. P. 1071.
- Frieberg B.R., Glynos E., Sakellariou G., Tyagi M., Green P.F. // Macromolecules. 2020. V. 53. P. 7684.
- Khosravi A., Vatani A., Mohammadi T. // J. Appl. Polym. Sci. 2017. V. 134. P. 45158.
- Yang Q., Grest G.Y. // Eur. Polym. J. 2018. V. 102. P. 82.
- Yang Q., Whiting W.I. // J. Membr. Sci. 2018. V. 549. P. 173.
- Yang Q., Achenie L.E.K. // Comput. Mater. Sci. 2018. V. 143. P. 87.
- Demko M.T., Cheng J.C., Pisano A.P. // ACS Nano. 2012. V. 6. P. 6890.
- Morisato A., He Z., Pinnau I. // ACS Symp. Ser. 1999. P. 56.
- Nagai K., Sugawara A., Kazama S., Freeman B.D. // J. Polym. Sci. B: Polym. Phys. 2004. V. 42. P. 2407.
- Merkel T.C., Freeman B.D., Spontak R.J., He Z., Pinnau I., Meakin P., Hill A.J. // Chem. Mater. 2003. V. 15. P. 109.
- Sheng L., Ren J., Hua K., Li H., Feng Y., Deng. // J. Membr. Sci. 2020. V. 595. P. 117580.
- Feng Y., Ren J., Li H., Zhao D., Sheng L., Wu Y., Zhao W., Deng M. // Polymer. 2021. V. 219. P. 123538.
- Al-Malaika S. Thermal antioxidants. In Polypropylene. Springer, Dordrecht, 1999.
- Li C., Wang J., Ning M., Zhang H. // J. Appl. Polym. Sci. 2012. V. 124. P. 4127.
- Pospíšil J., Nešpůrek S. // Polym. Degrad. Stab. 1995. V. 49. P. 99.
- Матсон С.М., Макрушин В.П., Левин И.С., Литвинова Е.Г., Хотимский В.С. // Мембраны и мембранные технологии. 2020. Т. 10. С. 409.
- Shishatskiy S., Makrushin V., Levin I., Merten P., Matson S., Khotimskiy V. // Polymers. 2022. V. 14. P. 462.
- Суровцев А.А., Петрушанская Н.В., Карпов О.П., Хотимский В.С., Литвинова Е.Г. Пат. 2228323 Российская Федерация. 2004.
- Matson S.M., Makrushin V.P., Levin I.S., Zhilyaeva N.A., Litvinova E.G., Khotimskiy V.S. // Polymer. 2020. V. 202. P. 122682.
- Хотимский В.С., Матсон С.М., Литвинова Е.Г., Бондаренко Г.Н., Ребров А.И. // Высокомолек. соед., Сер. А, 2003, Т. 45. С. 1259.
- Masuda T., Tang B.-Z., Higashimura T. // Macromolecules. 1985. V. 18. P. 2369.
Supplementary files






